CN211655742U - 一种三相电源防雷器 - Google Patents
一种三相电源防雷器 Download PDFInfo
- Publication number
- CN211655742U CN211655742U CN201922280516.7U CN201922280516U CN211655742U CN 211655742 U CN211655742 U CN 211655742U CN 201922280516 U CN201922280516 U CN 201922280516U CN 211655742 U CN211655742 U CN 211655742U
- Authority
- CN
- China
- Prior art keywords
- circuit board
- lightning protection
- indicator
- binding post
- protection device
- Prior art date
- Legal status (The legal status is an assumption and is not a legal conclusion. Google has not performed a legal analysis and makes no representation as to the accuracy of the status listed.)
- Expired - Fee Related
Links
- 238000005476 soldering Methods 0.000 claims abstract description 20
- ATJFFYVFTNAWJD-UHFFFAOYSA-N Tin Chemical compound [Sn] ATJFFYVFTNAWJD-UHFFFAOYSA-N 0.000 claims abstract description 18
- 239000012634 fragment Substances 0.000 claims abstract description 13
- 239000000155 melt Substances 0.000 claims abstract description 3
- 230000011664 signaling Effects 0.000 claims description 8
- 230000001012 protector Effects 0.000 claims description 4
- 238000010586 diagram Methods 0.000 description 4
- 230000000149 penetrating effect Effects 0.000 description 1
- 229920003023 plastic Polymers 0.000 description 1
- 238000003466 welding Methods 0.000 description 1
Images
Landscapes
- Emergency Protection Circuit Devices (AREA)
Abstract
本实用新型提供一种三相电源防雷器,包括:外壳、背板、主电路板、4块副电路板、4个防雷模块,所述外壳一体成型,其上留有包括:接线端子螺钉口、视窗口、滑轨,在滑轨上装入滑动指示器,所述主电路板上设置接线端子,所述接线端子包括3个火线接线端子、零线接线端子和接地端子,所述4块副电路板垂直等间距地固定在主电路板上,所述副电路板上固定有压敏电阻,压敏电阻连接入电路板电路中,其中一个电极与脱扣弹片使用低温焊锡焊接,所述脱扣弹片连接入电路板电路中,脱扣弹片勾住滑动指示器,在压敏电阻失效后,低温焊锡在高温下熔化,脱扣弹片脱扣带动滑动指示器移动,从透明视窗可观察到失效状态。
Description
技术领域
本实用新型涉及防雷器,具体涉及一种三相电源防雷器。
背景技术
电涌保护器,也叫防雷器,是一种为各种电子设备、仪器仪表、通讯线路提供安全防护的电子装置。现有的电源防雷器大部分都采用了热脱扣装置,低温焊锡焊接压敏电阻的电极片,当电极片温度达到130~140℃时,低温焊锡熔断,弹簧拉着活动电极片迅速从电网中脱离。
三相电源防雷器有组合式和一体式两种外壳设计思路,组合式方便更换模块,一体式节约外壳成本,且组装方便。
实用新型内容
针对背景技术提出的问题,本实用新型的目的是,提供一种组装方便的三相电源防雷器。
为实现上述目的,本实用新型采用如下技术方案:
一种三相电源防雷器,包括:外壳(1)、背板(02)、主电路板(03)、4块副电路板(04)、4个防雷模块,所述外壳(1)一体成型,其上留有包括:接线端子螺钉口(011)、视窗口(012)、滑轨(014),在滑轨(014)上装入滑动指示器(4),所述主电路板(03)上设置接线端子,所述接线端子包括3个火线接线端子(L1、L2、L3)、零线接线端子(N)和接地端子(PE),所述4块副电路板(04)垂直等间距地固定在主电路板(03)上,所述副电路板(04)上固定有压敏电阻(2),压敏电阻(2)连接入电路板电路中,其中一个电极与脱扣弹片(3)使用低温焊锡焊接,所述脱扣弹片(3)连接入电路板电路中,脱扣弹片(3)勾住滑动指示器(4),在压敏电阻(2)失效后,低温焊锡在高温下熔化,脱扣弹片(3)脱扣带动滑动指示器(4)移动,从透明视窗(12)可观察到失效状态。
进一步地,所述一种三相电源防雷器,所述外壳(1)还包括报警信号端子口(013),所述主电路板(03)上设置报警信号端子,所述报警信号端子包括4个LED灯报警连接和一个远程遥信连接,所述防雷模块还包括触发开关(5)和遥信端子(6),在压敏电阻(2)失效后,所述脱扣弹片(3)与遥信端子(6)接触,所述滑动指示器(4)移动触发触发开关(5)。
进一步地,所述一种三相电源防雷器,所述触发开关(5)前端设置有弹性件(51),在压敏电阻(2)失效后,所述滑动指示器(4)与弹性件(51)接触,弹性件(51)触发触发开关(5)闭合。
进一步地,所述一种三相电源防雷器,所述主电路板(03)固定在背板(02)上。
进一步地,所述一种三相电源防雷器,所述滑动指示器(4)包括红色指示部(41)、绿色指示部(42),在热脱扣动作前,绿色指示部(42)对齐透明视窗(12),动作后,红色指示部(41)对齐透明视窗(12)。
进一步地,所述一种三相电源防雷器,所述滑动指示器(4)包括铲形部(44),所述铲形部(44)对齐低温焊锡的部位,在焊锡熔化后,铲形部(44)跟随滑动指示器(4)运动,防止焊锡与脱扣弹片(3)粘丝。
本实用新型的优点是:4个防雷模块分别设置在4块副电路板(04)上,分别指示对应的热敏电阻(2)失效的状态,外壳(1)一体成型,防雷器设计合理、组装方便。
附图说明
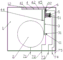
附图1一种三相电源防雷器外观结构示意图;
附图2一种三相电源防雷器内部结构俯视示意图;
附图3一种三相电源防雷器外壳结构示意图;
附图4一种三相电源防雷器防雷模块动作前结构原理示意图;
附图5一种三相电源防雷器防雷模块动作后结构原理示意图;
附图说明:外壳(1)、背板(02)、主电路板(03)、副电路板(04)、压敏电阻(2)、脱扣弹片(3)、滑动指示器(4)、触发开关(5)、遥信端子(6)、弹片固定支座(11)、透明视窗(12)、报警信号端子(13)、弹片连接部(31)、弹片凸起部(32)、红色指示部(41)、绿色指示部(42)、接触部(43)、铲形部(44)、空腔(45)、弹性件(51)、第一接线电极(71)、第二接线电极(72)、第三接线电极(73)、第四接线电极(74)、第五接线电极(75)、接线端子螺钉口(011)、视窗口(012)、报警信号端子口(013)、滑轨(014)。
具体实施方式
下面结合附图,对本实用新型作进一步的说明,以便于本领域技术人员理解本实用新型。
实施例:如附图1~3所示,一种三相电源防雷器,包括:外壳(1)、背板(02)、主电路板(03)、4块副电路板(04)、4个防雷模块,所述外壳(1)一体成型,其上留有包括:接线端子螺钉口(011)、视窗口(012)、报警信号端子口(013)、滑轨(014),所述主电路板(03)上设置接线端子、报警信号端子,所述接线端子包括3个火线接线端子(L1、L2、L3)、零线接线端子(N)和接地端子(PE),外壳(1)上对应地设置有电源线穿入孔,对应的电源线插入接线端子,使用螺钉拧紧连接,所述报警信号端子包括4个LED灯报警连接和一个远程遥信连接,所述4块副电路板(04)垂直等间距地固定在主电路板(03)上,可以插入粘接或螺钉连接,所述副电路板(04)上固定有压敏电阻(2),压敏电阻(2)连接入电路板电路中,其中一个电极与脱扣弹片(3)使用低温焊锡焊接,所述脱扣弹片(3)连接入电路板电路中,脱扣弹片(3)勾住滑动指示器(4),在压敏电阻(2)失效后,低温焊锡在高温下熔化,脱扣弹片(3)带动滑动指示器(4)移动,从透明视窗(12)可观察到失效状态,该三相电源防雷器的组装方式是,先在外壳(1)内装入透明塑料制成的透明视窗(12),在滑轨(014)上装入滑动指示器(4),分别焊接好主电路板(03)和副电路板(04)的电子元件,将副电路板(04)与主电路板(03)组装,将主电路板(03)固定在背板(02)上,将背板(02)插入外壳(1)并固定。
如附图4和5所示,为所述防雷模块,所述脱扣弹片(3)的一端为弹片连接部(31),固定在压敏电阻(2)旁的弹片固定支座(11)上,另一端为弹片凸起部(32),整个脱扣弹片(3)围绕压敏电阻(2)压下,弹片凸起部(32)下方的部位与压敏电阻(2)上方的电极片使用低温焊锡焊接,所述滑动指示器(4)安装在外壳(1)上部的滑轨(014)内,所述滑动指示器(4)包括红色指示部(41)、绿色指示部(42)、接触部(43)、铲形部(44),所述外壳(1)的上方设置透明视窗(12),在热脱扣动作前,绿色指示部(42)对齐透明视窗(12),动作后,红色指示部(41)对齐透明视窗(12),所述接触部(43)与弹片凸起部(32)接触,所述接触部(43)上方留有空腔(45),接触后,所述接触部(43)与弹片凸起部(32)上下之间存在一定间隙,焊锡熔化后,方便脱扣弹片(3)弹起时动作,脱扣弹片(3)推动接触部(43)带动滑动指示器(4)从绿色指示部(42)对齐透明视窗(12)的状态运动到红色指示部(41)对齐透明视窗(12)的状态,所述铲形部(44)对齐低温焊锡的部位,在焊锡熔化后,铲形部(44)跟随滑动指示器(4)运动,防止焊锡与脱扣弹片(3)粘丝,外壳(1)最右边设置有触发开关(5)和遥信端子(6),触发开关(5)前端设置有弹性件(51),滑动指示器(4)运动到最右位置时,接触部(43)与弹性件(51)接触,弹性件(51)触发触发开关(5)闭合,所述弹片凸起部(32)从空腔(45)伸出与遥信端子(6)接触,压敏电阻(2)下方的电极片连接第一接线电极(71),脱扣弹片(3)连接第二接线电极(72),触发开关(5)连接第三接线电极(73)和第四接线电极(74),遥信端子(6)连接第五接线电极(75),以上所述上下左右等方位名词,是针对附图4和5进行说明所用,当将模块装入附图1~3的防雷器中时,附图1~3所显示的方位是不同的,但相对位置是不变的。
通过连接第一接线电极(71)、第二接线电极(72)、第三接线电极(73)、第四接线电极(74)、第五接线电极(75)至主电路板(03)上,3个火线接线端子(L1、L2、L3)、零线接线端子(N)、接地端子(PE)、4个LED灯报警连接和一个远程遥信连接,可将防雷器连接到三相电源电路中。
本实用新型未详述部分为本领域常规技术手段,以上实施例仅用于说明本实用新型的具体实施方式,而不是用于限定本实用新型,对于本技术领域的技术人员来说,在不脱离本发明原理的前提下,还可以做出若干改进和润饰,这些改进和润饰也应视为本实用新型的保护范围。
Claims (6)
1.一种三相电源防雷器,其特征在于,包括:外壳(1)、背板(02)、主电路板(03)、4块副电路板(04)、4个防雷模块,所述外壳(1)一体成型,其上留有包括:接线端子螺钉口(011)、视窗口(012)、滑轨(014),在滑轨(014)上装入滑动指示器(4),所述主电路板(03)上设置接线端子,所述接线端子包括3个火线接线端子(L1、L2、L3)、零线接线端子(N)和接地端子(PE),所述4块副电路板(04)垂直等间距地固定在主电路板(03)上,所述副电路板(04)上固定有压敏电阻(2),压敏电阻(2)连接入电路板电路中,其中一个电极与脱扣弹片(3)使用低温焊锡焊接,所述脱扣弹片(3)连接入电路板电路中,脱扣弹片(3)勾住滑动指示器(4),在压敏电阻(2)失效后,低温焊锡在高温下熔化,脱扣弹片(3)脱扣带动滑动指示器(4)移动,从透明视窗(12)可观察到失效状态。
2.根据权利要求1所述一种三相电源防雷器,其特征在于,所述外壳(1)还包括报警信号端子口(013),所述主电路板(03)上设置报警信号端子,所述报警信号端子包括4个LED灯报警连接和一个远程遥信连接,所述防雷模块还包括触发开关(5)和遥信端子(6),在压敏电阻(2)失效后,所述脱扣弹片(3)与遥信端子(6)接触,所述滑动指示器(4)移动触发触发开关(5)。
3.根据权利要求2所述一种三相电源防雷器,其特征在于,所述触发开关(5)前端设置有弹性件(51),在压敏电阻(2)失效后,所述滑动指示器(4)与弹性件(51)接触,弹性件(51)触发触发开关(5)闭合。
4.根据权利要求1~3任一所述一种三相电源防雷器,其特征在于,所述主电路板(03)固定在背板(02)上。
5.根据权利要求1~3任一所述一种三相电源防雷器,其特征在于,所述滑动指示器(4)包括红色指示部(41)、绿色指示部(42),在热脱扣动作前,绿色指示部(42)对齐透明视窗(12),动作后,红色指示部(41)对齐透明视窗(12)。
6.根据权利要求5所述一种三相电源防雷器,其特征在于,所述滑动指示器(4)包括铲形部(44),所述铲形部(44)对齐低温焊锡的部位,在焊锡熔化后,铲形部(44)跟随滑动指示器(4)运动,防止焊锡与脱扣弹片(3)粘丝。
Priority Applications (1)
| Application Number | Priority Date | Filing Date | Title |
|---|---|---|---|
| CN201922280516.7U CN211655742U (zh) | 2019-12-18 | 2019-12-18 | 一种三相电源防雷器 |
Applications Claiming Priority (1)
| Application Number | Priority Date | Filing Date | Title |
|---|---|---|---|
| CN201922280516.7U CN211655742U (zh) | 2019-12-18 | 2019-12-18 | 一种三相电源防雷器 |
Publications (1)
| Publication Number | Publication Date |
|---|---|
| CN211655742U true CN211655742U (zh) | 2020-10-09 |
Family
ID=72696955
Family Applications (1)
| Application Number | Title | Priority Date | Filing Date |
|---|---|---|---|
| CN201922280516.7U Expired - Fee Related CN211655742U (zh) | 2019-12-18 | 2019-12-18 | 一种三相电源防雷器 |
Country Status (1)
| Country | Link |
|---|---|
| CN (1) | CN211655742U (zh) |
-
2019
- 2019-12-18 CN CN201922280516.7U patent/CN211655742U/zh not_active Expired - Fee Related
Similar Documents
| Publication | Publication Date | Title |
|---|---|---|
| CN211655743U (zh) | 一种组合式电源防雷器 | |
| CN112398083A (zh) | 一种小型化过电压保护器 | |
| CN212304744U (zh) | 一种电涌保护器 | |
| CN206076940U (zh) | 一种防雷箱 | |
| CN209844547U (zh) | 一种10kA单相PCB型电源浪涌保护器 | |
| CN211655742U (zh) | 一种三相电源防雷器 | |
| EP4250506B1 (en) | Graphite surge protector | |
| CN210490455U (zh) | 一种整体式电涌保护器 | |
| CN221177276U (zh) | 一种板载石墨浪涌保护器 | |
| CN212210488U (zh) | 一种电涌保护模块 | |
| CN218939548U (zh) | 电子式自动重合闸电源保护器 | |
| CN206211531U (zh) | 一种剩余电流保护装置防雷器 | |
| CN216720902U (zh) | 一种浪涌保护器 | |
| CN215267635U (zh) | 一种具有遥信和脱扣功能的开关型防雷模块 | |
| CN211655739U (zh) | 一种基于物联网的智能电源防雷箱 | |
| CN209981126U (zh) | 一种电涌保护器的脱扣装置 | |
| CN223599481U (zh) | 一种浪涌保护失效指示及失效时遥信告警结构 | |
| CN211320922U (zh) | 一种智能型防雷器 | |
| CN210040095U (zh) | 一种故障开路型保护器件 | |
| CN202840507U (zh) | 低残压、高工频耐受力电涌保护器 | |
| CN206312846U (zh) | 一种新型浪涌保护器脱扣装置 | |
| CN206180584U (zh) | 一种一体式电源防雷器 | |
| CN221487348U (zh) | 一种交直流兼用高电压防脱型电源模块浪涌保护器 | |
| CN223450818U (zh) | 电涌保护器热脱扣顶杆装置 | |
| CN214013867U (zh) | 防雷器模组 |
Legal Events
| Date | Code | Title | Description |
|---|---|---|---|
| GR01 | Patent grant | ||
| GR01 | Patent grant | ||
| CF01 | Termination of patent right due to non-payment of annual fee | ||
| CF01 | Termination of patent right due to non-payment of annual fee |
Granted publication date: 20201009 Termination date: 20211218 |