CN211617481U - Low-voltage direct-current charging and discharging source management equipment of high-voltage power battery in communication base station - Google Patents
Low-voltage direct-current charging and discharging source management equipment of high-voltage power battery in communication base station Download PDFInfo
- Publication number
- CN211617481U CN211617481U CN201922319205.7U CN201922319205U CN211617481U CN 211617481 U CN211617481 U CN 211617481U CN 201922319205 U CN201922319205 U CN 201922319205U CN 211617481 U CN211617481 U CN 211617481U
- Authority
- CN
- China
- Prior art keywords
- battery
- communication
- power supply
- voltage direct
- current
- Prior art date
- Legal status (The legal status is an assumption and is not a legal conclusion. Google has not performed a legal analysis and makes no representation as to the accuracy of the status listed.)
- Active
Links
- 238000004891 communication Methods 0.000 title claims abstract description 95
- 238000007599 discharging Methods 0.000 title claims abstract description 13
- HEZMWWAKWCSUCB-PHDIDXHHSA-N (3R,4R)-3,4-dihydroxycyclohexa-1,5-diene-1-carboxylic acid Chemical compound O[C@@H]1C=CC(C(O)=O)=C[C@H]1O HEZMWWAKWCSUCB-PHDIDXHHSA-N 0.000 claims abstract description 43
- 230000002457 bidirectional effect Effects 0.000 claims description 13
- 238000004146 energy storage Methods 0.000 abstract description 21
- 239000002253 acid Substances 0.000 abstract description 10
- 238000005259 measurement Methods 0.000 abstract description 4
- 238000012544 monitoring process Methods 0.000 abstract description 3
- 238000010586 diagram Methods 0.000 description 10
- 230000002159 abnormal effect Effects 0.000 description 5
- 230000008901 benefit Effects 0.000 description 5
- 238000005070 sampling Methods 0.000 description 4
- 102100035767 Adrenocortical dysplasia protein homolog Human genes 0.000 description 3
- 101000929940 Homo sapiens Adrenocortical dysplasia protein homolog Proteins 0.000 description 3
- 230000005611 electricity Effects 0.000 description 3
- 238000005516 engineering process Methods 0.000 description 3
- GELKBWJHTRAYNV-UHFFFAOYSA-K lithium iron phosphate Chemical compound [Li+].[Fe+2].[O-]P([O-])([O-])=O GELKBWJHTRAYNV-UHFFFAOYSA-K 0.000 description 3
- 238000000034 method Methods 0.000 description 3
- XEEYBQQBJWHFJM-UHFFFAOYSA-N Iron Chemical compound [Fe] XEEYBQQBJWHFJM-UHFFFAOYSA-N 0.000 description 2
- 230000001276 controlling effect Effects 0.000 description 2
- 238000010168 coupling process Methods 0.000 description 2
- 230000001105 regulatory effect Effects 0.000 description 2
- WHXSMMKQMYFTQS-UHFFFAOYSA-N Lithium Chemical compound [Li] WHXSMMKQMYFTQS-UHFFFAOYSA-N 0.000 description 1
- 238000006243 chemical reaction Methods 0.000 description 1
- 230000008878 coupling Effects 0.000 description 1
- 238000005859 coupling reaction Methods 0.000 description 1
- 238000013461 design Methods 0.000 description 1
- 238000001514 detection method Methods 0.000 description 1
- 230000000694 effects Effects 0.000 description 1
- 230000006872 improvement Effects 0.000 description 1
- 230000010354 integration Effects 0.000 description 1
- 229910052742 iron Inorganic materials 0.000 description 1
- 229910052744 lithium Inorganic materials 0.000 description 1
- 238000012423 maintenance Methods 0.000 description 1
- 230000008569 process Effects 0.000 description 1
- 238000004064 recycling Methods 0.000 description 1
- HOWHQWFXSLOJEF-MGZLOUMQSA-N systemin Chemical compound NCCCC[C@H](N)C(=O)N[C@@H](CCSC)C(=O)N[C@@H](CCC(N)=O)C(=O)N[C@@H]([C@@H](C)O)C(=O)N[C@@H](CC(O)=O)C(=O)OC(=O)[C@@H]1CCCN1C(=O)[C@H]1N(C(=O)[C@H](CC(O)=O)NC(=O)[C@H](CCCN=C(N)N)NC(=O)[C@H](CCCCN)NC(=O)[C@H](CO)NC(=O)[C@H]2N(CCC2)C(=O)[C@H]2N(CCC2)C(=O)[C@H](CCCCN)NC(=O)[C@H](CO)NC(=O)[C@H](CCC(N)=O)NC(=O)[C@@H](NC(=O)[C@H](C)N)C(C)C)CCC1 HOWHQWFXSLOJEF-MGZLOUMQSA-N 0.000 description 1
- 108010050014 systemin Proteins 0.000 description 1
Images
Classifications
-
- Y—GENERAL TAGGING OF NEW TECHNOLOGICAL DEVELOPMENTS; GENERAL TAGGING OF CROSS-SECTIONAL TECHNOLOGIES SPANNING OVER SEVERAL SECTIONS OF THE IPC; TECHNICAL SUBJECTS COVERED BY FORMER USPC CROSS-REFERENCE ART COLLECTIONS [XRACs] AND DIGESTS
- Y02—TECHNOLOGIES OR APPLICATIONS FOR MITIGATION OR ADAPTATION AGAINST CLIMATE CHANGE
- Y02E—REDUCTION OF GREENHOUSE GAS [GHG] EMISSIONS, RELATED TO ENERGY GENERATION, TRANSMISSION OR DISTRIBUTION
- Y02E60/00—Enabling technologies; Technologies with a potential or indirect contribution to GHG emissions mitigation
- Y02E60/10—Energy storage using batteries
-
- Y—GENERAL TAGGING OF NEW TECHNOLOGICAL DEVELOPMENTS; GENERAL TAGGING OF CROSS-SECTIONAL TECHNOLOGIES SPANNING OVER SEVERAL SECTIONS OF THE IPC; TECHNICAL SUBJECTS COVERED BY FORMER USPC CROSS-REFERENCE ART COLLECTIONS [XRACs] AND DIGESTS
- Y02—TECHNOLOGIES OR APPLICATIONS FOR MITIGATION OR ADAPTATION AGAINST CLIMATE CHANGE
- Y02T—CLIMATE CHANGE MITIGATION TECHNOLOGIES RELATED TO TRANSPORTATION
- Y02T10/00—Road transport of goods or passengers
- Y02T10/60—Other road transportation technologies with climate change mitigation effect
- Y02T10/70—Energy storage systems for electromobility, e.g. batteries
-
- Y—GENERAL TAGGING OF NEW TECHNOLOGICAL DEVELOPMENTS; GENERAL TAGGING OF CROSS-SECTIONAL TECHNOLOGIES SPANNING OVER SEVERAL SECTIONS OF THE IPC; TECHNICAL SUBJECTS COVERED BY FORMER USPC CROSS-REFERENCE ART COLLECTIONS [XRACs] AND DIGESTS
- Y02—TECHNOLOGIES OR APPLICATIONS FOR MITIGATION OR ADAPTATION AGAINST CLIMATE CHANGE
- Y02T—CLIMATE CHANGE MITIGATION TECHNOLOGIES RELATED TO TRANSPORTATION
- Y02T10/00—Road transport of goods or passengers
- Y02T10/60—Other road transportation technologies with climate change mitigation effect
- Y02T10/7072—Electromobility specific charging systems or methods for batteries, ultracapacitors, supercapacitors or double-layer capacitors
-
- Y—GENERAL TAGGING OF NEW TECHNOLOGICAL DEVELOPMENTS; GENERAL TAGGING OF CROSS-SECTIONAL TECHNOLOGIES SPANNING OVER SEVERAL SECTIONS OF THE IPC; TECHNICAL SUBJECTS COVERED BY FORMER USPC CROSS-REFERENCE ART COLLECTIONS [XRACs] AND DIGESTS
- Y02—TECHNOLOGIES OR APPLICATIONS FOR MITIGATION OR ADAPTATION AGAINST CLIMATE CHANGE
- Y02T—CLIMATE CHANGE MITIGATION TECHNOLOGIES RELATED TO TRANSPORTATION
- Y02T90/00—Enabling technologies or technologies with a potential or indirect contribution to GHG emissions mitigation
- Y02T90/10—Technologies relating to charging of electric vehicles
- Y02T90/12—Electric charging stations
-
- Y—GENERAL TAGGING OF NEW TECHNOLOGICAL DEVELOPMENTS; GENERAL TAGGING OF CROSS-SECTIONAL TECHNOLOGIES SPANNING OVER SEVERAL SECTIONS OF THE IPC; TECHNICAL SUBJECTS COVERED BY FORMER USPC CROSS-REFERENCE ART COLLECTIONS [XRACs] AND DIGESTS
- Y02—TECHNOLOGIES OR APPLICATIONS FOR MITIGATION OR ADAPTATION AGAINST CLIMATE CHANGE
- Y02T—CLIMATE CHANGE MITIGATION TECHNOLOGIES RELATED TO TRANSPORTATION
- Y02T90/00—Enabling technologies or technologies with a potential or indirect contribution to GHG emissions mitigation
- Y02T90/10—Technologies relating to charging of electric vehicles
- Y02T90/16—Information or communication technologies improving the operation of electric vehicles
- Y02T90/167—Systems integrating technologies related to power network operation and communication or information technologies for supporting the interoperability of electric or hybrid vehicles, i.e. smartgrids as interface for battery charging of electric vehicles [EV] or hybrid vehicles [HEV]
-
- Y—GENERAL TAGGING OF NEW TECHNOLOGICAL DEVELOPMENTS; GENERAL TAGGING OF CROSS-SECTIONAL TECHNOLOGIES SPANNING OVER SEVERAL SECTIONS OF THE IPC; TECHNICAL SUBJECTS COVERED BY FORMER USPC CROSS-REFERENCE ART COLLECTIONS [XRACs] AND DIGESTS
- Y04—INFORMATION OR COMMUNICATION TECHNOLOGIES HAVING AN IMPACT ON OTHER TECHNOLOGY AREAS
- Y04S—SYSTEMS INTEGRATING TECHNOLOGIES RELATED TO POWER NETWORK OPERATION, COMMUNICATION OR INFORMATION TECHNOLOGIES FOR IMPROVING THE ELECTRICAL POWER GENERATION, TRANSMISSION, DISTRIBUTION, MANAGEMENT OR USAGE, i.e. SMART GRIDS
- Y04S30/00—Systems supporting specific end-user applications in the sector of transportation
- Y04S30/10—Systems supporting the interoperability of electric or hybrid vehicles
- Y04S30/12—Remote or cooperative charging
Landscapes
- Charge And Discharge Circuits For Batteries Or The Like (AREA)
Abstract
A low-voltage direct-current charging and discharging source management device of a high-voltage power battery in a communication base station is characterized in that a DCDC module (401) and a control unit (402) are arranged in a communication power supply system (4), and the DCDC module (401) is externally connected with a 48V direct-current bus (7) and an electric automobile retired high-voltage direct-current battery (8); the communication power supply system (4) is connected with load equipment (9) through a 48V direct current bus (7). By monitoring the states of the battery and the power grid and automatically executing a preset energy storage operation mode according to remote control and remote measurement, the charging and discharging management functions of various power flows are realized, the standby power is ensured, the original communication power supply is replaced in a communication base station, and the existing 48v lead-acid battery is omitted. Bringing a plurality of application scenes such as peak clipping, valley filling, demand adjustment and the like for users, and increasing the operation income.
Description
Technical Field
The utility model relates to a H02J power supply or the circuit system of distribution and electric energy storage system's improvement technique, especially the low pressure direct current of high voltage power battery in communication base station charge and discharge source management equipment.
Background
When the capacity of a power battery is reduced to 80% in the use process of the electric automobile, the electric automobile needs to be retired due to the limited driving mileage and other factors. Compared with lead-acid batteries, the retired power batteries have obvious advantages in aspects of energy density, cycle life, high and low temperature performance, charge and discharge multiplying power and the like. But at the same time, these batteries still have higher voltages and much lower costs than the newer batteries, but only need to find a suitable application environment and configure a corresponding Battery Management System (BMS) to manage them for safe use.
The BMS battery system is commonly called a battery caregiver or a battery manager, and is mainly used for intelligently managing and maintaining each battery unit, preventing overcharge and overdischarge of the battery, prolonging the service life of the battery, and monitoring the state of the battery. BMS battery management system unit includes BMS battery management system, control module group, display module group, wireless communication module group, electrical equipment, is used for the group battery of electrical equipment power supply and is used for gathering the collection module of the battery information of group battery, BMS battery management system passes through communication interface and is connected with wireless communication module group and display module group respectively, the output of gathering the module is connected with BMS battery management system's input, BMS battery management system's output is connected with the input of control module group, the control module group is connected with group battery and electrical equipment respectively, BMS battery management system passes through wireless communication module and is connected with the Server end.
On the other hand, most energy storage batteries used as backup power sources in existing communication base stations are lead-acid batteries, and the lead-acid batteries have a large difference in energy density, service life and the like compared with lithium iron phosphate batteries, but brand new lithium iron phosphate batteries have high application cost in the communication base stations and cannot be popularized in a large scale.
At present, the recycling technology of the retired power battery is widely concerned. For example, in 2018, in 10 months, the iron tower company in China announces that the retired power batteries generated by 1000 ten thousand new energy automobiles will be completely digested in 2020.
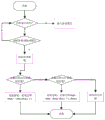
An application scenario in an existing communication base station is shown in figure 1, a communication power supply system and a 48V lead-acid battery are connected with a 48V direct-current bus in common, the 48V lead-acid battery is used as standby power, a power grid directly supplies power to equipment when commercial power exists, and the 48V lead-acid battery supplies power to the equipment when the commercial power does not exist.
The technical scheme of the related innovation is less disclosed. Chinese patent literature retrieval finds that:
chinese patent application 201810087317.1, filed by beijing fir kayork new energy technology limited, discloses a charge and discharge control system for echelon lithium batteries in a communication base station, comprising: the battery management unit and the battery combining unit; the battery management unit and the battery combining unit are connected to a battery pack; the battery pack is connected to the charger through the battery combining unit; the battery management unit is used for carrying out parameter sampling, operation protection and charge-discharge state control on the battery pack, calculating the charge state of the battery pack, sending sampling data to a main battery management unit connected with the battery management unit or sending the sampling data to a power environment system and a GPRS module, and enabling a charger to charge and discharge the battery pack by controlling a battery combining unit; the sampling data at least comprises single cell voltage, single cell temperature and charging and discharging current.
Chinese patent application 201610601656.8, filed by shanghai jiuzhui energy science and technology limited, provides a communication base station lithium iron phosphate battery echelon utilization charge-discharge system and a control method, comprising: the controller controls the echelon battery system when the communication base station loses power, and the echelon battery system automatically provides a power supply for communication equipment in the communication base station; in the electricity consumption valley period, the controller controls the bidirectional energy storage converter, the bidirectional energy storage converter charges and stores energy for the echelon battery system and provides a power supply for the communication base station; and in the peak period of power utilization, the controller controls the bidirectional energy storage converter, and the bidirectional energy storage converter releases energy in the echelon battery system to serve as a power grid support and provide charging service for the electric automobile.
Most of the voltage grades of the power battery for the electric automobile are 300-400V or 600-700V, and the power battery cannot be directly applied to the existing system architecture. The decommissioned power battery is disassembled and reassembled into the 48V module, so that the cost of the decommissioned battery can be greatly increased, and meanwhile, when the battery cores in different decommissioned battery packs are matched into one battery pack again for use, the performance of the whole battery pack can be reduced due to the difference between the battery cores.
SUMMERY OF THE UTILITY MODEL
The utility model aims at providing a low pressure direct current of high voltage power battery in communication base station fills discharge source management equipment, can lug connection retired electric automobile high voltage battery, realizes multiple power flow direction and fills discharge management function, guarantees the reserve power simultaneously, can save current 48V lead acid battery.
The purpose of the utility model is realized by the following technical measures: the DCDC module and the control unit are arranged in the communication power supply system, wherein one end of the DCDC module is externally connected with a 48V direct current bus, the other end of the DCDC module is connected with an electric automobile retired high-voltage battery through a high-voltage direct current bus, a battery management system BMS module and a battery core are installed in the electric automobile retired high-voltage direct current battery, the communication power supply system is connected with the information module, and the control unit is respectively connected with the information module and the battery management system BMS module through communication lines. The communication power supply system is connected with a power grid through the information module, the communication power supply system is connected with an electric automobile retired high-voltage battery through a high-voltage direct-current bus, and the communication power supply system is further connected with load equipment through a 48V direct-current bus.
Particularly, the control unit is respectively connected with an information module outside the communication power supply system, a battery management system BMS module or a remote control center through communication lines and is responsible for adjusting the operation logic of the communication power supply system and responding to a remote control signal of the remote control center.
In particular, a plurality of communication power supply systems are connected in parallel to a 48V direct current bus and one of the communication power supply systems is communicated with an information module or a remote control center outside the communication power supply system to be controlled or scheduled. The DCDC module in each communication power supply system is a bidirectional DCDC circuit.
The utility model discloses an advantage and effect: a control unit arranged in the communication power supply system can be directly connected with a high-voltage battery of a decommissioned electric vehicle by monitoring the states of the battery and a power grid and automatically executing a preset energy storage operation mode according to remote control and remote measurement, and meanwhile, a DCDC module is arranged in the system and performs charge and discharge management through a 48V direct current bus. The original communication power supply is replaced in the communication base station, and the existing 48v lead-acid battery is omitted. Bringing a plurality of application scenes such as peak clipping, valley filling, demand adjustment and the like for users, and increasing the operation income.
Drawings
Fig. 1 is a schematic diagram of an application scenario in a conventional communication base station.
Fig. 2 the utility model discloses in the communication base station lug connection retired electric automobile high voltage battery uses the schematic diagram.
Fig. 3 is the embodiment 1 of the present invention, a schematic diagram of a low-voltage dc coupling structure is adopted inside the communication power supply.
Fig. 4 is a schematic diagram of a circuit operation direction when the communication power supply internal structure is charged in embodiment 1 of the present invention.
Fig. 5 is a schematic diagram of a circuit operation direction in a standby power mode of an internal structure of a communication power supply in embodiment 1 of the present invention.
Fig. 6 is a schematic diagram of a specific implementation logic structure in embodiment 1 of the present invention.
Fig. 7a and 7b are schematic structural diagrams of the bidirectional DCDC used for single-path or multi-path applications in the communication base station according to embodiment 2 of the present invention.
Fig. 8 is a logic diagram for implementing the demand regulation operation mode in embodiment 2 of the present invention.
Fig. 9 is a logic diagram for implementing the operation mode of peak clipping and valley filling in embodiment 2 of the present invention.
The reference numerals include:
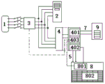
the system comprises a power grid 1, an air conditioner 2, an information module 3, a communication power supply system 4, a high-voltage direct-current bus 5, a 48V lead-acid battery 6, a 48V direct-current bus 7, an electric vehicle retired high-voltage direct-current battery 8, load equipment 9, a remote control center 10, a DCDC module 401, a control unit 402, a battery management system BMS module 801 and a battery core 802.
Detailed Description
The utility model discloses the principle lies in, as shown in FIG. 1, at communication power supply system 4 built-in DCDC module 401 and the control unit 402, wherein, the external 48V direct current generating line 7 of DCDC module 401 one end, the other end passes through high voltage direct current generating line 5 and connects electric automobile retired high voltage direct current battery 8, install battery management system BMS module 801 and electric core 802 in the electric automobile retired high voltage direct current battery 8, communication power supply system 4 connection information module 3, control unit 402 passes through communication line and connects information module 3 and battery management system BMS module 801 respectively.
The utility model relates to a typical peak clipping valley filling operation mode implementation scheme, the scene structure is used in the communication base station as shown in the attached figure 2, the communication power supply system 4 is connected with the power grid 1 through the information module 3, the communication power supply system 4 is connected with the electric automobile retired high-voltage direct-current battery 8 through the high-voltage direct-current bus 5, and the communication power supply system 4 is connected with the further load equipment 9 through the 48V direct-current bus 7; the communication power supply system 4 completes the charging and discharging management of the electric automobile retired high-voltage direct-current battery 8, effectively controls the charging and discharging state of the electric automobile retired high-voltage direct-current battery 8, and realizes an intelligent management mode of the electric automobile retired high-voltage direct-current battery 8 in a communication base station. Because the capacity of the retired high-voltage direct-current battery 8 of the electric automobile is large and far exceeds the power supply requirement of a communication base station, after enough capacity is reserved for power supply of the base station, the surplus capacity can be used as the capacity for energy storage to carry out energy management, so that various operation modes such as peak clipping, valley filling, demand regulation and the like are realized, and additional considerable benefits are brought.
The present invention will be further explained with reference to the drawings and examples.
Example 1: as a typical implementation scheme of a peak clipping and valley filling operation mode, an application scene structure in a communication base station is shown in fig. 3, and a DCDC module 401 includes at least two parallel DCDC circuits externally connected with a 48V dc bus 7; the control unit 402 is generally responsible for control and detection of the system operating mode; one end of the DCDC module 401 is externally connected with a battery management system BMS module 801 through a high-voltage direct-current bus.
When the power grid is normal, the electric vehicle retired high-voltage direct-current battery 8 shown in fig. 4 can supply power to the load device 9 through the DCDC module 401 via the 48V direct-current bus 7; meanwhile, the high-voltage direct-current battery 8 out of service of the electric automobile can be charged through the 48V direct-current bus 7, so that the capacity maintenance is ensured; when the power grid 1 is abnormal, as shown in fig. 5, the electric vehicle retired high-voltage direct-current battery 8 discharges to the 48V direct-current bus 7 through the DCDC module 401, so that the power supply of the 48V direct-current bus 7 is maintained, and the standby power requirement of the load device 9 is met.
In the above, the control unit 402 is connected to the information module 3, the battery management system BMS 801 or the remote control center 10 outside the communication power supply system 4 through communication lines, respectively, and is responsible for adjusting the operation logic of the communication power supply system 4 and responding to a remote control signal from the remote control center 10.
In the foregoing, the information module 3 includes an intelligent electric meter device, a load power supply loop control device, and the like.
In the embodiment of the present invention, a specific logic diagram is shown in fig. 6. Setting the capacity of the retired high-voltage direct-current battery 8 of the electric automobile as SOC, setting SOC1 as the lower limit transmitted by a battery management system BMS module 801, setting SOC2 as the upper limit transmitted by the battery management system BMS module 801, and setting the SOC as a standby power threshold value regulated and controlled by a remote control center 10 and set by a control unit 402; firstly, judging the condition of a power grid 1, if the power grid 1 is abnormal, entering a standby power mode, supplying power to load equipment 9 by using an electric vehicle retired high-voltage direct-current battery 8, and adopting V/F control to obtain output power Pr which is Plac; when the state of the high-voltage battery 8 out of service of the electric automobile is in SOC1<SOC<When the SOC is in standby power, the system enters a standby power mode, is located in a standby power area and does not perform energy storage strategy management; when the battery is in SOC state for standby<SOC<When the system is in the SOC2 state, the system is in an energy storage area and performs peak clipping and valley filling strategy management; setting peak time period and valley time period, wherein the parameters are regulated and controlled by the remote control center 10; when the power grid 1 is normal and the electric automobile retired high-voltage direct-current battery 8 is in the energy storage area, the power grid is startedAccording to the setting, sequentially judging whether the current mode belongs to one of a peak time period, a valley time period or a flat period mode, adopting power control, and further selecting to enter the peak time mode, the valley time mode or the flat period mode; in the peak mode, the communication power supply system 4 controls the retired high-voltage direct-current battery 8 of the electric vehicle to discharge, and provides power to the load device 9 together with the power grid 1, and the output power Pr is Plac-Ptop, wherein Plac is the power of the load device 9, and the constraint condition is thatI.e. Δ Ρ r>-k1 Δ Ρ top + k2 Δ Ρ lac, where k1, k2 are coefficients with values greater than 0.1 and less than 2; Δ Ρ r>-k1 Δ Ρ top + k2 Δ Ρ lac fails and returns to the onset state; Δ Ρ r>The establishment of-k 1 Δ Ρ top + k2 Δ Ρ lac determines pr, pr>0, adjusting the discharge power, otherwise entering a standby state; in the valley period mode, the load device 9 is powered by the power grid, the communication power supply system 4 charges the decommissioned high-voltage direct-current battery 8 of the electric vehicle, the charging power Pr is Pgrld-Plac, and the constraint condition is thatI.e. Δ Ρ r<k1 ΔΡtop—k2ΔΡlac;ΔΡr<k1 Δ Ρ top-k 2 Δ Ρ lac fails to establish and returns to the beginning state; Δ Ρ r<The establishment of k1 Δ Ρ top-k 2 Δ Ρ lac determines pr, pr>0, adjusting the discharge power, otherwise entering a standby state; in the flat-period mode, a communication power source power target Pr is Ptop-Plac, and the system controls charge and discharge power according to the Pr value; Δ Ρ r>-k1 Δ Ρ top + k2 Δ Ρ lac fails, returning to the start state; Δ Ρ r>-k1 Δ Ρ top + k2 Δ Ρ lac trough, pr<And 0, entering a discharging mode, and otherwise, keeping the current state.
In the embodiment of the present invention, the typical load device 9 includes a communication base station. The communication power supply system 4 can be connected with a plurality of external 48V direct current buses 7 in parallel.
The embodiment of the utility model provides a, adopt direct current coupling method to design two-way DCDC401, connect electric automobile retired high voltage direct current battery 8 through high voltage direct current generating line 5, 48V direct current generating line 7 low-voltage output is connected to the other end, accomplishes electric automobile retired high voltage direct current battery 8's charge-discharge management, controls electric automobile retired high voltage direct current battery 8's charge-discharge state effectively, realizes electric automobile retired high voltage direct current battery 8 intelligent management mode in communication base station. Because the capacity of the retired high-voltage direct-current battery 8 of the electric automobile is large and far exceeds the power supply requirement of a communication base station, after enough capacity is reserved for power supply of the base station, the surplus capacity can be used as the capacity for energy storage to carry out energy management, so that various operation modes such as peak clipping, valley filling, demand regulation and the like are realized, and additional considerable benefits are brought.
The embodiment of the utility model provides an in, two-way DCDC401 is the core structure of power part, both can realize 8 energy repayment 48V generating lines 7 with electric automobile retired high voltage battery, also can charge for electric automobile retired high voltage direct current battery 8 with 7 energies of 48V generating lines. Therefore, the DCDC module 401 is designed in parallel, and flexible configuration of the power supply capacity can be realized by adding and reducing DCDC circuits.
The embodiment of the utility model provides a communication power supply among the prior art lies in through inside DCDC circuit differently, carries out the charge-discharge operation to high voltage battery, and the integration has the control unit simultaneously can with battery management system communication management.
Example 2: as another exemplary peak and valley clipping mode of operation implementation, as shown in fig. 7a and 7 b; the single-path or multi-path communication power supply system 4 and the electric automobile retired high-voltage direct current battery 8 are of a bidirectional DCDC structure, the communication power supply system 4 is connected with a DCDC module 401 and a control unit 402 through a 48V direct current bus 7, and then the DCDC module 401 is connected with the 48V direct current bus 7, wherein the DCDC module 401 is a bidirectional DCDC circuit.
In this embodiment, the power portion in the communication power supply system 4 is connected to the 48V dc bus 7 through the bidirectional DCDC output of the DCDC module 401, and the bidirectional DCDC circuit of the DCDC module 401 can be used to perform charging and discharging operations on the retired high-voltage dc battery 8 of the electric vehicle, and also can realize that energy in the retired high-voltage dc battery 8 of the electric vehicle is fed back to the 48V dc bus 7 to supply power to the load device 9. Meanwhile, the integrated control unit 401 may be in communication with the battery management system BMS module 801 for management, and the control unit 401 may also be in communication with the smart meter of the information module 3 for performing functions such as energy management. The control unit 401 is generally responsible for adjusting, controlling and detecting the logic of the system operation mode; meanwhile, the remote control and remote measurement system is responsible for managing communication and responding to remote control and remote measurement signals in time.
In this embodiment, when the power grid 1 is normal, the communication power supply system 4 supplies power to the load device 9 through a conventional line, and at this time, the electric vehicle retired high-voltage direct-current battery 8 can work in three states. In the first state, the electric vehicle retired high-voltage direct-current battery 8 supplies power to the load equipment 9 through the 48V direct-current bus 7 through the high-voltage direct-current bus 5 and the DCDC module 401 bidirectional DCDC circuit, and the demand of the system on the power of the power grid 1 end is reduced. In the second state, electricity is taken from the 48v direct current bus 7, and the electric automobile retired high-voltage direct current battery 8 is charged through the high-voltage direct current bus 5 by the DCDC module 401 bidirectional DCDC circuit. In the third state, the electric vehicle retired high-voltage direct-current battery 8 is not charged and is not discharged. These three states can be converted to each other.
In this embodiment, when the power grid 1 is abnormal, the conventional communication module stops working, and the electric vehicle retired high-voltage direct-current battery 8 discharges to the 48V direct-current bus 7 through the DCDC module 401, so as to maintain power supply, and meet the standby power requirement of the communication base station. In a standby state: because the capacity of the retired high-voltage direct-current battery 8 of the electric automobile is large and far exceeds the power supply requirement of a communication base station, after enough capacity is reserved for power supply of the base station, the surplus capacity can be used as the capacity for energy storage to carry out energy management, so that various operation modes such as peak clipping, valley filling, demand regulation and the like are realized, and additional considerable benefits are brought.
In this embodiment, as shown in fig. 8, an implementation scheme of the demand adjustment operation mode is as follows: referring to fig. 8, the capacity of the electric vehicle retired hvdc battery 8 is determined as SOC, SOC1 is the lower limit transmitted by the BMS module 801 of the battery management system, SOC2 is the upper limit transmitted by the BMS module 801 of the battery management system, and SOC is the same as SOCStandby powerA backup power threshold set for remote regulation is accepted for the control unit 403. When the state of the battery management system BMS module 801 is at SOC1<SOC<SOCStandby powerAt the systemIn the standby power area, the system does not carry out energy storage strategy management; when the battery state is in SOCStandby power<SOC<When the electric vehicle retired high-voltage direct-current battery 8 is in the energy storage area, the system can perform energy storage strategy management such as demand regulation, and the like, assuming that the demand set value is Ptop, the parameter can be set by remote regulation and control, when the electric vehicle retired high-voltage direct-current battery 8 is in the energy storage area, firstly, the situation of a power grid is judged, if the power grid 1 is abnormal, a standby power mode is entered, and power is supplied to the load device 9, if the power grid 1 is normal, the current power utilization state is judged according to data transmitted by the intelligent electric meter of the information module 3, if the load power Plac of the load device 9 is greater than the demand set value Ptop, the electric vehicle retired high-voltage direct-current battery 8 is in a discharge mode, and supplies power to the load device 9 together with the power grid 1, if the electric vehicle retired high-voltage direct-current battery 8 discharge power Pbat (Plac-Ptop)/η, (η is DCDC conversion efficiency), if the load power of the load device 9 is less than the demand set value Ptop, the electric vehicle retired high-voltage direct-current battery 8 can be charged, the capacity of the electric vehicle retired high-voltage direct-current battery 8 can be maintained, and the electric vehicle retired high-voltage direct-current battery can be charged if the capacity is not greater than the.
In the present embodiment, as shown in fig. 9; a peak clipping and valley filling operation mode implementation scheme is shown: setting the capacity of the retired high-voltage direct-current battery 8 of the electric automobile as SOC, the SOC1 as the lower limit transmitted by the BMS module 801 of the battery management system, the SOC2 as the upper limit transmitted by the BMS module 801 of the battery management system, and the SOCStandby powerA backup power threshold set for remote regulation is accepted for the control unit 403. When the state of the high-voltage direct-current battery 8 of the electric automobile out of service is in SOC1<SOC<SOCStandby powerWhen the communication power supply system 4 is in the standby power area, the communication power supply system 4 does not perform energy storage strategy management; when the state of the high-voltage direct-current battery 8 of the electric automobile retired is in SOCStandby power<SOC<At SOC2, the communication power supply system 4 is in the energy storage area, and the communication power supply system 4 may perform peak clipping and valley filling policy management. The peak-to-valley time period is set, and the parameter can be set by remote regulation. When the electric automobile is in the energy storage area with the retired high-voltage direct-current battery 8,firstly, the condition of the power grid 1 is judged, and if the power grid 1 is abnormal, the power grid enters a standby power mode to supply power to the load equipment 9. And if the power grid 1 is normal, judging which time period is at the peak, the valley and the flat according to the setting. If the electric vehicle is in the peak period, the decommissioned high-voltage direct-current battery 8 of the electric vehicle is in a discharging mode, and the set power Pbat is used for providing power for the load equipment 9, so that the electricity consumption of the power grid 1 side is reduced. If the electric vehicle is in the valley period, whether the decommissioned high-voltage direct-current battery 8 of the electric vehicle needs to be supplemented is judged, if so, the decommissioned high-voltage direct-current battery 8 of the electric vehicle needs to be charged so as to maintain the capacity of the decommissioned high-voltage direct-current battery 8 of the electric vehicle, and the charging power can be Min (Pbat, Pbms), wherein Pbat is a set value and Pbms is a suggested value of the battery management system BMS module 801. If in the flat period, the system may not be charging.
Claims (3)
1. The low-voltage direct-current charging and discharging source management equipment of the high-voltage power battery in the communication base station is characterized in that a DCDC module (401) and a control unit (402) are arranged in a communication power supply system (4), wherein one end of the DCDC module (401) is connected with a 48V direct-current bus (7), the other end of the DCDC module is connected with an electric vehicle retired high-voltage direct-current battery (8) through a high-voltage direct-current bus (5), a battery management system BMS module (801) and a battery core (802) are installed in the electric vehicle retired high-voltage direct-current battery (8), the communication power supply system (4) is connected with an information module (3), and the control unit (402) is respectively connected with the information module (3) and the battery management system; the communication power supply system (4) is connected with the power grid (1) through the information module (3), the communication power supply system (4) is connected with an electric vehicle retired high-voltage direct-current battery (8) through a high-voltage direct-current bus (5), and the communication power supply system (4) is connected with further load equipment (9) through a 48V direct-current bus (7).
2. The low-voltage direct-current charging and discharging source management device of the high-voltage power battery in the communication base station as claimed in claim 1, wherein the control unit (402) is connected with the information module (3) outside the communication power system (4), the battery management system BMS module (801) or the control unit of the remote control center (10) through communication lines respectively, and is responsible for adjusting the operation logic of the communication power system (4) and responding to the remote control signal of the remote control center (10).
3. The low-voltage direct-current charging and discharging source management equipment for the high-voltage power battery in the communication base station as claimed in claim 1, characterized in that a 48V direct-current bus (7) in the communication power supply system (4) is connected with a DCDC module (401), and then the 48V direct-current bus (7) is further connected out by the DCDC module (401), wherein the DCDC module (401) is a bidirectional DCDC circuit; and a plurality of DCDC modules (401) are coupled to the 48V DC bus (7).
Priority Applications (1)
| Application Number | Priority Date | Filing Date | Title |
|---|---|---|---|
| CN201922319205.7U CN211617481U (en) | 2019-12-19 | 2019-12-19 | Low-voltage direct-current charging and discharging source management equipment of high-voltage power battery in communication base station |
Applications Claiming Priority (1)
| Application Number | Priority Date | Filing Date | Title |
|---|---|---|---|
| CN201922319205.7U CN211617481U (en) | 2019-12-19 | 2019-12-19 | Low-voltage direct-current charging and discharging source management equipment of high-voltage power battery in communication base station |
Publications (1)
| Publication Number | Publication Date |
|---|---|
| CN211617481U true CN211617481U (en) | 2020-10-02 |
Family
ID=72630931
Family Applications (1)
| Application Number | Title | Priority Date | Filing Date |
|---|---|---|---|
| CN201922319205.7U Active CN211617481U (en) | 2019-12-19 | 2019-12-19 | Low-voltage direct-current charging and discharging source management equipment of high-voltage power battery in communication base station |
Country Status (1)
| Country | Link |
|---|---|
| CN (1) | CN211617481U (en) |
Cited By (1)
| Publication number | Priority date | Publication date | Assignee | Title |
|---|---|---|---|---|
| CN119725802A (en) * | 2024-11-19 | 2025-03-28 | 上海伟翔众翼新能源科技有限公司 | Battery management method, energy management system and energy storage system |
-
2019
- 2019-12-19 CN CN201922319205.7U patent/CN211617481U/en active Active
Cited By (1)
| Publication number | Priority date | Publication date | Assignee | Title |
|---|---|---|---|---|
| CN119725802A (en) * | 2024-11-19 | 2025-03-28 | 上海伟翔众翼新能源科技有限公司 | Battery management method, energy management system and energy storage system |
Similar Documents
| Publication | Publication Date | Title |
|---|---|---|
| CN113794216B (en) | Parameter configuration method and terminal of optical storage and charging system | |
| US20210359527A1 (en) | Systems and methods for series battery charging | |
| CN110739741B (en) | Low-voltage direct-current coupling management system of high-voltage power battery in communication base station | |
| CN109120051B (en) | Multi-channel mixed battery manager, control method of lithium battery power supply unit and base station | |
| CN105762895B (en) | Battery management system and battery management method | |
| CN111546942A (en) | Low-voltage direct-current charging and discharging source management system of high-voltage power battery in communication base station | |
| CN205610291U (en) | Battery management system | |
| CN106253314A (en) | Communication base station ferric phosphate lithium cell echelon utilizes charge-discharge system and control method | |
| CN110556594A (en) | A battery monitoring and management system in series first | |
| US20230029492A1 (en) | Charging and discharging apparatus and battery charging method | |
| CN210838986U (en) | Bidirectional DCDC high-voltage charging and discharging energy control management system for communication battery | |
| EP4456371A1 (en) | Energy-saving testing system for microgrid dc bus in back section of battery cell production | |
| JP7431866B2 (en) | Charging/discharging device, battery charging method, and charging/discharging system | |
| CN115986888A (en) | High-safety balancing system among battery packs in series battery cluster | |
| CN212304790U (en) | Vehicle-mounted micro-grid with solar panel and power plant formed by polymerizing same | |
| CN112803578A (en) | Intelligent distribution network power supply module and management method | |
| CN111564883A (en) | Active storage battery charging and discharging management system and method | |
| CN108177540A (en) | A kind of hybrid power system and control method being easily changed | |
| CN211617481U (en) | Low-voltage direct-current charging and discharging source management equipment of high-voltage power battery in communication base station | |
| CN210898547U (en) | Power supply equipment for electric automobile retired battery bus coupling bidirectional charging and discharging communication base station | |
| CN203481854U (en) | Battery management device, power system and energy storage power station | |
| CN109193902A (en) | A kind of vehicle electric power supply control system | |
| CN205960753U (en) | Battery charge and discharge is utilized to communication base station lithium iron phosphate battery echelon | |
| CN222107592U (en) | A high-voltage intelligent lithium battery module suitable for home energy storage systems | |
| CN211390967U (en) | Electric automobile adopting double-power battery system |
Legal Events
| Date | Code | Title | Description |
|---|---|---|---|
| GR01 | Patent grant | ||
| GR01 | Patent grant | ||
| TR01 | Transfer of patent right | ||
| TR01 | Transfer of patent right |
Effective date of registration: 20220629 Address after: 310000 room 2001, 20 / F, building 4, Zhongheng building, No. 69, Dongxin Avenue, high tech Zhijiang science and Technology Industrial Park, Binjiang District, Hangzhou, Zhejiang Province Patentee after: Hangzhou Xuda New Energy Technology Co.,Ltd. Address before: 200333 room 604-605, 6 / F, No. 1220 Tongpu Road, Putuo District, Shanghai Patentee before: GLOBAL MAINSTREAM DYNAMIC ENERGY TECHNOLOGY Ltd. |

