CN211613942U - Pipe bending machine - Google Patents
Pipe bending machine Download PDFInfo
- Publication number
- CN211613942U CN211613942U CN202020112764.0U CN202020112764U CN211613942U CN 211613942 U CN211613942 U CN 211613942U CN 202020112764 U CN202020112764 U CN 202020112764U CN 211613942 U CN211613942 U CN 211613942U
- Authority
- CN
- China
- Prior art keywords
- pipe fitting
- block
- limiting
- support frame
- arc
- Prior art date
- Legal status (The legal status is an assumption and is not a legal conclusion. Google has not performed a legal analysis and makes no representation as to the accuracy of the status listed.)
- Active
Links
- 238000005452 bending Methods 0.000 title claims abstract description 44
- 238000007493 shaping process Methods 0.000 claims abstract description 21
- 238000004519 manufacturing process Methods 0.000 abstract description 5
- 238000010030 laminating Methods 0.000 abstract description 4
- 238000000465 moulding Methods 0.000 description 5
- 230000000694 effects Effects 0.000 description 3
- 230000009286 beneficial effect Effects 0.000 description 2
- 238000000034 method Methods 0.000 description 2
- 230000001737 promoting effect Effects 0.000 description 2
- 238000005096 rolling process Methods 0.000 description 2
- 230000001154 acute effect Effects 0.000 description 1
- 238000004590 computer program Methods 0.000 description 1
- 238000003780 insertion Methods 0.000 description 1
- 230000037431 insertion Effects 0.000 description 1
Images
Landscapes
- Bending Of Plates, Rods, And Pipes (AREA)
Abstract
The utility model discloses a pipe bending machine. Its technical essential includes the support frame, it is connected with vertical pivot to rotate on the support frame, spaced limiting plate about being fixed with in the pivot, vertical being provided with the actuating lever parallel with the pivot between two limiting plates, it is used for carrying on spacing stopper to the one end that the bending is kept away from to the processing pipe fitting to set up on the opposite side that lies in the originated rotation path of limiting plate on the support frame, still including pegging graft between two limiting plates and being located the shaping commentaries on classics piece between pivot and the actuating lever, the one end of shaping commentaries on classics piece is laminated with the one end of stopper, stopper and shaping commentaries on classics piece all are provided with the first arc wall of laminating with pipe fitting one side, when two limiting plates rotate round the pivot, the actuating lever is rotated with the first arc wall relative one side from the shaping commentaries on classics piece and. The utility model has the advantages of simple structure, convenient use and low manufacturing cost.
Description
Technical Field
The utility model relates to a mechanical skill worker equipment technical field, more specifically say, it relates to a bending machine.
Background
The pipe bender is a device for bending straight workpiece pipes, and requires that the workpiece pipes formed by bending are round and complete, sharp and acute angles do not exist at the bending position, and the inner diameters of the workpiece pipes cannot be changed violently. Pipe bending machines in the current market are mainly divided into numerical control pipe bending machines, hydraulic pipe bending machines and the like.
However, in the process of bending some pipe fittings, the numerical control pipe bender and the hydraulic pipe bender are complex in structure and high in price, and are controlled by a computer program, so that the operation is complex, and the use cost is high if the pipe fittings are directly purchased and used.
SUMMERY OF THE UTILITY MODEL
To the technical problem at present, an object of the utility model is to provide a bending machine, it has simple structure, convenient to use, advantage that low in manufacturing cost.
In order to achieve the above purpose, the utility model provides a following technical scheme:
a pipe bender comprises a supporting frame, wherein a vertical rotating shaft is rotatably connected to the supporting frame, limiting plates which are vertically spaced are fixed on the rotating shaft, a driving rod which is parallel to the rotating shaft is vertically arranged between the two limiting plates, the other side of the initial rotation path of the limiting plate on the support frame is provided with a limiting block for limiting one end of the processed pipe fitting away from the bend, and the support frame also comprises a forming rotating block which is inserted between the two limiting plates and is positioned between the rotating shaft and the driving rod, one end of the forming rotating block is jointed with one end of the limiting block, the limiting block and one surface of the forming rotating block facing the rotating shaft are both provided with a first arc-shaped groove jointed with one side of the pipe fitting, when two the limiting plate rotates round the pivot, the actuating lever drives the shaping from one side that shaping commentaries on classics piece and first arc wall are relative and changes the piece and rotate, be provided with on the support frame and be used for driving two limiting plates and carry out pivoted power unit.
By adopting the technical scheme, the pipe fitting to be processed penetrates through the space between the two limiting plates, the pipe fitting is positioned between the rotating shaft and the limiting blocks, and the side, far away from the bending end, of the pipe fitting is positioned in the first arc-shaped groove; then inserting one end of the forming rotating block between the rotating shaft and the driving rod, so that the first arc-shaped groove on the forming rotating block is attached to one side of the bending end of the pipe fitting, and one end of the forming rotating block is attached to one end of the limiting block; then the power mechanism drives the two limiting plates and the driving rod to rotate, the driving rod can abut against one side of the forming rotating block when rotating and drives the forming rotating block to rotate, and the forming rotating block can drive the bending end of the pipe fitting to rotate around the outer wall of the rotating shaft when rotating, so that the pipe fitting is bent; and finally, the formed rotating block and the bent pipe fitting are taken down, and the two limiting plates are rotated to the initial positions by the power mechanism to start bending of the next pipe fitting, so that the effects of simple structure, convenience in use and low manufacturing cost are realized.
The utility model discloses further set up to: the power mechanism comprises an arc-shaped hole, a gear, a rack, a first air cylinder and a connecting shaft, wherein the arc-shaped hole is formed in the upper surface of the support frame and is used as the circle center with the rotating shaft, the gear is fixed at the lower end of the rotating shaft and is located on the lower surface of the support frame, the rack is meshed with the gear, the first air cylinder is arranged on one end of the rack, and the connecting shaft penetrates through the arc-shaped hole and is fixedly.
Through adopting above-mentioned technical scheme, can drive the rack during first cylinder concertina movement and carry out round trip movement, and then drive gear and connecting axle and make a round trip to rotate round the pivot, and on the connecting axle was connected to the limiting plate through the arc hole, two limiting plate are connected to together about the actuating lever, and then drive two limiting plates and actuating lever and rotate round the pivot.
The utility model discloses further set up to: the driving rod is provided with a ball bearing, and an inner ring of the ball bearing is fixed on the outer wall of the driving rod.
Through adopting above-mentioned technical scheme, when two limiting plates take place to rotate, ball bearing on the actuating lever can take place to laminate with one side of shaping commentaries on classics piece to drive the shaping commentaries on classics piece and take place to rotate, because the opposite side of shaping commentaries on classics piece is laminated with one side of pipe fitting, consequently the actuating lever can receive great frictional force, makes the actuating lever can take place rolling friction with one side of shaping commentaries on classics piece when promoting the rotation of shaping commentaries on classics piece through setting up ball bearing, reduces the frictional force between actuating lever and the shaping commentaries on classics piece.
The utility model discloses further set up to: the rotating shaft is provided with an annular block between the two limiting plates, a second arc-shaped groove is formed in the outer wall of the annular block, and the second arc-shaped groove and the first arc-shaped groove are matched to form the outer circle of the pipe fitting.
Through adopting above-mentioned technical scheme, through setting up the annular piece to one side that the second arc wall is close to first arc wall can form the pipe fitting excircle with first arc wall cooperation, when passing the pipe fitting between pivot and stopper, can be better carry on spacingly to the pipe fitting, and its one end can buckle along the diapire of second arc wall when the pipe fitting buckles.
The utility model discloses further set up to: the supporting frame is provided with a clamping mechanism used for clamping one end, far away from the bent pipe, of the pipe fitting on the limiting block.
Through adopting above-mentioned technical scheme, clamping mechanism can keep away from the one end of buckling with the pipe fitting and press from both sides tightly on the stopper, avoids the pipe fitting to take place to remove when buckling to improve the stability of pipe fitting when buckling, guarantee the yield of processing.
The utility model discloses further set up to: the clamping mechanism comprises a second cylinder fixed on the supporting frame and a clamping block fixed on a piston rod of the second cylinder, the clamping block is close to or far away from one side of the limiting block, which is provided with the first arc-shaped groove, and a third arc-shaped groove is arranged on one side of the clamping block, which is towards the limiting block.
Through adopting above-mentioned technical scheme, after passing the pipe fitting between pivot and the stopper, one side of pipe fitting can laminate with first arc wall, drives through the second cylinder and presss from both sides tight piece and remove towards the direction that is close to the stopper for the opposite side laminating of third arc wall and pipe fitting just can realize keeping away from the quick clamp of the one end of buckling to the pipe fitting and press from both sides fixedly.
The utility model discloses further set up to: the one end that is located the stopper on the support frame and keeps away from the stopper is provided with the baffle, and the pipe fitting is kept away from the one end butt of buckling in the baffle, be provided with the adjustment mechanism who is used for adjusting the distance between baffle and the stopper on the support frame.
By adopting the technical scheme, when the pipe fitting passes through the space between the rotating shaft and the limiting block, the baffle can limit the end, far away from the bending, of the pipe fitting, so that the position accuracy of the pipe fitting during bending can be improved; and the distance between the baffle and the limiting block can be adjusted through the adjusting mechanism, so that the pipe fitting bending device can be suitable for bending pipe fittings with different lengths, and the accuracy of the bending position of the pipe fitting bending device is ensured.
The utility model discloses further set up to: the adjusting mechanism comprises two screw rods which are arranged on the supporting frame along the length direction of the limiting block and two locking nuts which are in threaded connection with the screw rods, the baffle plate penetrates through the two screw rods and slides along the length direction of the screw rods, and the locking nuts are located on two sides of the baffle plate.
Through adopting above-mentioned technical scheme, during the regulation, through the position of two nuts on the same root screw rod of rotation regulation for have great interval between two nuts on the same root screw rod, just can slide the baffle on the screw rod, remove it to the position that needs, then revolve the nut to with the both sides laminating of baffle, restrict sliding of baffle again, realize the regulation of distance between baffle and the stopper.
Compared with the prior art, the beneficial effects of the utility model are that:
(1) the pipe fitting penetrates through the position between the rotating shaft and the limiting block and is inserted into the forming rotating block through the matching of the rotating shaft, the limiting block, the driving rod, the forming rotating block, the first arc-shaped groove and the power mechanism, the pipe fitting is limited between the rotating shaft and the forming sliding block, then the power mechanism drives the driving rod to rotate, and then the driving rod drives the forming rotating block to rotate to drive the pipe fitting to bend around the outer wall of the rotating shaft;
(2) by arranging the clamping mechanism, one end of the pipe fitting, which is far away from the bending, can be clamped on the limiting block, so that the pipe fitting is prevented from moving when being bent, and the stability of the pipe fitting during bending is improved;
(3) the baffle plate is arranged, so that the position of the pipe fitting during bending can be positioned, and the precision of the position of the bending point of the pipe fitting is improved; and the distance between the baffle and the limiting block can be adjusted through the adjusting mechanism, so that the pipe fitting bending device can be suitable for bending pipe fittings with different lengths, and the applicability is improved.
Drawings
FIG. 1 is a schematic view of a pipe bender shown after insertion into a pipe;
FIG. 2 is a schematic view of the bending machine after the pipe is removed for processing;
FIG. 3 is a left side view of the bender;
fig. 4 is an elevation view of the bender.
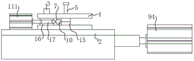
Reference numerals: 1. a support frame; 2. a support plate; 3. a rotating shaft; 4. a limiting plate; 5. a drive rod; 6. a limiting block; 7. molding the rotary block; 8. a first arc-shaped slot; 9. a power mechanism; 91. an arc-shaped hole; 92. a gear; 93. a rack; 94. a first cylinder; 95. a connecting shaft; 10. a holding rod; 11. a clamping mechanism; 111. a second cylinder; 112. a clamping block; 12. a third arc-shaped slot; 13. a baffle plate; 14. an adjustment mechanism; 141. a screw; 142. locking the nut; 15. a ball bearing; 16. a ring block; 17. a second arc-shaped groove.
Detailed Description
The present invention will be described in detail with reference to the accompanying drawings and examples.
In an embodiment, a pipe bender, as shown in fig. 1 and fig. 2, includes a supporting frame 1, a supporting plate 2 is provided at an upper end of the supporting frame 1; a vertical rotating shaft 3 is rotatably connected to the supporting plate 2, two rectangular limiting plates 4 which are vertically spaced are fixed on the rotating shaft 3, the lower limiting plate 4 is attached to the upper surface of the supporting plate 2, and a driving rod 5 which is parallel to the rotating shaft 3 is vertically fixed between the two limiting plates 4; the other side that lies in the originated rotation path of limiting plate 4 on the support frame 1 is fixed and is used for keeping away from the one end of buckling to the processing pipe fitting and carries out spacing stopper 6, and stopper 6 is the setting of cuboid form. The molding rotating block 7 is inserted between the two limiting plates 4 and positioned between the rotating shaft 3 and the driving rod 5, the molding rotating block 7 is also arranged in a cuboid shape, the molding rotating block 7 and the limiting block 6 are on the same straight line, and one end of the molding rotating block 7 is attached to one end of the limiting block 6; and stopper 6 and shaping commentaries on classics piece 7 all are equipped with the first arc wall 8 with pipe fitting one side laminating towards the one side of pivot 3, and when two limiting plates 4 rotated round pivot 3, actuating lever 5 promoted shaping commentaries on classics piece 7 from shaping commentaries on classics piece 7 and the relative one side of first arc wall 8 and rotated, and was provided with on the support frame 1 and was used for driving two limiting plates 4 and carries out pivoted power unit 9.
The pipe fitting to be bent passes through the space between the rotating shaft 3 and the driving rod 5 of the two limiting plates 4, the side face of one end, away from the bending, of the pipe fitting is attached to the inner wall of the first arc-shaped groove 8, and one side of the bending end of the pipe fitting is attached to the rotating shaft 3; then the forming rotary block 7 is inserted between the rotating shaft 3 and the driving rod 5, one side of the pipe fitting, which is far away from the rotating shaft 3, is attached in a first arc-shaped groove 8 on the forming rotary block 7, and one end of the forming rotary block 7 is provided with a holding rod 10 which is convenient to operate; drive limiting plate 4 and actuating lever 5 through power unit 9 and take place to rotate round pivot 3 after that, actuating lever 5 promotes the shaping when rotating and changes 7 emergence rotations, and then drives the pipe fitting and take place to buckle round circumference outer wall, realizes the buckling to a pipe fitting, and it has simple structure, convenient to use, effect that low in manufacturing cost.
Specifically, the power mechanism 9 includes an arc-shaped hole 91 which is formed in the upper surface of the support frame 1 and is centered on the rotating shaft 3, a gear 92 which is fixed to the lower end of the rotating shaft 3 and is located on the lower surface of the support plate 2, a rack 93 which is meshed with the gear 92, a first cylinder 94 which is arranged on one end of the rack 93, and a connecting shaft 95 which penetrates through the arc-shaped hole 91 and is fixed to the upper surfaces of the limiting plate 4 and the gear 92 which are located below; the piston rod of the first cylinder 94 is fixed with one end of the rack 93, the first cylinder 94 is mounted on the lower surface of the support plate 2, the rack 93 is driven to move when the first cylinder 94 moves in a telescopic mode, the gear 92 is driven to rotate, and finally the limiting plate 4 is driven to rotate through the connecting shaft 95.
Furthermore, a clamping mechanism 11 for clamping one end, far away from the bending, of the pipe fitting on the limiting block 6 is arranged on the support frame 1, so that the stability of the pipe fitting during bending is improved. The clamping mechanism 11 comprises a second cylinder 111 fixed on the support frame 1 and positioned on one side of the limiting block 6 and a clamping block 112 fixed on a piston rod of the second cylinder 111, when the piston rod of the second cylinder 111 moves telescopically, the clamping block 112 is close to or far away from the side, provided with the first arc-shaped groove 8, of the limiting block 6, a third arc-shaped groove 12 is formed in one side, facing the limiting block 6, of the clamping block 112, and the third arc-shaped groove 12 can be attached to one side of a pipe fitting; after the pipe fitting is inserted between the rotating shaft 3 and the limiting block 6, the second cylinder 111 drives the clamping block 112 to move towards the surface of the limiting block 6, where the third arc-shaped groove 12 is formed, so as to clamp the other side of the pipe fitting, and the end, away from the bending part, of the pipe fitting is clamped between the clamping block 112 and the limiting block 6.
The one end that lies in stopper 6 and keep away from stopper 6 in backup pad 2 is provided with baffle 13, and the pipe fitting is kept away from the one end butt of buckling in baffle 13, inserts the pipe fitting between pivot 3 and the actuating lever 5, moves the pipe fitting to one end and supports on baffle 13, consequently can fix a position the position of pipe fitting bending point, guarantees the precision of pipe fitting bending point position.
Further, as shown in fig. 2 and 3, the supporting frame 1 is provided with an adjusting mechanism 14 for adjusting the distance between the baffle 13 and one end of the limiting block 6, so as to adapt to bending positioning of pipe fittings with different lengths. The adjusting mechanism 14 comprises two screw rods 141 which are arranged on the support plate 2 along the length direction of the limiting block 6, and two locking nuts 142 which are connected to the screw rods 141 in a threaded manner, the baffle 13 penetrates through the two screw rods 141 and slides along the length direction of the screw rods 141, and the locking nuts 142 are positioned on two sides of the baffle 13; during adjustment, the two nuts on the same screw rod 141 are rotated towards the direction away from each other, then the position of the baffle 13 can be adjusted in a sliding manner, and finally the two nuts are clamped on the two sides of the baffle 13, so that the adjustment of the distance between the baffle 13 and the limiting block 6 can be realized quickly.
Further, be provided with ball bearing 15 on the actuating lever 5, ball bearing 15's inner ring is fixed in on the 5 outer walls of actuating lever for actuating lever 5 when promoting the shaping commentaries on classics piece 7 and rotate, ball bearing 15 can take place rolling friction with one side of stopper 6, consequently can reduce the friction between actuating lever 5 and the stopper 6, and better promotion shaping commentaries on classics piece 7 takes place to rotate.
Lie in being fixed with annular block 16 between two limiting plates 4 on the pivot 3, be equipped with second arc wall 17 on the outer wall of annular block 16, second arc wall 17 forms the excircle of pipe fitting with the cooperation of first arc wall 8, and second arc wall 17 can carry on spacingly to the end of buckling of pipe fitting for buckle round the diapire of second arc wall 17 when the pipe fitting is buckled.
The utility model discloses a working process and beneficial effect as follows:
the pipe fitting to be bent passes through the space between the rotating shaft 3 and the driving rod 5 of the two limiting plates 4 until one end of the pipe fitting, which is far away from the bending, abuts against the baffle 13, the side surface of one end of the pipe fitting, which is far away from the bending, is attached to the inner wall of the first arc-shaped groove 8, one side of the bending end of the pipe fitting is attached to the rotating shaft 3, and then the pipe fitting is clamped on the limiting block 6 by the clamping block 112 driven by the second cylinder 111; then the forming rotary block 7 is inserted between the rotary shaft 3 and the driving rod 5, and the forming rotary block 7 and the limiting block 6 are kept on the same straight line, so that one side of the pipe fitting, which is far away from the rotary shaft 3, can be attached to the first arc-shaped groove 8 on the forming rotary block 7; drive limiting plate 4 and actuating lever 5 through power unit 9 and take place to rotate round pivot 3 after that, actuating lever 5 promotes the shaping when rotating and changes 7 emergence rotations, and then drives the pipe fitting and take place to buckle round circumference outer wall, realizes the buckling to a pipe fitting, and it has simple structure, convenient to use, effect that low in manufacturing cost.
The embodiments of the present invention are preferred embodiments of the present invention, and the scope of the present invention is not limited by these embodiments, so: all equivalent changes made according to the structure, shape and principle of the invention are covered by the protection scope of the invention.
Claims (8)
1. A bending machine, its characterized in that: the pipe fitting forming device comprises a support frame (1), wherein a vertical rotating shaft (3) is rotatably connected to the support frame (1), spacing limiting plates (4) are fixed on the rotating shaft (3) and are arranged at intervals from top to bottom, a driving rod (5) parallel to the rotating shaft (3) is vertically arranged between the two limiting plates (4), a limiting block (6) used for limiting one end, away from bending, of a processed pipe fitting is arranged on the other side of the initial rotating path of the limiting plates (4) on the support frame (1), a forming rotating block (7) is inserted between the two limiting plates (4) and is arranged between the rotating shaft (3) and the driving rod (5), one end of the forming rotating block (7) is attached to one end of the limiting block (6), one side, facing the rotating shaft (3), of the limiting block (6) and the forming rotating block (7) is provided with a first arc-shaped groove (8) attached to one side of the pipe fitting, when the two limiting plates, the one side that actuating lever (5) are relative from shaping commentaries on classics piece (7) and first arc wall (8) drives shaping commentaries on classics piece (7) and rotates, be provided with on support frame (1) and be used for driving two limiting plates (4) and carry out pivoted power unit (9).
2. The bender according to claim 1, wherein: power unit (9) including set up at support frame (1) upper surface and with pivot (3) arc hole (91) of centre of a circle, fix at pivot (3) lower extreme and be located gear (92) of support frame (1) lower surface, rack (93) with gear (92) meshing, set up at rack (93) one and serve first cylinder (94) and pass arc hole (91) and both ends respectively with the fixed connecting axle (95) of the upper surface of limiting plate (4) and gear (92) that are located the below.
3. The bender according to claim 1, wherein: the driving rod (5) is provided with a ball bearing (15), and an inner ring of the ball bearing (15) is fixed on the outer wall of the driving rod (5).
4. The bender according to claim 1, wherein: lie in pivot (3) and be provided with annular piece (16) between two limiting plate (4), be provided with second arc wall (17) on the outer wall of annular piece (16), second arc wall (17) and first arc wall (8) cooperation form the excircle of pipe fitting.
5. The bender according to claim 1, wherein: the supporting frame (1) is provided with a clamping mechanism (11) which is used for clamping one end, far away from the bent pipe, of the pipe fitting on the limiting block (6).
6. The bender according to claim 5, wherein: the clamping mechanism (11) comprises a second cylinder (111) fixed on the support frame (1) and a clamping block (112) fixed on a piston rod of the second cylinder (111), the clamping block (112) is close to or far away from one side of the limiting block (6) provided with a first arc-shaped groove (8), and a third arc-shaped groove (12) is arranged on one side of the clamping block (112) facing the limiting block (6).
7. The bender according to claim 1, wherein: one end of the support frame (1) which is located at the position where the limiting block (6) is far away from the limiting block (6) is provided with a baffle (13), one end of the pipe fitting which is far away from the bending is abutted to the baffle (13), and the support frame (1) is provided with an adjusting mechanism (14) which is used for adjusting the distance between the baffle (13) and the limiting block (6).
8. The bender according to claim 7, wherein: the adjusting mechanism (14) comprises two screw rods (141) which are arranged on the supporting frame (1) along the length direction of the limiting block (6) and two locking nuts (142) which are in threaded connection with the screw rods (141), the baffle (13) penetrates through the two screw rods (141) and slides along the length direction of the screw rods (141), and the locking nuts (142) are located on two sides of the baffle (13).
Priority Applications (1)
| Application Number | Priority Date | Filing Date | Title |
|---|---|---|---|
| CN202020112764.0U CN211613942U (en) | 2020-01-17 | 2020-01-17 | Pipe bending machine |
Applications Claiming Priority (1)
| Application Number | Priority Date | Filing Date | Title |
|---|---|---|---|
| CN202020112764.0U CN211613942U (en) | 2020-01-17 | 2020-01-17 | Pipe bending machine |
Publications (1)
| Publication Number | Publication Date |
|---|---|
| CN211613942U true CN211613942U (en) | 2020-10-02 |
Family
ID=72638966
Family Applications (1)
| Application Number | Title | Priority Date | Filing Date |
|---|---|---|---|
| CN202020112764.0U Active CN211613942U (en) | 2020-01-17 | 2020-01-17 | Pipe bending machine |
Country Status (1)
| Country | Link |
|---|---|
| CN (1) | CN211613942U (en) |
Cited By (1)
| Publication number | Priority date | Publication date | Assignee | Title |
|---|---|---|---|---|
| CN116116955A (en) * | 2022-12-09 | 2023-05-16 | 上海卫星装备研究所 | Automatic U-shaped pipe bending device |
-
2020
- 2020-01-17 CN CN202020112764.0U patent/CN211613942U/en active Active
Cited By (1)
| Publication number | Priority date | Publication date | Assignee | Title |
|---|---|---|---|---|
| CN116116955A (en) * | 2022-12-09 | 2023-05-16 | 上海卫星装备研究所 | Automatic U-shaped pipe bending device |
Similar Documents
| Publication | Publication Date | Title |
|---|---|---|
| TWI532545B (en) | Pipe bending machine | |
| CN212019035U (en) | Stainless steel hollow tube bender | |
| CN103736796B (en) | A kind of swan neck system | |
| CN204996887U (en) | 90 degree hydraulic pressure double -headed tube bender | |
| CN212664598U (en) | Steel pipe bending device for processing U-shaped pipe in U-shaped pipe heat exchanger | |
| CN207914373U (en) | A kind of swan neck system being exclusively used in bender stringing | |
| CN111112414A (en) | Horizontal flanging machine | |
| CN211613942U (en) | Pipe bending machine | |
| CN113102580A (en) | Strong and be convenient for mechanism of bending of adjusting of stability | |
| CN203292254U (en) | Pipe bending machine | |
| CN112517778B (en) | Multi-angle hydraulic pipe bending machine and pipe bending control method | |
| CN210629294U (en) | Compressing device for motor rotor iron core | |
| CN216655903U (en) | Copper pipe bending device | |
| CN112975326A (en) | Three-way pipe rotating and aligning device | |
| CN211100946U (en) | Pipe bending machine convenient to adapt to different pipe diameters | |
| CN210907534U (en) | Automatic bending device for chassis pipe of handcart | |
| CN212733683U (en) | Omega-shaped steel pipe bending machine | |
| CN223531170U (en) | A continuous bending processing device for pipe fittings | |
| CN108435833A (en) | A kind of Stainless Steel Coil straightener | |
| CN204148316U (en) | Small-bend radius electric pipe bender | |
| CN111069365B (en) | Bending device of convenient operation of U type copper pipe | |
| CN219703101U (en) | Copper pole bender | |
| CN217018352U (en) | Bending device for machining storage rack | |
| CN222402938U (en) | Adjustable tube bending device for processing tubular metal materials | |
| CN210907524U (en) | Pressing mechanism for automatic bending device of trolley chassis pipe |
Legal Events
| Date | Code | Title | Description |
|---|---|---|---|
| GR01 | Patent grant | ||
| GR01 | Patent grant |