CN211612069U - 一种齿轮传动气体净化装置 - Google Patents
一种齿轮传动气体净化装置 Download PDFInfo
- Publication number
- CN211612069U CN211612069U CN202020022550.4U CN202020022550U CN211612069U CN 211612069 U CN211612069 U CN 211612069U CN 202020022550 U CN202020022550 U CN 202020022550U CN 211612069 U CN211612069 U CN 211612069U
- Authority
- CN
- China
- Prior art keywords
- water
- box body
- gear
- shaft
- flange
- Prior art date
- Legal status (The legal status is an assumption and is not a legal conclusion. Google has not performed a legal analysis and makes no representation as to the accuracy of the status listed.)
- Expired - Fee Related
Links
- 238000000746 purification Methods 0.000 title claims abstract description 38
- XLYOFNOQVPJJNP-UHFFFAOYSA-N water Substances O XLYOFNOQVPJJNP-UHFFFAOYSA-N 0.000 claims abstract description 289
- 230000005540 biological transmission Effects 0.000 claims abstract description 93
- 239000003595 mist Substances 0.000 claims abstract description 88
- 239000007921 spray Substances 0.000 claims abstract description 49
- 239000000779 smoke Substances 0.000 claims abstract description 14
- 230000002265 prevention Effects 0.000 claims abstract description 12
- 238000000926 separation method Methods 0.000 claims abstract description 9
- 238000005507 spraying Methods 0.000 claims abstract description 9
- 238000000889 atomisation Methods 0.000 claims abstract description 5
- 238000000034 method Methods 0.000 claims abstract description 5
- 238000007599 discharging Methods 0.000 claims description 4
- 238000007789 sealing Methods 0.000 claims description 3
- 238000012423 maintenance Methods 0.000 claims 2
- 239000002699 waste material Substances 0.000 abstract description 8
- 230000000694 effects Effects 0.000 abstract description 6
- 230000007613 environmental effect Effects 0.000 abstract description 6
- 125000004122 cyclic group Chemical group 0.000 abstract description 5
- 238000009423 ventilation Methods 0.000 abstract description 3
- 239000007789 gas Substances 0.000 description 26
- 239000000428 dust Substances 0.000 description 4
- 238000002156 mixing Methods 0.000 description 4
- 238000011084 recovery Methods 0.000 description 4
- 235000013361 beverage Nutrition 0.000 description 3
- 235000019504 cigarettes Nutrition 0.000 description 3
- 238000000605 extraction Methods 0.000 description 3
- 239000003517 fume Substances 0.000 description 3
- 238000005272 metallurgy Methods 0.000 description 3
- 230000009286 beneficial effect Effects 0.000 description 2
- 238000005352 clarification Methods 0.000 description 2
- 239000010802 sludge Substances 0.000 description 2
- 239000012141 concentrate Substances 0.000 description 1
- 230000007547 defect Effects 0.000 description 1
- 238000009434 installation Methods 0.000 description 1
- 239000000463 material Substances 0.000 description 1
- -1 meanwhile Substances 0.000 description 1
- 239000000203 mixture Substances 0.000 description 1
- 239000008213 purified water Substances 0.000 description 1
- 238000005406 washing Methods 0.000 description 1
- 239000002351 wastewater Substances 0.000 description 1
Images
Landscapes
- Separation Of Particles Using Liquids (AREA)
Abstract
本实用新型涉及一种齿轮传动气体净化装置,其特征在于:由齿轮传动箱体、水雾箱体和收水箱体三部分构成;采用:齿轮传动装置、喷射雾化排风设施和水气分离排风设施,实现净化和防火及排油烟功能。本实用新型解决了传统静电净化设备耗能大,废油污泥不易回收,防火效果差、容易发生火灾的问题,可通过喷淋净化的综合作用,由于排出的净化空气,相对接近室温,并可将适合的净化空气排放加入通风空气中,作为工作补风,减少了空调的使用、增加防火功能,提高循环利用率、节省能源、节省资金,增加了设备功能,提高了环保设备使用效率。
Description
技术领域
本实用新型属于属于一种用于冶金、矿山、企业及餐饮等领域进行烟尘排放的环保净化设备,特别涉及一种齿轮传动气体净化装置。
背景技术
目前,国内冶金、矿山、工厂、餐饮等领域进行烟尘排放的环保净化设备,在现有技术中传统采用将喷淋水集烟罩与排烟风机加静电净化器通过大量管道连接组合成排油烟净化系统,达到排油烟及净化目的,这种排烟净化系统存在:应用设备及材料较多、耗能大、浪费管道、浪费大量人工安装成本,综合利用率低,废油污泥不易回收,防火效果差,后期清洗油烟维护及废水回收不便,循环利用效率低等问题。
发明内容
本实用新型克服了上述存在的缺陷,目的是为解决冶金、矿山、企业及餐饮等领域进行烟尘排放的静电净化设备、功能单一、防火效果差及综合利用率低,利用喷淋水进行雾化净化加烟罩组合,提高净化、防火及排油烟功能,净化用水可以集中回收处理,废油污泥易回收,提高环保循环利用,节省能源、节省设备投资等,提供一种齿轮传动气体净化装置。
本实用新型齿轮传动气体净化装置内容简述:
本实用新型齿轮传动气体净化装置,由齿轮传动箱体、水雾箱体、收水箱体、齿轮箱体检修盖、电机、水雾箱体法兰、齿轮箱体法兰、收水箱体法兰、喷水管连接管、排水孔、螺栓、电机底座、主底座、螺丝、密封盖、电机法兰盘、主传动轴、轴承、双合中空支撑杆、副齿轮轴、副齿轮、旋转轴齿轮、主传动齿轮、齿轮盒、齿轮盒前盖、前旋转轴、后旋转轴、收水箱轴、水雾箱轴、轴接法兰盘、收水栅格、收水箱挡水板、混流片、喷水管、喷水嘴、水雾箱挡水板、伞形盖、固定支撑杆、叶轮片组、蜂窝格栅、螺栓孔和检修螺丝堵组成,其特征在于:齿轮传动气体净化装置由齿轮传动箱体、水雾箱体和收水箱体三部分构成;采用:齿轮传动装置、喷射雾化排风设施和水气分离排风设施,实现净化和防火及排油烟功能,并且净化后的废油、污泥利于集中回收处理,综合利用,提高环保功能,节约能源。
水雾箱体、收水箱体分别设置在齿轮传动箱体的左、右两侧,齿轮传动箱体与水雾箱体通过齿轮箱体法兰、水雾箱体法兰及螺栓固定连接;齿轮传动箱体与收水箱体通过齿轮箱体法兰、收水箱体法兰及螺栓固定连接;在齿轮传动箱体的底部设有主底座,电机通过设置在齿轮传动箱体一侧的电机底座与主底座固定连接。
所述的齿轮传动装置:由设置在齿轮传动箱体内的主传动轴、主传动齿轮、旋转轴齿轮、副齿轮、前旋转轴、后旋转轴、轴接法兰盘、副齿轮轴、齿轮盒、双合中空支撑杆、固定支撑杆组成,齿轮盒通过一组双合中空支撑杆和一组固定支撑杆固定在齿轮传动箱体中间,电机的输出轴通过电机法兰盘与主传动轴的一端传动连接,设置在主传动轴上的主传动齿轮与设置在前旋转轴上的旋转轴齿轮啮合传动连接,旋转轴齿轮与设置在副齿轮轴上的副齿轮啮合传动连接,带动副齿轮轴、前旋转轴和后旋转轴转动;在前旋转轴的前端设有轴接法兰盘,用于与水雾箱轴传动连接,后旋转轴后端设有轴接法兰盘与收水箱轴传动连接构成齿轮传动装置。
所述的喷射雾化排风设施:是由:水雾箱体、水雾箱体法兰、水雾箱挡水板、喷水管连接管、喷水管、喷水嘴、混流片、固定支撑杆、轴承、水雾箱轴、叶轮片组、伞形盖及轴接法兰盘组成;水雾箱体通过水雾箱体法兰与齿轮传动箱体的齿轮箱体法兰固定连接,水雾箱挡水板设置在水雾箱体前端部水雾箱体法兰的内沿处,在喷水管上均匀排布设有喷水嘴,喷水管下端穿过水雾箱体与喷水管连接管连接;混流片均匀排布设置在水雾箱体的内壁,水雾箱轴通过轴承安装固定在两组固定支撑杆中间,水雾箱轴通过固定支撑杆设置在水雾箱体内、水雾箱轴的前端设有叶轮片组及伞形盖,水雾箱轴的后端设有轴接法兰盘。
所述的水气分离排风设施:是由:收水箱体、收水箱体法兰、收水箱挡水板、排水孔、蜂窝格栅、收水栅格、固定支撑杆、轴承、收水箱轴、叶轮片组、轴接法兰盘构成;收水箱体通过收水箱体法兰与齿轮传动箱体的齿轮箱体法兰固定连接,在收水箱体后端的收水箱体法兰内沿处设有收水箱挡水板,蜂窝格栅及收水栅格设置在收水箱体内,收水栅格沿收水箱体内壁沿圆周均布设置,收水箱体的底部设有排水孔;收水箱轴设置在收水箱体内,通过轴承安装固定在两组固定支撑杆中间,收水箱轴通过固定支撑杆设置在收水箱体内,收水箱轴前端设有轴接法兰盘、后端设有叶轮片组。
本实用新型解决了传统静电净化设备耗能大,废油污泥不易回收,防火效果差、容易发生火灾的问题,可通过喷淋净化的综合作用,由于排出的净化空气,相对接近室温,并可将适合的净化空气排放加入通风空气中,作为工作补风,减少了空调的使用、增加防火功能,提高循环利用率、节省能源、节省资金,增加了设备功能,提高了环保设备使用效率。
附图说明
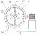
图1 是齿轮传动气体净化装置结构示意图;
图2是齿轮传动气体净化装置图1的俯视图
图3是齿轮传动气体净化装置俯视内部结构示意图;
图4是齿轮传动结构示意图;
图5是齿轮传动气体净化装置A-A 剖视图;
图6是齿轮传动气体净化装置B-B剖视图;
图7是齿轮传动气体净化装置C-C剖视图;
图8是齿轮传动气体净化装置D-D剖视图;
图中:1是齿轮传动箱体、2是水雾箱体、3是收水箱体、4是齿轮箱体检修盖、5是电机、6是水雾箱体法兰、7是齿轮箱体法兰、8是收水箱体法兰、9是喷水管连接管、10是排水孔、11是螺栓、12是电机底座、13是主底座、14是螺丝、15是密封盖、16是电机法兰盘、17是主传动轴、18是轴承、19是双合中空支撑杆、20是副齿轮轴、21是副齿轮、22是旋转轴齿轮、23是主传动齿轮、24是齿轮盒、25是齿轮盒前盖、26是前旋转轴、27是后旋转轴、28是收水箱轴、29是水雾箱轴、 30是轴接法兰盘、31是收水栅格、32是收水箱挡水板、33是混流片、34是喷水管、35是喷水嘴、36是水雾箱挡水板、37是伞形盖、38是固定支撑杆、39是叶轮片组、40是蜂窝格栅、41是螺栓孔、42是检修螺丝堵。
具体实施方式
本实用新型齿轮传动气体净化装置是这样实现的,下面结合附图做具体说明。
见图1~图8,本实用新型齿轮传动气体净化装置,由:齿轮传动箱体1、水雾箱体2、收水箱体3、齿轮箱体检修盖4、电机5、水雾箱体法兰6、齿轮箱体法兰7、收水箱体法兰8、喷水管连接管9、排水孔10、螺栓11、电机底座12、主底座13、螺丝14、密封盖15、电机法兰盘16、主传动轴17、轴承18、双合中空支撑杆19、副齿轮轴20、副齿轮21、旋转轴齿轮22、主传动齿轮23、齿轮盒24、齿轮盒前盖25、前旋转轴26、后旋转轴27、收水箱轴28、水雾箱轴29、轴接法兰盘30、收水栅格31、收水箱挡水板32、混流片33、喷水管34、喷水嘴35、水雾箱挡水板36、伞形盖37、固定支撑杆38、叶轮片组39、蜂窝格栅40、螺栓孔41和检修螺丝堵42组成,其特征在于:齿轮传动气体净化装置由齿轮传动箱体1、水雾箱体2和收水箱体3三部分构成;采用:齿轮传动装置、喷射雾化排风设施和水气分离排风设施,实现净化和防火及排油烟功能,并且净化后的废油、污泥利于集中回收处理,综合利用,提高环保功能,节约能源。
见图1、图2,水雾箱体2、收水箱体3分别设置在齿轮传动箱体1的左右两侧,齿轮传动箱体1与水雾箱体2通过齿轮箱体法兰7、水雾箱体法兰6及螺栓11固定连接;齿轮传动箱体1与收水箱体3通过齿轮箱体法兰7、收水箱体法兰8及螺栓11固定连接;在齿轮传动箱体1的底部设有主底座13,电机5通过设置在齿轮传动箱体1一侧的电机底座12与主底座13固定连接。
见图1~ 图4、图6,齿轮传动装置:由齿轮传动箱体1、电机5、电机法兰盘16、主传动轴17、主传动齿轮23、旋转轴齿轮22、副齿轮21、前旋转轴26、后旋转轴27、轴接法兰盘30、副齿轮轴20、齿轮盒24、双合中空支撑杆19、固定支撑杆38组成;齿轮盒24通过一组双合中空支撑杆19和一组固定支撑杆38固定在齿轮传动箱体1中间,电机5的输出轴通过电机法兰盘16与主传动轴17的一端传动连接,设置在主传动轴17上的主传动齿轮23与设置在前旋转轴26上的旋转轴齿轮22啮合传动连接,旋转轴齿轮22与设置在副齿轮轴20上的副齿轮21啮合传动连接,带动副齿轮轴20、前旋转轴26和后旋转轴27转动;在前旋转轴26的前端设有轴接法兰盘30,用于与水雾箱轴29传动连接,后旋转轴27后端设有轴接法兰盘30与收水箱轴28传动连接,构成齿轮传动装置。
见图1、图3、图5,喷射雾化排风设施:是由:水雾箱体2、水雾箱体法兰6、水雾箱挡水板36、喷水管连接管9、喷水管34、喷水嘴35、混流片33、固定支撑杆38、轴承18、水雾箱轴29、叶轮片组39、伞形盖37及轴接法兰盘30组成;水雾箱体2通过水雾箱体法兰6与齿轮传动箱体1的齿轮箱体法兰7固定连接,水雾箱挡水板36设置在水雾箱体2前端部水雾箱体法兰6的内沿处,在喷水管34上均匀排布设有喷水嘴35,喷水管34下端穿过水雾箱体2与喷水管连接管9连接;混流片33均匀排布设置在水雾箱体2的内壁,水雾箱轴29通过轴承18安装固定在两组固定支撑杆38中间,水雾箱轴29通过固定支撑杆38设置在水雾箱体2内、水雾箱轴29的前端设有叶轮片组39及伞形盖37,水雾箱轴29的后端设有轴接法兰盘30。
启动电机齿轮传动装置工作,同时外设水泵泵水,经由喷水管连接管9、喷水管34,由喷水嘴35向水雾箱体2中喷射水流,同时电机5工作,电机5的输出轴带动主传动轴17通过主传动齿轮23、旋转轴齿轮22、副齿轮21啮合、带动前旋转轴26、后旋转轴27、副齿轮轴20旋转,前旋转轴26通过前端的轴接法兰盘30连接带动水雾箱轴29旋转、带动水雾箱体2中的叶轮片组39旋转、将喷水嘴35喷入的水流经由叶轮片组39叶片甩离打散及与水雾箱体2的内壁碰撞、形成水雾,同时烟尘气体由水雾箱体2前端吸入,吸入的烟尘气体与叶片打散甩离水体水雾相互接触混合,形成污浊水雾体,经由混流片组33混流排入齿轮传动箱体1,经过收水箱体3排出。
见图1、图3、图7、图8、水气分离排风设施:是由:收水箱体3、收水箱体法兰8、收水箱挡水板32、排水孔10、蜂窝格栅40、收水栅格31、固定支撑杆38、轴承18、收水箱轴28、叶轮片组39、轴接法兰盘30构成;收水箱体3通过收水箱体法兰8与齿轮传动箱体1的齿轮箱体法兰7连接固定,在收水箱体3后端的收水箱体法兰8内沿处设有收水箱挡水板32,蜂窝格栅40及收水栅格31设置在收水箱体3内,收水栅格31沿收水箱体3内壁沿圆周均布设置,收水箱体3的底部设有排水孔10;收水箱轴28设置在收水箱体3内,通过轴承18安装固定在两组固定支撑杆38中间,收水箱轴28通过固定支撑杆38设置在收水箱体3内,收水箱轴28前端设有轴接法兰盘30、后端设有叶轮片组39。
工作原理:
本实用新型齿轮传动气体净化装置工作时:
齿轮传动气体净化装置通电启动,外设水泵泵水,经由喷水管连接管9连接喷水管34由喷水嘴35向水雾箱体2中喷射水流,同时电机5通电工作,电机5输出轴与主传动轴17传动连接,通过主传动齿轮23、旋转轴齿轮22、副齿轮21啮合带动前旋转轴26、后旋转轴27、副齿轮轴20旋转,前旋转轴26通过前端的轴接法兰盘30连接带动水雾箱轴29旋转带动水雾箱体2中的叶轮片组39旋转,将喷水嘴35喷入的水流经由叶轮片组39叶片甩离打散及与水雾箱体2的内壁碰撞、形成水雾,同时烟尘气体由水雾箱体2前端吸入,吸入的烟尘气体与叶片打散甩离水体水雾相互接触混合,形成污浊水雾体,旋转排出向后,再经由混流片组33混流排入齿轮传动箱体1内;污浊混合水体经由齿轮传动箱体1内及齿轮传动箱体1内部的齿轮盒24向后排入收水箱体3。
齿轮传动箱体1内的旋转轴齿轮22带动后旋转轴27、收水箱轴28旋转转动,带动叶轮片组39转动,将经由水雾箱体2和齿轮传动箱体1排入的污浊混合水体继续向后排出,通过收水栅格31进行污浊水体碰撞接触,进行污浊混合水体与气体分离、净化,再由蜂窝格栅40进行消音及污浊水体和气体分离,净化后的气体通过收水箱体3后端排出。收水箱体3内部回收的污浊水体,经由排水孔10流出,由外部连接管道排至外设的净化隔油水箱,进行污浊水体的油水、灰尘与水体的分离沉淀净化,净化后的水再由外设的水泵、将水泵送到水雾箱体2上的喷水管连接管9的喷水管34经由喷水嘴35喷射、循环工作使用,达到节能环保净化效果。
本实用新型解决了传统静电净化设备耗能大,废油污泥不易回收,防火效果差、容易发生火灾的问题,通过喷淋净化的综合作用,由于排出的净化空气,相对接近室温,还可以将适合的净化空气排放加入到通风空气中,作为工作补风,减少了空调的使用、增加防火功能,对废油和污泥进行集中回收、提高水循环利用率、节省能源、节省资金,增加了设备功能,提高了环保设备使用效率。
Claims (5)
1.一种齿轮传动气体净化装置,其特征在于:由齿轮传动箱体(1)、水雾箱体(2)、收水箱体(3)、齿轮箱体检修盖(4)、电机(5)、水雾箱体法兰(6)、齿轮箱体法兰(7)、收水箱体法兰(8)、喷水管连接管(9)、排水孔(10)、螺栓(11)、电机底座(12)、主底座(13)、螺丝(14)、密封盖(15)、电机法兰盘(16)、主传动轴(17)、轴承(18)、双合中空支撑杆(19)、副齿轮轴(20)、副齿轮(21)、旋转轴齿轮(22)、主传动齿轮(23)、齿轮盒(24)、齿轮盒前盖(25)、前旋转轴(26)、后旋转轴(27)、收水箱轴(28)、水雾箱轴(29)、轴接法兰盘(30)、收水栅格(31)、收水箱挡水板(32)、混流片(33)、喷水管(34)、喷水嘴(35)、水雾箱挡水板(36)、伞形盖(37)、固定支撑杆(38)、叶轮片组(39)、蜂窝格栅(40)、螺栓孔(41)和检修螺丝堵(42)组成,齿轮传动气体净化装置由齿轮传动箱体(1)、水雾箱体(2)和收水箱体(3)三部分构成;采用:齿轮传动装置、喷射雾化排风设施和水气分离排风设施,实现净化和防火及排油烟功能。
2.根据权利要求1所述的齿轮传动气体净化装置,其特征在于: 所述的水雾箱体(2)、收水箱体(3)分别设置在齿轮传动箱体(1)的左、右两侧,齿轮传动箱体(1)与水雾箱体(2)通过齿轮箱体法兰(7)、水雾箱体法兰(6)及螺栓(11)固定连接;齿轮传动箱体(1)与收水箱体(3)通过齿轮箱体法兰(7)、收水箱体法兰(8)及螺栓(11)固定连接;在齿轮传动箱体(1)的底部设有主底座(13),电机(5)通过设置在齿轮传动箱体(1)一侧的电机底座(12)与主底座(13)固定连接。
3.根据权利要求1所述的齿轮传动气体净化装置,其特征在于: 所述的齿轮传动装置:由设置在齿轮传动箱体(1)内的主传动轴(17)、主传动齿轮(23)、旋转轴齿轮(22)、副齿轮(21)、前旋转轴(26)、后旋转轴(27)、轴接法兰盘(30)、副齿轮轴(20)、齿轮盒(24)、双合中空支撑杆(19)、固定支撑杆(38)组成,齿轮盒(24)通过一组双合中空支撑杆(19)和一组固定支撑杆(38)固定在齿轮传动箱体(1)中间,电机(5)的输出轴通过电机法兰盘(16)与主传动轴(17)的一端传动连接,设置在主传动轴(17)上的主传动齿轮(23)与设置在前旋转轴(26)上的旋转轴齿轮(22)啮合传动连接,旋转轴齿轮(22)与设置在副齿轮轴(20)上的副齿轮(21)啮合传动连接,带动副齿轮轴(20)、前旋转轴(26)和后旋转轴(27)转动;在前旋转轴(26)的前端设有轴接法兰盘(30),用于与水雾箱轴(29)传动连接,后旋转轴(27)后端设有轴接法兰盘(30)与收水箱轴(28)传动连接构成齿轮传动装置。
4.根据权利要求1所述的齿轮传动气体净化装置,其特征在于: 所述的喷射雾化排风设施:是由:水雾箱体(2)、水雾箱体法兰(6)、水雾箱挡水板(36)、喷水管连接管(9)、喷水管(34、喷水嘴(35)、混流片(33)、固定支撑杆(38)、轴承(18)、水雾箱轴(29)、叶轮片组(39)、伞形盖(37)及轴接法兰盘(30)组成;水雾箱体(2)通过水雾箱体法兰(6)与齿轮传动箱体(1)的齿轮箱体法兰(7)固定连接,水雾箱挡水板(36)设置在水雾箱体(2)前端部水雾箱体法兰(6)的内沿处,在喷水管(34)上均匀排布设有喷水嘴(35),喷水管(34)下端穿过水雾箱体(2)与喷水管连接管(9)连接;混流片(33)均匀排布设置在水雾箱体(2)的内壁,水雾箱轴(29)通过轴承(18)安装固定在两组固定支撑杆(38)中间,水雾箱轴(29)通过固定支撑杆(38)设置在水雾箱体(2)内、水雾箱轴(29)的前端设有叶轮片组(39)及伞形盖(37),水雾箱轴(29)的后端设有轴接法兰盘(30)。
5.根据权利要求1所述的齿轮传动气体净化装置,其特征在于:所述的水气分离排风设施:是由:收水箱体(3)、收水箱体法兰(8)、收水箱挡水板(32)、排水孔(10)、蜂窝格栅(40)、收水栅格(31)、固定支撑杆(38)、轴承(18)、收水箱轴(28)、叶轮片组(39)、轴接法兰盘(30)构成;收水箱体(3)通过收水箱体法兰(8)与齿轮传动箱体(1)的齿轮箱体法兰(7)固定连接,在收水箱体(3)后端的收水箱体法兰(8)内沿处设有收水箱挡水板(32),蜂窝格栅(40)及收水栅格(31)设置在收水箱体(3)内,收水栅格(31)沿收水箱体(3)内壁沿圆周均布设置,收水箱体(3)的底部设有排水孔(10);收水箱轴(28)设置在收水箱体(3)内,通过轴承(18)安装固定在两组固定支撑杆(38)中间,收水箱轴(28)通过固定支撑杆(38)设置在收水箱体(3)内,收水箱轴(28)前端设有轴接法兰盘(30)、后端设有叶轮片组(39)。
Priority Applications (1)
| Application Number | Priority Date | Filing Date | Title |
|---|---|---|---|
| CN202020022550.4U CN211612069U (zh) | 2020-01-07 | 2020-01-07 | 一种齿轮传动气体净化装置 |
Applications Claiming Priority (1)
| Application Number | Priority Date | Filing Date | Title |
|---|---|---|---|
| CN202020022550.4U CN211612069U (zh) | 2020-01-07 | 2020-01-07 | 一种齿轮传动气体净化装置 |
Publications (1)
| Publication Number | Publication Date |
|---|---|
| CN211612069U true CN211612069U (zh) | 2020-10-02 |
Family
ID=72636095
Family Applications (1)
| Application Number | Title | Priority Date | Filing Date |
|---|---|---|---|
| CN202020022550.4U Expired - Fee Related CN211612069U (zh) | 2020-01-07 | 2020-01-07 | 一种齿轮传动气体净化装置 |
Country Status (1)
| Country | Link |
|---|---|
| CN (1) | CN211612069U (zh) |
Cited By (1)
| Publication number | Priority date | Publication date | Assignee | Title |
|---|---|---|---|---|
| CN111054166A (zh) * | 2020-01-07 | 2020-04-24 | 张维刚 | 一种齿轮传动气体净化装置 |
-
2020
- 2020-01-07 CN CN202020022550.4U patent/CN211612069U/zh not_active Expired - Fee Related
Cited By (1)
| Publication number | Priority date | Publication date | Assignee | Title |
|---|---|---|---|---|
| CN111054166A (zh) * | 2020-01-07 | 2020-04-24 | 张维刚 | 一种齿轮传动气体净化装置 |
Similar Documents
| Publication | Publication Date | Title |
|---|---|---|
| CN212119443U (zh) | 一种高效去除水雾的喷淋塔装置 | |
| CN211612069U (zh) | 一种齿轮传动气体净化装置 | |
| CN112275075A (zh) | 一种喷淋式废气处理装置 | |
| CN211913151U (zh) | 一种链条传动气体净化装置 | |
| CN112833412A (zh) | 一种环保型垃圾焚烧用烟气净化设备 | |
| CN111921310A (zh) | 一种建筑工程施工的环保除尘设备 | |
| CN211913153U (zh) | 一种皮带传动气体净化装置 | |
| CN221580115U (zh) | 一种肥料生产车间粉尘处理装置 | |
| CN220656874U (zh) | 污泥原料混料用除尘装置 | |
| CN112774380A (zh) | 一种烟气喷淋降尘除味装置 | |
| CN111054166A (zh) | 一种齿轮传动气体净化装置 | |
| CN203507725U (zh) | 一种基于水旋装置的空气净化设备 | |
| CN215654536U (zh) | 一种环保除尘设备 | |
| CN214552183U (zh) | 自清洗离心防水雾多级节能水幕除尘装置 | |
| CN214345230U (zh) | 一种烟气脱硫除尘塔 | |
| CN215566071U (zh) | 一种移动式隧道工程施工用环保除尘装置 | |
| CN112833439B (zh) | 油烟净化一体机 | |
| CN213643587U (zh) | 一种环保的水泥生产废气处理设备 | |
| CN211585795U (zh) | 一种用于烟尘净化的喷淋装置 | |
| CN112588783A (zh) | 一种环境艺术设计用智能化废料回收装置 | |
| CN208989765U (zh) | 一种结核病防治用雾化消毒装置 | |
| CN222358170U (zh) | 节能环保的燃烧废气净化处理装置 | |
| CN221557988U (zh) | 一种化工厂区生产用的吸收塔 | |
| CN212017188U (zh) | 一种气体净化装置 | |
| CN221230239U (zh) | 一种高效滤尘吸附的防爆除尘器 |
Legal Events
| Date | Code | Title | Description |
|---|---|---|---|
| GR01 | Patent grant | ||
| GR01 | Patent grant | ||
| CF01 | Termination of patent right due to non-payment of annual fee |
Granted publication date: 20201002 |
|
| CF01 | Termination of patent right due to non-payment of annual fee |