CN211561996U - 一种方便清洗的烟气过滤管道 - Google Patents

一种方便清洗的烟气过滤管道 Download PDF

Info

Publication number
CN211561996U
CN211561996U CN201921911803.7U CN201921911803U CN211561996U CN 211561996 U CN211561996 U CN 211561996U CN 201921911803 U CN201921911803 U CN 201921911803U CN 211561996 U CN211561996 U CN 211561996U
Authority
CN
China
Prior art keywords
pipe
flue gas
main
main shaft
filter screen
Prior art date
Legal status (The legal status is an assumption and is not a legal conclusion. Google has not performed a legal analysis and makes no representation as to the accuracy of the status listed.)
Expired - Fee Related
Application number
CN201921911803.7U
Other languages
English (en)
Inventor
戴成
Current Assignee (The listed assignees may be inaccurate. Google has not performed a legal analysis and makes no representation or warranty as to the accuracy of the list.)
Beijing Beiran Construction Engineering Energy Co ltd
Original Assignee
Individual
Priority date (The priority date is an assumption and is not a legal conclusion. Google has not performed a legal analysis and makes no representation as to the accuracy of the date listed.)
Filing date
Publication date
Application filed by Individual filed Critical Individual
Priority to CN201921911803.7U priority Critical patent/CN211561996U/zh
Application granted granted Critical
Publication of CN211561996U publication Critical patent/CN211561996U/zh
Expired - Fee Related legal-status Critical Current
Anticipated expiration legal-status Critical

Links

Images

Landscapes

  • Filtering Of Dispersed Particles In Gases (AREA)

Abstract

本实用新型公开了一种方便清洗的烟气过滤管道,包括主管道和电机,所述主管道的下方焊接有副管道,且副管道和主管道的外表面均开设有安装孔,所述主管道和副管道之间镶嵌有蓄水仓,且蓄水仓的右侧镶嵌有排水管,并且排水管贯穿主管道,所述蓄水仓的内部焊接有固定板,所述主轴贯穿固定板,所述主管道的右侧螺栓安装有电机,且电机的输出端与主轴锥齿轮相连接,所述主管道的内部螺钉安装有过滤网,且过滤网的上方设置有喷水管,并且喷水管的左侧连接有进水管,所述主轴贯穿过滤网和齿轮保护箱,所述喷水管的下表面开设有喷水口。该方便清洗的烟气过滤管道采用全自动化的清洗设计,该烟气过滤管道内部的灰尘清洗方便。

Description

一种方便清洗的烟气过滤管道
技术领域
本实用新型涉及热电厂技术领域,具体为一种方便清洗的烟气过滤管道。
背景技术
热电厂指火力发电的电厂,在火力发电的过程中会产生大量的烟气,这时就需要烟气过滤管道对烟气进行过滤和传递,现有的烟气过滤管道虽然存在烟气过滤的功能,但是在实际的使用过程中还是存在一定的问题的;
现有的烟气过滤管道在长时间使用后,需工人对过滤管道进行拆卸,从而再将烟气过滤管道内部的过滤网进行清洗,操作复杂,且全人工的使用,使得烟气过滤管道存在清洗不便的问题
所以我们提出了一种方便清洗的烟气过滤管道,以便于解决上述中提出的问题。
实用新型内容
本实用新型的目的在于提供一种方便清洗的烟气过滤管道,以解决上述背景技术提出的目前市场上烟气过滤管道存在清洗不便的问题。
为实现上述目的,本实用新型提供如下技术方案:一种方便清洗的烟气过滤管道,包括主管道和电机,所述主管道的下方焊接有副管道,且副管道和主管道的外表面均开设有安装孔,所述主管道和副管道之间镶嵌有蓄水仓,且蓄水仓的右侧镶嵌有排水管,并且排水管贯穿主管道,所述蓄水仓的内部焊接有固定板,且固定板的上方设置有活动板,并且活动板的中部键连接有主轴,所述主轴贯穿固定板,所述主管道的右侧螺栓安装有电机,且电机的输出端与主轴锥齿轮相连接,并且电机的输出端外侧设置有齿轮保护箱,所述主管道的内部螺钉安装有过滤网,且过滤网的上方设置有喷水管,并且喷水管的左侧连接有进水管,所述主轴贯穿过滤网和齿轮保护箱,所述喷水管的下表面开设有喷水口。
优选的,所述主管道的上端与副管道的下端构成凹凸配合,且主管道的内径等于副管道的内径。
优选的,所述活动板通过主轴在固定板的上方构成旋转结构,且活动板与固定板呈互补关系。
优选的,所述主轴的下表面开设有凹槽,且主轴的上方设置有连接杆,并且连接杆呈长方体结构,而且连接杆与凹槽呈凹凸配合关系。
优选的,所述过滤网呈圆台形结构,且过滤网设置在进水管和活动板之间。
优选的,所述进水管呈圆环形结构,且进水管的下表面等角度开设有喷水口。
与现有技术相比,本实用新型的有益效果是:该方便清洗的烟气过滤管道;
1、设置有固定板、活动板和喷水管,在使用的过程中,活动板能通过主轴带动旋转,从而使得活动板的实体端对固定板的开口端进行覆盖,从而使得过滤网下方的进行密封,而后配合着喷水管的使用,使得喷水管有效的对过滤网进行清洗,同时清洗后的污水在蓄水仓和排水管的作用下排出,此过程全部由机器控制,结构简单,效率高,无需拆卸,极大的方便了烟气过滤管道的倾斜,提高了装置的实用性;
2、设置有主轴,在使用的过程中配合着凹槽和连接杆的使用,使得相邻两个装置的主轴能进行安装,从而使得另一个装置在生产时无需生产和安装电机、齿轮保护箱和锥齿轮,使得一个装置就能带动相邻装置进行工作,增加了装置的实用性,减低装置的生产成本,提高装置的实用性。
附图说明
图1为本实用新型主剖结构示意图;
图2为本实用新型主视结构示意图;
图3为本实用新型俯视结构示意图;
图4为本实用新型固定板俯视结构示意图;
图5为本实用新型活动板俯视结构示意图;
图6为本实用新型活动板旋转时俯视结构示意图;
图7为本实用新型主轴俯视结构示意图;
图8为本实用新型另一结构示意图。
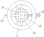
图中:1、主管道;2、副管道;3、安装孔;4、蓄水仓;5、排水管;6、固定板;7、活动板;8、电机;9、齿轮保护箱;10、主轴;1001、凹槽;1002、连接杆;11、过滤网;12、喷水管;13、进水管;14、喷水口。
具体实施方式
下面将结合本实用新型实施例中的附图,对本实用新型实施例中的技术方案进行清楚、完整地描述,显然,所描述的实施例仅仅是本实用新型一部分实施例,而不是全部的实施例。基于本实用新型中的实施例,本领域普通技术人员在没有做出创造性劳动前提下所获得的所有其他实施例,都属于本实用新型保护的范围。
请参阅图1-8,本实用新型提供一种技术方案:一种方便清洗的烟气过滤管道,包括主管道1、副管道2、安装孔3、蓄水仓4、排水管5、固定板6、活动板7、电机8、齿轮保护箱9、主轴10、过滤网11、喷水管12、进水管13和喷水口14,主管道1的下方焊接有副管道2,且副管道2和主管道1的外表面均开设有安装孔3,主管道1和副管道2之间镶嵌有蓄水仓4,且蓄水仓4的右侧镶嵌有排水管5,并且排水管5贯穿主管道1,蓄水仓4的内部焊接有固定板6,且固定板6的上方设置有活动板7,并且活动板7的中部键连接有主轴10,主轴10贯穿固定板6,主管道1的右侧螺栓安装有电机8,且电机8的输出端与主轴10锥齿轮相连接,并且电机8的输出端外侧设置有齿轮保护箱9,主管道1的内部螺钉安装有过滤网11,且过滤网11的上方设置有喷水管12,并且喷水管12的左侧连接有进水管13,主轴10贯穿过滤网11和齿轮保护箱9,喷水管12的下表面开设有喷水口14。
主管道1的上端与副管道2的下端构成凹凸配合,且主管道1的内径等于副管道2的内径,上述结构的设计,保证了气体的正常流动。
活动板7通过主轴10在固定板6的上方构成旋转结构,且活动板7与固定板6呈互补关系,上述结构的设计,保证了活动板7在旋转后能有效的将固定板6开口端进行覆盖,从而保证了装置的密封性,避免后续液体出现泄露的问题。
主轴10的下表面开设有凹槽1001,且主轴10的上方设置有连接杆1002,并且连接杆1002呈长方体结构,而且连接杆1002与凹槽1001呈凹凸配合关系,上述结构的设计,使得两个装置整体能进行安装,同时另一个装置在生产和安装时无需生产和安装电机8、齿轮保护箱9和锥齿轮,使得一个装置就能带动相邻装置进行工作,增加了装置的实用性,减低装置的生产成本。
过滤网11呈圆台形结构,且过滤网11设置在进水管13和活动板7之间,上述结构的设计,便于液体对过滤网11表面的灰尘进行冲洗,增加装置的清洗效率。
进水管13呈圆环形结构,且进水管13的下表面等角度开设有喷水口14,上述结构的设计,使得液体喷洒均匀,保证装置的清洗效果。
工作原理:在使用该方便清洗的烟气过滤管道时,首先,如图1-2所示,将装置的电源与电网进行连接,再将进水管13与水源进行连接,从而开始使用。
在使用的过程中,烟气通过固定板6和活动板7两者开口状结构从副管道2进入主管道1内部,而后再经过过滤网11进行过滤,从而使得杂质被过滤网11截留,而气体则从主管道1上方飘走,进而使得该过滤管道有效的对烟气进行过滤。
当需要对该过滤管道内壁和过滤网11进行清洗时,如图1所示,启动电机8,使得电机8通过锥齿轮带动主轴10进行旋转,从而使得主轴10带动活动板7旋转,如图4-6所示,从而使得活动板7实体部分对固定板6的开口状部分进行覆盖,而后打开进水管13所连接的水源,如图3所示,从而使得液体从进水管13进入喷水管12中,从而再从喷水口14中喷出,有效的对过滤网11进行清洗,清洗时液体会将过滤网11上的灰尘冲走,使得污水进入蓄水仓4中,如图1所示,进而使得蓄水仓4内部的污水从排水管5排出,进而使得装置快速、便捷、自动的对该烟气过滤管道进行清洗,极大的增加了装置的实用性。
在实际的使用过程中,如图1-2和图7-8所示,可将两个装置通过主管道1和副管道2进行拼装,而后在通过安装孔3进行固定,同时拼装过程中如图1和图7所示,使得两个装置的主轴10通过凹槽1001和连接杆1002相连接,从而增加整体的过滤性能。
在实际的生产过程中,如图8所示,可根据需求选择是否加装电机8和齿轮保护箱9,从而降低了装置的生产成本,配合着有电机8的装置使用,确保装置的正常使用。
从而完成一系列工作,本说明书中未作详细描述的内容属于本领域专业技术人员公知的现有技术。
尽管参照前述实施例对本实用新型进行了详细的说明,对于本领域的技术人员来说,其依然可以对前述各实施例所记载的技术方案进行修改,或者对其中部分技术特征进行等同替换,凡在本实用新型的精神和原则之内,所作的任何修改、等同替换、改进等,均应包含在本实用新型的保护范围之内。

Claims (6)

1.一种方便清洗的烟气过滤管道,包括主管道(1)和电机(8),其特征在于:所述主管道(1)的下方焊接有副管道(2),且副管道(2)和主管道(1)的外表面均开设有安装孔(3),所述主管道(1)和副管道(2)之间镶嵌有蓄水仓(4),且蓄水仓(4)的右侧镶嵌有排水管(5),并且排水管(5)贯穿主管道(1),所述蓄水仓(4)的内部焊接有固定板(6),且固定板(6)的上方设置有活动板(7),并且活动板(7)的中部键连接有主轴(10),所述主轴(10)贯穿固定板(6),所述主管道(1)的右侧螺栓安装有电机(8),且电机(8)的输出端与主轴(10)锥齿轮相连接,并且电机(8)的输出端外侧设置有齿轮保护箱(9),所述主管道(1)的内部螺钉安装有过滤网(11),且过滤网(11)的上方设置有喷水管(12),并且喷水管(12)的左侧连接有进水管(13),所述主轴(10)贯穿过滤网(11)和齿轮保护箱(9),所述喷水管(12)的下表面开设有喷水口(14)。
2.根据权利要求1所述的一种方便清洗的烟气过滤管道,其特征在于:所述主管道(1)的上端与副管道(2)的下端构成凹凸配合,且主管道(1)的内径等于副管道(2)的内径。
3.根据权利要求1所述的一种方便清洗的烟气过滤管道,其特征在于:所述活动板(7)通过主轴(10)在固定板(6)的上方构成旋转结构,且活动板(7)与固定板(6)呈互补关系。
4.根据权利要求1所述的一种方便清洗的烟气过滤管道,其特征在于:所述主轴(10)的下表面开设有凹槽(1001),且主轴(10)的上方设置有连接杆(1002),并且连接杆(1002)呈长方体结构,而且连接杆(1002)与凹槽(1001)呈凹凸配合关系。
5.根据权利要求1所述的一种方便清洗的烟气过滤管道,其特征在于:所述过滤网(11)呈圆台形结构,且过滤网(11)设置在进水管(13)和活动板(7)之间。
6.根据权利要求1所述的一种方便清洗的烟气过滤管道,其特征在于:所述进水管(13)呈圆环形结构,且进水管(13)的下表面等角度开设有喷水口(14)。
CN201921911803.7U 2019-11-07 2019-11-07 一种方便清洗的烟气过滤管道 Expired - Fee Related CN211561996U (zh)

Priority Applications (1)

Application Number Priority Date Filing Date Title
CN201921911803.7U CN211561996U (zh) 2019-11-07 2019-11-07 一种方便清洗的烟气过滤管道

Applications Claiming Priority (1)

Application Number Priority Date Filing Date Title
CN201921911803.7U CN211561996U (zh) 2019-11-07 2019-11-07 一种方便清洗的烟气过滤管道

Publications (1)

Publication Number Publication Date
CN211561996U true CN211561996U (zh) 2020-09-25

Family

ID=72532066

Family Applications (1)

Application Number Title Priority Date Filing Date
CN201921911803.7U Expired - Fee Related CN211561996U (zh) 2019-11-07 2019-11-07 一种方便清洗的烟气过滤管道

Country Status (1)

Country Link
CN (1) CN211561996U (zh)

Similar Documents

Publication Publication Date Title
CN102228799B (zh) 应用于水处理设备的滤膜清洗系统
CN203620343U (zh) 一种智能自洁式污水过滤装置
CN209663917U (zh) 一种除尘管道用的清理装置
CN211561996U (zh) 一种方便清洗的烟气过滤管道
CN210847422U (zh) 一种螺母清洗装置
CN207863996U (zh) 一种隧道施工用净化除尘装置
CN210021581U (zh) 一种废气处理进气装置
CN211435388U (zh) 一种水利工程用过滤装置
CN216677185U (zh) 一种新型工业用水过滤装置
CN212548589U (zh) 一种用于水利水电工程的水资源过滤设备
CN209809758U (zh) 一种智能型无尘车间的空气净化装置
CN211462281U (zh) 高效自清洗式过滤器
CN208785908U (zh) 一种家用污水过滤再生处理装置
CN115382265A (zh) 一种水电站的活性炭过滤装置
CN108105745A (zh) 一种带有集灰装置的蒸汽锅炉
CN220497199U (zh) 一种热力管道内除污装置
CN220081515U (zh) 一种汽轮机防护装置
CN209645959U (zh) 一种水利工程用过滤机
CN217203929U (zh) 一种河道水利工程用水利管道
CN216175019U (zh) 一种具有过滤收集的管道清理器
CN206693171U (zh) 一种新型水电站拦污装置
CN219775918U (zh) 一种便于清理的建筑通风装置
CN219343471U (zh) 一种市政管道内部清淤装置
CN212727300U (zh) 一种墙挂式音箱
CN220939525U (zh) 一种集成式市政工程污水过滤装置

Legal Events

Date Code Title Description
GR01 Patent grant
GR01 Patent grant
TR01 Transfer of patent right
TR01 Transfer of patent right

Effective date of registration: 20220826

Address after: 102600 room 0912, floor 9, building 2, yard 12, Jinxing Road, Daxing District, Beijing

Patentee after: Beijing Beiran Construction Engineering Energy Co.,Ltd.

Address before: No. 198, Fuyun Road, Gusu District, Suzhou, Jiangsu 215008

Patentee before: Dai Cheng

CF01 Termination of patent right due to non-payment of annual fee
CF01 Termination of patent right due to non-payment of annual fee

Granted publication date: 20200925