CN211465872U - 一种机械加工高精度磨床 - Google Patents
一种机械加工高精度磨床 Download PDFInfo
- Publication number
- CN211465872U CN211465872U CN201921818647.XU CN201921818647U CN211465872U CN 211465872 U CN211465872 U CN 211465872U CN 201921818647 U CN201921818647 U CN 201921818647U CN 211465872 U CN211465872 U CN 211465872U
- Authority
- CN
- China
- Prior art keywords
- grinding
- fixedly connected
- base
- servo motor
- screw
- Prior art date
- Legal status (The legal status is an assumption and is not a legal conclusion. Google has not performed a legal analysis and makes no representation as to the accuracy of the status listed.)
- Active
Links
- 238000003754 machining Methods 0.000 title claims abstract description 17
- 230000005540 biological transmission Effects 0.000 claims abstract description 17
- 238000005498 polishing Methods 0.000 claims abstract description 9
- 239000000428 dust Substances 0.000 claims description 34
- 230000007246 mechanism Effects 0.000 claims description 9
- 238000010521 absorption reaction Methods 0.000 claims description 6
- XEEYBQQBJWHFJM-UHFFFAOYSA-N Iron Chemical compound [Fe] XEEYBQQBJWHFJM-UHFFFAOYSA-N 0.000 abstract description 10
- 230000000694 effects Effects 0.000 abstract description 5
- 229910052742 iron Inorganic materials 0.000 abstract description 5
- 208000027418 Wounds and injury Diseases 0.000 abstract description 2
- 230000006378 damage Effects 0.000 abstract description 2
- 208000014674 injury Diseases 0.000 abstract description 2
- 238000001179 sorption measurement Methods 0.000 description 6
- 239000011521 glass Substances 0.000 description 3
- 239000000463 material Substances 0.000 description 3
- 229910001651 emery Inorganic materials 0.000 description 2
- 238000000034 method Methods 0.000 description 2
- 230000008569 process Effects 0.000 description 2
- 229910000760 Hardened steel Inorganic materials 0.000 description 1
- 229910045601 alloy Inorganic materials 0.000 description 1
- 239000000956 alloy Substances 0.000 description 1
- 230000004075 alteration Effects 0.000 description 1
- 230000009286 beneficial effect Effects 0.000 description 1
- 230000008901 benefit Effects 0.000 description 1
- 238000002474 experimental method Methods 0.000 description 1
- 239000010438 granite Substances 0.000 description 1
- 238000012986 modification Methods 0.000 description 1
- 230000004048 modification Effects 0.000 description 1
- 238000006467 substitution reaction Methods 0.000 description 1
- 230000003746 surface roughness Effects 0.000 description 1
Images
Landscapes
- Grinding Of Cylindrical And Plane Surfaces (AREA)
Abstract
本实用新型公开了一种机械加工高精度磨床,包括底座、传动打磨机构和阻尘磨削平台,底座的顶部设置有传动打磨机构,底座顶部的左侧设置有PLC控制器,底座的右侧开设有放置槽,底座表面的左侧设置有PLC控制器,底座底部的两侧均固定连接有支撑座。本实用新型通过设置了传动打磨机构,能够增加工件打磨的精度,且便于工作人员操作,不需人工调整位置,给工作人员带来便利的效果,设置了阻尘磨削平台,能够在打磨时对铁屑进行处理,避免铁屑飞溅对工作人员造成伤害的效果,解决了现有技术中,多数设备采用人工控制设备对工件进行磨削加工,由于人工调整存在差异性,导致对工件的磨削精度存在差异,磨削精度得不到控制的问题。
Description
技术领域
本实用新型涉及机械加工技术领域,具体为一种机械加工高精度磨床。
背景技术
磨床是利用磨具对工件表面进行磨削加工的机床,大多数的磨床是使用高速旋转的砂轮进行磨削加工,少数的是使用油石、砂带等其他磨具和游离磨料进行加工,如珩磨机、超精加工机床、砂带磨床、研磨机和抛光机等,磨床能加工硬度较高的材料,如淬硬钢、硬质合金等;也能加工脆性材料,如玻璃、花岗石,磨床能作高精度和表面粗糙度很小的磨削,也能进行高效率的磨削,如强力磨削等。
机械加工行业所加工产品种类繁多,要求加工精度各异,现有技术中,多数设备采用人工控制设备对工件进行磨削加工,由于人工调整存在差异性,导致对工件的磨削精度存在差异,磨削精度得不到控制,为此,我们提出了一种机械加工高精度磨床。
实用新型内容
本实用新型的目的在于提供一种机械加工高精度磨床,具备高精度的优点,解决了现有技术中,多数设备采用人工控制设备对工件进行磨削加工,由于人工调整存在差异性,导致对工件的磨削精度存在差异,磨削精度得不到控制的问题。
为实现上述目的,本实用新型提供如下技术方案:一种机械加工高精度磨床,包括底座、传动打磨机构和阻尘磨削平台,所述底座的顶部设置有传动打磨机构,所述底座顶部的左侧设置有PLC控制器。
优选的,所述底座的右侧开设有放置槽,所述底座表面的左侧设置有PLC控制器,所述底座底部的两侧均固定连接有支撑座。
优选的,所述传动打磨机构包括第一伺服电机,所述第一伺服电机的底部与放置槽内腔的底部固定连接,所述第一伺服电机的输出端固定连接有第一螺杆,所述第一螺杆的顶部贯穿放置槽并延伸至底座的外部,所述第一螺杆的表面套设有第一螺纹套,所述第一螺纹套与第一螺杆螺纹连接,所述底座顶部的两侧均固定连接有滑杆,所述滑杆的顶部固定连接有固定板,所述固定板底部的右侧与第一螺杆的顶部通过轴承活动连接,所述滑杆的表面滑动连接有滑套,所述滑套与第一螺纹套固定连接,所述滑套的内侧固定连接有磨削箱体,所述磨削箱体的底部开设有通孔,所述磨削箱体内腔的左侧固定连接有第二伺服电机,所述第二伺服电机的输出端固定连接有第二螺杆,所述第一伺服电机的右侧与磨削箱体的内壁通过轴承活动连接,所述第二螺杆的表面套设有第二螺纹套,所述第二螺纹套与第二螺杆螺纹连接,所述第二螺纹套的底部固定连接有磨削电机,所述磨削电机的底部贯穿通孔并延伸至磨削箱体的底部,所述磨削电机的输出端固定连接有磨轮。
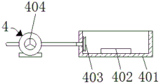
优选的,所述阻尘磨削平台包括防尘罩,所述防尘罩的底部与底座的顶部固定连接,所述防尘罩内腔的底部固定连接有电磁吸附平台,所述防尘罩内腔的左侧固定连接有吸尘口,所述吸尘口的左侧贯穿防尘罩并延伸至防尘罩的外部,所述底座顶部的左侧固定连接有强力风机,所述强力风机的进风管与吸尘口的左侧连通。
与现有技术相比,本实用新型的有益效果如下:
本实用新型通过设置了传动打磨机构,能够增加工件打磨的精度,且便于工作人员操作,不需人工调整位置,给工作人员带来便利的效果,设置了阻尘磨削平台,能够在打磨时对铁屑进行处理,避免铁屑飞溅对工作人员造成伤害的效果,解决了现有技术中,多数设备采用人工控制设备对工件进行磨削加工,由于人工调整存在差异性,导致对工件的磨削精度存在差异,磨削精度得不到控制的问题。
附图说明
图1为本实用新型结构示意图;
图2为本实用新型传动打磨机构结构示意图;
图3为本实用新型阻尘磨削平台结构示意图。
图中:1底座、2放置槽、3传动打磨机构、301第一伺服电机、302第一螺杆、303第一螺纹套、304滑杆、305固定板、306滑套、307磨削箱体、308通孔、309第二伺服电机、310第二螺杆、311第二螺纹套、312磨削电机、313磨轮、4阻尘磨削平台、401防尘罩、402电磁吸附平台、403吸尘口、404强力风机、5 PLC控制器、6支撑座。
具体实施方式
下面将结合本实用新型实施例中的附图,对本实用新型实施例中的技术方案进行清楚、完整地描述,显然,所描述的实施例仅仅是本实用新型一部分实施例,而不是全部的实施例。基于本实用新型中的实施例,本领域普通技术人员在没有做出创造性劳动前提下所获得的所有其他实施例,都属于本实用新型保护的范围。
在本申请的描述中,需要说明的是,除非另有明确的规定和限定,术语“安装”、“设置有”、“连接”等,应做广义理解,例如“连接”,可以是固定连接,也可以是可拆卸连接,或一体地连接;可以是机械连接,也可以是电连接;可以是直接相连,也可以通过中间媒介间接相连,可以是两个元件内部的连通。对于本领域的普通技术人员而言,可以具体情况理解上述术语在本申请中的具体含义。
本申请的底座1、放置槽2、传动打磨机构3、第一伺服电机301、第一螺杆302、第一螺纹套303、滑杆304、固定板305、滑套306、磨削箱体307、通孔308、第二伺服电机309、第二螺杆310、第二螺纹套311、磨削电机312、磨轮313、阻尘磨削平台4、防尘罩401、电磁吸附平台402、吸尘口403、强力风机404、PLC控制器5和支撑座6部件均为通用标准件或本领域技术人员知晓的部件,其结构和原理都为本技术人员均可通过技术手册得知或通过常规实验方法获知。
请参阅图1-3,一种机械加工高精度磨床,包括底座1、传动打磨机构3和阻尘磨削平台4,底座1的右侧开设有放置槽2,底座1表面的左侧设置有PLC控制器5,底座1底部的两侧均固定连接有支撑座6,底座1的顶部设置有传动打磨机构3,传动打磨机构3包括第一伺服电机301,第一伺服电机301的底部与放置槽2内腔的底部固定连接,第一伺服电机301的输出端固定连接有第一螺杆302,第一螺杆302的顶部贯穿放置槽2并延伸至底座1的外部,第一螺杆302的表面套设有第一螺纹套303,第一螺纹套303与第一螺杆302螺纹连接,底座1顶部的两侧均固定连接有滑杆304,滑杆304的顶部固定连接有固定板305,固定板305底部的右侧与第一螺杆302的顶部通过轴承活动连接,滑杆304的表面滑动连接有滑套306,滑套306与第一螺纹套303固定连接,滑套306的内侧固定连接有磨削箱体307,磨削箱体307的底部开设有通孔308,磨削箱体307内腔的左侧固定连接有第二伺服电机309,第二伺服电机309的输出端固定连接有第二螺杆310,第一伺服电机301的右侧与磨削箱体307的内壁通过轴承活动连接,第二螺杆310的表面套设有第二螺纹套311,第二螺纹套311与第二螺杆310螺纹连接,第二螺纹套311的底部固定连接有磨削电机312,磨削电机312的底部贯穿通孔308并延伸至磨削箱体307的底部,磨削电机312的输出端固定连接有磨轮313,底座1顶部的左侧设置有PLC控制器5,阻尘磨削平台4包括防尘罩401,防尘罩401的底部与底座1的顶部固定连接,防尘罩401内腔的底部固定连接有电磁吸附平台402,防尘罩401内腔的左侧固定连接有吸尘口403,吸尘口403的左侧贯穿防尘罩401并延伸至防尘罩401的外部,底座1顶部的左侧固定连接有强力风机404,强力风机404的进风管与吸尘口403的左侧连通,通过设置了传动打磨机构3,能够增加工件打磨的精度,且便于工作人员操作,不需人工调整位置,给工作人员带来便利的效果,设置了阻尘磨削平台4,能够在打磨时对铁屑进行处理,避免铁屑飞溅对工作人员造成伤害的效果,解决了现有技术中,多数设备采用人工控制设备对工件进行磨削加工,由于人工调整存在差异性,导致对工件的磨削精度存在差异,磨削精度得不到控制的问题。
使用时,使用者通过PLC控制器5开启设备,将工件放在电磁吸附平台402上并吸住工件,采用电磁吸附平台402便于工件装夹,PLC控制器5打开第一伺服电机301工作,带动第一螺杆302转动,通过第一螺杆302与第一螺纹套303的螺纹连接带动第一螺纹套303升降,第一螺纹套303带动滑套306升降,从而带动磨削箱体307升降,再通过PLC控制器5打开磨削电机312工作,磨削电机312带动磨轮313对工件进行打磨,通过PLC控制器5打开第二伺服电机309工作,第二伺服电机309带动第二螺杆310转动,通过第二螺纹套311与第二螺杆310的螺纹连接带动磨削电机312与磨削电机312左右移动,在磨削加工过程中防尘罩401通过圆周设置,防止磨屑飞溅,再通过PLC控制器5打开强力风机404工作,强力风机404产生风力对磨削进行吸取,利用PLC控制器5对第一伺服电机301、第二伺服电机309和磨削电机312进行控制,可自动精确的控制磨轮313的横向向移动,进而实现对工件的精确加工,提高了精确度和加工效率。
尽管已经示出和描述了本实用新型的实施例,对于本领域的普通技术人员而言,可以理解在不脱离本实用新型的原理和精神的情况下可以对这些实施例进行多种变化、修改、替换和变型,本实用新型的范围由所附权利要求及其等同物限定。
Claims (4)
1.一种机械加工高精度磨床,包括底座(1)、传动打磨机构(3)和阻尘磨削平台(4),其特征在于:所述底座(1)的顶部设置有传动打磨机构(3),所述底座(1)顶部的左侧设置有PLC控制器(5)。
2.根据权利要求1所述的一种机械加工高精度磨床,其特征在于:所述底座(1)的右侧开设有放置槽(2),所述底座(1)表面的左侧设置有PLC控制器(5),所述底座(1)底部的两侧均固定连接有支撑座(6)。
3.根据权利要求1或2所述的一种机械加工高精度磨床,其特征在于:所述传动打磨机构(3)包括第一伺服电机(301),所述第一伺服电机(301)的底部与放置槽(2)内腔的底部固定连接,所述第一伺服电机(301)的输出端固定连接有第一螺杆(302),所述第一螺杆(302)的顶部贯穿放置槽(2)并延伸至底座(1)的外部,所述第一螺杆(302)的表面套设有第一螺纹套(303),所述第一螺纹套(303)与第一螺杆(302)螺纹连接,所述底座(1)顶部的两侧均固定连接有滑杆(304),所述滑杆(304)的顶部固定连接有固定板(305),所述固定板(305)底部的右侧与第一螺杆(302)的顶部通过轴承活动连接,所述滑杆(304)的表面滑动连接有滑套(306),所述滑套(306)与第一螺纹套(303)固定连接,所述滑套(306)的内侧固定连接有磨削箱体(307),所述磨削箱体(307)的底部开设有通孔(308),所述磨削箱体(307)内腔的左侧固定连接有第二伺服电机(309),所述第二伺服电机(309)的输出端固定连接有第二螺杆(310),所述第一伺服电机(301)的右侧与磨削箱体(307)的内壁通过轴承活动连接,所述第二螺杆(310)的表面套设有第二螺纹套(311),所述第二螺纹套(311)与第二螺杆(310)螺纹连接,所述第二螺纹套(311)的底部固定连接有磨削电机(312),所述磨削电机(312)的底部贯穿通孔(308)并延伸至磨削箱体(307)的底部,所述磨削电机(312)的输出端固定连接有磨轮(313)。
4.根据权利要求1所述的一种机械加工高精度磨床,其特征在于:所述阻尘磨削平台(4)包括防尘罩(401),所述防尘罩(401)的底部与底座(1)的顶部固定连接,所述防尘罩(401)内腔的底部固定连接有电磁吸附平台(402),所述防尘罩(401)内腔的左侧固定连接有吸尘口(403),所述吸尘口(403)的左侧贯穿防尘罩(401)并延伸至防尘罩(401)的外部,所述底座(1)顶部的左侧固定连接有强力风机(404),所述强力风机(404)的进风管与吸尘口(403)的左侧连通。
Priority Applications (1)
| Application Number | Priority Date | Filing Date | Title |
|---|---|---|---|
| CN201921818647.XU CN211465872U (zh) | 2019-10-28 | 2019-10-28 | 一种机械加工高精度磨床 |
Applications Claiming Priority (1)
| Application Number | Priority Date | Filing Date | Title |
|---|---|---|---|
| CN201921818647.XU CN211465872U (zh) | 2019-10-28 | 2019-10-28 | 一种机械加工高精度磨床 |
Publications (1)
| Publication Number | Publication Date |
|---|---|
| CN211465872U true CN211465872U (zh) | 2020-09-11 |
Family
ID=72364762
Family Applications (1)
| Application Number | Title | Priority Date | Filing Date |
|---|---|---|---|
| CN201921818647.XU Active CN211465872U (zh) | 2019-10-28 | 2019-10-28 | 一种机械加工高精度磨床 |
Country Status (1)
| Country | Link |
|---|---|
| CN (1) | CN211465872U (zh) |
Cited By (1)
| Publication number | Priority date | Publication date | Assignee | Title |
|---|---|---|---|---|
| CN116984994A (zh) * | 2023-07-21 | 2023-11-03 | 湖北共享钢板加工有限公司 | 一种环保型导轨磨床 |
-
2019
- 2019-10-28 CN CN201921818647.XU patent/CN211465872U/zh active Active
Cited By (1)
| Publication number | Priority date | Publication date | Assignee | Title |
|---|---|---|---|---|
| CN116984994A (zh) * | 2023-07-21 | 2023-11-03 | 湖北共享钢板加工有限公司 | 一种环保型导轨磨床 |
Similar Documents
| Publication | Publication Date | Title |
|---|---|---|
| CN111300233B (zh) | 一种工件双端面精密磨床 | |
| CN112775739A (zh) | 一种门型立磨平面轮廓磨削中心 | |
| CN214080703U (zh) | 一种适配器全自动磨削工装 | |
| CN211465872U (zh) | 一种机械加工高精度磨床 | |
| CN216576994U (zh) | 一种便于清洁的平面磨床 | |
| CN207930410U (zh) | 数控万能工具磨 | |
| CN210968119U (zh) | 一种高精度数控圆锥轴承内圈挡边磨床 | |
| CN210024436U (zh) | 一种多功能数控磨床 | |
| CN107953228A (zh) | 一种塑料制品外圆面及端平面抛光机及工作方法 | |
| CN219582368U (zh) | 一种数控外圆磨削抛光机 | |
| CN219685018U (zh) | 一种铝型材加工用抛光机 | |
| CN118046288A (zh) | 一种机床主轴生产加工外表面磨光装置 | |
| CN114789381B (zh) | 一种双轨道水平球磨的自动双标走向型可平面磨球道磨床 | |
| CN213858549U (zh) | 一种用于数控磨床的磨头机构 | |
| CN207858250U (zh) | 一种数控磨铣机床 | |
| CN209394510U (zh) | 一种定向旋转自动打磨机 | |
| CN220561172U (zh) | 一种高精度数控滚子磨床 | |
| CN220463327U (zh) | 一种具有可移动磨具的磨床 | |
| CN222791443U (zh) | 一种磁铁加工用磨床 | |
| CN218341716U (zh) | 一种精密磨床多方位正角磨具 | |
| CN215659432U (zh) | 一种机床配件边角加工打磨装置 | |
| CN216883182U (zh) | 一种用于螺旋叶片加工的打磨设备 | |
| CN216421950U (zh) | 无心数控磨床 | |
| CN215147594U (zh) | 一种带倒角辅助定位装置的模具钢加工用磨床 | |
| CN220660238U (zh) | 一种操作方便的去毛边装置 |
Legal Events
| Date | Code | Title | Description |
|---|---|---|---|
| GR01 | Patent grant | ||
| GR01 | Patent grant | ||
| TR01 | Transfer of patent right | ||
| TR01 | Transfer of patent right |
Effective date of registration: 20201013 Address after: 112000 Liaoning Tieling high tech Industrial Development Zone -70 Patentee after: LIAONING TAIVE MACHINERY MANUFACTURING Co.,Ltd. Address before: 110000 Hunhe Station 105-1A 1, Heping District, Shenyang City, Liaoning Province Patentee before: Shenyang Xinhe Sheng Technology Co.,Ltd. |