CN211389575U - A fluting device for processing graphite groove brick that falls - Google Patents
A fluting device for processing graphite groove brick that falls Download PDFInfo
- Publication number
- CN211389575U CN211389575U CN201922315496.2U CN201922315496U CN211389575U CN 211389575 U CN211389575 U CN 211389575U CN 201922315496 U CN201922315496 U CN 201922315496U CN 211389575 U CN211389575 U CN 211389575U
- Authority
- CN
- China
- Prior art keywords
- support frame
- wall
- block
- shaped sliding
- bricks
- Prior art date
- Legal status (The legal status is an assumption and is not a legal conclusion. Google has not performed a legal analysis and makes no representation as to the accuracy of the status listed.)
- Expired - Fee Related
Links
- OKTJSMMVPCPJKN-UHFFFAOYSA-N Carbon Chemical compound [C] OKTJSMMVPCPJKN-UHFFFAOYSA-N 0.000 title claims abstract description 40
- 239000011449 brick Substances 0.000 title claims abstract description 40
- 229910002804 graphite Inorganic materials 0.000 title claims abstract description 40
- 239000010439 graphite Substances 0.000 title claims abstract description 40
- 230000001681 protective effect Effects 0.000 claims abstract description 46
- 230000007246 mechanism Effects 0.000 claims abstract description 26
- 235000017166 Bambusa arundinacea Nutrition 0.000 claims description 12
- 235000017491 Bambusa tulda Nutrition 0.000 claims description 12
- 241001330002 Bambuseae Species 0.000 claims description 12
- 235000015334 Phyllostachys viridis Nutrition 0.000 claims description 12
- 239000011425 bamboo Substances 0.000 claims description 12
- 230000002457 bidirectional effect Effects 0.000 claims description 12
- 230000000694 effects Effects 0.000 claims description 8
- 238000003466 welding Methods 0.000 claims description 4
- 238000010030 laminating Methods 0.000 claims description 2
- 238000003754 machining Methods 0.000 claims 5
- 239000003638 chemical reducing agent Substances 0.000 description 4
- 230000004075 alteration Effects 0.000 description 1
- 230000009286 beneficial effect Effects 0.000 description 1
- 230000007547 defect Effects 0.000 description 1
- 230000002950 deficient Effects 0.000 description 1
- 238000012423 maintenance Methods 0.000 description 1
- 238000012986 modification Methods 0.000 description 1
- 230000004048 modification Effects 0.000 description 1
- 238000006467 substitution reaction Methods 0.000 description 1
Images
Landscapes
- Processing Of Stones Or Stones Resemblance Materials (AREA)
Abstract
The utility model discloses a slotting device for processing graphite chute bricks, which belongs to the technical field of graphite chute bricks and comprises a base, wherein a U-shaped support frame is welded at the top of the base, an angle adjusting workbench is arranged at the middle part of the top of the support frame, clamping mechanisms with the same structure are symmetrically arranged at the left side and the right side of the top of the angle adjusting workbench, a movable block is sleeved on the outer wall of a screw thread, a guide block is welded at the front side of the movable block, a movable plate is arranged at the top of the support frame in a sliding way, the utility model has high functionality and flexibility, a placing table can be driven to rotate by a driving mechanism in a protective shell I, further the angle of the placed graphite chute bricks can be conveniently adjusted, slotting operation can be conveniently carried out on different positions on the graphite chute bricks, the screw can be driven to rotate by a driving mechanism in a protective shell II, and further, and then conveniently carry out the fluting operation to different positions on the graphite groove brick that falls, improve the practicality.
Description
Technical Field
The utility model relates to a graphite blanking brick technical field specifically is a fluting device for processing graphite blanking brick.
Background
When the graphite groove-falling brick is processed, a grooving device is adopted for grooving, but the existing grooving device has the following defects when in use: 1, the graphite brick has low functionality and poor flexibility, and is inconvenient to perform slotting operation on different positions on a graphite brick falling into a slot; 2, the graphite falling groove bricks are inconvenient to fix, and are easy to move during grooving operation, so that the grooving operation quality is influenced; 3 the grooving depth can not be controlled according to the requirements of users, and for this reason, a grooving device for processing graphite drop groove bricks is provided.
SUMMERY OF THE UTILITY MODEL
An object of the utility model is to provide a fluting device for processing graphite groove brick falls to solve the problem that proposes among the above-mentioned background art.
In order to achieve the above object, the utility model provides a following technical scheme: a slotting device for processing graphite falling-groove bricks comprises a base, wherein a U-shaped supporting frame is welded at the top of the base, an angle adjusting workbench is arranged in the middle of the top of the supporting frame, clamping mechanisms with the same structure are symmetrically arranged on the left side and the right side of the top of the angle adjusting workbench, a second protective shell is fixedly arranged on the top of the outer wall on the right side of the supporting frame, a driving mechanism is arranged in the second protective shell, the output end of the driving mechanism penetrates through the left side of the second protective shell and the right side of the supporting frame and is connected with a lead screw, the left end of the lead screw is movably connected with the top of the inner wall on the left side of the supporting frame through a bearing, a movable block is sleeved on the outer wall of the lead screw in a threaded manner, a guide block is welded on the front side of the movable block, the adjustable opening that matches with the piston rod is transversely seted up at the support frame top, three internal fixations of protective housing are provided with the fluting motor, and fluting motor output runs through three bottoms of protective housing and is connected with the slotting cutter, three front side bottoms of protective housing and guide block front side bottom all are fixed and are provided with the supporting shoe, and the fixed measuring board that is provided with in bottom supporting shoe top, the top sprag is run through at measuring board top, the measuring board is located the support frame front side, measuring board outer wall cover is equipped with the locating part.
Further, the angle adjusting workbench comprises an assembly groove arranged in the center of the top of the base, a first protective shell is fixedly arranged in the assembly groove, a driving mechanism is arranged in the first protective shell, the output end of the driving mechanism penetrates through the top of the first protective shell and is connected with a placing table, a T-shaped sliding groove is transversely formed in the placing table, a bidirectional lead screw is inserted into the top of the right side of the placing table, the left end of the bidirectional lead screw is movably connected with the inner wall of the left side of the T-shaped sliding groove through a bearing, and a T-shaped sliding block matched with the T-shaped sliding groove is sleeved on the left end and the right end.
Further, fixture is including fixing the side splint at T shape slider top, the welding of side splint top has the kicking block, the kicking block top is close to the one end screw thread grafting of placing the platform center and has the rotation screw rod, there is the clamp plate rotation screw rod bottom through bearing swing joint, the clamp plate is located the side splint inboard.
Further, the locating part includes that the movable sleeve of movable sleeve cover at the survey section of thick bamboo outer wall, the activity section of thick bamboo is located the top sprag piece top, the equal laminating in a left and right sides of a movable section of thick bamboo is provided with the piece of drawing, and is two sets of draw the relative one end of piece and all fixedly be provided with the card post, and control the relative one end of side card post and all run through a movable section of thick bamboo, the block blind hole that matches with the card post is evenly seted up to survey section of thick bamboo left and right sides outer wall, and is two sets of the equal fixed cover of card post outer wall is equipped with the stopper, and the stopper is located a movable section of thick bamboo.
Further, all be provided with around the fly leaf bottom and connect T shape slider, and the support frame top front and back side all seted up with be connected the T shape spout that T shape slider matches, and the T shape spout is located the expansion gap outside.
Furthermore, a scale strip is arranged on the front side of the measuring plate.
Compared with the prior art, the beneficial effects of the utility model are that:
1) the utility model has high functionality and flexibility, the driving mechanism in the first protective shell can drive the placing table to rotate, so that the angle of the placed graphite chute bricks can be conveniently adjusted, the grooving operation can be conveniently carried out on different positions on the graphite chute bricks, the driving mechanism in the second protective shell can drive the lead screw to rotate, and the movable block can be driven to move leftwards or rightwards, so that the grooving operation can be conveniently carried out on different positions on the graphite chute bricks, and the practicability is improved;
2) the utility model is provided with the clamping mechanisms, the two groups of clamping mechanisms can be adjusted according to the length of the graphite falling groove brick to be grooved by manually rotating the two-way screw rod to clamp and fix, the side clamping plate is contacted with the side wall of the graphite falling groove brick to be grooved to position and clamp, and the screw rod is manually rotated to drive the pressing plate to contact with the top of the graphite falling groove brick to be grooved downwards to position and clamp again, so that the stability of the grooving operation of the graphite falling groove brick is ensured, the defective rate is reduced, and the grooving operation quality is improved;
3) the utility model discloses be provided with the supporting shoe, measure board and locating part, when the fluting, make the slotting tool contact graphite groove brick that falls through pneumatic cylinder drive piston rod, observe the top and insert the numerical value on the corresponding measure board, again according to the depth of slotting that the user needs adjusts the locating part, and then when making the slotting tool slot downwards to the depth of slotting that the user needs at follow-up rethread pneumatic cylinder drive piston rod, can receive blockking of locating part, make it unable downwards, and then can not exceed the depth of slotting that the user adjusted, the user can close the pneumatic cylinder thereupon, and then obtain the depth of slotting that the user needs.
Drawings
FIG. 1 is a schematic structural view of the present invention;
fig. 2 is a sectional view of the locating part structure of the present invention.
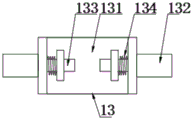
In the figure: 1. a base; 2. a support frame; 3. an angle adjustment table; 31. a first protective shell; 32. a placing table; 33. a bidirectional lead screw; 34. a T-shaped slider; 4. a clamping mechanism; 41. a side clamping plate; 42. a top block; 43. rotating the screw; 44. pressing a plate; 5. a second protective shell; 6. a lead screw; 7. a movable block; 8. a movable plate; 9. a hydraulic cylinder; 10. a third protective shell; 11. a slotting cutter; 12. a measuring board; 13. a limiting member; 131. a movable barrel; 132. pulling the block; 133. clamping the column; 134. a spring.
Detailed Description
The technical solutions in the embodiments of the present invention will be described clearly and completely with reference to the accompanying drawings in the embodiments of the present invention, and it is obvious that the described embodiments are only some embodiments of the present invention, not all embodiments. Based on the embodiments in the present invention, all other embodiments obtained by a person skilled in the art without creative work belong to the protection scope of the present invention.
Referring to fig. 1-2, the present invention provides a technical solution: a slotting device for processing graphite groove bricks, please refer to fig. 1, comprising a base 1, a U-shaped supporting frame 2 is welded on the top of the base 1, the supporting frame 2 is used for supporting and installing the structure, the electric elements in the utility model are all electrically connected with an external main controller and an external power supply, and the main controller can be a conventional known device for a computer and the like to play a role of control;
referring to fig. 1, an angle adjusting workbench 3 is arranged in the middle of the top of a support frame 2, the angle adjusting workbench 3 conveniently drives a placing table 32 to rotate, so that the placed graphite dropping groove brick can be conveniently subjected to angle adjustment, grooving operations can be conveniently performed on different positions on the graphite dropping groove brick, the practicability is improved, and meanwhile, the distance between two groups of clamping mechanisms 4 can be adjusted to be clamped and fixed according to the length of the graphite dropping groove brick to be grooved by manually rotating a bidirectional screw 33;
referring to fig. 1, the clamping mechanisms 4 with the same structure are symmetrically arranged on the left side and the right side of the top of the angle adjusting workbench 3, and the clamping mechanisms 4 are used for fixing the graphite falling groove brick to be grooved on the placing table 32, so that the graphite falling groove brick is prevented from deviating during grooving, the grooving operation quality is prevented from being influenced, and the stability is ensured;
referring to fig. 1, a second protective housing 5 is fixedly disposed on the top of the outer wall of the right side of the supporting frame 2, the second protective housing 5 is fixed on the top of the outer wall of the right side of the supporting frame 2 by screws or bolts for protecting the internal structure, one side of the protective housing of the present invention is provided with a housing cover for facilitating the internal maintenance, which is not described in detail herein, a driving mechanism is disposed in the second protective housing 5, the driving mechanism is widely applied in the field, specifically, a servo motor fixed in the second protective housing 5 by screws is included herein, the output end of the servo motor is provided with a speed reducer, the output end of the speed reducer penetrates through the second protective housing 5 and is connected with a lead screw 6, the output end of the driving mechanism penetrates through the left side of the second protective housing 5 and the right side of the supporting frame 2 and is connected with the lead screw, the movable block 7 is provided with a screw hole matched with the screw rod 6, and the screw rod 6 rotates to drive the movable block 7 to move left and right, so that grooving operation can be conveniently carried out on different positions on the graphite groove brick;
referring to fig. 1, a guide block is welded on the front side of a movable block 7, a movable plate 8 is slidably disposed on the top of a support frame 2, a hydraulic cylinder 9 is fixedly disposed on the top of the movable plate 8, and the hydraulic cylinder 9 is fixed on the top of the movable plate 8 by screws or bolts and moves along with the movable plate 8;
referring to fig. 1, a piston rod is arranged at an output end of a hydraulic cylinder 9, the bottom of the piston rod penetrates through a movable plate 8 and a guide block and is connected with a third protective shell 10, a movable opening (not shown in the figure) matched with the piston rod is transversely formed in the top of a support frame 2, a movable through hole matched with the piston rod is formed in the guide block, the guide block moves along with a movable block 7, the hydraulic cylinder 9 and the movable plate 8 further move, and the third protective shell 10 is used for protecting an internal structure;
referring to fig. 1, a slotting motor is fixedly arranged in a third protective shell 10, the slotting motor is fixed in the third protective shell 10 in a screw or bolt mode, an output end of the slotting motor penetrates through the bottom of the third protective shell 10 and is connected with a slotting cutter 11, and the slotting motor drives the slotting cutter 11 to rotate so as to perform slotting operation on the graphite chute bricks;
referring to fig. 1, supporting blocks are fixedly arranged at the bottom of the front side of a third protective shell 10 and at the bottom of the front side of a guide block and used for supporting a measuring plate 12 and guiding the measuring plate 12, the measuring plate 12 is fixedly arranged at the top of the bottom supporting block, a user can observe and control the grooving depth conveniently through the measuring plate 12, the top of the measuring plate 12 penetrates through the top supporting block, and the measuring plate 12 is located at the front side of a supporting frame 2 and does not affect left-right movement adjustment;
referring to fig. 1, a limiting member 13 is sleeved on the outer wall of the measuring plate 12, when a groove is formed, the hydraulic cylinder 9 drives the piston rod to enable the slotting cutter 11 to contact the graphite falling groove brick, the numerical value on the measuring plate 12 corresponding to the top insert is observed, if the numerical value is five, when a user needs to form a groove with a depth of four, the limiting member 13 is adjusted to a numerical value of nine, and then the hydraulic cylinder 9 drives the piston rod to enable the slotting cutter 11 to form a groove downwards to reach the depth of the groove needed by the user, the piston rod is blocked by the limiting member 13, so that the slotting cutter cannot move downwards, and the user can close the hydraulic cylinder 9, and then the depth.
As shown in fig. 1: the angle adjusting workbench 3 comprises an assembly groove arranged in the center of the top of the base 1, a first protective shell 31 is fixedly arranged in the assembly groove, the first protective shell 31 is used for protecting an internal structure, the first protective shell 31 is fixed in the assembly groove in a screw or bolt mode, a driving mechanism is arranged in the first protective shell 31, the driving mechanism is widely applied in the field, the angle adjusting workbench specifically comprises a driving motor which is fixed in the first protective shell 31 through screws, the output end of the driving motor is provided with a speed reducer, the output end of the speed reducer penetrates through the top of the first protective shell 31 and is connected with the bottom of the placing table 32, the output end of the driving mechanism penetrates through the top of the first protective shell 31 and is connected with the placing table 32, the placing table 32 is used for supporting a graphite placing groove brick to be grooved, a T-shaped sliding groove is transversely arranged on the placing table 32, the bidirectional screw 33 is inserted at the top of the right side of the placing table 32, a driving disc for manual rotation of a user is welded at the right end of the bidirectional screw 33, the left end of the bidirectional screw 33 is movably connected with the inner wall of the left side of the T-shaped sliding groove through a bearing, T-shaped sliding blocks 34 matched with the T-shaped sliding groove are sleeved at the left end and the right end of the outer wall of the bidirectional screw 33 in a threaded manner, screw holes matched with the bidirectional screw 33 are formed in the T-shaped sliding blocks 34, and the bidirectional screw 33 is conveniently rotated to drive the two groups of T-shaped sliding blocks 34 to be close to or far away from each other;
as shown in fig. 1: the clamping mechanism 4 comprises a side clamping plate 41 fixed at the top of the T-shaped sliding block 34, the side clamping plate 41 can be fixed at the top of the T-shaped sliding block 34 in a screw or bolt mode, a top block 42 is welded at the top of the side clamping plate 41, the top block 42 is used for supporting a rotating screw 43, a rotating screw 43 is inserted into one end of the top block 42 close to the center of the placing table 32, a driving disc for manual rotation of a user is welded at the top end of the rotating screw 43, a threaded hole matched with the rotating screw 43 is formed in the top block 42, a pressing plate 44 is movably connected to the bottom of the rotating screw 43 through a bearing, the pressing plate 44 is located on the inner side of the side clamping plate 41, and in order to further ensure the up-and-down stability of the pressing plate 44, as can be seen from the;
as shown in fig. 2: the limiting part 13 comprises a movable cylinder 131 movably sleeved on the outer wall of the measuring plate 12, the movable cylinder 131 can move up and down on the outer wall of the measuring plate 12, the movable cylinder 131 is positioned above the top supporting block, the left side and the right side of the movable cylinder 131 are respectively provided with a pulling block 132 in a fit manner, the pulling blocks 132 are convenient for a user to manually pull and move, one ends of the two groups of pulling blocks 132 are respectively fixedly provided with a clamping column 133, the clamping columns 133 are used for being matched with the clamping blind holes to fix the movable cylinder 131, so that the movable cylinder 131 can not slide on the outer wall of the measuring plate 12, the opposite ends of the left clamping column 133 and the right clamping column 133 penetrate through the movable cylinder 131, the movable cylinder 131 is provided with a movable through hole matched with the clamping column 133, the outer walls of the left side and the right side of the measuring plate 12 are respectively provided with a clamping blind hole matched with the clamping column 133, the outer walls of the two groups, the spring 134 is positioned between the limiting block and the inner wall of the movable barrel 131, one end of the spring 134 is fixed with the limiting block, the other end of the spring 134 is fixed with the inner wall of the movable barrel 131, the clamping column 133 is tightly positioned in the clamping blind hole when the spring is not used, and the clamping column 133 pulled outwards is reset when the spring is used;
the periphery of the bottom of the movable plate 8 is provided with a connecting T-shaped sliding block (not shown in the figure), the front side and the rear side of the top of the support frame 2 are provided with T-shaped sliding grooves (not shown in the figure) matched with the connecting T-shaped sliding block, the T-shaped sliding grooves are positioned outside the movable opening, and the T-shaped sliding blocks and the T-shaped sliding grooves are matched to ensure the stability of the hydraulic cylinder 9 moving along with the movable plate 8 on one hand, and simultaneously play roles in guiding and limiting, and prevent the movable plate 8;
as shown in fig. 1: the front side of the measuring plate 12 is provided with a scale bar, the function of the scale bar is convenient for a user to observe and control the depth of the slot, the scale bar is widely applied in the field, and the scale bar can be flexibly selected by the technical personnel in the field, and is not further detailed herein.
Although embodiments of the present invention have been shown and described, it will be appreciated by those skilled in the art that changes, modifications, substitutions and alterations can be made in these embodiments without departing from the principles and spirit of the invention, the scope of which is defined in the appended claims and their equivalents.
Claims (6)
1. The utility model provides a fluting device for processing graphite groove brick that falls, includes base (1), its characterized in that: the welding of base (1) top has the support frame (2) that is the U-shaped, support frame (2) top middle part is provided with angle modulation workstation (3), angle modulation workstation (3) top left and right sides symmetry is provided with fixture (4) that the structure is the same, support frame (2) right side outer wall top is fixed and is provided with protective housing two (5), be provided with actuating mechanism in protective housing two (5), and actuating structure output runs through protective housing two (5) left side and support frame (2) right side and is connected with lead screw (6), and the left end of lead screw (6) passes through bearing and support frame (2) left side inner wall top swing joint, lead screw (6) outer wall thread bush is equipped with movable block (7), movable block (7) front side welding has the guide block, support frame (2) top slip is provided with fly leaf (8), the fixed pneumatic cylinder (9) that is provided with in fly leaf (8) top, pneumatic cylinder (9) output is provided with the piston rod, and the piston rod bottom runs through fly leaf (8) and guide block and is connected with three (10) of protective housing, the expansion gap that matches with the piston rod is transversely seted up at support frame (2) top, three (10) internal fixation of protective housing is provided with the fluting motor, and fluting motor output runs through three (10) bottoms of protective housing and is connected with slotting cutter (11), three (10) front side bottoms of protective housing and guide block front side bottom all are fixed and are provided with the supporting shoe, and the fixed measuring plate (12) that is provided with in bottom supporting shoe top, top supporting shoe is run through at measuring plate (12) top, measuring plate (12) are located support frame (2) front side, measuring plate (12) outer wall cover.
2. The grooving apparatus for machining graphite drop groove bricks as claimed in claim 1, wherein: the angle adjusting workbench (3) comprises an assembly groove arranged in the center of the top of the base (1), a first protective shell (31) is fixedly arranged in the assembly groove, a driving mechanism is arranged in the first protective shell (31), the output end of the driving mechanism penetrates through the top of the first protective shell (31) and is connected with a placing table (32), a T-shaped sliding groove is transversely formed in the placing table (32), a bidirectional lead screw (33) is inserted into the top of the right side of the placing table (32), the left end of the bidirectional lead screw (33) is movably connected with the inner wall of the left side of the T-shaped sliding groove through a bearing, and a T-shaped sliding block (34) matched with the T-shaped sliding groove is sleeved at the left end and the right end of the.
3. The grooving apparatus for machining graphite drop groove bricks as claimed in claim 2, wherein: fixture (4) are including fixing side splint (41) at T shape slider (34) top, side splint (41) top welding has kicking block (42), the one end screw thread grafting that kicking block (42) top is close to placing platform (32) center has rotation screw rod (43), there is clamp plate (44) rotation screw rod (43) bottom through bearing swing joint, clamp plate (44) are located side splint (41) inboard.
4. The grooving apparatus for machining graphite drop groove bricks as claimed in claim 1, wherein: the locating part (13) is including the activity section of thick bamboo (131) that the activity cover was established at survey board (12) outer wall, activity section of thick bamboo (131) is located the top sprag top, all the laminating is provided with pull block (132) about activity section of thick bamboo (131), and is two sets of pull block (132) relative one end all fixed be provided with card post (133), and control the relative one end of side card post (133) and all run through activity section of thick bamboo (131), the block blind hole that matches with card post (133) is evenly seted up to side outer wall about survey board (12), and is two sets of card post (133) outer wall all fixed the cover is equipped with the stopper, and the stopper is located activity section of thick bamboo (131), and is two sets of card post (133) outer wall all is equipped with spring (134), and spring (134) are located between stopper and activity section of thick bamboo (.
5. The grooving apparatus for machining graphite drop groove bricks as claimed in claim 1, wherein: the bottom of the movable plate (8) is provided with connecting T-shaped sliding blocks all around, T-shaped sliding grooves matched with the connecting T-shaped sliding blocks are formed in the front side and the rear side of the top of the support frame (2), and the T-shaped sliding grooves are located on the outer sides of the movable openings.
6. The grooving apparatus for machining graphite drop groove bricks as claimed in claim 1, wherein: the front side of the measuring plate (12) is provided with a scale strip.
Priority Applications (1)
| Application Number | Priority Date | Filing Date | Title |
|---|---|---|---|
| CN201922315496.2U CN211389575U (en) | 2019-12-21 | 2019-12-21 | A fluting device for processing graphite groove brick that falls |
Applications Claiming Priority (1)
| Application Number | Priority Date | Filing Date | Title |
|---|---|---|---|
| CN201922315496.2U CN211389575U (en) | 2019-12-21 | 2019-12-21 | A fluting device for processing graphite groove brick that falls |
Publications (1)
| Publication Number | Publication Date |
|---|---|
| CN211389575U true CN211389575U (en) | 2020-09-01 |
Family
ID=72225695
Family Applications (1)
| Application Number | Title | Priority Date | Filing Date |
|---|---|---|---|
| CN201922315496.2U Expired - Fee Related CN211389575U (en) | 2019-12-21 | 2019-12-21 | A fluting device for processing graphite groove brick that falls |
Country Status (1)
| Country | Link |
|---|---|
| CN (1) | CN211389575U (en) |
Cited By (2)
| Publication number | Priority date | Publication date | Assignee | Title |
|---|---|---|---|---|
| CN112674142A (en) * | 2020-12-13 | 2021-04-20 | 邵阳豪锋食品有限公司 | Slicing device for processing firewood preserved meat |
| CN117703898A (en) * | 2024-02-06 | 2024-03-15 | 深圳市佰石特石业有限公司 | Marble slab bonding device |
-
2019
- 2019-12-21 CN CN201922315496.2U patent/CN211389575U/en not_active Expired - Fee Related
Cited By (3)
| Publication number | Priority date | Publication date | Assignee | Title |
|---|---|---|---|---|
| CN112674142A (en) * | 2020-12-13 | 2021-04-20 | 邵阳豪锋食品有限公司 | Slicing device for processing firewood preserved meat |
| CN117703898A (en) * | 2024-02-06 | 2024-03-15 | 深圳市佰石特石业有限公司 | Marble slab bonding device |
| CN117703898B (en) * | 2024-02-06 | 2024-05-14 | 深圳市佰石特石业有限公司 | Marble slab bonding device |
Similar Documents
| Publication | Publication Date | Title |
|---|---|---|
| CN211389575U (en) | A fluting device for processing graphite groove brick that falls | |
| CN212071173U (en) | Screw rod thread groove depth of flight adjustment mechanism | |
| CN220903015U (en) | Positioning jig for multidirectional processing of handle | |
| CN211249947U (en) | Clamp for hydraulic pipe machining | |
| CN211361460U (en) | Positioning fixture for processing pin shaft | |
| CN216730764U (en) | Clamp for machining and drilling | |
| CN211539799U (en) | High-precision tapping machine | |
| CN111001859B (en) | Controllable sliding structure of planer type milling machine | |
| CN210060238U (en) | Automatic welding machine for electrical engineering | |
| CN218362331U (en) | Gantry milling table with two groups of clamping mechanisms and adjusting mechanism | |
| CN111482811A (en) | Lock box machine with differential device | |
| CN116352635A (en) | A workpiece assembly machine with a visual on-line detection device | |
| CN210819189U (en) | Improved structure of precision flat tongs | |
| CN210099744U (en) | Adjustable clamp for polishing hardware | |
| CN221314531U (en) | Routing machine positioner is used in furniture production | |
| CN220944216U (en) | Cabinet body custom-made plate drilling and milling device | |
| CN222327100U (en) | Welding equipment for manufacturing mechanical foundation piece | |
| CN210588222U (en) | Workpiece guiding and positioning device of numerical control drilling machine | |
| CN218025847U (en) | Cutter for door and window glass | |
| CN207747166U (en) | A kind of milling of cutting of the mounting of calligraphy and painting the thick end of the scroll earth's axis bores three and uses integrally forming machine | |
| CN222078080U (en) | Cutting height adjusting device for cutting robot | |
| CN222986982U (en) | Robot self-positioning mechanism with adjustable | |
| CN222174503U (en) | Auxiliary mechanism of plastic spraying equipment | |
| CN221912385U (en) | A woodworking end milling machine that is easy to reduce burrs | |
| CN221495170U (en) | Milling machine fixture convenient for angle adjustment |
Legal Events
| Date | Code | Title | Description |
|---|---|---|---|
| GR01 | Patent grant | ||
| GR01 | Patent grant | ||
| CF01 | Termination of patent right due to non-payment of annual fee |
Granted publication date: 20200901 Termination date: 20211221 |
|
| CF01 | Termination of patent right due to non-payment of annual fee |