CN211360262U - A high-speed punch for air-conditioning production that is convenient for fixing workpieces - Google Patents
A high-speed punch for air-conditioning production that is convenient for fixing workpieces Download PDFInfo
- Publication number
- CN211360262U CN211360262U CN202020026157.2U CN202020026157U CN211360262U CN 211360262 U CN211360262 U CN 211360262U CN 202020026157 U CN202020026157 U CN 202020026157U CN 211360262 U CN211360262 U CN 211360262U
- Authority
- CN
- China
- Prior art keywords
- double
- screw rod
- fixed
- convenient
- fixing
- Prior art date
- Legal status (The legal status is an assumption and is not a legal conclusion. Google has not performed a legal analysis and makes no representation as to the accuracy of the status listed.)
- Expired - Fee Related
Links
Images
Landscapes
- Perforating, Stamping-Out Or Severing By Means Other Than Cutting (AREA)
Abstract
本实用新型涉及空调生产设备技术领域,公开了一种便于固定工件的空调生产用高速冲床,解决了高速冲床在固定工件时非常繁琐,导致使用者在使用时,浪费了大量的时间的问题,包括底座,底座上端固定有支撑壳体,支撑壳体的顶端固定有操作平台,操作平台的上端通过支撑柱固定有顶板,顶板的底端设置有冲头,支撑壳体的两端内壁之间滑动安装有双头丝杆,双头丝杆的第一延伸至支撑壳体的外侧,且双头丝杆上的两端分别设置有顺时针螺纹与逆时针螺纹,顺时针螺纹、逆时针螺纹上均螺纹连接有移动块,通过液压伸缩缸带动双头丝杆下降,同时使压板下降,由压板对工件的两侧进行固定,操作简单,减少了固定时间,提高了其加工效率。
The utility model relates to the technical field of air-conditioning production equipment, and discloses a high-speed punching machine for air-conditioning production that is convenient for fixing workpieces, which solves the problem that the high-speed punching machine is very cumbersome when fixing workpieces, causing users to waste a lot of time when using them. It includes a base, the upper end of the base is fixed with a support shell, the top end of the support shell is fixed with an operation platform, the upper end of the operation platform is fixed with a top plate through a support column, the bottom end of the top plate is provided with a punch, and between the inner walls of both ends of the support shell A double-ended screw rod is slidably installed, the first of the double-ended screw rod extends to the outside of the support housing, and the two ends of the double-ended screw rod are respectively provided with clockwise threads and counterclockwise threads, clockwise threads and counterclockwise threads. A moving block is threadedly connected to the upper part, and the double-ended screw rod is driven down by a hydraulic telescopic cylinder, and at the same time, the pressing plate is lowered, and the two sides of the workpiece are fixed by the pressing plate. The operation is simple, the fixing time is reduced, and the processing efficiency is improved.
Description
技术领域technical field
本实用新型涉及空调生产设备技术领域,尤其涉及一种便于固定工件的空调生产用高速冲床。The utility model relates to the technical field of air-conditioning production equipment, in particular to a high-speed punch for air-conditioning production which is convenient for fixing workpieces.
背景技术Background technique
空调即空气调节器,是指用人工手段,对环境空气的温度、湿度、洁净度、速度等参数进行调节和控制的过程,一般包括冷源和热源设备,冷热介质输配系统,末端装置等几大部分和其他辅助设备,主要包括水泵、风机和管路系统,末端装置则负责利用输配来的冷热量,具体处理空气、温度,使目标环境的空气参数达到要求,在生产空调时需要用到高速冲床,但是现有的高速冲床在固定工件时非常繁琐,导致使用者在使用时,浪费了大量的时间,因此,我们提出了一种便于固定工件的空调生产用高速冲床来解决上述问题。Air conditioner is an air conditioner, which refers to the process of adjusting and controlling the temperature, humidity, cleanliness, speed and other parameters of ambient air by artificial means, generally including cold source and heat source equipment, cold and hot medium transmission and distribution system, terminal device Several other parts and other auxiliary equipment, mainly including water pump, fan and pipeline system, the terminal device is responsible for using the cold and heat from transmission and distribution, specifically processing the air and temperature, so that the air parameters of the target environment meet the requirements, and in the production of air conditioners However, the existing high-speed punch is very cumbersome to fix the workpiece, which causes the user to waste a lot of time when using it. Therefore, we propose a high-speed punch for air-conditioning production that is easy to fix the workpiece. Solve the above problem.
实用新型内容Utility model content
本实用新型的目的是为了解决现有技术中存在的高速冲床在固定工件时非常繁琐,导致使用者在使用时,浪费了大量的时间的缺点,而提出的一种便于固定工件的空调生产用高速冲床。The purpose of the utility model is to solve the problem that the high-speed punching machine in the prior art is very cumbersome when fixing workpieces, causing users to waste a lot of time when using them. High-speed punch.
为了实现上述目的,本实用新型采用了如下技术方案:In order to achieve the above-mentioned purpose, the utility model adopts the following technical solutions:
一种便于固定工件的空调生产用高速冲床,包括底座,所述底座上端固定有支撑壳体,所述支撑壳体的顶端固定有操作平台,操作平台上设置有冲模,操作平台的上端通过支撑柱固定有顶板,所述顶板的底端设置有冲头,所述支撑壳体的两端内壁之间滑动安装有双头丝杆,所述双头丝杆的第一延伸至所述支撑壳体的外侧,且双头丝杆上的两端分别设置有顺时针螺纹与逆时针螺纹,所述顺时针螺纹、逆时针螺纹上均螺纹连接有移动块,两侧所述移动块的上端均固定有支撑杆,两侧所述支撑杆均贯穿所述操作平台,且支撑杆的顶端相互靠近的一侧固定有压板,所述支撑杆与所述操作平台滑动配合,所述支撑壳体内部底端中部安装有液压伸缩缸,所述液压伸缩缸的伸缩端与所述双头丝杆的中部转动连接。A high-speed punch for air-conditioning production that is convenient for fixing workpieces, comprising a base, a support shell is fixed on the upper end of the base, an operation platform is fixed on the top end of the support shell, a punching die is arranged on the operation platform, and the upper end of the operation platform is supported by The column is fixed with a top plate, the bottom end of the top plate is provided with a punch, a double-ended screw rod is slidably installed between the inner walls of both ends of the support shell, and the first of the double-ended screw rod extends to the support shell The outer side of the body, and the two ends of the double-ended screw rod are respectively provided with a clockwise thread and a counterclockwise thread, the clockwise thread and the counterclockwise thread are both threadedly connected with a moving block, and the upper ends of the moving blocks on both sides are A support rod is fixed, the support rods on both sides pass through the operation platform, and a pressure plate is fixed on the side where the top ends of the support rods are close to each other, the support rod is slidingly matched with the operation platform, and the support shell is inside A hydraulic telescopic cylinder is installed in the middle of the bottom end, and the telescopic end of the hydraulic telescopic cylinder is rotatably connected with the middle of the double-ended screw rod.
优选的,所述双头丝杆的两端分布设置有第一滑块与第二滑块,所述支撑壳体的一侧开设有通槽,所述第一滑块插设在所述通槽内,且支撑壳体的另一侧开设有滑槽,所述第二滑块插设在所述滑槽中。Preferably, a first sliding block and a second sliding block are distributed at both ends of the double-ended screw rod, a through groove is formed on one side of the support shell, and the first sliding block is inserted into the through hole. In the groove, and the other side of the support casing is provided with a chute, and the second sliding block is inserted into the chute.
优选的,所述双头丝杆与所述第一滑块、第二滑块均通过轴承转动连接。Preferably, the double-ended screw rod is rotatably connected to the first sliding block and the second sliding block through a bearing.
优选的,所述液压伸缩缸的伸缩端横向固定有连接管,所述双头丝杆插设在所述连接管中,且双头丝杆与连接管通过轴承转动连接。Preferably, a connecting pipe is laterally fixed on the telescopic end of the hydraulic telescopic cylinder, the double-ended screw rod is inserted in the connecting pipe, and the double-ended screw rod and the connecting pipe are rotatably connected through a bearing.
优选的,所述双头丝杆的外端安装有旋转把手。Preferably, a rotating handle is installed on the outer end of the double-ended screw rod.
优选的,所述操作平台的两侧均开设有开槽,所述支撑杆插设在所述开槽中,支撑杆与开槽滑动配合。Preferably, both sides of the operating platform are provided with slots, the support rods are inserted in the slots, and the support rods are slidably matched with the slots.
本实用新型的有益效果是:The beneficial effects of the present utility model are:
本装置转动旋转把手,调节两侧压板之间的距离,以适应工件的宽度,且通过液压伸缩缸带动双头丝杆下降,同时使压板下降,由压板对工件的两侧进行固定,操作简单,减少了固定时间,提高了其加工效率。The device rotates the rotary handle to adjust the distance between the two sides of the pressure plate to adapt to the width of the workpiece, and drives the double-ended screw rod to descend through the hydraulic telescopic cylinder, at the same time, the pressure plate is lowered, and the two sides of the workpiece are fixed by the pressure plate, and the operation is simple. , reducing the fixed time and improving its processing efficiency.
附图说明Description of drawings
图1为本实用新型提出的一种便于固定工件的空调生产用高速冲床的结构示意图;1 is a schematic structural diagram of a high-speed punch for air-conditioning production that is convenient for fixing workpieces proposed by the utility model;
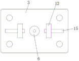
图2为本实用新型提出的一种便于固定工件的空调生产用高速冲床中操作平台表面的结构示意图;2 is a schematic structural diagram of the surface of an operating platform in a high-speed punch for air-conditioning production that is convenient for fixing workpieces proposed by the utility model;
图3为本实用新型提出的一种便于固定工件的空调生产用高速冲床中连接管与双头丝杆连接的结构示意图。3 is a schematic structural diagram of the connection between the connecting pipe and the double-ended screw rod in a high-speed punch for air-conditioning production that is convenient for fixing workpieces proposed by the utility model.
图中:1底座、2支撑壳体、3操作平台、4顶板、5冲头、6冲模、7双头丝杆、8顺时针螺纹、9逆时针螺纹、10移动块、11支撑杆、12压板、13液压伸缩缸、14连接管、15开槽、16通槽、17第一滑块、18旋转把手、19第二滑块、20滑槽。In the picture: 1 base, 2 support shell, 3 operation platform, 4 top plate, 5 punch, 6 punch, 7 double-ended screw, 8 clockwise thread, 9 counterclockwise thread, 10 moving block, 11 support rod, 12 Pressure plate, 13 hydraulic telescopic cylinder, 14 connecting pipe, 15 slot, 16 through slot, 17 first slider, 18 rotary handle, 19 second slider, 20 chute.
具体实施方式Detailed ways
下面将结合本实用新型实施例中的附图,对本实用新型实施例中的技术方案进行清楚、完整地描述,显然,所描述的实施例仅仅是本实用新型一部分实施例,而不是全部的实施例。The technical solutions in the embodiments of the present utility model will be clearly and completely described below with reference to the accompanying drawings in the embodiments of the present utility model. Obviously, the described embodiments are only a part of the embodiments of the present utility model, rather than all the implementations. example.
参照图1-3,一种便于固定工件的空调生产用高速冲床,包括底座1,底座1上端通过螺栓固定有支撑壳体2,支撑壳体2的顶端固定有操作平台3,操作平台3上设置有冲模6,操作平台3的上端通过支撑柱固定有顶板4,顶板4的底端设置有冲头5,支撑壳体2的两端内壁之间滑动安装有双头丝杆7,双头丝杆7的两端分布设置有第一滑块17与第二滑块19,支撑壳体2的一侧开设有通槽16,第一滑块17插设在通槽16内,且支撑壳体2的另一侧开设有滑槽20,第二滑块19插设在滑槽20中,双头丝杆7与第一滑块17、第二滑块19均通过轴承转动连接,双头丝杆7的第一延伸至支撑壳体2的外侧,双头丝杆7的外端安装有旋转把手18,双头丝杆7上的两端分别设置有顺时针螺纹8与逆时针螺纹9,顺时针螺纹8、逆时针螺纹9上均螺纹连接有移动块10,两侧移动块10上分别开设有与其相适配的螺纹孔,两侧移动块10的上端均螺钉固定有支撑杆11,两侧支撑杆11均贯穿操作平台3,且支撑杆11的顶端相互靠近的一侧固定有压板12,支撑杆11与操作平台3滑动配合,操作平台3的两侧均开设有开槽15,支撑杆11插设在开槽15中,支撑杆11与开槽15滑动配合,支撑壳体2内部底端中部安装有液压伸缩缸13,液压伸缩缸13的伸缩端与双头丝杆7的中部转动连接,液压伸缩缸13的伸缩端横向固定有连接管14,双头丝杆7插设在连接管14中,且双头丝杆7与连接管14通过轴承转动连接。1-3, a high-speed punch for air-conditioning production that is convenient for fixing workpieces, includes a
本实施例中,转动旋转把手18带动双头丝杆7转动,使两块移动块10在双头丝杆7上相互靠近或相互远离同时使两根支撑杆11之间的距离相互靠近或相互远离,调节两侧压板12之间的距离,以适应工件的宽度,把工件放置在两根支撑杆11之间,且打开液压伸缩缸13,通过液压伸缩缸13带动双头丝杆7在支撑壳体2中下降,同时使压板12下降,由压板12对工件的两侧进行固定,使其固定在操作平台3上,从而可打开冲头对其进行冲孔,操作简单,减少了固定时间,提高了其加工效率。In this embodiment, rotating the
以上所述,仅为本实用新型较佳的具体实施方式,但本实用新型的保护范围并不局限于此,任何熟悉本技术领域的技术人员在本实用新型揭露的技术范围内,根据本实用新型的技术方案及其实用新型构思加以等同替换或改变,都应涵盖在本实用新型的保护范围之内。The above description is only a preferred embodiment of the present invention, but the protection scope of the present invention is not limited to this. Equivalent replacement or modification of the new technical solution and its utility model concept shall be included within the protection scope of the present utility model.
Claims (6)
Priority Applications (1)
| Application Number | Priority Date | Filing Date | Title |
|---|---|---|---|
| CN202020026157.2U CN211360262U (en) | 2020-01-07 | 2020-01-07 | A high-speed punch for air-conditioning production that is convenient for fixing workpieces |
Applications Claiming Priority (1)
| Application Number | Priority Date | Filing Date | Title |
|---|---|---|---|
| CN202020026157.2U CN211360262U (en) | 2020-01-07 | 2020-01-07 | A high-speed punch for air-conditioning production that is convenient for fixing workpieces |
Publications (1)
| Publication Number | Publication Date |
|---|---|
| CN211360262U true CN211360262U (en) | 2020-08-28 |
Family
ID=72165711
Family Applications (1)
| Application Number | Title | Priority Date | Filing Date |
|---|---|---|---|
| CN202020026157.2U Expired - Fee Related CN211360262U (en) | 2020-01-07 | 2020-01-07 | A high-speed punch for air-conditioning production that is convenient for fixing workpieces |
Country Status (1)
| Country | Link |
|---|---|
| CN (1) | CN211360262U (en) |
Cited By (1)
| Publication number | Priority date | Publication date | Assignee | Title |
|---|---|---|---|---|
| CN112091908A (en) * | 2020-09-21 | 2020-12-18 | 湖南省俊华箱包制造有限公司 | Processing seat for producing luggage |
-
2020
- 2020-01-07 CN CN202020026157.2U patent/CN211360262U/en not_active Expired - Fee Related
Cited By (1)
| Publication number | Priority date | Publication date | Assignee | Title |
|---|---|---|---|---|
| CN112091908A (en) * | 2020-09-21 | 2020-12-18 | 湖南省俊华箱包制造有限公司 | Processing seat for producing luggage |
Similar Documents
| Publication | Publication Date | Title |
|---|---|---|
| CN211071914U (en) | Multi-station hardware machining drilling machine | |
| CN211360262U (en) | A high-speed punch for air-conditioning production that is convenient for fixing workpieces | |
| CN211028184U (en) | Punching positioning mechanism for metal door and window processing | |
| CN118720271A (en) | A sawing machine for mold steel with multi-angle cutting adjustment mechanism | |
| CN208343181U (en) | Perforating device is used in a kind of installation of decorative panel for building | |
| CN216913124U (en) | A heat-dissipating scissor mechanism for a shearing machine | |
| CN219052680U (en) | Special rolling machine for stainless steel products | |
| CN216550580U (en) | High pressure special mold steel vacuum heat treatment device | |
| CN212241422U (en) | A composite plywood pressing device | |
| CN211438208U (en) | Drilling equipment for rotary joint | |
| CN211990446U (en) | A heat dissipation device for a double-rotor spinning machine | |
| CN220805138U (en) | Notebook alloy shell stamping device | |
| CN211758664U (en) | Perforating device is used in steel processing | |
| CN221657592U (en) | Medical treatment beauty equipment shell processing agency | |
| CN219007158U (en) | Punch press board for shoe processing with auxiliary heat dissipation function | |
| CN217833906U (en) | Pipe cutter for hydropower installation | |
| CN216297790U (en) | Safety protection structure is used in punching machine processing | |
| CN206967187U (en) | A production device for a drilling machine | |
| CN210936646U (en) | Pneumatic punching machine for sheet metal processing | |
| CN222078036U (en) | Drilling mechanism for metal product processing | |
| CN211165184U (en) | An energy-saving injection mold processing heat sink | |
| CN221362295U (en) | Stamping die with die head replacement function | |
| CN219854173U (en) | A clamping device for air conditioning fan blade production | |
| CN221133832U (en) | Radiator hydroecium processing extrusion device | |
| CN221734816U (en) | A shield machine cutter body and processing device thereof |
Legal Events
| Date | Code | Title | Description |
|---|---|---|---|
| GR01 | Patent grant | ||
| GR01 | Patent grant | ||
| CF01 | Termination of patent right due to non-payment of annual fee |
Granted publication date: 20200828 |
