CN211307880U - 一种笔记本电脑按键生产用印刷治具 - Google Patents
一种笔记本电脑按键生产用印刷治具 Download PDFInfo
- Publication number
- CN211307880U CN211307880U CN201922025050.6U CN201922025050U CN211307880U CN 211307880 U CN211307880 U CN 211307880U CN 201922025050 U CN201922025050 U CN 201922025050U CN 211307880 U CN211307880 U CN 211307880U
- Authority
- CN
- China
- Prior art keywords
- printing
- mounting
- jig
- groove
- plate
- Prior art date
- Legal status (The legal status is an assumption and is not a legal conclusion. Google has not performed a legal analysis and makes no representation as to the accuracy of the status listed.)
- Expired - Fee Related
Links
- 238000004519 manufacturing process Methods 0.000 claims description 8
- 239000000463 material Substances 0.000 claims description 3
- 229910001220 stainless steel Inorganic materials 0.000 claims description 3
- 239000010935 stainless steel Substances 0.000 claims description 3
- 238000000034 method Methods 0.000 abstract description 6
- 238000009434 installation Methods 0.000 description 13
- 238000010586 diagram Methods 0.000 description 6
- 238000012986 modification Methods 0.000 description 2
- 230000004048 modification Effects 0.000 description 2
- 230000009286 beneficial effect Effects 0.000 description 1
- 238000006467 substitution reaction Methods 0.000 description 1
Images
Landscapes
- Screen Printers (AREA)
Abstract
本实用新型公开了一种笔记本电脑按键生产用印刷治具,包括工作台、支撑杆、顶板、连接杆和第一安装板,所述工作台的顶部固定安装有对称分布的支撑杆,所述支撑杆的顶部通过顶板固定连接,所述顶板的顶部通过对称分布的连接杆固定安装有第一安装板,所述工作台的顶部固定安装有治具安装装置,所述治具安装装置包括固定安装于工作台表面的第二安装板。本实用新型可以对治具安装装置进行快速更换,可以使其适应不同形状尺寸的按键,这样的更换方式可以快速方便的对其进行更换,更换之后的放置区可以适应不同尺寸形状的按键,一定程度上提高了印刷效率,而可以快速更换的印刷块和漏板,可以适应不同类型的按键,并且本实用新型结构合理,使用方便。
Description
技术领域
本发明涉及一种印刷治具,具体为一种笔记本电脑按键生产用印刷治具。
背景技术
笔记本电脑,亦称笔记型、手提或膝上电脑,是一种小型、可方便携带的个人电脑。笔记本电脑的重量通常重1-3千克。其发展趋势是体积越来越小,重量越来越轻,而功能却越来越强大。
笔记本电脑在生产制造的过程中需要用到内嵌式的电脑按键,而按键在生产制造的过程中需要在其表面进行数字印刷,将各个数字印刷在按键表面,而市场上现有的印刷治具,印刷过程中因为按键的大小形状都不同,在印刷过程中不容易对键盘进行统一印刷,导致印刷效率的低下,为此,我们提出一种笔记本电脑按键生产用印刷治具。
发明内容
本发明的目的在于提供一种笔记本电脑按键生产用印刷治具,以解决背景技术中提出的问题。
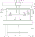
为实现上述目的,本发明提供如下技术方案:一种笔记本电脑按键生产用印刷治具,包括工作台、支撑杆、顶板、连接杆和第一安装板,所述工作台的顶部固定安装有对称分布的支撑杆,所述支撑杆的顶部通过顶板固定连接,所述顶板的顶部通过对称分布的连接杆固定安装有第一安装板,所述工作台的顶部固定安装有治具安装装置,所述治具安装装置包括固定安装于工作台表面的第二安装板,所述第二安装板的表面开设有对称分布的第一螺纹槽,所述第二安装板的顶部放置有治具块,所述治具块的顶部内凹开设有放置区,所述治具块的两侧且对应第一螺纹槽的位置固定连接有限位板,所述限位板的表面开设有限位槽,所述限位板的表面设置有第一螺纹钉,所述第一螺纹钉的底部穿过限位板表面的限位槽并与第一螺纹槽相啮合,所述第一安装板的表面通过第一固定销柱固定安装有滑台气缸,所述滑台气缸的顶部贯穿开设有贯穿孔,所述贯穿孔的内部设置有升降杆,所述升降杆的底部固定安装有印刷治具,所述印刷治具包括固定安装于升降杆底部的连接板,所述连接板的底部固定连接有安装槽,所述安装槽的凹槽处设置有印刷块,所述印刷块的顶部开设有对称分布的第二螺纹槽,所述安装槽的顶部设置有第二螺纹钉,所述第二螺纹钉与第二螺纹槽相互啮合,所述顶板的表面设置有滑槽,所述连接杆的内部通过两组第二固定销柱固定安装有多次分布的L型连接杆,所述L型连接杆的一侧固定安装有U型放置槽,所述U型放置槽凹槽的底部搭接有漏板,所述漏板的顶部固定安装有第三螺纹钉,所述第三螺纹钉的底部贯穿U型放置槽的顶部且延伸至U型放置槽的内部。
进一步的,所述第三螺纹钉的底部固定安装有夹持板,所述夹持板的底部与漏板的顶部相接触。
进一步的,所述工作台的底部固定安装有对对称分布的支撑腿,所述支撑腿的底部固定安装有底座,所述支撑腿的相对侧通过踏板固定连接。
进一步的,所述治具块的制造材料为不锈钢材料。
进一步的,所述漏板的表面放置有印刷油墨。
与现有技术相比,本发明具有以下有益效果:本发明可以对治具安装装置进行快速更换,可以使其适应不同形状尺寸的按键,这样的更换方式可以快速方便的对其进行更换,更换之后的放置区可以适应不同尺寸形状的按键,一定程度上提高了印刷效率,而可以快速更换的印刷块和漏板,可以适应不同类型的按键,并且本发明结构合理,使用方便。
附图说明
图1为本发明正视图结构示意图;
图2为本发明治具安装装置结构示意图;
图3为本发明治具块俯视图结构示意图;
图4为本发明滑台气缸俯视图结构示意图;
图5为本发明印刷治具侧视图结构示意图;
图6为本发明印刷块俯视图结构示意图。
图中:1工作台、2支撑杆、3顶板、4连接杆、5第一安装板、6治具安装装置、7第二安装板、8第一螺纹槽、9治具块、10放置区、11限位板、12限位槽、13第一螺纹钉、14第一固定销柱、15滑台气缸、16贯穿孔、17升降杆、18印刷治具、19连接板、20安装槽、21印刷块、22第二螺纹槽、23第二螺纹钉、24滑槽、25第二固定销柱、26 L型连接杆、27 U型放置槽、28漏板、29第三螺纹钉、30夹持板、31支撑腿、32底座、33踏板。
具体实施方式
下面将结合本发明实施例中的附图,对本发明实施例中的技术方案进行清楚、完整地描述,显然,所描述的实施例仅仅是本发明一部分实施例,而不是全部的实施例。基于本发明中的实施例,本领域普通技术人员在没有做出创造性劳动前提下所获得的所有其他实施例,都属于本发明保护的范围。
请参阅图1-6,本发明提供一种技术方案:为实现上述目的,本发明提供如下技术方案:一种笔记本电脑按键生产用印刷治具,包括工作台1、支撑杆2、顶板3、连接杆4和第一安装板5,所述工作台1的顶部固定安装有对称分布的支撑杆2,所述支撑杆2的顶部通过顶板3固定连接,所述顶板3的顶部通过对称分布的连接杆4固定安装有第一安装板5,所述工作台1的顶部固定安装有治具安装装置6,所述治具安装装置6包括固定安装于工作台1表面的第二安装板7,所述第二安装板7的表面开设有对称分布的第一螺纹槽8,所述第二安装板7的顶部放置有治具块9,所述治具块9的顶部内凹开设有放置区10,所述治具块9的两侧且对应第一螺纹槽8的位置固定连接有限位板11,所述限位板11的表面开设有限位槽12,所述限位板11的表面设置有第一螺纹钉13,所述第一螺纹钉13的底部穿过限位板11表面的限位槽12并与第一螺纹槽8相啮合,所述第一安装板5的表面通过第一固定销柱14固定安装有滑台气缸15,所述滑台气缸15的顶部贯穿开设有贯穿孔16,所述贯穿孔16的内部设置有升降杆17,所述升降杆17的底部固定安装有印刷治具18,所述印刷治具18包括固定安装于升降杆17底部的连接板19,所述连接板19的底部固定连接有安装槽20,所述安装槽20的凹槽处设置有印刷块21,所述印刷块21的顶部开设有对称分布的第二螺纹槽22,所述安装槽20的顶部设置有第二螺纹钉23,所述第二螺纹钉23与第二螺纹槽22相互啮合,所述顶板3的表面设置有滑槽24,所述连接杆4的内部通过两组第二固定销柱25固定安装有多次分布的L型连接杆26,所述L型连接杆26的一侧固定安装有U型放置槽27,所述U型放置槽27凹槽的底部搭接有漏板28,所述漏板28的顶部固定安装有第三螺纹钉29,所述第三螺纹钉29的底部贯穿U型放置槽27的顶部且延伸至U型放置槽27的内部。
进一步的,所述第三螺纹钉29的底部固定安装有夹持板30,所述夹持板30的底部与漏板28的顶部相接触。
进一步的,所述工作台1的底部固定安装有对对称分布的支撑腿31,所述支撑腿31的底部固定安装有底座32,所述支撑腿31的相对侧通过踏板33固定连接。
进一步的,所述治具块9的制造材料为不锈钢材料。
进一步的,所述漏板28的表面放置有印刷油墨。
使用时,首先将需要印刷的油墨放置于漏板28的表面,随后根据需要印刷的按键来选择与其相适配的治具块9进行安装,治具块9选择完成之后将限位板11以及其表面的限位槽12与第一螺纹槽8相互对其,随后将第一螺纹槽8和第一螺纹钉13进行相互啮合即可,随后将需要印刷的按键放置在放置区10的内部,然后启动滑台气缸15运作带动升降杆17和印刷治具18下降并将漏板28表面的油墨印刷到放置区10表面放置的按键表面,而当漏板28需要更换的时候只需要旋转第三螺纹钉29使第三螺纹钉29底部的夹持板30远离漏板28的表面即可,随后取下漏板28,并旋转第二固定销柱25,使滑槽24和L型连接杆26之间相互脱离,随后移动L型连接杆26的位置,然后将更换完成的漏板28放置在U型放置槽27的凹槽处,然后旋转第三螺纹钉29即可完成对漏板28的更换。
尽管已经示出和描述了本发明的实施例,对于本领域的普通技术人员而言,可以理解在不脱离本发明的原理和精神的情况下可以对这些实施例进行多种变化、修改、替换和变型,本发明的范围由所附权利要求及其等同物限定。
Claims (5)
1.一种笔记本电脑按键生产用印刷治具,包括工作台(1)、支撑杆(2)、顶板(3)、连接杆(4)和第一安装板(5),所述工作台(1)的顶部固定安装有对称分布的支撑杆(2),所述支撑杆(2)的顶部通过顶板(3)固定连接,所述顶板(3)的顶部通过对称分布的连接杆(4)固定安装有第一安装板(5),其特征在于:所述工作台(1)的顶部固定安装有治具安装装置(6),所述治具安装装置(6)包括固定安装于工作台(1)表面的第二安装板(7),所述第二安装板(7)的表面开设有对称分布的第一螺纹槽(8),所述第二安装板(7)的顶部放置有治具块(9),所述治具块(9)的顶部内凹开设有放置区(10),所述治具块(9)的两侧且对应第一螺纹槽(8)的位置固定连接有限位板(11),所述限位板(11)的表面开设有限位槽(12),所述限位板(11)的表面设置有第一螺纹钉(13),所述第一螺纹钉(13)的底部穿过限位板(11)表面的限位槽(12)并与第一螺纹槽(8)相啮合,所述第一安装板(5)的表面通过第一固定销柱(14)固定安装有滑台气缸(15),所述滑台气缸(15)的顶部贯穿开设有贯穿孔(16),所述贯穿孔(16)的内部设置有升降杆(17),所述升降杆(17)的底部固定安装有印刷治具(18),所述印刷治具(18)包括固定安装于升降杆(17)底部的连接板(19),所述连接板(19)的底部固定连接有安装槽(20),所述安装槽(20)的凹槽处设置有印刷块(21),所述印刷块(21)的顶部开设有对称分布的第二螺纹槽(22),所述安装槽(20)的顶部设置有第二螺纹钉(23),所述第二螺纹钉(23)与第二螺纹槽(22)相互啮合,所述顶板(3)的表面设置有滑槽(24),所述连接杆(4)的内部通过两组第二固定销柱(25)固定安装有多次分布的L型连接杆(26),所述L型连接杆(26)的一侧固定安装有U型放置槽(27),所述U型放置槽(27)凹槽的底部搭接有漏板(28),所述漏板(28)的顶部固定安装有第三螺纹钉(29),所述第三螺纹钉(29)的底部贯穿U型放置槽(27)的顶部且延伸至U型放置槽(27)的内部。
2.根据权利要求1所述的一种笔记本电脑按键生产用印刷治具,其特征在于:所述第三螺纹钉(29)的底部固定安装有夹持板(30),所述夹持板(30)的底部与漏板(28)的顶部相接触。
3.根据权利要求1所述的一种笔记本电脑按键生产用印刷治具,其特征在于:所述工作台(1)的底部固定安装有对对称分布的支撑腿(31),所述支撑腿(31)的底部固定安装有底座(32),所述支撑腿(31)的相对侧通过踏板(33)固定连接。
4.根据权利要求1所述的一种笔记本电脑按键生产用印刷治具,其特征在于:所述治具块(9)的制造材料为不锈钢材料。
5.根据权利要求1所述的一种笔记本电脑按键生产用印刷治具,其特征在于:所述漏板(28)的表面放置有印刷油墨。
Priority Applications (1)
| Application Number | Priority Date | Filing Date | Title |
|---|---|---|---|
| CN201922025050.6U CN211307880U (zh) | 2019-11-21 | 2019-11-21 | 一种笔记本电脑按键生产用印刷治具 |
Applications Claiming Priority (1)
| Application Number | Priority Date | Filing Date | Title |
|---|---|---|---|
| CN201922025050.6U CN211307880U (zh) | 2019-11-21 | 2019-11-21 | 一种笔记本电脑按键生产用印刷治具 |
Publications (1)
| Publication Number | Publication Date |
|---|---|
| CN211307880U true CN211307880U (zh) | 2020-08-21 |
Family
ID=72077002
Family Applications (1)
| Application Number | Title | Priority Date | Filing Date |
|---|---|---|---|
| CN201922025050.6U Expired - Fee Related CN211307880U (zh) | 2019-11-21 | 2019-11-21 | 一种笔记本电脑按键生产用印刷治具 |
Country Status (1)
| Country | Link |
|---|---|
| CN (1) | CN211307880U (zh) |
Cited By (1)
| Publication number | Priority date | Publication date | Assignee | Title |
|---|---|---|---|---|
| CN110733239A (zh) * | 2019-11-21 | 2020-01-31 | 庐江凯创五金科技有限公司 | 一种笔记本电脑按键生产用印刷治具 |
-
2019
- 2019-11-21 CN CN201922025050.6U patent/CN211307880U/zh not_active Expired - Fee Related
Cited By (2)
| Publication number | Priority date | Publication date | Assignee | Title |
|---|---|---|---|---|
| CN110733239A (zh) * | 2019-11-21 | 2020-01-31 | 庐江凯创五金科技有限公司 | 一种笔记本电脑按键生产用印刷治具 |
| CN110733239B (zh) * | 2019-11-21 | 2025-03-04 | 庐江钦创电子科技有限公司 | 一种笔记本电脑按键生产用印刷治具 |
Similar Documents
| Publication | Publication Date | Title |
|---|---|---|
| CN210809766U (zh) | 一种可升降式工作台 | |
| CN207746748U (zh) | 一种薄壁类曲面导轨加工夹具 | |
| WO2020034199A1 (zh) | 一种pcb板夹具 | |
| CN211307880U (zh) | 一种笔记本电脑按键生产用印刷治具 | |
| CN206662326U (zh) | 一种钻孔工作台 | |
| CN204912999U (zh) | 一种波峰焊过炉载具 | |
| CN110733239A (zh) | 一种笔记本电脑按键生产用印刷治具 | |
| CN202093050U (zh) | 一种用于电池测试的通用夹具 | |
| CN210093694U (zh) | 一种压合治具 | |
| CN216577454U (zh) | 一种手机卡托二夹治具 | |
| CN206216333U (zh) | 一种发动机加工用铣平面夹具 | |
| CN211614810U (zh) | 一种电力电子模块分体式压装装置 | |
| CN201931698U (zh) | 一种蓄电池丝网印刷架 | |
| CN204222173U (zh) | 键盘变形度矫正装置 | |
| CN209305044U (zh) | 一种计算器用自动冷压机 | |
| CN219599445U (zh) | 一种用于电路板维修装置 | |
| CN207678084U (zh) | 一种新型电路板分板治具 | |
| CN113953350A (zh) | 一种笔记本电脑键盘面板整形治具 | |
| CN211388417U (zh) | 一种用于型材加工的辅助定位装置 | |
| CN209753892U (zh) | 一种弹簧动压机 | |
| CN221817672U (zh) | 一种具有定位结构的自动化激光雕刻机 | |
| CN218361577U (zh) | 一种键盘生产用基板冲头装置 | |
| CN206153409U (zh) | 一种手机壳的侧边铆压治具 | |
| CN220806974U (zh) | 一种锁具维修装置 | |
| CN206382403U (zh) | 一种配件精密冲孔机 |
Legal Events
| Date | Code | Title | Description |
|---|---|---|---|
| GR01 | Patent grant | ||
| GR01 | Patent grant | ||
| CF01 | Termination of patent right due to non-payment of annual fee |
Granted publication date: 20200821 |
|
| CF01 | Termination of patent right due to non-payment of annual fee |