CN211221621U - 一种可快速拆卸的模架 - Google Patents
一种可快速拆卸的模架 Download PDFInfo
- Publication number
- CN211221621U CN211221621U CN201921526174.6U CN201921526174U CN211221621U CN 211221621 U CN211221621 U CN 211221621U CN 201921526174 U CN201921526174 U CN 201921526174U CN 211221621 U CN211221621 U CN 211221621U
- Authority
- CN
- China
- Prior art keywords
- disc
- clamping
- top end
- strip
- connecting rod
- Prior art date
- Legal status (The legal status is an assumption and is not a legal conclusion. Google has not performed a legal analysis and makes no representation as to the accuracy of the status listed.)
- Active
Links
- 230000007246 mechanism Effects 0.000 claims abstract description 14
- 238000009415 formwork Methods 0.000 claims 3
- 230000008859 change Effects 0.000 abstract description 4
- 238000000034 method Methods 0.000 description 5
- 230000008569 process Effects 0.000 description 3
- 238000009434 installation Methods 0.000 description 2
- 230000009471 action Effects 0.000 description 1
- 230000004075 alteration Effects 0.000 description 1
- 230000009286 beneficial effect Effects 0.000 description 1
- 238000004891 communication Methods 0.000 description 1
- 230000005489 elastic deformation Effects 0.000 description 1
- 230000002349 favourable effect Effects 0.000 description 1
- 230000003993 interaction Effects 0.000 description 1
- 238000010030 laminating Methods 0.000 description 1
- 238000004519 manufacturing process Methods 0.000 description 1
- 229940127554 medical product Drugs 0.000 description 1
- 230000005012 migration Effects 0.000 description 1
- 238000013508 migration Methods 0.000 description 1
- 238000012986 modification Methods 0.000 description 1
- 230000004048 modification Effects 0.000 description 1
- 230000001737 promoting effect Effects 0.000 description 1
- 238000006467 substitution reaction Methods 0.000 description 1
- 239000002699 waste material Substances 0.000 description 1
Images
Landscapes
- Moulds For Moulding Plastics Or The Like (AREA)
Abstract
本实用新型公开了一种可快速拆卸的模架,包括底座和模具,所述模具的底端四角开设有卡槽,且卡槽的内腔插接有卡动机构的顶端一部分,所述卡动机构的底端固定有底座,所述转轴的外壁顶端过盈配合有圆盘,且圆盘的顶端后侧与圆盘的顶端外侧均转动链接有连杆的一端,所述连杆的另一端套接在与之对应的圆柱上,所述圆柱的顶端设置有底盘,且底盘的顶端中心位置设置有卡条,所述卡条的顶端延伸出壳体的顶端插接在卡槽内。该可快速拆卸的模架,可根据不同需求快速拆卸更换模具,操作简单,大大降低了零件损坏变形的概率,无需担心操作细节,减轻工作人员的负担,提高整体工作效率,使后期使用更为方便快捷。
Description
技术领域
本实用新型涉及技术领域,具体为一种可快速拆卸的模架。
背景技术
现时模具的应用涉及每项产品,如汽车、航天、日用品、电器通讯、医疗产品设备等,只要是数量多的产品都会应用模具生产,而模架是模具不可分割的部分,然而在实际操作过程中,由于需求不同,因此需要针对不同的模具进行拆卸与更换,但是传统的模架拆卸过于繁琐,拆卸过程中同时还要注意细节,避免在更换过程中对零件造成损伤或变形,并且对有安装方向要求的零部件在拆卸时做好标记,以免安装时浪费时间甚至造成零件的损坏,劳心劳力,增加工作者的负担又降低工作效率。
实用新型内容
本实用新型的目的在于提供一种可快速拆卸的模架,以解决上述背景技术中提出的问题。
为实现上述目的,本实用新型提供如下技术方案:一种可快速拆卸的模架,包括底座和模具,所述模具的底端四角开设有卡槽,且卡槽的内腔插接有卡动机构的顶端一部分,所述卡动机构的底端固定有底座;
所述卡动机构包括壳体、导杆、滑块、圆柱、弹簧、转轴、转盘、齿轮、圆盘、卡条、连杆和底盘;
所述壳体的内腔前后两侧沿左右方向均固定有导杆,所述导杆的外壁左右两端均套接有滑块,且滑块的顶端中心位置固定有圆柱,所述弹簧套接在导杆的外壁上,且弹簧的左右两端分别固定在滑块的内侧,所述壳体的内腔底端中心位置沿左右两端均通过轴承对称转动连接的有转轴,且位于右侧的转轴底端延伸出壳体的底端固定有转盘,所述转盘的外壁中心位置过盈配合有齿轮,且两个齿轮啮合连接,所述转轴的外壁顶端过盈配合有圆盘,且圆盘的顶端后侧与圆盘的顶端外侧均转动链接有连杆的一端,所述连杆的另一端套接在与之对应的圆柱上,所述圆柱的顶端设置有底盘,且底盘的顶端中心位置设置有卡条,所述卡条的顶端延伸出壳体的顶端插接在卡槽内。
优选的,所述卡槽的形状为“L”形,且卡槽的内腔大于卡条的顶端大小。
优选的,所述圆盘的整体大小小于齿轮的整体大小。
优选的,所述卡条的形状为“L”形,且卡条的顶端向外侧底端倾斜。
与现有技术相比,本实用新型的有益效果是:该可快速拆卸的模架,在实际使用时,逆时针旋转转盘,通过转轴、齿轮和圆盘的配合下,可使四个连杆在导杆和滑块的配合限位下,向内侧水平移动,进而带动卡条解除对模具的固定,可根据不同需求快速拆卸更换模具,操作简单,大大降低了零件损坏变形的概率,无需担心操作细节,减轻工作人员的负担,提高整体工作效率,使后期使用更为方便快捷。
附图说明
图1为本实用新型卡动机构俯视剖视图;
图2为本实用新型右侧剖视图;
图3为本实用新型的正面剖视图。
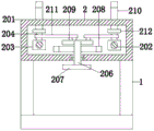
图中:1、底座,2、卡动机构,201、壳体,202、导杆,203、滑块,204、圆柱,205、弹簧,206、转轴,207、转盘,208、齿轮, 209、圆盘,210、卡条,211、连杆,212、底盘,3、模具,4、卡槽。
具体实施方式
下面将结合本实用新型实施例中的附图,对本实用新型实施例中的技术方案进行清楚、完整地描述,显然,所描述的实施例仅仅是本实用新型一部分实施例,而不是全部的实施例。基于本实用新型中的实施例,本领域普通技术人员在没有做出创造性劳动前提下所获得的所有其他实施例,都属于本实用新型保护的范围。
请参阅图1-3,本实用新型提供一种可快速拆卸的模架技术方案:一种可快速拆卸的模架,包括底座1和模具3,模具3的底端四角开设有卡槽4,且卡槽4的内腔插接有卡动机构2的顶端一部分,卡动机构2的底端固定有底座1;
卡动机构2包括壳体201、导杆202、滑块203、圆柱204、弹簧 205、转轴206、转盘207、齿轮208、圆盘209、卡条210、连杆211 和底盘212;
壳体201的内腔前后两侧沿左右方向均固定有导杆202,导杆202 的外壁左右两端均套接有滑块203,且滑块203的顶端中心位置固定有圆柱204,圆柱204用于辅助与连杆211旋转连接的同时,又能够通过底盘212与卡条210连接,弹簧205套接在导杆202的外壁上,弹簧205为旋转弹簧,弹性系数为25N/CM,弹簧205受到拉伸或挤压后产生弹性形变,去除外力后恢复至初始状态,弹簧205可始终向外侧推动滑块203,且弹簧205的左右两端分别固定在滑块203的内侧,壳体201的内腔底端中心位置沿左右两端均通过轴承对称转动连接的有转轴206,转轴206用于驱动齿轮208和圆盘209同时旋转,且位于右侧的转轴206底端延伸出壳体201的底端固定有转盘207,转盘207便于使用者操控该装置,转盘207的外壁中心位置过盈配合有齿轮208,且两个齿轮208啮合连接,啮合连接的两个齿轮能够实现两个相反周向的旋转,进而促使连杆211能够牵动滑块203同时向内侧移动,转轴206的外壁顶端过盈配合有圆盘209,且圆盘209的顶端后侧与圆盘209的顶端外侧均转动链接有连杆211的一端,在圆盘209和四个连杆211的配合下,可同时控制四个卡条210的移动,连杆211的另一端套接在与之对应的圆柱204上,圆柱204的顶端设置有底盘212,且底盘212的顶端中心位置设置有卡条210,四个卡条210分别插入模具3底端四角开设的卡槽4内,可通过多个方向对模具3的固定,能够有效防止模具3在安装后产生旋转的现象发生,卡条210的顶端延伸出壳体201的顶端插接在卡槽4内。
作为优选方案,更进一步的,卡槽4的形状为“L”形,且卡槽 4的内腔大于卡条210的顶端大小,促使卡条210能够进入卡槽4的内腔,使其卡条210能够固定和拆分模具3。
作为优选方案,更进一步的,圆盘209的整体大小小于齿轮208 的整体大小,防止过大的圆盘209影响两个齿轮208啮合旋转。
作为优选方案,更进一步的,卡条210的形状为“L”形,且卡条210的顶端向外侧底端倾斜,当模具3从上至下向卡条210套接时,卡条210受自身斜面的作用力下方向将发生改变,可使卡条210自动向内侧移动,使其模具3固定。
其详细连接手段,为本领域公知技术,下述主要介绍工作原理以及过程,具体工作如下。
当需要快速拆卸模具3时,逆时针旋转转盘207,使其转盘207 上的转轴206带动齿轮208和圆盘209一同旋转,由于两个齿轮208 啮合连接,因此位于右侧的齿轮208在进行逆时针旋转时,可带动左侧的齿轮208、转轴206和圆盘209同时顺时针旋转,从而使两个圆盘209上的连杆211随着两个齿轮208的转动而牵动滑块203移在导杆202的限位下同时向内侧水平移动,对弹簧205进行向内侧的挤压,底盘212也追随着滑块203上的圆柱204进行内侧水平移动,使其底盘212上的卡条210解除对模具3的固定,此时向上取出模具3便可完成拆卸模具3,当需要更换另一种模具时,将所需替换的另一种模具向下置放在壳体201的顶端,新的模具触碰到卡条210,促使卡条 210向内侧滑动,当新的模具底端完全贴合壳体201的顶端时,借助弹簧205的弹力,可使卡条210进入卡槽4的内腔进而将新的模具固定,达到可根据需要随时拆卸安装模具3,操作简单,无需提前做记录,减轻工作人员负担,省时省力,提高工作效率,有利于推广。
在本实用新型的描述中,需要理解的是,术语“中心位置”、“内腔”、“外壁”、“顶端”、“一端”、“另一端”、“一部分”等指示的方位或位置关系为基于附图所示的方位或位置关系,仅是为了便于描述本实用新型和简化描述,而不是指示或暗示所指的装置或元件必须具有特定的方位、以特定的方位构造和操作;同时除非另有明确的规定和限定,术语“设置”、“固定”、“插接”、“过盈配合”、“套接”等术语应做广义理解,例如,可以是固定连接,也可以是可拆卸连接,或成一体;可以是机械连接,也可以是电连接;可以是直接相连,也可以通过中间媒介间接相连,可以是两个元件内部的连通或两个元件的相互作用关系,除非另有明确的限定,对于本领域的普通技术人员而言,可以根据具体情况理解上述术语在本实用新型中的具体含义。
尽管已经示出和描述了本实用新型的实施例,对于本领域的普通技术人员而言,可以理解在不脱离本实用新型的原理和精神的情况下可以对这些实施例进行多种变化、修改、替换和变型,本实用新型的范围由所附权利要求及其等同物限定。
Claims (4)
1.一种可快速拆卸的模架,包括底座(1)和模具(3),其特征在于:所述模具(3)的底端四角开设有卡槽(4),且卡槽(4)的内腔插接有卡动机构(2)的顶端一部分,所述卡动机构(2)的底端固定有底座(1);
所述卡动机构(2)包括壳体(201)、导杆(202)、滑块(203)、圆柱(204)、弹簧(205)、转轴(206)、转盘(207)、齿轮(208)、圆盘(209)、卡条(210)、连杆(211)和底盘(212);
所述壳体(201)的内腔前后两侧沿左右方向均固定有导杆(202),所述导杆(202)的外壁左右两端均套接有滑块(203),且滑块(203)的顶端中心位置固定有圆柱(204),所述弹簧(205)套接在导杆(202)的外壁上,且弹簧(205)的左右两端分别固定在滑块(203)的内侧,所述壳体(201)的内腔底端中心位置沿左右两端均通过轴承对称转动连接的有转轴(206),且位于右侧的转轴(206)底端延伸出壳体(201)的底端固定有转盘(207),所述转盘(207)的外壁中心位置过盈配合有齿轮(208),且两个齿轮(208)啮合连接,所述转轴(206)的外壁顶端过盈配合有圆盘(209),且圆盘(209)的顶端后侧与圆盘(209)的顶端外侧均转动链接有连杆(211)的一端,所述连杆(211)的另一端套接在与之对应的圆柱(204)上,所述圆柱(204)的顶端设置有底盘(212),且底盘(212)的顶端中心位置设置有卡条(210),所述卡条(210)的顶端延伸出壳体(201)的顶端插接在卡槽(4)内。
2.根据权利要求1所述的一种可快速拆卸的模架,其特征在于:所述卡槽(4)的形状为“L”形,且卡槽(4)的内腔大于卡条(210)的顶端大小。
3.根据权利要求1所述的一种可快速拆卸的模架,其特征在于:所述圆盘(209)的整体大小小于齿轮(208)的整体大小。
4.根据权利要求1所述的一种可快速拆卸的模架,其特征在于:所述卡条(210)的形状为“L”形,且卡条(210)的顶端向外侧底端倾斜。
Priority Applications (1)
| Application Number | Priority Date | Filing Date | Title |
|---|---|---|---|
| CN201921526174.6U CN211221621U (zh) | 2019-09-14 | 2019-09-14 | 一种可快速拆卸的模架 |
Applications Claiming Priority (1)
| Application Number | Priority Date | Filing Date | Title |
|---|---|---|---|
| CN201921526174.6U CN211221621U (zh) | 2019-09-14 | 2019-09-14 | 一种可快速拆卸的模架 |
Publications (1)
| Publication Number | Publication Date |
|---|---|
| CN211221621U true CN211221621U (zh) | 2020-08-11 |
Family
ID=71922047
Family Applications (1)
| Application Number | Title | Priority Date | Filing Date |
|---|---|---|---|
| CN201921526174.6U Active CN211221621U (zh) | 2019-09-14 | 2019-09-14 | 一种可快速拆卸的模架 |
Country Status (1)
| Country | Link |
|---|---|
| CN (1) | CN211221621U (zh) |
-
2019
- 2019-09-14 CN CN201921526174.6U patent/CN211221621U/zh active Active
Similar Documents
| Publication | Publication Date | Title |
|---|---|---|
| CN209793293U (zh) | 一种佛像雕刻用佛像底座打磨装置 | |
| CN111623201A (zh) | 一种基于大数据的电力调度用信息显示装置 | |
| CN214981714U (zh) | 一种竹胶合板热压机 | |
| CN211221621U (zh) | 一种可快速拆卸的模架 | |
| CN106217572A (zh) | 一种相框生产用装置 | |
| CN216328814U (zh) | 一种具有除尘功能的圆刀机 | |
| CN215510745U (zh) | 一种转轴加工用定位装置 | |
| CN216574645U (zh) | 一种便于筛选机构的磁芯清洗装置 | |
| CN214793025U (zh) | 一种工业设计用产品轮廓采集装置 | |
| CN214384712U (zh) | 一种大型户外广告牌 | |
| CN113927064A (zh) | 一种用于管体的钻孔装置 | |
| CN215126646U (zh) | 一种可旋转金属展架 | |
| CN209251734U (zh) | 一种钙片成型装置 | |
| CN209272165U (zh) | 一种拉丝机用的专用放线组件 | |
| CN214866599U (zh) | 一种屏蔽罩生产的冲压模具安装结构 | |
| CN214963433U (zh) | 一种工程管理设计平台 | |
| CN222650491U (zh) | 一种方便维修的同步带模组 | |
| CN222176060U (zh) | 一种高效率立式铣筋机 | |
| CN211459611U (zh) | 一种便于安装的带有led屏的展示台 | |
| CN218518466U (zh) | 玻璃丝印定位治具 | |
| CN221137239U (zh) | 一种烫金机用除尘装置 | |
| CN215918714U (zh) | 便于物料收集的自动折弯机 | |
| CN219938724U (zh) | 一种大数据存储服务器 | |
| CN214432135U (zh) | 一种服装设计用支架 | |
| CN216564852U (zh) | 一种冲芯机的转子芯安装装置 |
Legal Events
| Date | Code | Title | Description |
|---|---|---|---|
| GR01 | Patent grant | ||
| GR01 | Patent grant |