CN211219864U - 一种具有金属颗粒回收功能的数控机床清理结构 - Google Patents
一种具有金属颗粒回收功能的数控机床清理结构 Download PDFInfo
- Publication number
- CN211219864U CN211219864U CN201921941015.2U CN201921941015U CN211219864U CN 211219864 U CN211219864 U CN 211219864U CN 201921941015 U CN201921941015 U CN 201921941015U CN 211219864 U CN211219864 U CN 211219864U
- Authority
- CN
- China
- Prior art keywords
- machine tool
- control machine
- tool body
- numerical control
- movable block
- Prior art date
- Legal status (The legal status is an assumption and is not a legal conclusion. Google has not performed a legal analysis and makes no representation as to the accuracy of the status listed.)
- Active
Links
- 239000002923 metal particle Substances 0.000 title claims abstract description 47
- 238000011084 recovery Methods 0.000 claims abstract description 13
- 239000000463 material Substances 0.000 claims description 23
- 238000004140 cleaning Methods 0.000 claims description 19
- 230000001681 protective effect Effects 0.000 claims description 18
- 239000000428 dust Substances 0.000 claims description 11
- 238000010521 absorption reaction Methods 0.000 claims description 3
- 238000003754 machining Methods 0.000 description 3
- 238000004064 recycling Methods 0.000 description 3
- 230000002349 favourable effect Effects 0.000 description 2
- 238000000034 method Methods 0.000 description 2
- 230000004075 alteration Effects 0.000 description 1
- 230000009286 beneficial effect Effects 0.000 description 1
- 238000010586 diagram Methods 0.000 description 1
- 238000009434 installation Methods 0.000 description 1
- 239000002184 metal Substances 0.000 description 1
- 238000012986 modification Methods 0.000 description 1
- 230000004048 modification Effects 0.000 description 1
- 238000006467 substitution reaction Methods 0.000 description 1
- 230000003746 surface roughness Effects 0.000 description 1
- 230000001360 synchronised effect Effects 0.000 description 1
Images
Landscapes
- Auxiliary Devices For Machine Tools (AREA)
Abstract
本实用新型公开了一种具有金属颗粒回收功能的数控机床清理结构,包括数控机床本体、第一风机、第二风机和电机,所述数控机床本体的左侧设置有防护门,所述数控机床本体的内部设置有操作台,所述数控机床本体的右侧表面嵌入式安装有第一风机,所述数控机床本体的上表面安装有第二风机,所述数控机床本体的前表面嵌入式安装有电机。该具有金属颗粒回收功能的数控机床清理结构,操作台下方设置有倾斜状结构的引导板,便于收集操作台上方掉落的金属颗粒,通过第一风机吸收进第一集料箱内部,对金属颗粒进行了有效的回收,通过防护门防止零件加工时飞溅的金属颗粒击伤工作人员,提升了数控机床操控中的安全系数。
Description
技术领域
本实用新型涉及数控机床相关技术领域,具体为一种具有金属颗粒回收功能的数控机床清理结构。
背景技术
数控机床是一种装有程序控制系统的自动化机床,数控机床具有加工精度高和加工质量稳定的特点,一般精度要求较高和表面粗糙度要求较细的零件都需要在数控机床上使用切削的方式进行加工,在加工的过程中会产生大量的金属颗粒,这些金属颗粒清理起来十分不便。
现有的数控机床加工中产生的金属颗粒主要依靠人工清理,需要耗费大量时间,增加了工作人员的劳动强度,且金属颗粒的边缘较为锋利,使得工作人员在清理金属颗粒的过程中存在着一定的安全隐患。
实用新型内容
本实用新型的目的在于提供一种具有金属颗粒回收功能的数控机床清理结构,以解决上述背景技术中提出现有的数控机床加工中产生的金属颗粒主要依靠人工清理,耗费时间长,劳动强度大,工作人员在清理金属颗粒的过程中存在着一定的安全隐患的问题。
为实现上述目的,本实用新型提供如下技术方案:一种具有金属颗粒回收功能的数控机床清理结构,包括数控机床本体、第一风机、第二风机和电机,所述数控机床本体的左侧设置有防护门,且防护门的右端面安装有滑块,所述数控机床本体的内部设置有操作台,且操作台的下方固定有引导板,并且引导板的下方链接有第一集料箱,所述数控机床本体的右侧表面嵌入式安装有第一风机,且第一风机的左端与第一集料箱的右端相互连接,所述数控机床本体的上表面安装有第二风机,且第二风机的左侧连接有第二集料箱,并且第二集料箱的下方固定有软管,所述数控机床本体的内部安装有活动块,且活动块的下方设置有吸尘头,并且活动块的右侧固定有清洁刷,所述活动块的上方设置有凸块,且活动块的上表面与软管的下端面相互连接,所述数控机床本体的内部上方设置有螺纹杆,且螺纹杆从活动块的内部贯穿,所述螺纹杆的前方连接有齿轮,且齿轮的表面连接有传送带,所述数控机床本体的前表面嵌入式安装有电机,且电机的后方连接有齿轮。
优选的,所述防护门通过滑块与数控机床本体构成滑动结构,且滑块设置为圆形状结构。
优选的,所述引导板设置为倾斜状结构,且引导板的下端面与第一集料箱的上端面相贴合。
优选的,所述活动块通过凸块与数控机床本体构成滑动结构,且凸块关于活动块的中心点对称设置有2个,并且凸块设置为“T”形结构。
优选的,所述螺纹杆与活动块为螺纹连接,且螺纹杆关于活动块的中心点对称设置有2个,并且活动块的下方等间距排列有吸尘头。
优选的,所述齿轮与传送带为啮合连接,且齿轮与螺纹杆构成转动结构。
与现有技术相比,本实用新型的有益效果是:该具有金属颗粒回收功能的数控机床清理结构,
1.操作台下方设置有倾斜状结构的引导板,便于收集操作台上方掉落的金属颗粒,通过第一风机吸收进第一集料箱内部,对金属颗粒进行了有效的回收,通过防护门防止零件加工时飞溅的金属颗粒击伤工作人员,提升了数控机床操控中的安全系数;
2.活动块下方设置有吸尘头,便于将操作台上方的金属碎屑吸附到第二集料箱内,进一步提高了金属颗粒的回收效率,通过活动块后方的清洁刷,有利于将数控机床本体内壁上附着的金属颗粒清扫下来,便于对金属颗粒进行回收;
3.通过电机带动螺纹杆转动,从而带动活动块在数控机床本体内部前后移动,实现了全方位金属颗粒回收的自动化,避免了人工清理,减少了清扫的时间,降低了工作人员的劳动强度。
附图说明
图1为本实用新型正剖视结构示意图;
图2为本实用新型左剖视结构示意图;
图3为本实用新型俯剖视结构示意图;
图4为本实用新型防护门与数控机床本体安装左视结构示意图;
图5为本实用新型齿轮与传送带安装正视结构示意图;
图6为本实用新型图1中A处放大结构示意图。
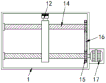
图中:1、数控机床本体;2、防护门;3、滑块;4、操作台;5、引导板;6、第一集料箱;7、第一风机;8、第二风机;9、第二集料箱;10、活动块;11、吸尘头;12、清洁刷;13、凸块;14、螺纹杆;15、齿轮;16、传送带;17、电机;18、软管。
具体实施方式
下面将结合本实用新型实施例中的附图,对本实用新型实施例中的技术方案进行清楚、完整地描述,显然,所描述的实施例仅仅是本实用新型一部分实施例,而不是全部的实施例。基于本实用新型中的实施例,本领域普通技术人员在没有做出创造性劳动前提下所获得的所有其他实施例,都属于本实用新型保护的范围。
请参阅图1-6,本实用新型提供一种技术方案:一种具有金属颗粒回收功能的数控机床清理结构,包括数控机床本体1、防护门2、滑块3、操作台4、引导板5、第一集料箱6、第一风机7、第二风机8、第二集料箱9、活动块10、吸尘头11、清洁刷12、凸块13、螺纹杆14、齿轮15、传送带16、电机17和软管18,数控机床本体1的左侧设置有防护门2,且防护门2的右端面安装有滑块3,数控机床本体1的内部设置有操作台4,且操作台4的下方固定有引导板5,并且引导板5的下方链接有第一集料箱6,数控机床本体1的右侧表面嵌入式安装有第一风机7,且第一风机7的左端与第一集料箱6的右端相互连接,数控机床本体1的上表面安装有第二风机8,且第二风机8的左侧连接有第二集料箱9,并且第二集料箱9的下方固定有软管18,数控机床本体1的内部安装有活动块10,且活动块10的下方设置有吸尘头11,并且活动块10的右侧固定有清洁刷12,活动块10的上方设置有凸块13,且活动块10的上表面与软管18的下端面相互连接,数控机床本体1的内部上方设置有螺纹杆14,且螺纹杆14从活动块10的内部贯穿,螺纹杆14的前方连接有齿轮15,且齿轮15的表面连接有传送带16,数控机床本体1的前表面嵌入式安装有电机17,且电机17的后方连接有齿轮15;
防护门2通过滑块3与数控机床本体1构成滑动结构,且滑块3设置为圆形状结构,通过滑块3增加了防护门2移动时的平稳性,通过防护门2防止零件加工时飞溅的金属颗粒击伤工作人员,提升了数控机床本体1操控中的安全系数;
引导板5设置为倾斜状结构,且引导板5的下端面与第一集料箱6的上端面相贴合,对操作台4下方的金属颗粒起到了引导的作用,便于第一风机7对金属颗粒进行吸附;
活动块10通过凸块13与数控机床本体1构成滑动结构,且凸块13关于活动块10的中心点对称设置有2个,并且凸块13设置为“T”形结构,通过凸块13增加了活动块10移动时的稳定性;
螺纹杆14与活动块10为螺纹连接,且螺纹杆14关于活动块10的中心点对称设置有2个,并且活动块10的下方等间距排列有吸尘头11,便于通过电机17带动螺纹杆14转动,从而带动活动块10在数控机床本体1的内部前后移动,实现了数控机床本体1内部金属颗粒回收的自动化;
齿轮15与传送带16为啮合连接,且齿轮15与螺纹杆14构成转动结构,通过齿轮15和传送带16共同作用,实现了2组螺纹杆14的同步转动。
工作原理:在使用该具有金属颗粒回收功能的数控机床清理结构时,根据图1-6所示,在数控机床本体1进行零件加工时,需要向后拉动防护门2,通过防护门2防止零件加工时飞溅的金属颗粒击伤工作人员,提升了数控机床本体1操控中的安全系数,通过滑块3增加了防护门2移动时的平稳性,在数控机床本体1对零件进行切削加工时,大量金属颗粒从操作台4上方掉落至引导板5上方,然后启动第一风机7,通过第一风机7将金属颗粒吸附至第一集料箱6的内部,第一风机7的左侧设置有滤网,通过滤网防止金属颗粒进入第一风机7的内部,保证了第一风机7的正常运行工作,少数未掉落到引导板5上方的金属颗粒附着在数控机床本体1的内壁表面和操作台4上方,此时可启动第二风机8和电机17,通过电机17带动螺纹杆14转动,数控机床本体1内部设置有2组螺纹杆14,通过齿轮15和传送带16带动2组螺纹杆14同步转动,当电机17正向转动时,活动块10向前移动,当电机17反向转动时,活动块10向后移动,通过控制电机17的转动方向实现了活动块10的前后移动,便于将操作台4上方的金属颗粒经吸尘头11和软管18吸附至第二集料箱9的内部,活动块10上方设置的凸块13增加了活动块10移动时的稳定性,当活动块10移动时,左侧的清洁刷12将数控机床本体1的内壁表面附着的金属颗粒清扫下来,便于吸尘头11吸附,通过第一风机7和第二风机8,实现了数控机床本体1内部金属颗粒的全方位回收,回收效率高,有利于金属颗粒的再利用,实现了金属颗粒回收的自动化,避免了人工清理,减少了清扫的时间,降低了工作人员的劳动强度,增加了整体的实用性。
尽管已经示出和描述了本实用新型的实施例,对于本领域的普通技术人员而言,可以理解在不脱离本实用新型的原理和精神的情况下可以对这些实施例进行多种变化、修改、替换和变型,本实用新型的范围由所附权利要求及其等同物限定。
Claims (6)
1.一种具有金属颗粒回收功能的数控机床清理结构,包括数控机床本体(1)、第一风机(7)、第二风机(8)和电机(17),其特征在于:所述数控机床本体(1)的左侧设置有防护门(2),且防护门(2)的右端面安装有滑块(3),所述数控机床本体(1)的内部设置有操作台(4),且操作台(4)的下方固定有引导板(5),并且引导板(5)的下方链接有第一集料箱(6),所述数控机床本体(1)的右侧表面嵌入式安装有第一风机(7),且第一风机(7)的左端与第一集料箱(6)的右端相互连接,所述数控机床本体(1)的上表面安装有第二风机(8),且第二风机(8)的左侧连接有第二集料箱(9),并且第二集料箱(9)的下方固定有软管(18),所述数控机床本体(1)的内部安装有活动块(10),且活动块(10)的下方设置有吸尘头(11),并且活动块(10)的右侧固定有清洁刷(12),所述活动块(10)的上方设置有凸块(13),且活动块(10)的上表面与软管(18)的下端面相互连接,所述数控机床本体(1)的内部上方设置有螺纹杆(14),且螺纹杆(14)从活动块(10)的内部贯穿,所述螺纹杆(14)的前方连接有齿轮(15),且齿轮(15)的表面连接有传送带(16),所述数控机床本体(1)的前表面嵌入式安装有电机(17),且电机(17)的后方连接有齿轮(15)。
2.根据权利要求1所述的一种具有金属颗粒回收功能的数控机床清理结构,其特征在于:所述防护门(2)通过滑块(3)与数控机床本体(1)构成滑动结构,且滑块(3)设置为圆形状结构。
3.根据权利要求1所述的一种具有金属颗粒回收功能的数控机床清理结构,其特征在于:所述引导板(5)设置为倾斜状结构,且引导板(5)的下端面与第一集料箱(6)的上端面相贴合。
4.根据权利要求1所述的一种具有金属颗粒回收功能的数控机床清理结构,其特征在于:所述活动块(10)通过凸块(13)与数控机床本体(1)构成滑动结构,且凸块(13)关于活动块(10)的中心点对称设置有2个,并且凸块(13)设置为“T”形结构。
5.根据权利要求1所述的一种具有金属颗粒回收功能的数控机床清理结构,其特征在于:所述螺纹杆(14)与活动块(10)为螺纹连接,且螺纹杆(14)关于活动块(10)的中心点对称设置有2个,并且活动块(10)的下方等间距排列有吸尘头(11)。
6.根据权利要求1所述的一种具有金属颗粒回收功能的数控机床清理结构,其特征在于:所述齿轮(15)与传送带(16)为啮合连接,且齿轮(15)与螺纹杆(14)构成转动结构。
Priority Applications (1)
| Application Number | Priority Date | Filing Date | Title |
|---|---|---|---|
| CN201921941015.2U CN211219864U (zh) | 2019-11-12 | 2019-11-12 | 一种具有金属颗粒回收功能的数控机床清理结构 |
Applications Claiming Priority (1)
| Application Number | Priority Date | Filing Date | Title |
|---|---|---|---|
| CN201921941015.2U CN211219864U (zh) | 2019-11-12 | 2019-11-12 | 一种具有金属颗粒回收功能的数控机床清理结构 |
Publications (1)
| Publication Number | Publication Date |
|---|---|
| CN211219864U true CN211219864U (zh) | 2020-08-11 |
Family
ID=71936599
Family Applications (1)
| Application Number | Title | Priority Date | Filing Date |
|---|---|---|---|
| CN201921941015.2U Active CN211219864U (zh) | 2019-11-12 | 2019-11-12 | 一种具有金属颗粒回收功能的数控机床清理结构 |
Country Status (1)
| Country | Link |
|---|---|
| CN (1) | CN211219864U (zh) |
Cited By (1)
| Publication number | Priority date | Publication date | Assignee | Title |
|---|---|---|---|---|
| CN114473253A (zh) * | 2022-04-15 | 2022-05-13 | 深圳锦帛方激光科技有限公司 | 一种定点全自动激光切削与防护降温装置 |
-
2019
- 2019-11-12 CN CN201921941015.2U patent/CN211219864U/zh active Active
Cited By (2)
| Publication number | Priority date | Publication date | Assignee | Title |
|---|---|---|---|---|
| CN114473253A (zh) * | 2022-04-15 | 2022-05-13 | 深圳锦帛方激光科技有限公司 | 一种定点全自动激光切削与防护降温装置 |
| CN114473253B (zh) * | 2022-04-15 | 2022-06-21 | 深圳锦帛方激光科技有限公司 | 一种定点全自动激光切削与防护降温装置 |
Similar Documents
| Publication | Publication Date | Title |
|---|---|---|
| CN115041839A (zh) | 一种清洁型金属加工用激光切割装置 | |
| CN115464457B (zh) | 一种基于机床加工的左右式环保吸尘排屑系统及方法 | |
| CN112719634A (zh) | 一种汽车零部件生产用的激光切割机 | |
| CN211219864U (zh) | 一种具有金属颗粒回收功能的数控机床清理结构 | |
| CN113523606A (zh) | 一种便于清除切屑的数控切割机 | |
| CN113635400A (zh) | 一种板材的无尘切割机构 | |
| CN108453822A (zh) | 一种防止废渣四溅的机械化工用切割装置 | |
| CN218427194U (zh) | 带有碎屑回收结构的数控机床 | |
| CN218800832U (zh) | 一种机床废料清理装置 | |
| CN218487886U (zh) | 铝板数控切割机床用随动清扫装置 | |
| CN215966669U (zh) | 多功能卧式带锯床 | |
| CN217775756U (zh) | 一种具有废料收集的数控锯床 | |
| CN215147235U (zh) | 一种防废料溅射的高效龙门铣床 | |
| CN116038411A (zh) | 一种数控加工设备防飞溅机构及其使用方法 | |
| CN214817380U (zh) | 一种砂轮机用除尘装置 | |
| CN213289935U (zh) | 一种机械领域加工用废料回收装置 | |
| CN222242679U (zh) | 一种数控车床碎屑收集机构 | |
| CN218476398U (zh) | 一种数控车床用废屑收集装置 | |
| CN211279225U (zh) | 一种具有防尘功能的大理石切割机 | |
| CN220162867U (zh) | 一种除尘型的倒角机 | |
| CN222308237U (zh) | 一种机床刀具冷却设备 | |
| CN221066634U (zh) | 一种芯材锯切设备 | |
| CN223656598U (zh) | 一种数控车床自动排屑装置 | |
| CN215328171U (zh) | 一种数控开料机的吸尘结构 | |
| CN220590342U (zh) | 一种粉末金属零配件加工用废料回收装置 |
Legal Events
| Date | Code | Title | Description |
|---|---|---|---|
| GR01 | Patent grant | ||
| GR01 | Patent grant |