CN211200495U - Equipment capable of measuring deep horizontal displacement of side wall of foundation pit by utilizing laser - Google Patents
Equipment capable of measuring deep horizontal displacement of side wall of foundation pit by utilizing laser Download PDFInfo
- Publication number
- CN211200495U CN211200495U CN201921814205.8U CN201921814205U CN211200495U CN 211200495 U CN211200495 U CN 211200495U CN 201921814205 U CN201921814205 U CN 201921814205U CN 211200495 U CN211200495 U CN 211200495U
- Authority
- CN
- China
- Prior art keywords
- side wall
- horizontal displacement
- reel
- foundation ditch
- laser
- Prior art date
- Legal status (The legal status is an assumption and is not a legal conclusion. Google has not performed a legal analysis and makes no representation as to the accuracy of the status listed.)
- Active
Links
- 238000006073 displacement reaction Methods 0.000 title claims abstract description 18
- 238000009434 installation Methods 0.000 claims abstract description 39
- 230000007246 mechanism Effects 0.000 claims abstract description 10
- 238000004804 winding Methods 0.000 claims abstract description 4
- 230000006378 damage Effects 0.000 abstract description 3
- 238000005259 measurement Methods 0.000 abstract description 2
- 238000000034 method Methods 0.000 description 2
- 230000009286 beneficial effect Effects 0.000 description 1
- 238000010276 construction Methods 0.000 description 1
- 239000012634 fragment Substances 0.000 description 1
- 230000008595 infiltration Effects 0.000 description 1
- 238000001764 infiltration Methods 0.000 description 1
- 239000011435 rock Substances 0.000 description 1
- 239000002002 slurry Substances 0.000 description 1
Images
Landscapes
- Length Measuring Devices By Optical Means (AREA)
Abstract
The utility model relates to an equipment of usable laser survey foundation ditch side wall deep horizontal displacement, including installing the fixed plate on foundation ditch hat roof beam or foundation ditch edge, be provided with the first installation pole that stretches out the fixed plate on the fixed plate, be provided with first reel at first installation pole rear end, be provided with first guide pulley at first installation pole front end, the winding is provided with data connection line on first reel, data connection line extends forward and is provided with the mounting panel that remains vertical state all the time around first guide pulley and downwardly extending's tip, be provided with the laser range finding sensor who is used for measuring the distance on the mounting panel, be provided with the guiding mechanism who is used for making the mounting panel remain vertical state all the time in the mounting panel both sides. The utility model discloses can monitor the measurement to the horizontal displacement of foundation ditch side wall from the top different degree of depth department on earth, can not normally during operation at the deviational survey pipe, need not measure at the inside redrilling of foundation ditch side wall, avoid wall structure to suffer destruction, practiced thrift engineering time and expense simultaneously.
Description
Technical Field
The utility model relates to an equipment of usable laser surveying foundation ditch side wall deep horizontal displacement.
Background
The foundation pit is one of main components in subway stations and high-rise buildings. When a foundation pit is excavated, in order to ensure the construction safety, the horizontal displacement of the side wall of the foundation pit must be monitored and measured. The traditional measuring method utilizes a pre-buried inclinometer and adopts an inclinometer for measurement. However, in field practice, the conditions of slurry infiltration, fragment blockage and the like often occur in the inclinometer, so that the inclinometer cannot enter the inclinometer.
Disclosure of Invention
In view of this, the utility model aims at providing an equipment of usable laser survey foundation ditch side wall deep horizontal displacement, novel structure, easy and simple to handle can monitor the horizontal displacement of foundation ditch side wall and measure, need not measure at the inside redrilling of foundation ditch side wall, avoid wall structure to suffer destruction, practiced thrift engineering time and expense simultaneously.
The technical scheme of the utility model is that: the utility model provides an equipment of usable laser survey foundation ditch side wall deep horizontal displacement, including installing the fixed plate on foundation ditch hat beam or foundation ditch edge, be provided with the first installation pole that stretches out the fixed plate on the fixed plate, be provided with first reel at first installation pole rear end, be provided with first guide pulley at first installation pole front end, the winding is provided with the data connecting wire on first reel, the data connecting wire extends forward and is provided with the mounting panel that keeps vertical state all the time around first guide pulley and downwardly extending's tip, be provided with the laser rangefinder sensor who is used for measuring horizontal distance between foundation ditch side wall and the sensor on the mounting panel, be provided with the guiding mechanism who is used for making the mounting panel keep vertical state all the time in mounting panel both sides.
Furthermore, the laser distance measuring device also comprises a controller which is electrically connected with the laser distance measuring sensor and used for receiving data and controlling the switch of the laser.
Furthermore, the upper end part of the data connecting line is connected with the controller, and length marks are arranged on the outer surface of the data connecting line at intervals of 0.5 m.
Further, guiding mechanism includes that two are located the second installation pole of first installation pole both sides respectively, is provided with the second reel at second installation pole rear end, is provided with the second guide pulley at second installation pole front end, the winding is provided with the guide wire on the second reel, the guide wire extends forward and walks around the second guide pulley and the both sides of downwardly extending through the mounting panel, tip at guide wire downwardly extending is provided with the toper sash weight, be provided with the spacing seat that is used for avoiding the toper sash weight to rock below the toper sash weight, be provided with on spacing seat with toper sash weight complex bell mouth.
Furthermore, first mounting holes are formed in the periphery of the limiting seat, adjusting bolts for adjusting the height of the limiting seat penetrate through the mounting holes, and locking nuts are arranged on the adjusting bolts.
Furthermore, a second mounting hole is formed in the fixing plate, a fixing bolt penetrates through the second mounting hole, and a fixing nut is arranged on the fixing bolt.
Further, a rocker is provided on the first reel.
Compared with the prior art, the beneficial effects of the utility model are that: the utility model discloses novel structure, easy and simple to handle, can monitor the horizontal displacement of foundation ditch side wall and measure, need not measure at the inside redrilling of foundation ditch side wall, avoid wall structure to suffer destruction, practiced thrift engineering time and expense simultaneously.
In order to make the aforementioned objects, features and advantages of the present invention comprehensible, embodiments accompanied with figures are described in detail below.
Drawings
Fig. 1 is a top view of an embodiment of the present invention;
fig. 2 is a sectional view taken along a line a-a of fig. 1 according to an embodiment of the present invention;
fig. 3 is a schematic view illustrating the installation of a mounting plate according to an embodiment of the present invention;
fig. 4 is an installation schematic view of a limiting seat according to an embodiment of the present invention;
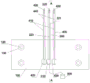
in the figure: 100-fixing plate; 110-a second mounting hole; 120-fixing bolts; 130-a fixing nut; 200-a first mounting bar; 210-a first reel; 220-a first guide wheel; 221-data connection lines; 222-a rocker; 223-length mark; 300-mounting plate; 310-laser ranging sensor; 400-a guide mechanism; 410-a second mounting bar; 420-a second reel; 430-a second guide wheel; 440-a guide wire; 450-conical drop hammer; 460-a limiting seat; 461-tapered hole; 462-a first mounting hole; 463-an adjusting bolt; 464-locking nut; 500-a controller.
Detailed Description
As shown in fig. 1 to 4, an apparatus for measuring a deep horizontal displacement of a side wall of a foundation pit by using a laser includes a fixing plate 100 installed on a crown beam of the foundation pit or an edge of the foundation pit, a first installation rod 200 extending out of the fixing plate 100 is provided on the fixing plate 100, a first reel 210 is provided at a rear end of the first installation rod 200, a first guide wheel 220 is provided at a front end of the first installation rod 200, a data connection line 221 is wound on the first reel 210, a mounting plate 300 which is always in a vertical state is provided at an end portion of the data connection line 221 which extends forward to bypass the first guide wheel 220 and extends downward, a laser distance measuring sensor 310 for measuring a distance is provided on the mounting plate 300, and guide mechanisms 400 for always keeping the mounting plate 300 in a vertical state are provided at both sides of the mounting. Fixed plate 100 is installed on the foundation ditch crown beam, first installation pole 200 is fixed on fixed plate 100, fixed plate 100 is stretched out to first installation pole 200 front end, hang in the foundation ditch top, first guide pulley 220 is fixed at the tip that first installation pole 200 stretches out fixed plate 100, first reel 210 is fixed at the tip that first installation pole 200 is located fixed plate 100, data connecting wire 221 one end is twined on first reel 210, the other end is walked around first guide pulley 220 and downwardly extending, mounting panel 300 hangs on data connecting wire 221, guiding mechanism 400 guarantees that mounting panel 300 remains vertical state throughout and is parallel with the wall, laser rangefinder sensor 310 measures its distance with the wall.
In this embodiment, the system further includes a controller 500 electrically connected to the laser ranging sensor 310 for receiving data and controlling the switching of the laser. Recording of data detected by laser range sensor 310 is performed by controller 500.
In this embodiment, the upper end of the data link 221 is connected to the controller 500, and length marks 223 are disposed on the outer surface of the data link 221 at intervals of 0.5 m.
In this embodiment, the guide mechanism 400 includes two second mounting rods 410 respectively located at both sides of the first mounting rod 200, a second reel 420 is disposed at a rear end of the second mounting rod 410, a second guide wheel 430 is disposed at a front end of the second mounting rod 410, a guide wire 440 is wound around the second reel 420, the guide wire 440 extends forward around the second guide wheel 430 and downwardly extends through both sides of the mounting plate 300, a tapered hanging weight 450 is disposed at a downwardly extending end of the guide wire 440, a stopper seat 460 for preventing the tapered hanging weight 450 from shaking is disposed below the tapered hanging weight 450, and a tapered hole 461 engaged with the tapered hanging weight 450 is disposed on the stopper seat 460. The second installation rod 410 is fixed on the fixing plate 100, the front end of the second installation rod 410 extends out of the fixing plate 100 and is suspended above the foundation pit, the second guide wheel 430 is fixed at the end part of the second installation rod 410 extending out of the fixing plate 100, the second reel 420 is fixed at the end part of the second installation rod 410 located on the fixing plate 100, one end of the guide wire 440 is wound on the second reel 420, the other end of the guide wire 440 extends downwards and bypasses the second guide wheel 430 and penetrates through two sides of the installation plate 300, and is movably connected with the installation plate 300, namely the installation plate 300 can vertically move up and down relative to the guide wire 440, the conical hanging hammer 450 is fixed at the end part of the guide wire 440 and plays a role in tensioning the guide wire 440, the limiting seat 460 further limits the conical hanging hammer 450, and avoids the.
In this embodiment, a first mounting hole 462 is disposed around the limiting seat 460, an adjusting bolt 463 for adjusting the height of the limiting seat 460 is disposed in the mounting hole, and a lock nut 464 is disposed on the adjusting bolt 463. The limiting seat 460 is fixed on the adjusting screw through a lock nut 464.
In this embodiment, the fixing plate 100 is provided with a second mounting hole 110, a fixing bolt 120 is inserted into the second mounting hole 110, and a fixing nut 130 is provided on the fixing bolt 120. The fixing plate 100 is fixed to the fixing bolt 120 by a fixing nut 130.
In the present embodiment, a rocker 222 is provided on the first reel 210.
The specific implementation mode is as follows: when the installation plate 300 is in operation, the rocker 222 is used for rocking the first reel 210 to adjust the lifting of the installation plate 300, the distance between wall surfaces with different heights and the laser ranging sensor 310 is measured, and then whether the wall surfaces are inclined or horizontally displaced is judged, and in the lifting process of the installation plate 300, the guide line 440 of the guide mechanism 400 limits the installation plate 300, so that the installation plate 300 is always kept in a vertical state and is parallel to the wall surfaces.
Above-mentioned operation flow and software and hardware configuration only do as the preferred embodiment of the utility model discloses a not therefore restrict the patent scope of the utility model, all utilize the utility model discloses the equivalent transform of doing of description and attached drawing content, or directly or indirectly use in relevant technical field, all the same reason is included in the patent protection scope of the utility model.
Claims (7)
1. The utility model provides an equipment of usable laser survey foundation ditch side wall deep horizontal displacement which characterized in that: including installing the fixed plate on foundation ditch crown beam or foundation ditch edge, be provided with the first installation pole that stretches out the fixed plate on the fixed plate, be provided with first reel at first installation pole rear end, be provided with first guide pulley at first installation pole front end, the winding is provided with the data connecting wire on first reel, the tip that the data connecting wire extends forward and bypasses first guide pulley and downwardly extending is provided with the mounting panel that remains vertical state all the time, be provided with the laser rangefinder sensor who is used for measuring foundation ditch boundary wall and sensor horizontal distance on the mounting panel, be provided with the guiding mechanism who is used for making the mounting panel remain vertical state all the time in the mounting panel both sides.
2. The apparatus for measuring deep horizontal displacement of side wall of foundation pit by using laser according to claim 1, wherein: the laser ranging device further comprises a controller which is electrically connected with the laser ranging sensor and used for receiving data and controlling the laser device to be switched on and off.
3. The apparatus for measuring deep horizontal displacement of side wall of foundation pit by using laser according to claim 2, wherein: the upper end of the data connecting line is connected with the controller, and length marks are arranged on the outer surface of the data connecting line at intervals of 0.5 m.
4. The apparatus for measuring deep horizontal displacement of side wall of foundation pit by using laser according to claim 3, wherein: the guide mechanism comprises two second installation rods which are respectively located on two sides of the first installation rod, a second reel is arranged at the rear end of the second installation rod, a second guide wheel is arranged at the front end of the second installation rod, a guide wire is wound on the second reel and extends forwards to wind around the second guide wheel and downwards to extend through two sides of the installation plate, a conical hanging hammer is arranged at the end part of the guide wire extending downwards, a limiting seat used for avoiding the conical hanging hammer to shake is arranged below the conical hanging hammer, and a conical hole matched with the conical hanging hammer is formed in the limiting seat.
5. The apparatus for measuring deep horizontal displacement of side wall of foundation pit by using laser according to claim 4, wherein: first mounting holes are formed in the periphery of the limiting seat, adjusting bolts for adjusting the height of the limiting seat penetrate through the mounting holes, and locking nuts are arranged on the adjusting bolts.
6. The apparatus for measuring deep horizontal displacement of side wall of foundation pit by using laser according to claim 5, wherein: and a second mounting hole is formed in the fixing plate, a fixing bolt penetrates through the second mounting hole, and a fixing nut is arranged on the fixing bolt.
7. The apparatus for measuring deep horizontal displacement of side wall of foundation pit by using laser according to claim 6, wherein: a rocker is provided on the first reel.
Priority Applications (1)
| Application Number | Priority Date | Filing Date | Title |
|---|---|---|---|
| CN201921814205.8U CN211200495U (en) | 2019-10-28 | 2019-10-28 | Equipment capable of measuring deep horizontal displacement of side wall of foundation pit by utilizing laser |
Applications Claiming Priority (1)
| Application Number | Priority Date | Filing Date | Title |
|---|---|---|---|
| CN201921814205.8U CN211200495U (en) | 2019-10-28 | 2019-10-28 | Equipment capable of measuring deep horizontal displacement of side wall of foundation pit by utilizing laser |
Publications (1)
| Publication Number | Publication Date |
|---|---|
| CN211200495U true CN211200495U (en) | 2020-08-07 |
Family
ID=71889040
Family Applications (1)
| Application Number | Title | Priority Date | Filing Date |
|---|---|---|---|
| CN201921814205.8U Active CN211200495U (en) | 2019-10-28 | 2019-10-28 | Equipment capable of measuring deep horizontal displacement of side wall of foundation pit by utilizing laser |
Country Status (1)
| Country | Link |
|---|---|
| CN (1) | CN211200495U (en) |
Cited By (2)
| Publication number | Priority date | Publication date | Assignee | Title |
|---|---|---|---|---|
| CN111980079A (en) * | 2020-08-13 | 2020-11-24 | 浙江工业大学 | Underground continuous wall horizontal displacement monitoring method and intelligent monitoring device |
| CN116815831A (en) * | 2023-04-03 | 2023-09-29 | 陕西建工第五建设集团有限公司 | Foundation pit paying-off equipment for measuring foundation pit parameters for foundation pit design |
-
2019
- 2019-10-28 CN CN201921814205.8U patent/CN211200495U/en active Active
Cited By (2)
| Publication number | Priority date | Publication date | Assignee | Title |
|---|---|---|---|---|
| CN111980079A (en) * | 2020-08-13 | 2020-11-24 | 浙江工业大学 | Underground continuous wall horizontal displacement monitoring method and intelligent monitoring device |
| CN116815831A (en) * | 2023-04-03 | 2023-09-29 | 陕西建工第五建设集团有限公司 | Foundation pit paying-off equipment for measuring foundation pit parameters for foundation pit design |
Similar Documents
| Publication | Publication Date | Title |
|---|---|---|
| CN203361660U (en) | Verticality adjustment and fixing device of reverse-building-method steel stand column | |
| CN105951747B (en) | A kind of construction method of the pre-buried lattice column of contrary sequence method | |
| CN211200495U (en) | Equipment capable of measuring deep horizontal displacement of side wall of foundation pit by utilizing laser | |
| CN113203368A (en) | Detection method of pile foundation pore-forming shape and perpendicularity detection device | |
| CN109881721A (en) | A kind of device and its application method that detection concrete is superfilled | |
| CN108286459B (en) | Method for Determining Potentially Dangerous Rock Formation Range of Roadway Roof | |
| CN104373041A (en) | Drilling deviation rectification method for 60-meter-long hole drilling of tunnel large pipe shed | |
| CN211927022U (en) | Water level monitoring device for geotechnical engineering | |
| CN107034797A (en) | Automatic lifting sand storm protection fence | |
| CN204457821U (en) | A kind of for construction of tunnel preliminary bracing anchor pole position scriber | |
| CN112945057A (en) | Drilling bored concrete pile bottom sediment detection device | |
| CN209130452U (en) | Suspension device for laser scanning equipment | |
| CN213539092U (en) | Foundation pile bores core and detects auxiliary device | |
| CN215252128U (en) | Paving and leveling device for road cement stabilized base layer | |
| CN212779195U (en) | Foundation pit settlement monitoring device | |
| CN216159889U (en) | A vertical detection device for construction engineering | |
| CN103335688A (en) | Three-dimensional material level and temperature monitoring device for circular coal yard | |
| CN210666436U (en) | Deep foundation pit construction monitoring system of construction site | |
| CN220978819U (en) | High and large formwork support monitoring device | |
| CN116007580A (en) | Device and method for detecting perpendicularity of bored pile hole | |
| CN208379619U (en) | A kind of quick sinking construction device of counter-force static pressure type open caisson | |
| CN217629311U (en) | Steady elevation control instrument of water | |
| CN208949937U (en) | A kind of subway open-cut foundation pit enclosure stake pile body gradient monitoring platform | |
| CN208398937U (en) | A kind of abutment hydrologic monitoring instrument auxiliary device | |
| CN206513100U (en) | Lamp stand sets up overturn-preventing motive power device |
Legal Events
| Date | Code | Title | Description |
|---|---|---|---|
| GR01 | Patent grant | ||
| GR01 | Patent grant |