CN211177789U - 一种电热鼓风干燥箱 - Google Patents
一种电热鼓风干燥箱 Download PDFInfo
- Publication number
- CN211177789U CN211177789U CN201921943619.0U CN201921943619U CN211177789U CN 211177789 U CN211177789 U CN 211177789U CN 201921943619 U CN201921943619 U CN 201921943619U CN 211177789 U CN211177789 U CN 211177789U
- Authority
- CN
- China
- Prior art keywords
- drying chamber
- wall
- device body
- drying
- air
- Prior art date
- Legal status (The legal status is an assumption and is not a legal conclusion. Google has not performed a legal analysis and makes no representation as to the accuracy of the status listed.)
- Active
Links
- 238000001035 drying Methods 0.000 title claims abstract description 79
- 238000005485 electric heating Methods 0.000 title description 4
- 238000010438 heat treatment Methods 0.000 claims abstract description 16
- 238000007605 air drying Methods 0.000 claims abstract description 4
- 238000007664 blowing Methods 0.000 claims description 9
- 239000012535 impurity Substances 0.000 abstract description 10
- 239000000126 substance Substances 0.000 abstract description 10
- 230000000694 effects Effects 0.000 abstract description 6
- 230000008878 coupling Effects 0.000 abstract 1
- 238000010168 coupling process Methods 0.000 abstract 1
- 238000005859 coupling reaction Methods 0.000 abstract 1
- 238000001914 filtration Methods 0.000 description 3
- 238000000746 purification Methods 0.000 description 2
- 230000009286 beneficial effect Effects 0.000 description 1
- 238000010586 diagram Methods 0.000 description 1
- 230000006698 induction Effects 0.000 description 1
- 238000005065 mining Methods 0.000 description 1
Images
Landscapes
- Drying Of Solid Materials (AREA)
Abstract
本实用新型公开了一种电热鼓风干燥箱,包括装置本体、集风罩、抽风机、放置架和干燥室,所述装置本体内部的中心位置处安装有干燥室,且干燥室两侧的内壁上皆设有放置架,并且相邻的放置架之间干燥室的内部安装有等间距的托盘架,所述干燥室底端的中心位置处安装有旋转电机,且旋转电机的输出端通过联轴器安装有转轴,并且转轴远离旋转电机的一端固定有旋转连杆,所述干燥室一侧的内壁上安装有加热网,且加热网的一侧的装置本体内壁上安装有送风机,装置本体的顶端安装有控制面板。本实用新型不仅实现了产品旋转均匀干燥,提高了干燥箱的空间利用率,空气中杂质和有害物质的去除,而且提高了干燥箱干燥的效果。
Description
技术领域
本实用新型涉及干燥箱技术领域,具体为一种电热鼓风干燥箱。
背景技术
电热鼓风干燥箱是一种利用电加热方式进行鼓风干燥的设备,广泛应用于实验仪器、实验样品的干燥,也可应用于工矿企业、化验室、科研单位等进行干燥,通过循环风机吹出热风,保证箱内温度平衡,来达到干燥产品的目的,现有的鼓风干燥设备在使用时仍有一些不足有待改进。
现今市场上的此类干燥箱种类繁多,基本可以满足人们的使用需求,但是依然存在一定的问题,具体问题有以下几点:
(1)现有的此类干燥箱在使用时一般不便于对物品进行旋转均匀受热干燥,从而严重的影响了干燥箱使用时产品的干燥效果;
(2)现有的此类干燥箱在使用时一般不便于调节干燥箱的储物空间,从而大大的影响了干燥箱使用时干燥箱内的空间利用率;
(3)现有的此类干燥箱在使用时一般不便于对外部空气进行除杂质和有害物质的去除,大大的影响了被干燥物品的安全性,从而给人们的使用带来了很大的困扰。
实用新型内容
本实用新型的目的在于提供一种电热鼓风干燥箱,以解决上述背景技术中提出干燥箱不便于对物品进行旋转均匀受热干燥,调节干燥箱的储物空间,不便于对外部空气进行除杂质和有害物质的去除的问题。
为实现上述目的,本实用新型提供如下技术方案:一种电热鼓风干燥箱,包括装置本体、集风罩、抽风机、放置架和干燥室,所述装置本体内部的中心位置处安装有干燥室,且干燥室两侧的内壁上皆设有放置架,并且相邻的放置架之间干燥室的内部安装有等间距的托盘架,托盘架的内部设有调节机构,所述放置架一侧的外壁上设有等间距的支撑凹槽,所述干燥室底端的中心位置处安装有旋转电机,且旋转电机的输出端通过联轴器安装有转轴,并且转轴远离旋转电机的一端固定有旋转连杆,且旋转连杆的一端与装置本体内壁相铰接,所述旋转连杆的表面套装有等间距的连杆套,托盘架上方的干燥室内壁上安装有温度感应器,所述干燥室一侧的内壁上安装有加热网,且加热网的一侧的装置本体内壁上安装有送风机,且送风机靠近加热网的一侧固定有送风罩,所述装置本体的顶端安装有控制面板,且控制面板内部单片机的输出端分别与抽风机、送风机、加热网以及转轴的输入端电性连接。
优选的,所述装置本体外壁上远离送风机的一侧安装有抽风机,且抽风机靠近放置架的一侧安装有集风罩,抽风机的顶端设有送风管,且送风管的一端延伸至净化箱的内部。
优选的,所述装置本体外壁上靠近送风机的一侧安装有净化箱,且净化箱的内部安装有紫外线灯,所述净化箱两端的内壁上皆设有支撑架,且相邻的干燥室之间净化箱内部安装有纳米过滤网。
优选的,所述支撑凹槽的一侧设有第一环形凹槽,且第一环形凹槽一侧的支撑凹槽内部设有第二环形凹槽,所述托盘架靠近支撑凹槽的一端设有第一环形凸块,托盘架靠近第二环形凹槽的一端设有第二环形凸块。
优选的,所述调节机构的内部依次设置有外螺纹、内螺纹、限位凸块、限位凹槽、支撑挡板以及手柄,所述连杆套的两侧皆设有支撑挡板,且支撑挡板的一侧设有手柄,并且手柄的外壁上均匀设置有外螺纹,支撑挡板的内壁上均匀设置有与外螺纹相互配合的内螺纹,外螺纹与内螺纹螺纹连接。
优选的,所述托盘架的一端固定有限位凸块,且限位凸块下方的连杆套内部设有限位凹槽。
与现有技术相比,本实用新型的有益效果是:该电热鼓风干燥箱不仅实现了产品旋转均匀干燥,提高了干燥箱的空间利用率,空气中杂质和有害物质的去除,而且提高了干燥箱干燥的效果;
(1)通过设置有外螺纹、内螺纹、支撑挡板以及手柄,根据产品的大小来调节托盘架与支撑凹槽放置的位置,通过托盘架的一端卡进支撑凹槽的内部,托盘架的另一端限位凸块卡进限位凹槽的内部,之后通过旋转手柄,在外螺纹与内螺纹的配合下,支撑挡板支撑下,将托盘架锁紧并卡在连杆套的内部,实现了干燥箱的储物空间的调节,提高了干燥箱的空间利用率;
(2)通过操作控制面板打开送风机,将外部的冷空气通过净化箱,由纳米过滤网的过滤下以及紫外线灯的照射下,除去空气中的杂质和有害物质,由送风罩传进干燥室的内部,实现了空气中杂质和有害物质的去除,保证了产品的质量避免二次污染;
(3)通过通过操作控制面板打开旋转电机,由转轴带动旋转连杆旋转,并由连杆套带动托盘架旋转,在第一环形凸块和第一环形凹槽的限位下,以及第二环形凸块和第二环形凹槽的限位下,托盘架匀速转动,实现了产品旋转均匀干燥,提高了干燥箱干燥的效果。
附图说明
图1为本实用新型的正视剖面结构示意图;
图2为本实用新型的俯视剖面结构示意图;
图3为本实用新型的调节机构剖视放大结构示意图;
图4为本实用新型的图1中A处放大结构示意图;
图5为本实用新型的系统框架结构示意图。
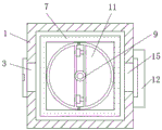
图中:1、装置本体;2、集风罩;3、抽风机;4、送风管;5、放置架;6、调节机构;601、外螺纹;602、内螺纹;603、限位凸块;604、限位凹槽;605、支撑挡板;606、手柄;7、干燥室;8、温度感应器;9、旋转连杆;10、控制面板;11、托盘架;12、净化箱;13、紫外线灯;14、纳米过滤网;15、送风机;16、送风罩;17、支撑架;18、加热网;19、第一环形凹槽;20、第一环形凸块;21、第二环形凹槽;22、第二环形凸块;23、旋转电机;24、转轴;25、连杆套;26、支撑凹槽。
具体实施方式
下面将结合本实用新型实施例中的附图,对本实用新型实施例中的技术方案进行清楚、完整地描述,显然,所描述的实施例仅仅是本实用新型一部分实施例,而不是全部的实施例。基于本实用新型中的实施例,本领域普通技术人员在没有做出创造性劳动前提下所获得的所有其他实施例,都属于本实用新型保护的范围。
请参阅图1-5,本实用新型提供的一种实施例:一种电热鼓风干燥箱,包括装置本体1、集风罩2、抽风机3、放置架5和干燥室7,装置本体1内部的中心位置处安装有干燥室7,且干燥室7两侧的内壁上皆设有放置架5,并且相邻的放置架5之间干燥室7的内部安装有等间距的托盘架11,托盘架11的内部设有调节机构6;
调节机构6的内部依次设置有外螺纹601、内螺纹602、限位凸块603、限位凹槽604、支撑挡板605以及手柄606,连杆套25的两侧皆设有支撑挡板605,且支撑挡板605的一侧设有手柄606,并且手柄606的外壁上均匀设置有外螺纹601,支撑挡板605的内壁上均匀设置有与外螺纹601相互配合的内螺纹602,外螺纹601与内螺纹602螺纹连接,托盘架11的一端固定有限位凸块603,且限位凸块603下方的连杆套25内部设有限位凹槽604;
使用时根据产品的大小来调节托盘架11与支撑凹槽26放置的位置,通过托盘架11的一端卡进支撑凹槽26的内部,托盘架11的另一端限位凸块603卡进限位凹槽604的内部,之后通过旋转手柄606,在外螺纹601与内螺纹602的配合下,支撑挡板605支撑下,将托盘架11锁紧并卡在连杆套25的内部,实现了干燥箱的储物空间的调节,提高了干燥箱的空间利用率;
放置架5一侧的外壁上设有等间距的支撑凹槽26,支撑凹槽26的一侧设有第一环形凹槽19,且第一环形凹槽19一侧的支撑凹槽26内部设有第二环形凹槽21,托盘架11靠近支撑凹槽26的一端设有第一环形凸块20,托盘架11靠近第二环形凹槽21的一端设有第二环形凸块22,干燥室7底端的中心位置处安装有旋转电机23,旋转电机23的型号为MR-J2S-10A,控制面板10内部单片机的输出端与旋转电机23的输入端电性连接,且旋转电机23的输出端通过联轴器安装有转轴24,并且转轴24远离旋转电机23的一端固定有旋转连杆9,且旋转连杆9的一端与装置本体1内壁相铰接,旋转连杆9的表面套装有等间距的连杆套25;
使用时通过通过操作控制面板10打开旋转电机23,由转轴24带动旋转连杆9旋转,并由连杆套25带动托盘架11旋转,在第一环形凸块20和第一环形凹槽19的限位下,以及第二环形凸块22和第二环形凹槽21的限位下,托盘架11匀速转动,实现了产品旋转均匀干燥,提高了干燥箱干燥的效果;
托盘架11上方的干燥室7内壁上安装有温度感应器8,温度感应器8的型号为602F-3500F,控制面板10内部单片机的输入端与温度感应器8的输出端电性连接,干燥室7一侧的内壁上安装有加热网18,加热网18的型号为WMZ5-D081,控制面板10内部单片机的输出端与加热网18的输入端电性连接,且加热网18的一侧的装置本体1内壁上安装有送风机15,送风机15的型号为Y9-35-11,控制面板10内部单片机的输出端与送风机15的输入端电性连接,且送风机15靠近加热网18的一侧固定有送风罩16,装置本体1外壁上靠近送风机15的一侧安装有净化箱12,且净化箱12的内部安装有紫外线灯13,净化箱12两端的内壁上皆设有支撑架17,且相邻的干燥室7之间净化箱12内部安装有纳米过滤网14;
使用时通过操作控制面板10打开送风机15,将外部的冷空气通过净化箱12,由纳米过滤网14的过滤下以及紫外线灯13的照射下,除去空气中的杂质和有害物质,由送风罩16传进干燥室7的内部,实现了空气中杂质和有害物质的去除,保证了产品的质量避免二次污染;
装置本体1外壁上远离送风机15的一侧安装有抽风机3,抽风机3的型号为Y9-35-10,控制面板10内部单片机的输出端与抽风机3的输入端电性连接,且抽风机3靠近放置架5的一侧安装有集风罩2,抽风机3的顶端设有送风管4,且送风管4的一端延伸至净化箱12的内部,装置本体1的顶端安装有控制面板10,且控制面板10内部单片机的输出端分别与抽风机3、送风机15、加热网18以及转轴24的输入端电性连接。
工作原理:使用时,外接电源,首先通过工作人员将产品放置在托盘架11的上方,根据产品的大小来调节托盘架11与支撑凹槽26放置的位置,之后通过托盘架11的一端卡进支撑凹槽26的内部,托盘架11的另一端限位凸块603卡进限位凹槽604的内部,通过旋转手柄606,在外螺纹601与内螺纹602的配合下,支撑挡板605支撑下,将托盘架11锁紧并卡在连杆套25的内部,实现干燥箱的储物空间的调节,提高干燥箱的空间利用率,操作控制面板10打开送风机15,将外部的冷空气通过净化箱12,在纳米过滤网14的过滤下以及紫外线灯13的照射下,除去空气中的杂质和有害物质,实现空气中杂质和有害物质的去除,保证产品的质量避免二次污染,由送风罩16传进干燥室7的内部,并通过加热网18对风进行加热,由温度感应器8感应温度变化,并反馈至控制面板10,再通过操作控制面板10打开旋转电机23,由转轴24带动旋转连杆9旋转,并由连杆套25带动托盘架11旋转,在第一环形凸块20和第一环形凹槽19的限位下,以及第二环形凸块22和第二环形凹槽21的限位下,托盘架11匀速转动,实现产品旋转均匀干燥,提高干燥箱干燥的效果,来完成干燥箱的使用工作。
对于本领域技术人员而言,显然本实用新型不限于上述示范性实施例的细节,而且在不背离本实用新型的精神或基本特征的情况下,能够以其他的具体形式实现本实用新型。因此,无论从哪一点来看,均应将实施例看作是示范性的,而且是非限制性的,本实用新型的范围由所附权利要求而不是上述说明限定,因此旨在将落在权利要求的等同要件的含义和范围内的所有变化囊括在本实用新型内。不应将权利要求中的任何附图标记视为限制所涉及的权利要求。
Claims (6)
1.一种电热鼓风干燥箱,包括装置本体(1)、集风罩(2)、抽风机(3)、放置架(5)和干燥室(7),其特征在于:所述装置本体(1)内部的中心位置处安装有干燥室(7),且干燥室(7)两侧的内壁上皆设有放置架(5),并且相邻的放置架(5)之间干燥室(7)的内部安装有等间距的托盘架(11),托盘架(11)的内部设有调节机构(6),所述放置架(5)一侧的外壁上设有等间距的支撑凹槽(26),所述干燥室(7)底端的中心位置处安装有旋转电机(23),且旋转电机(23)的输出端通过联轴器安装有转轴(24),并且转轴(24)远离旋转电机(23)的一端固定有旋转连杆(9),且旋转连杆(9)的一端与装置本体(1)内壁相铰接,所述旋转连杆(9)的表面套装有等间距的连杆套(25),托盘架(11)上方的干燥室(7)内壁上安装有温度感应器(8),所述干燥室(7)一侧的内壁上安装有加热网(18),且加热网(18)的一侧的装置本体(1)内壁上安装有送风机(15),且送风机(15)靠近加热网(18)的一侧固定有送风罩(16),所述装置本体(1)的顶端安装有控制面板(10),且控制面板(10)内部单片机的输出端分别与抽风机(3)、送风机(15)、加热网(18)以及转轴(24)的输入端电性连接。
2.根据权利要求1所述的一种电热鼓风干燥箱,其特征在于:所述装置本体(1)外壁上远离送风机(15)的一侧安装有抽风机(3),且抽风机(3)靠近放置架(5)的一侧安装有集风罩(2),抽风机(3)的顶端设有送风管(4),且送风管(4)的一端延伸至净化箱(12)的内部。
3.根据权利要求1所述的一种电热鼓风干燥箱,其特征在于:所述装置本体(1)外壁上靠近送风机(15)的一侧安装有净化箱(12),且净化箱(12)的内部安装有紫外线灯(13),所述净化箱(12)两端的内壁上皆设有支撑架(17),且相邻的干燥室(7)之间净化箱(12)内部安装有纳米过滤网(14)。
4.根据权利要求1所述的一种电热鼓风干燥箱,其特征在于:所述支撑凹槽(26)的一侧设有第一环形凹槽(19),且第一环形凹槽(19)一侧的支撑凹槽(26)内部设有第二环形凹槽(21),所述托盘架(11)靠近支撑凹槽(26)的一端设有第一环形凸块(20),托盘架(11)靠近第二环形凹槽(21)的一端设有第二环形凸块(22)。
5.根据权利要求1所述的一种电热鼓风干燥箱,其特征在于:所述调节机构(6)的内部依次设置有外螺纹(601)、内螺纹(602)、限位凸块(603)、限位凹槽(604)、支撑挡板(605)以及手柄(606),所述连杆套(25)的两侧皆设有支撑挡板(605),且支撑挡板(605)的一侧设有手柄(606),并且手柄(606)的外壁上均匀设置有外螺纹(601),支撑挡板(605)的内壁上均匀设置有与外螺纹(601)相互配合的内螺纹(602),外螺纹(601)与内螺纹(602)螺纹连接。
6.根据权利要求5所述的一种电热鼓风干燥箱,其特征在于:所述托盘架(11)的一端固定有限位凸块(603),且限位凸块(603)下方的连杆套(25)内部设有限位凹槽(604)。
Priority Applications (1)
| Application Number | Priority Date | Filing Date | Title |
|---|---|---|---|
| CN201921943619.0U CN211177789U (zh) | 2019-11-12 | 2019-11-12 | 一种电热鼓风干燥箱 |
Applications Claiming Priority (1)
| Application Number | Priority Date | Filing Date | Title |
|---|---|---|---|
| CN201921943619.0U CN211177789U (zh) | 2019-11-12 | 2019-11-12 | 一种电热鼓风干燥箱 |
Publications (1)
| Publication Number | Publication Date |
|---|---|
| CN211177789U true CN211177789U (zh) | 2020-08-04 |
Family
ID=71807286
Family Applications (1)
| Application Number | Title | Priority Date | Filing Date |
|---|---|---|---|
| CN201921943619.0U Active CN211177789U (zh) | 2019-11-12 | 2019-11-12 | 一种电热鼓风干燥箱 |
Country Status (1)
| Country | Link |
|---|---|
| CN (1) | CN211177789U (zh) |
Cited By (2)
| Publication number | Priority date | Publication date | Assignee | Title |
|---|---|---|---|---|
| CN111912203A (zh) * | 2020-08-18 | 2020-11-10 | 鸿坤土壤修复科技(苏州)有限公司 | 一种微生物有机肥低温脱水设备及脱水方法 |
| CN112503859A (zh) * | 2020-11-25 | 2021-03-16 | 江苏汇能燃气催化科技有限公司 | 一种可对有害气体处理的红外烘干装置 |
-
2019
- 2019-11-12 CN CN201921943619.0U patent/CN211177789U/zh active Active
Cited By (2)
| Publication number | Priority date | Publication date | Assignee | Title |
|---|---|---|---|---|
| CN111912203A (zh) * | 2020-08-18 | 2020-11-10 | 鸿坤土壤修复科技(苏州)有限公司 | 一种微生物有机肥低温脱水设备及脱水方法 |
| CN112503859A (zh) * | 2020-11-25 | 2021-03-16 | 江苏汇能燃气催化科技有限公司 | 一种可对有害气体处理的红外烘干装置 |
Similar Documents
| Publication | Publication Date | Title |
|---|---|---|
| CN107504793B (zh) | 一种物料的烘干机械设备 | |
| CN211177789U (zh) | 一种电热鼓风干燥箱 | |
| CN113819730A (zh) | 一种棉花加工用多级烘干装置 | |
| CN210663584U (zh) | 一种化工产品加工用干燥装置 | |
| CN218993878U (zh) | 一种鼓风干燥器 | |
| CN206094805U (zh) | 一种新型节能环保炒药机 | |
| CN211041621U (zh) | 一种可调节温度的干燥箱 | |
| CN215141751U (zh) | 一种固化胶水用加热烘干箱 | |
| CN206392369U (zh) | 一种蜂窝板涂层双面烘干装置 | |
| CN212481992U (zh) | 一种高效的化纤干燥设备 | |
| CN210746995U (zh) | 一种便于将粮食取出的粮食加工用干燥装置 | |
| CN211084693U (zh) | 一种纸制品加工用烘干装置 | |
| CN212806322U (zh) | 一种中成药生产用均匀干燥装置 | |
| CN220959358U (zh) | 一种陶瓷毛坯烘干装置 | |
| CN209960888U (zh) | 一种电热恒温鼓风干燥箱 | |
| CN210569825U (zh) | 一种硅微粉生产干燥装置 | |
| CN217226415U (zh) | 一种温度可调节的注塑机烘料节能装置 | |
| CN216558117U (zh) | 一种电热恒温鼓风干燥箱 | |
| CN222352738U (zh) | 一种食品加工预处理用脱水装置 | |
| CN221566249U (zh) | 一种温度分布均匀的铝型材时效炉 | |
| CN216592525U (zh) | 一种陶瓷产品的烘干装置 | |
| CN215809821U (zh) | 一种耐火砖制作的烘干装置 | |
| CN220338914U (zh) | 一种氢氧化铜泥压滤预处理装置 | |
| CN211651119U (zh) | 一种电气自动化烘干装置 | |
| CN219531457U (zh) | 一种中药材烘干设备 |
Legal Events
| Date | Code | Title | Description |
|---|---|---|---|
| GR01 | Patent grant | ||
| GR01 | Patent grant |