CN211119988U - Multistage compression multistage condensation intermediate flash incomplete cooling medium-high temperature heat pump system - Google Patents
Multistage compression multistage condensation intermediate flash incomplete cooling medium-high temperature heat pump system Download PDFInfo
- Publication number
- CN211119988U CN211119988U CN201921465389.1U CN201921465389U CN211119988U CN 211119988 U CN211119988 U CN 211119988U CN 201921465389 U CN201921465389 U CN 201921465389U CN 211119988 U CN211119988 U CN 211119988U
- Authority
- CN
- China
- Prior art keywords
- stage
- outlet
- inlet
- condenser
- gas
- Prior art date
- Legal status (The legal status is an assumption and is not a legal conclusion. Google has not performed a legal analysis and makes no representation as to the accuracy of the status listed.)
- Expired - Fee Related
Links
- 238000007906 compression Methods 0.000 title claims abstract description 34
- 230000006835 compression Effects 0.000 title claims abstract description 33
- 238000001816 cooling Methods 0.000 title claims abstract description 22
- 238000009833 condensation Methods 0.000 title claims abstract description 14
- 230000005494 condensation Effects 0.000 title claims abstract description 14
- XLYOFNOQVPJJNP-UHFFFAOYSA-N water Substances O XLYOFNOQVPJJNP-UHFFFAOYSA-N 0.000 claims abstract description 54
- 239000007788 liquid Substances 0.000 claims abstract description 41
- 239000003507 refrigerant Substances 0.000 claims abstract description 10
- 239000012530 fluid Substances 0.000 claims description 85
- 239000000203 mixture Substances 0.000 claims description 2
- 238000010438 heat treatment Methods 0.000 abstract description 34
- 238000000034 method Methods 0.000 abstract description 20
- 238000001704 evaporation Methods 0.000 abstract description 5
- 230000002427 irreversible effect Effects 0.000 abstract description 5
- 230000008020 evaporation Effects 0.000 abstract description 4
- 239000011555 saturated liquid Substances 0.000 description 18
- 229920006395 saturated elastomer Polymers 0.000 description 12
- 238000010586 diagram Methods 0.000 description 7
- 239000002826 coolant Substances 0.000 description 2
- 230000009977 dual effect Effects 0.000 description 2
- 238000004519 manufacturing process Methods 0.000 description 2
- 238000000926 separation method Methods 0.000 description 2
- 230000007423 decrease Effects 0.000 description 1
- 230000005611 electricity Effects 0.000 description 1
- 238000004134 energy conservation Methods 0.000 description 1
- 239000000446 fuel Substances 0.000 description 1
- MSSNHSVIGIHOJA-UHFFFAOYSA-N pentafluoropropane Chemical compound FC(F)CC(F)(F)F MSSNHSVIGIHOJA-UHFFFAOYSA-N 0.000 description 1
- 230000008092 positive effect Effects 0.000 description 1
- 230000002035 prolonged effect Effects 0.000 description 1
Images
Landscapes
- Heat-Pump Type And Storage Water Heaters (AREA)
Abstract
本实用新型提出一种多级压缩多级冷凝中间闪蒸不完全冷却多温级中高温热泵系统。本实用新型由蒸发器、各级压缩机、各级冷凝器、各级节流阀和各级气液分离器组成,其中包括多级连续压缩工质热泵循环和常温水连续加热过程;多级压缩多级冷凝中间闪蒸不完全冷却中高温热泵系统,可按照工艺需求设为多级(简称n级),温升越高,设置级数越多。通过制冷剂的多级压缩和多级冷凝过程,对常温水进行多次连续加热,可显著减小常温水加热过程中与制冷剂的换热不可逆损失,各级压缩机的压缩比较小。在冷凝器间并联供暖热水加热管路可用于房间供暖,实现热量梯级利用。
The utility model proposes a multi-stage compression, multi-stage condensation, intermediate flash, incomplete cooling, multi-temperature stage, medium and high temperature heat pump system. The utility model is composed of evaporators, compressors of all levels, condensers of all levels, throttle valves of all levels and gas-liquid separators of all levels, which includes a multi-stage continuous compression working medium heat pump cycle and a continuous heating process of normal temperature water; The middle and high temperature heat pump system for the incomplete cooling of the intermediate flash evaporation in the compression multi-stage condensation can be set to multi-stage (n-stage for short) according to the process requirements. The higher the temperature rise, the more stages are set. Through the multi-stage compression and multi-stage condensation process of the refrigerant, the room temperature water is continuously heated for many times, which can significantly reduce the irreversible loss of heat exchange with the refrigerant during the heating process of the room temperature water, and the compression ratio of the compressors at all levels is small. Parallel heating and hot water heating pipelines between condensers can be used for room heating to achieve cascade utilization of heat.
Description
技术领域technical field
本实用新型涉及热泵技术领域,特别是涉及一种多级压缩多级冷凝中间闪蒸不完全冷却中高温热泵系统。The utility model relates to the technical field of heat pumps, in particular to a medium-high temperature heat pump system for multi-stage compression, multi-stage condensation, intermediate flash, incomplete cooling, and incomplete cooling.
背景技术Background technique
生活中及工业上对中高温热水及蒸汽的需求十分广泛,然而生产中高温热水往往会消耗大量电力及燃料资源。热泵产品作为一种清洁、高效、稳定的采暖设备已得到广泛使用,进一步提高热泵设备的能效对推动节能减排,提升经济效益具有重要的实际意义和社会价值。The demand for medium and high temperature hot water and steam in daily life and industry is very extensive, but the production of medium and high temperature hot water often consumes a lot of electricity and fuel resources. Heat pump products have been widely used as a clean, efficient and stable heating equipment. Further improving the energy efficiency of heat pump equipment has important practical significance and social value to promote energy conservation and emission reduction, and improve economic benefits.
采用常规中高温热泵系统冷凝温度恒定,常温水在冷凝器中直接加热,常温水进出口温差较大,受冷凝器制冷剂和常温水换热温差的限制,冷凝器中两侧流体的换热温差分布严重不均匀,导致冷凝器中平均换热温差很大,换热过程产生较大的不可逆损失,系统能效较低。使用非共沸工质的常规单级压缩热泵系统,其蒸发和冷凝过程的温度滑移相当,适用于热源和热沉侧换热流体温度变化接近的工况,但对于中高温热泵系统,热源侧的温度变化一般较小,热沉侧的水或蒸汽的温度升较大或很大,远大于热源侧流体的温降。并且对于热源和热沉温跨较大的工况,常规压缩机压缩比较大,压缩机效率低。The condensing temperature of the conventional medium and high temperature heat pump system is constant, the normal temperature water is directly heated in the condenser, and the temperature difference between the inlet and outlet of the normal temperature water is large. The temperature difference distribution is seriously uneven, resulting in a large average heat exchange temperature difference in the condenser, large irreversible losses in the heat exchange process, and low energy efficiency of the system. The conventional single-stage compression heat pump system using non-azeotropic working fluid has similar temperature glides in the evaporation and condensation processes, and is suitable for the conditions where the temperature changes of the heat exchange fluid at the heat source and the heat sink side are similar, but for the medium and high temperature heat pump system, the heat source The temperature change on the side is generally small, and the temperature rise of the water or steam on the heat sink side is large or large, which is much greater than the temperature drop of the fluid on the heat source side. And for the working conditions with large temperature span of heat source and heat sink, the compression ratio of conventional compressors is large, and the compressor efficiency is low.
实用新型内容Utility model content
本实用新型提供了一种多级压缩多级冷凝中间闪蒸不完全冷却多温级中高温热泵系统,以解决换热过程不可逆损失大、压缩比大以及系统能效低的问题。The utility model provides a multi-stage compression multi-stage condensation intermediate flash incomplete cooling multi-temperature stage medium-high temperature heat pump system to solve the problems of large irreversible loss in the heat exchange process, large compression ratio and low system energy efficiency.
本实用新型所采取的技术方案是:The technical scheme adopted by the utility model is:
多级压缩多级冷凝中间闪蒸不完全冷却多温级中高温热泵系统,其中包括多级连续压缩工质热泵循环和常温水连续加热过程;多级压缩多级冷凝中间闪蒸不完全冷却中高温热泵系统,可按照工艺需求设为多级(简称n级),温升越高,设置级数越多。Multi-stage compression and multi-stage condensation intermediate flash incomplete cooling multi-temperature stage medium and high temperature heat pump system, including multi-stage continuous compression working fluid heat pump cycle and continuous heating process of normal temperature water; multi-stage compression and multi-stage condensation intermediate flash incomplete cooling process The high temperature heat pump system can be set to multi-stage (n-stage for short) according to the process requirements. The higher the temperature rise, the more stages can be set.
一种多级压缩多级冷凝中间闪蒸不完全冷却中高温热泵系统,所述系统中3 ≤i≤n-1,n≥4;A multi-stage compression and multi-stage condensation intermediate flash incomplete cooling medium and high temperature heat pump system, in the system, 3≤i≤n-1, n≥4;
第一级压缩机3出口与第一级冷凝器4工质侧入口相连,第一级压缩机3工质侧出口与第二级压缩机6入口相连,第一级冷凝器4工质侧出口与第一级节流阀5入口相连,第二级气液分离器9出口与第一级节流阀5入口相连,第一级节流阀5出口与蒸发器2工质侧入口相连,蒸发器2工质侧出口与所述第一级压缩机3入口相连;常温水出口与第二级冷凝器7换热流体侧入口相连,第二级冷凝器7换热流体侧出口与第三级冷凝器换热流体(热水或蒸汽)侧入口相连,第i 级冷凝器11换热流体侧出口与第n级冷凝器15换热流体侧入口相连,第n级冷凝器15换热流体侧出口与中高温热水或高温蒸汽入口相连;The outlet of the
第i-1级压缩机出口与第i级压缩机入口相连,第i级气液分离器与第i级压缩机入口相连,第i级压缩机出口与第i+1级压缩机入口相连,第i级压缩机出口与第i级冷凝器工质侧入口相连,第i级冷凝器工质侧出口与第i级节流阀入口连接,第i+1级气液分离器出口与第i级节流阀入口相连,第i级节流阀出口与第i级气液分离器的入口相连,第i级气液分离器的出口与第i-1级节流阀入口相连;The i-1 stage compressor outlet is connected to the i stage compressor inlet, the i stage gas-liquid separator is connected to the i stage compressor inlet, the i stage compressor outlet is connected to the i+1 stage compressor inlet, The outlet of the i-th stage compressor is connected to the working fluid side inlet of the i-th stage condenser, the working fluid side outlet of the i-th stage condenser is connected to the i-th stage throttle valve inlet, and the i+1 stage gas-liquid separator outlet is connected to the i-th stage. The inlet of the first stage throttle valve is connected, the outlet of the i-th stage throttle valve is connected with the inlet of the i-th stage gas-liquid separator, and the outlet of the i-th stage gas-liquid separator is connected with the i-1 stage throttle valve inlet;
第n-1级压缩机出口与第n级压缩机14入口相连,第n级气液分离器17侧出口与第n级压缩机14入口相连,第n级压缩机14出口与第n级冷凝器15工质侧入口相连,第n级冷凝器15工质侧出口与第n级节流阀16入口连接,第n 级节流阀16出口与第n级气液分离器17入口相连,第n级气液分离器17出口与第n-1级节流阀入口相连。The outlet of the n-1st stage compressor is connected to the inlet of the
常温水依次流入各温级冷凝器进行加热,被连续加热至工艺设计温度,得到工艺所需中高温热水或高温蒸汽,完成常温水连续加热过程。The normal temperature water flows into each temperature stage condenser in turn for heating, and is continuously heated to the process design temperature to obtain medium and high temperature hot water or high temperature steam required by the process to complete the continuous heating process of normal temperature water.
工质可采用R1234ze(Z)、R1234ze(E)、R1233zd(E)、R1224yd(Z)、 R1336mzz(Z)、R365mfc、R1234yf、R245fa等纯制冷剂,也可采用CO2/R1234ze(E)、 CO2/R1234ze(Z)、CO2/R1234yf、R41/R1234ze(E)、R41/R1234ze(Z)、R41/R1234yf、 R32/R1234ze(E)、R32/R1234ze(Z)、R32/R1234yf等非共沸混合工质。对于非共沸混合工质,选配温度滑移与蒸发器换热流体进出口温差相当的制冷剂。The working fluid can use pure refrigerants such as R1234ze(Z), R1234ze(E), R1233zd(E), R1224yd(Z), R1336mzz(Z), R365mfc, R1234yf, R245fa, etc., or CO 2 /R1234ze(E), CO 2 /R1234ze(Z), CO 2 /R1234yf, R41/R1234ze(E), R41/R1234ze(Z), R41/R1234yf, R32/R1234ze(E), R32/R1234ze(Z), R32/R1234yf, etc. Azeotropic mixture. For non-azeotropic mixed working fluid, choose a refrigerant whose temperature glide is equivalent to the temperature difference between the inlet and outlet of the heat exchange fluid of the evaporator.
级数确定原则为:为保证蒸发器和冷凝器换热过程同时匹配,根据工艺要求对常温水加热的温升以及热源换热流体的温降,计算(常温水加热温升/热源换热流体冷却温降),取整作为系统的级数。The principle for determining the number of stages is: in order to ensure that the heat exchange processes of the evaporator and the condenser are matched at the same time, according to the process requirements, the temperature rise of the normal temperature water heating and the temperature drop of the heat source heat exchange fluid are calculated (normal temperature water heating temperature rise / heat source heat exchange fluid) Cooling temperature drop), rounded up as the number of stages of the system.
本系统还可以将各温级冷凝器并联供暖热水加热管路,应用为多级压缩多级冷凝中间闪蒸不完全冷却热泵两联供系统。供热末端可配置风机盘管、地盘管、暖气片等装置,各级冷凝器直接为其提供热量,用于房间供暖,实现热量梯级利用。The system can also connect the temperature-stage condensers in parallel with the heating and hot water heating pipelines, which can be used as a multi-stage compression and multi-stage condensation intermediate flash incomplete cooling heat pump dual supply system. The heating end can be equipped with fan coils, floor coils, radiators and other devices, and the condensers at all levels can directly provide heat for it, which is used for room heating and realizes the cascade utilization of heat.
与现有技术相比,本实用新型具有的优点和积极效果是:Compared with the prior art, the advantages and positive effects of the present utility model are:
(1)与常规纯质单级压缩热泵系统相比,本实用新型中常温水在多级冷凝器内连续加热,水在各级冷凝器内的温升较低,制冷剂各温位冷凝过程与常温水加热过程形成良好的温度匹配,可显著降低换热流体与工质的换热温差,降低换热流体与制冷剂之间的换热不可逆损失,效率提高,有效提升系统的能效;(1) Compared with the conventional pure single-stage compression heat pump system, in the utility model, the normal temperature water is continuously heated in the multistage condenser, and the temperature rise of the water in the condensers at all levels is relatively low, and the condensation process of each temperature position of the refrigerant is It forms a good temperature match with the normal temperature water heating process, which can significantly reduce the heat exchange temperature difference between the heat exchange fluid and the working medium, and reduce the irreversible loss of heat exchange between the heat exchange fluid and the refrigerant. Improve efficiency, effectively improve the energy efficiency of the system;
(2)对于采用非共沸工质的常规单级压缩热泵系统,蒸发器、冷凝器中工质难以满足与换热流体温度的同时匹配。与常规非共沸工质单级压缩热泵系统相比,本实用新型常温水的加热过程经过两次及两次以上的连续升温,每次加热过程的温升不高,与非共沸制冷剂蒸发过程及各温位的冷凝过程形成很好的温度匹配。通过本实用新型,可实现蒸发器和冷凝器两侧流体同时匹配,换热不可逆损失大大减小,进一步提高系统效率及能效,提高经济效益;(2) For a conventional single-stage compression heat pump system using a non-azeotropic working fluid, it is difficult for the working fluid in the evaporator and the condenser to match the temperature of the heat exchange fluid at the same time. Compared with the conventional non-azeotropic working fluid single-stage compression heat pump system, the heating process of the normal temperature water of the present utility model undergoes two or more consecutive temperature rises, and the temperature rise in each heating process is not high, which is different from the non-azeotropic refrigerant. The evaporation process and the condensation process at each temperature level form a good temperature match. Through the utility model, the fluids on both sides of the evaporator and the condenser can be matched at the same time, the irreversible loss of heat exchange is greatly reduced, and the system is further improved. Efficiency and energy efficiency to improve economic benefits;
(3)越第二级的压缩机的输气量越少,压缩机的吸气量降低,相对同等常温水温升条件下的单级热泵系统,本实用新型压缩机的功耗显著降低,压缩机造价降低;(3) The air volume of the compressor of the second stage is less, and the suction volume of the compressor is reduced. Compared with the single-stage heat pump system under the same normal temperature water temperature rise condition, the power consumption of the compressor of the present invention is significantly reduced, Compressor cost reduction;
(4)相对传统单级压缩,多级压缩过程的压比减小,压缩机等熵效率提高。此外本实用新型装置设置中间闪蒸过程对压缩机出口过热气进行冷却,排气温度降低,延长压缩机使用寿命;(4) Compared with the traditional single-stage compression, the pressure ratio of the multi-stage compression process is reduced, and the isentropic efficiency of the compressor is improved. In addition, the device of the utility model is provided with an intermediate flash evaporation process to cool the superheated gas at the outlet of the compressor, the temperature of the exhaust gas is reduced, and the service life of the compressor is prolonged;
(5)本装置可同时用于供暖、生产生活热水及工业用中高温热水及高压蒸汽等。用途广泛,具有良好的发展前景。(5) The device can be used for heating, production of domestic hot water, and industrial high-temperature hot water and high-pressure steam at the same time. It has a wide range of uses and has a good development prospect.
附图说明Description of drawings
图1为双级压缩双冷凝器中间闪蒸不完全冷却中高温热泵系统图;Figure 1 is a diagram of a mid-to-high temperature heat pump system for incomplete cooling of intermediate flashing with dual-stage compression and dual-condenser;
图2为双级纯质压缩双冷凝器中间闪蒸不完全冷却中高温热泵系统温焓图;Fig. 2 is the temperature and enthalpy diagram of the middle and high temperature heat pump system in the incomplete cooling of the intermediate flashing of the two-stage pure compression double condenser;
图3为双级非共沸工质压缩双冷凝器中间闪蒸不完全冷却中高温热泵系统温焓图;Fig. 3 is the temperature and enthalpy diagram of the middle and high temperature heat pump system in the middle and high temperature heat pump system with incomplete cooling of intermediate flashing in two-stage non-azeotropic working fluid compression double condensers;
图4为双级压缩双冷凝器中间闪蒸不完全冷却热泵两联供系统图;Figure 4 is a diagram of a dual-stage compression dual-condenser intermediate flash incomplete cooling heat pump dual-supply system;
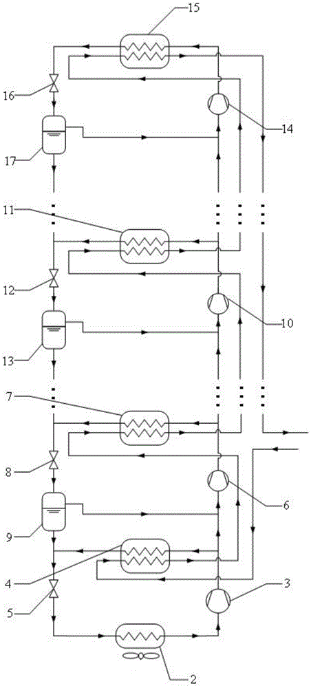
图5为多级压缩多级冷凝器中间闪蒸不完全冷却中高温热泵系统图。Figure 5 is a diagram of a mid-to-high temperature heat pump system for incomplete cooling of intermediate flash in a multi-stage compression multi-stage condenser.
具体实施方式Detailed ways
实施例一:双级压缩双冷凝器中间闪蒸不完全冷却中高温热泵系统Example 1: Intermediate and high temperature heat pump system for incomplete cooling of intermediate flashing with dual-stage compression and dual-condenser
本系统由第一级热泵循环和第二级热泵循环以及常温水连续加热过程组成,系统如图1所示。The system consists of the first-stage heat pump cycle, the second-stage heat pump cycle and the continuous heating process of normal temperature water. The system is shown in Figure 1.
(1)若系统采用纯工质,其双级纯质压缩双冷凝器中间闪蒸不完全冷却中高温热泵系统温焓图如图2所示。具体实施方式如下:(1) If the system adopts pure working fluid, the temperature and enthalpy diagram of the middle and high temperature heat pump system in the middle and high temperature heat pump system is shown in Fig. The specific implementation is as follows:
第一步:第一级压缩机3吸入蒸发器2工质侧出口处的低温低压的工质(如图2状态1),将其压缩成中温中压的过热气体(如图2状态2),之后过热气分为两路。一路气体流入第一级冷凝器4工质侧入口,冷凝器内工质冷凝至饱和液(如图2状态10),并将常温水(如图2状态w1)加热至一定温度(如图2 状态w2)。之后工质进入第一级节流阀5节流降压至两相流体状态(如图2状态11),气液两相流体进入蒸发器2工质侧入口,工质蒸发吸收常温水热量后变为饱和气态(如图2状态1),被第一级压缩机3吸入。Step 1: The
第二步:从第一级压缩机3中流出的另一路过热气体流入第二级压缩机6,工质被压缩为高温高压流体(如图2状态4),然后流入第二级冷凝器7工质侧入口,工质与从第一级冷凝器换热流体侧中流出的换热流体(热水或蒸汽)(如图2状态w2和w3,w2和w3为同一状态)进行换热,换热流体被进一步加热至图2状态w4。The second step: the other superheated gas flowing out from the
第三步:第二级冷凝器7流出的工质(如图2状态6)流经第二级节流阀8 节流降压,变为气液两相状态(如图2状态7),然后流入气液分离器9中,使气液分离。气液分离器9出口工质分为两路(饱和气和饱和液),一路饱和气(如图2状态8)与第一级压缩机3出口的中压过热气体混合进入第二级压缩机6压缩成高温高压气体(如图2状态4),另一路饱和液(如图2状态10)与第一级冷凝器4工质侧出口的饱和液汇合,进入第一级节流阀5节流至图2状态11后进入蒸发器2工质侧入口,工质吸热变为饱和气态(如图2状态1),被第一级压缩机3吸入,完成热泵循环。The third step: the working fluid flowing out of the second-stage condenser 7 (
第四步:常温水(如图2状态w1)首先流入第一级冷凝器4换热流体侧被加热至图2状态w2(w3),然后流入第二级冷凝器7(如图2状态w3)换热流体侧入口,被加热为工艺所需温度(如图2状态w4),得到所需中高温热水或高温蒸汽,完成常温水连续加热过程。Step 4: Normal temperature water (state w1 in Figure 2) first flows into the first-
(2)若采用非共沸混合工质,其双级压缩双冷凝器中间闪蒸不完全冷却中高温热泵系统的制冷剂与常温水加热过程的匹配特性会更加优异,可进一步提升系统能效,提高经济效益。其双级非共沸工质压缩双冷凝器中间闪蒸不完全冷却中高温热泵系统温焓图如图3所示。(2) If the non-azeotropic mixed working fluid is used, the matching characteristics of the refrigerant of the two-stage compression double-condenser intermediate flash incomplete cooling medium and high temperature heat pump system and the heating process of normal temperature water will be more excellent, which can further improve the energy efficiency of the system. Improve economic efficiency. Figure 3 shows the temperature and enthalpy diagram of the mid-high temperature heat pump system with incomplete cooling of the intermediate flash in the two-stage non-azeotropic refrigerant compression and double condensers.
具体实施方式如下:The specific implementation is as follows:
第一步:第一级压缩机3吸入蒸发器2工质侧出口处的低温低压的工质(如图3状态1),将其压缩成中压过热的气体(如图3状态2),之后气体分为两路。一路流入第一级冷凝器4工质侧入口,冷凝器内工质冷凝至饱和液(如图3 状态8),并将换热流体侧的常温水(如图3状态w1)加热至一定温度(如图3 状态w2)。之后工质进入第一级节流阀5节流降压至两相流体状态(如图3状态11),气液两相流体进入蒸发器2工质侧入口,工质吸收常温水热量后变为饱和气态(如图3状态1),被第一级压缩机3吸入。The first step: the first-
第二步:从第一级压缩机3中流出的另一路气体第二级压缩机6,工质被压缩为高温高压流体(如图3状态4),流入第二级冷凝器7工质侧入口,与从第一级冷凝器4换热流体侧流出的换热流体(如图3状态w2和w3,w2和w3为同一状态)进行换热,换热流体被进一步加热至图3状态w4。The second step: the second-
第三步:第二级冷凝器7流出的工质(如图3状态6)流经第二级节流阀8 节流降压,变为气液两相状态(如图3状态7)。工质再流进气液分离器9中,进行气液分离。气液分离器9出口工质分为两路(饱和气和饱和液),一路饱和气(如图3状态10)与第一级压缩机3出口的中压过热气体混合进入第二级压缩机6压缩成高温高压气体(如图3状态4),另一路饱和液(如图3状态8) 与第一级冷凝器4工质侧出口的饱和液汇合,进入第一级节流阀5节流至图3状态11后进入蒸发器2工质侧入口,吸热蒸发后(如图3状态1),被第一级压缩机3吸入,完成热泵循环。The third step: the working medium flowing out of the second stage condenser 7 (
第四步:常温水(如图3状态w1)先流入第一级冷凝器4换热流体侧被加热至图3状态w2(w3),然后流入第二级冷凝器7换热流体侧继续加热(如图 3状态w4),被连续加热至中高温度,得到工艺所需中高温热水或高温蒸汽,完成常温水连续加热过程。Step 4: Normal temperature water (state w1 in Figure 3) first flows into the heat exchange fluid side of the first-
实施例二:在第一级冷凝器两端并联供暖热水加热管路,形成双级压缩双冷凝器中间闪蒸不完全冷却热泵两联供系统,系统如图4所示。Example 2: A heating and hot water heating pipeline is connected in parallel at both ends of the first-stage condenser to form a dual-stage compression dual-condenser intermediate flash incomplete cooling heat pump dual supply system. The system is shown in Figure 4.
供热末端10可配置风机盘管、地盘管、暖气片等供热末端,供热末端10出口处常温换热流体进入第一级冷凝器4换热流体侧,被第一次加热至一定温度,供热末端的回水与从第一级压缩机3流出的高温工质进行换热,第一级压缩机3 排气温度降低,供热末端的回水被进一步加热,用于房间供暖,实现热量梯级利用,减少热量的损耗。The
实施例三:三级及以上压缩的多冷凝器中间闪蒸不完全冷却中高温热泵系统。Embodiment 3: Intermediate and high temperature heat pump system with three-stage and above compression multi-condenser intermediate flash incomplete cooling.
本装置还可根据具体实施需要设计为多级压缩多级冷凝器中间闪蒸不完全冷却中高温热泵系统,实现多次对常温水进行加热,以制取更高温度的热水或蒸汽,以便更好地适应不同工艺所需要求。多级压缩多级冷凝器中间闪蒸不完全冷却中高温热泵系统如图5。The device can also be designed as a medium-high temperature heat pump system for incomplete cooling of the intermediate flash in the multi-stage compression multi-stage condenser according to the specific implementation needs, so as to realize the heating of the normal temperature water for many times, so as to obtain higher temperature hot water or steam, so as to Better adapt to the requirements of different processes. The middle and high temperature heat pump system of multi-stage compression multi-stage condenser intermediate flash incomplete cooling is shown in Figure 5.
具体实施方式如下:The specific implementation is as follows:
第一步:第一级压缩机3吸入蒸发器1工质侧出口处的低温低压的工质,将其压缩成中间压力的过热气体,之后分为两路。一路过热气流入第一级冷凝器4 工质侧,冷凝器内工质冷凝,并将常温水加热至一定温度。之后工质进入第一级节流阀5节流降压,然后进入蒸发器1工质侧,工质吸热蒸发后,被第一级压缩机3吸入。Step 1: The first-
第二步:从第一级压缩机3中流出的另一路工质与第二级气液分离器中的饱和气混合后进入第二级压缩机6,压缩为过热气,第二级压缩机6流出的流体分为两路,其中一路流入第二级冷凝器7工质侧,与从第一级冷凝器4换热流体侧流出的常温水进行换热,常温水被进一步加热。加热后的常温水进入第三级冷凝器换热流体侧。从第二级冷凝器7工质侧流出的流体与来自第三级的气液两相流体混合,流经第二级节流阀8节流降压,变为气液两相状态,进入第二级气液分离器9,使气液分离。第二级气液分离器9出口工质分为两路(饱和气和饱和液),一路饱和气与第一级压缩机3出口的中压过热气体混合进入第二级压缩机6,另一路饱和液与第一级冷凝器4工质侧出口的饱和液汇合,进入第一级节流阀5节流。从第二级压缩机6流出的另一路流体进入第三级压缩机。The second step: the other working medium flowing out from the first-
第三步:系统从第3级开始到第n-1级循环的结构形式相同,为简化叙述,对于第3级到第n-1级均用第i级表示。从第i-1级压缩机中流出的另一路工质进入第i级压缩机10,压缩为过热气,从第i级压缩机10流出的过热气分为两路,其中一路流入第i级冷凝器11工质侧,与从第i-1级冷凝器换热流体侧流出的换热流体进行换热,换热流体被进一步加热,加热后的常温水进入第i+1级冷凝器换热流体侧。从第i级冷凝器11工质侧流出的流体与来自第i+1级的饱和液混合流经第i级节流阀12节流降压,变为气液两相状态,再进入第i级气液分离器 13使气液分离,第i级气液分离器13出口工质分为两路(饱和气和饱和液),一路饱和气与第i-1级第一级压缩机出口的中压过热气体混合进入第i级第二级压缩机10,另一路饱和液与第i-1级第一级冷凝器工质侧出口的饱和液汇合,进入第i-1级第一级节流阀节流。从第i级压缩机10流出的另一路流体进入第i+1 级压缩机被压缩。Step 3: The structure of the system from the 3rd level to the n-1th level is the same. To simplify the description, the 3rd level to the n-1th level are all represented by the i-th level. The other working medium flowing out from the i-1 stage compressor enters the
第四步:第n-1级压缩机流出的另一路流体进入第n级压缩机14,压缩成为过热气,第n级压缩机14流出的过热气流入第n级冷凝器15工质侧,与从第n-1 级冷凝器换热流体侧中流出的换热流体进行换热,换热流体被最后一次加热。Step 4: The other fluid flowing out of the n-1st stage compressor enters the
第五步:第n级冷凝器15工质侧流出的流体流经第n级节流阀16节流降压,变为气液两相状态,再进入第n级气液分离器17使气液分离。第n级气液分离器17出口工质分为两路(饱和气和饱和液),一路饱和气与第n-1级第一级压缩机出口的中压过热气体混合进入第n级第二级压缩机14,另一路饱和液与第 n-1级第一级冷凝器工质侧出口的饱和液汇合,进入第n-1级第一级节流阀节流。Step 5: The fluid flowing out from the working medium side of the n-
第六步:常温水依次流入各级冷凝器,被连续加热至中高温度后,从第n级冷凝器17换热流体侧流出,得到工艺所需中高温热水或高温蒸汽,完成常温水连续加热过程。The sixth step: the normal temperature water flows into the condensers of all levels in turn, and after being continuously heated to medium and high temperature, it flows out from the heat exchange fluid side of the
尽管上面结合附图对本实用新型的优选实施例进行了描述,但是本实用新型并不局限于上述的具体实施方式,上述的具体实施方式仅仅是示意性的,并不是限制性的,本领域的普通技术人员在本实用新型的启示下,在不脱离本实用新型宗旨和权利要求所保护的范围情况下,还可以做出很多形式,这些均属于本实用新型的保护范围之内。Although the preferred embodiments of the present utility model have been described above in conjunction with the accompanying drawings, the present utility model is not limited to the above-mentioned specific embodiments, which are only illustrative and not restrictive. Under the inspiration of the present utility model, those of ordinary skill can also make many forms without departing from the scope of protection of the present utility model and the claims, which all belong to the protection scope of the present utility model.
Claims (2)
Priority Applications (1)
| Application Number | Priority Date | Filing Date | Title |
|---|---|---|---|
| CN201921465389.1U CN211119988U (en) | 2019-09-05 | 2019-09-05 | Multistage compression multistage condensation intermediate flash incomplete cooling medium-high temperature heat pump system |
Applications Claiming Priority (1)
| Application Number | Priority Date | Filing Date | Title |
|---|---|---|---|
| CN201921465389.1U CN211119988U (en) | 2019-09-05 | 2019-09-05 | Multistage compression multistage condensation intermediate flash incomplete cooling medium-high temperature heat pump system |
Publications (1)
| Publication Number | Publication Date |
|---|---|
| CN211119988U true CN211119988U (en) | 2020-07-28 |
Family
ID=71696950
Family Applications (1)
| Application Number | Title | Priority Date | Filing Date |
|---|---|---|---|
| CN201921465389.1U Expired - Fee Related CN211119988U (en) | 2019-09-05 | 2019-09-05 | Multistage compression multistage condensation intermediate flash incomplete cooling medium-high temperature heat pump system |
Country Status (1)
| Country | Link |
|---|---|
| CN (1) | CN211119988U (en) |
Cited By (2)
| Publication number | Priority date | Publication date | Assignee | Title |
|---|---|---|---|---|
| CN110486942A (en) * | 2019-09-05 | 2019-11-22 | 天津商业大学 | The not exclusively cooling moderate and high temperature heat system of multi-stage compression multi-stage condensing intermediate flash |
| CN119393915A (en) * | 2024-11-25 | 2025-02-07 | 中国科学技术大学 | An adjustable multi-stage heat exchange jet type mixed working fluid high temperature heat pump system |
-
2019
- 2019-09-05 CN CN201921465389.1U patent/CN211119988U/en not_active Expired - Fee Related
Cited By (2)
| Publication number | Priority date | Publication date | Assignee | Title |
|---|---|---|---|---|
| CN110486942A (en) * | 2019-09-05 | 2019-11-22 | 天津商业大学 | The not exclusively cooling moderate and high temperature heat system of multi-stage compression multi-stage condensing intermediate flash |
| CN119393915A (en) * | 2024-11-25 | 2025-02-07 | 中国科学技术大学 | An adjustable multi-stage heat exchange jet type mixed working fluid high temperature heat pump system |
Similar Documents
| Publication | Publication Date | Title |
|---|---|---|
| CN110486942A (en) | The not exclusively cooling moderate and high temperature heat system of multi-stage compression multi-stage condensing intermediate flash | |
| CN110822755B (en) | Heat pump system utilizing non-azeotropic refrigerant mixture | |
| CN105004100A (en) | Single-refrigerant loop and multiple-suction pressure steam compression refrigeration/heat pump system | |
| CN109269136B (en) | Air Conditioning System | |
| CN109916109A (en) | Heat pump system and air conditioner | |
| CN112229085B (en) | A low temperature heat pump circulation system and circulation method suitable for large temperature span | |
| CN107024031A (en) | A kind of three pressure high-efficiency air cooling source pumps suitable for the big temperature difference | |
| CN108800678A (en) | Air Conditioning System | |
| CN110260550A (en) | Cascade high temperature heat pump unit | |
| CN211119988U (en) | Multistage compression multistage condensation intermediate flash incomplete cooling medium-high temperature heat pump system | |
| CN205261964U (en) | A transcritical heat pump device | |
| CN115235194A (en) | A kind of multistage closed heat pump drying system and method | |
| CN110486943A (en) | The not exclusively cooling moderate and high temperature heat system of throttling among the more condensers of multi-stage compression | |
| CN112033038B (en) | Air source heat pump drying system | |
| CN211119989U (en) | Multi-stage compression and multi-condenser intermediate throttling incomplete cooling medium and high temperature heat pump system | |
| CN110500876B (en) | A multi-stage compression multi-condenser intermediate complete cooling heat pump drying system | |
| CN110736262A (en) | injection supercharging two-stage supercooling transcritical CO2Dual temperature system and application | |
| CN103697627B (en) | Double-temperature refrigerator coagulates two stages of compression heat pump | |
| CN211120091U (en) | Cascade refrigeration system with supercooling and injection depressurization | |
| CN112963979A (en) | Overlapping heat pump system capable of realizing work cycle conversion | |
| CN110500686B (en) | Multi-temperature-zone multi-combined supply system | |
| CN108709333A (en) | The operation method and system of refrigeration system completely cooling among second throttle | |
| CN110513902B (en) | Multi-stage evaporation condensation mechanical supercooling transcritical CO 2 Middle-high temperature heat pump system | |
| CN211120563U (en) | A multi-stage compression and multi-condenser intermediate complete cooling heat pump drying system | |
| CN218120237U (en) | heat exchange system |
Legal Events
| Date | Code | Title | Description |
|---|---|---|---|
| GR01 | Patent grant | ||
| GR01 | Patent grant | ||
| CF01 | Termination of patent right due to non-payment of annual fee | ||
| CF01 | Termination of patent right due to non-payment of annual fee |
Granted publication date: 20200728 Termination date: 20210905 |


