CN211116090U - Foam dust removal device - Google Patents
Foam dust removal device Download PDFInfo
- Publication number
- CN211116090U CN211116090U CN201922423252.6U CN201922423252U CN211116090U CN 211116090 U CN211116090 U CN 211116090U CN 201922423252 U CN201922423252 U CN 201922423252U CN 211116090 U CN211116090 U CN 211116090U
- Authority
- CN
- China
- Prior art keywords
- foam
- box body
- gear shaft
- adjusting gear
- dust collector
- Prior art date
- Legal status (The legal status is an assumption and is not a legal conclusion. Google has not performed a legal analysis and makes no representation as to the accuracy of the status listed.)
- Expired - Fee Related
Links
- 239000006260 foam Substances 0.000 title claims abstract description 52
- 239000000428 dust Substances 0.000 title claims abstract description 43
- 239000007788 liquid Substances 0.000 claims abstract description 29
- 239000007921 spray Substances 0.000 claims abstract description 23
- 238000003825 pressing Methods 0.000 claims description 10
- 238000005065 mining Methods 0.000 abstract description 10
- 230000000694 effects Effects 0.000 abstract description 8
- 238000000034 method Methods 0.000 abstract description 6
- 238000009412 basement excavation Methods 0.000 abstract description 5
- 230000008569 process Effects 0.000 abstract description 3
- 239000002904 solvent Substances 0.000 abstract description 3
- 230000007246 mechanism Effects 0.000 abstract description 2
- 230000006835 compression Effects 0.000 description 5
- 238000007906 compression Methods 0.000 description 5
- 230000009471 action Effects 0.000 description 2
- 239000003245 coal Substances 0.000 description 2
- 238000001802 infusion Methods 0.000 description 2
- 239000003595 mist Substances 0.000 description 2
- 238000009423 ventilation Methods 0.000 description 2
- XLYOFNOQVPJJNP-UHFFFAOYSA-N water Substances O XLYOFNOQVPJJNP-UHFFFAOYSA-N 0.000 description 2
- 238000010276 construction Methods 0.000 description 1
- 238000010586 diagram Methods 0.000 description 1
- 230000005484 gravity Effects 0.000 description 1
- 230000002209 hydrophobic effect Effects 0.000 description 1
- 238000002955 isolation Methods 0.000 description 1
- 238000004519 manufacturing process Methods 0.000 description 1
- 230000004630 mental health Effects 0.000 description 1
- 239000002184 metal Substances 0.000 description 1
- 229910052755 nonmetal Inorganic materials 0.000 description 1
Images
Landscapes
- Details Or Accessories Of Spraying Plant Or Apparatus (AREA)
Abstract
本实用新型公开了一种泡沫除尘装置,包括箱体和两个高压罐,箱体中设置有固定架,固定架上设置有若干个枪口伸出箱体的泡沫喷枪,固定架能够相对所述箱体进行纵向转动和横向移动;两个高压罐的出液管分别与各个泡沫喷枪连通,箱体设置有箱门。本实用新型的泡沫除尘装置提高了矿山开采和隧道开掘等场所的除尘效果。本实用新型泡沫除尘装置中泡沫喷枪的纵向仰角和横向位置均可调节、使用方便;箱体可有效防止外力和粉尘对内部机构的损坏,箱体和罐体下端的移动轮,减少了搬运过程的困难;有两个可装不同溶剂的高压罐,十二个泡沫枪,泡沫枪呈倒锥体,能够将混合后形成的泡沫远距离喷射。
The utility model discloses a foam dust removal device, comprising a box body and two high-pressure tanks. A fixing frame is arranged in the box body. The box body rotates longitudinally and moves laterally; the liquid outlet pipes of the two high-pressure tanks are respectively connected with each foam spray gun, and the box body is provided with a box door. The foam dedusting device of the utility model improves the dedusting effect in places such as mining and tunnel excavation. The vertical elevation angle and lateral position of the foam spray gun in the foam dust removal device of the utility model can be adjusted, and the use is convenient; the box body can effectively prevent the damage to the internal mechanism caused by external force and dust, and the moving wheels at the lower end of the box body and the tank body reduce the handling process. There are two high-pressure tanks that can hold different solvents, twelve foam guns, and the foam guns are inverted cones, which can spray the foam formed after mixing at a long distance.
Description
技术领域technical field
本实用新型涉及除尘设备技术领域,特别是涉及一种泡沫除尘装置。The utility model relates to the technical field of dust removal equipment, in particular to a foam dust removal device.
背景技术Background technique
井下开采的煤矿及金属非金属矿山和露天开采的矿山、水电站的涵洞开采、隧道开掘等场所需要进行除尘工作。现有除尘方法主要有湿式除尘、通风除尘、隔离粉尘,有些场合除尘效率还可以,但对于矿山开采,特别是井下开采和水电站前期涵洞施工作业及隧道开采,除尘效率较低,严重的影响了安全生产和作业人员的身心健康。Coal mines, metal and non-metal mines, open-pit mining, culvert mining of hydropower stations, tunnel excavation and other places need to be dedusted. The existing dust removal methods mainly include wet dust removal, ventilation dust removal, and dust isolation. In some cases, the dust removal efficiency is acceptable. However, for mining, especially underground mining, culvert construction and tunnel mining in the early stage of hydropower stations, the dust removal efficiency is low, which has a serious impact. Safe production and the physical and mental health of workers.
湿式除尘虽然除尘效果明显,但也有很大的局限性和不确定性,对亲水性较好的粉尘,水滴或雾滴扑尘效果可能较为明显,但对于疏水性粉尘扑尘效果不好,除尘效率低,另外,水滴或雾滴在重力的作用下,在空间内落下的速度较快,也影响了除尘效率。通风除尘如果是在井下的独头巷道和采空区较多的场所,除尘的效果也不是很好,煤矿的综采工作面的除尘效率仅在40%不到,严重的危机到人员及设备的安全。Although wet dust removal has obvious dust removal effect, it also has great limitations and uncertainties. For dust with better hydrophilicity, the effect of water droplets or mist droplets may be more obvious, but it is not good for hydrophobic dust. The dust removal efficiency is low. In addition, under the action of gravity, the water droplets or mist droplets fall faster in the space, which also affects the dust removal efficiency. If the ventilation and dust removal is in the underground single-headed roadway and the place with many goafs, the effect of dust removal is not very good. The dust removal efficiency of the fully mechanized coal mining face is only less than 40%, and the serious crisis will affect personnel and equipment. security.
实用新型内容Utility model content
本实用新型的目的是提供一种泡沫除尘装置,以解决上述现有技术存在的问题,提高矿山开采和隧道开掘等场所的除尘效果。The purpose of this utility model is to provide a foam dust removal device to solve the problems existing in the above-mentioned prior art and to improve the dust removal effect in places such as mining and tunnel excavation.
为实现上述目的,本实用新型提供了如下方案:本实用新型提供了一种泡沫除尘装置,包括箱体和两个高压罐,所述箱体中设置有固定架,所述固定架上设置有若干个枪口伸出所述箱体的泡沫喷枪,所述箱体的顶部和底部分别设置有一个燕尾槽,纵向齿条的两端分别与两个所述燕尾槽滑动配合,所述纵向齿条上套设有一固定套,所述固定套与所述纵向齿条滑动配合,所述固定套上设置有与所述纵向齿条啮合的第一调节齿轮,所述第一调节齿轮的齿轮轴与所述固定套转动配合;所述固定架一侧固设有一曲轨,所述曲轨的竖直截面呈弧形,所述第一调节齿轮的齿轮轴一端设置有第一手柄、另一端与所述曲轨滑动配合;In order to achieve the above purpose, the utility model provides the following solutions: the utility model provides a foam dust removal device, comprising a box body and two high-pressure tanks, wherein a fixing frame is arranged in the box body, and a fixing frame is arranged on the fixing frame A number of foam spray guns with muzzles protruding from the box body, the top and bottom of the box body are respectively provided with a dovetail groove, the two ends of the longitudinal rack are respectively slidably matched with the two dovetail grooves, the longitudinal teeth A fixed sleeve is sleeved on the strip, the fixed sleeve is slidably matched with the longitudinal rack, the fixed sleeve is provided with a first adjustment gear meshing with the longitudinal rack, and the gear shaft of the first adjustment gear It rotates and cooperates with the fixing sleeve; one side of the fixing frame is fixed with a curved rail, the vertical section of the curved rail is arc-shaped, and one end of the gear shaft of the first adjusting gear is provided with a first handle and the other end. slidingly fit with the curved rail;
所述箱体的顶部设置有水平的、与所述燕尾槽平行的导轨,所述导轨上滑动设置有若干个滑块,每个所述滑块均通过弹簧与所述固定架的顶部连接,所述固定架的底端固设有一与所述导轨的长度方向平行的横向齿条,所述箱体的底部设置有一半圆球体座,所述半圆球体座上设置有与所述半圆球体座转动配合的半圆球体,所述半圆球体座的顶部设置有一与所述横向齿条啮合的第二调节齿轮,所述第二调节齿轮的齿轮轴通过轴承与所述半圆球体转动配合,所述第二调节齿轮的齿轮轴一端设置有第二手柄;The top of the box body is provided with a horizontal guide rail parallel to the dovetail groove, a number of sliders are slidably arranged on the guide rail, and each of the sliders is connected to the top of the fixing frame by a spring, The bottom end of the fixing frame is fixed with a transverse rack parallel to the length direction of the guide rail, the bottom of the box is provided with a semi-spherical seat, and the semi-spherical seat is provided with a rotation with the semi-spherical seat. A matching hemisphere, the top of the hemisphere seat is provided with a second adjusting gear that meshes with the transverse rack, and the gear shaft of the second adjusting gear is rotatably matched with the hemisphere through a bearing, and the second One end of the gear shaft of the adjusting gear is provided with a second handle;
两个所述高压罐的出液管分别与各个所述泡沫喷枪连通,所述箱体设置有箱门。The liquid outlet pipes of the two high-pressure tanks are respectively communicated with each of the foam spray guns, and the box body is provided with a box door.
优选的,两个所述高压罐均位于所述箱体外,每个所述高压罐的底部及所述箱体的底部分别设置有至少两个移动轮。Preferably, both of the two high-pressure tanks are located outside the box, and at least two moving wheels are respectively provided at the bottom of each of the high-pressure tanks and the bottom of the box.
优选的,两个所述高压罐的出液管通过三通与输液管的一端连通,所述输液管与各个所述泡沫喷枪的进料口连通。Preferably, the liquid outlet pipes of the two high-pressure tanks are communicated with one end of the infusion pipe through a tee, and the infusion pipe is communicated with the feed port of each of the foam spray guns.
优选的,所述导轨为1个,所述滑块为3个。Preferably, the number of the guide rails is one, and the number of the sliders is three.
优选的,所述第一调节齿轮的齿轮轴上还螺纹连接有压紧盘,所述压紧盘靠近所述纵向齿条的一侧设置有压紧环,所述压紧盘能够沿所述第一调节齿轮的齿轮轴朝所述纵向齿条进给且能够通过所述压紧环与所述纵向齿条紧密接触。Preferably, a pressing plate is also threadedly connected to the gear shaft of the first adjusting gear, a pressing ring is provided on the side of the pressing plate close to the longitudinal rack, and the pressing plate can The pinion shaft of the first adjustment gear is fed towards the longitudinal rack and can be brought into close contact with the longitudinal rack through the pressing ring.
优选的,所述曲轨对应所述第一调节齿轮的齿轮轴设置有曲轨滑槽,所述曲轨滑槽与所述曲轨滑槽滑动配合。Preferably, the curved rail is provided with a curved rail sliding groove corresponding to the gear shaft of the first adjusting gear, and the curved rail sliding groove is slidably matched with the curved rail sliding groove.
优选的,两个所述高压罐上均设置有进液口、压力表和进气阀,两个所述高压罐的出液管上分别设置有出液阀。Preferably, both of the two high-pressure tanks are provided with a liquid inlet, a pressure gauge and an intake valve, and the liquid outlet pipes of the two high-pressure tanks are respectively provided with a liquid outlet valve.
优选的,所述箱体的侧壁对应每个所述枪口均设置有通孔,且所述通孔的直径大于所述枪口的外径。Preferably, the side wall of the box body is provided with a through hole corresponding to each of the muzzle, and the diameter of the through hole is larger than the outer diameter of the muzzle.
本实用新型相对于现有技术取得了以下技术效果:The utility model has achieved the following technical effects with respect to the prior art:
本实用新型的泡沫除尘装置提高了矿山开采和隧道开掘等场所的除尘效果。本实用新型泡沫除尘装置中泡沫喷枪的纵向仰角和横向位置均可调节、使用方便;箱体可有效防止外力和粉尘对内部机构的损坏,箱体和罐体下端的移动轮,减少了搬运过程的困难;有两个可装不同溶剂的高压罐,十二个泡沫枪,泡沫枪呈倒锥体,能够将混合后形成的泡沫远距离喷射。The foam dedusting device of the utility model improves the dedusting effect in places such as mining and tunnel excavation. The vertical elevation angle and lateral position of the foam spray gun in the foam dust removal device of the utility model can be adjusted, and the use is convenient; the box body can effectively prevent the damage to the internal mechanism caused by external force and dust, and the moving wheels at the lower end of the box body and the tank body reduce the handling process. There are two high-pressure tanks that can hold different solvents, twelve foam guns, and the foam guns are inverted cones, which can spray the foam formed after mixing at a long distance.
附图说明Description of drawings
为了更清楚地说明本实用新型实施例或现有技术中的技术方案,下面将对实施例中所需要使用的附图作简单地介绍,显而易见地,下面描述中的附图仅仅是本实用新型的一些实施例,对于本领域普通技术人员来讲,在不付出创造性劳动的前提下,还可以根据这些附图获得其他的附图。In order to more clearly illustrate the embodiments of the present invention or the technical solutions in the prior art, the accompanying drawings required in the embodiments will be briefly introduced below. Obviously, the drawings in the following description are only of the present invention. For some embodiments of the present invention, for those of ordinary skill in the art, other drawings can also be obtained from these drawings without any creative effort.
图1为本实用新型泡沫除尘装置的结构示意图一;Fig. 1 is the structural representation one of the foam dust removal device of the utility model;
图2为本实用新型泡沫除尘装置的结构示意图二;Fig. 2 is the structural representation 2 of the foam dust removal device of the utility model;
图3为本实用新型泡沫除尘装置的结构示意图三;Fig. 3 is the structural schematic diagram three of the foam dust removal device of the present invention;
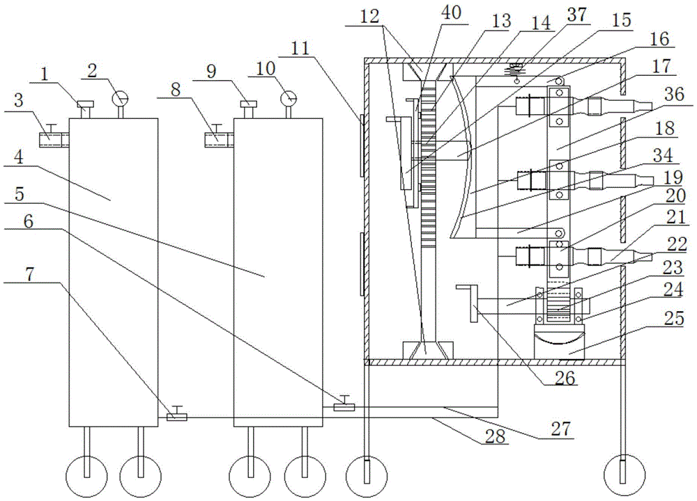
其中:1、第一进液口,2、第一压力表,3、第一进气阀,4、第一高压罐,5、第二高压罐,6、第二出液阀,7、第一出液阀,8、第二进气阀,9、第二进液口,10、第二压力表,11、合页,12、燕尾槽,13、纵向齿条,14、第一调节齿轮,15、第一手柄,16、第一连动杆,17、第一齿轮轴,18、曲轨,19、第二连动杆,20、固定箍,21、泡沫喷枪,22、第二齿轮轴,23、第二调节齿轮,24、轴承,25、半圆球体座,26、第二手柄,27、第二出液管,28、第一出液管,29、半圆球体,30、通孔,31、枪口,32、横向齿条,33、箱体,34、曲轨滑槽,35、固定套,36、固定架,37、弹簧,38、滑块,39、导轨,40、压紧盘,41、横向限位块。Among them: 1. The first liquid inlet, 2. The first pressure gauge, 3. The first inlet valve, 4. The first high-pressure tank, 5. The second high-pressure tank, 6. The second liquid outlet valve, 7. The first A liquid outlet valve, 8, the second inlet valve, 9, the second liquid inlet, 10, the second pressure gauge, 11, the hinge, 12, the dovetail groove, 13, the longitudinal rack, 14, the first adjustment gear , 15, the first handle, 16, the first link rod, 17, the first gear shaft, 18, the curved rail, 19, the second link rod, 20, the fixing hoop, 21, the foam spray gun, 22, the second gear Shaft, 23, Second adjusting gear, 24, Bearing, 25, Hemispherical seat, 26, Second handle, 27, Second liquid outlet, 28, First liquid outlet, 29, Hemispherical body, 30, Through hole , 31, muzzle, 32, transverse rack, 33, box, 34, curved rail chute, 35, fixed sleeve, 36, fixed frame, 37, spring, 38, slider, 39, guide rail, 40, pressure Tight disc, 41, lateral limit block.
具体实施方式Detailed ways
下面将结合本实用新型实施例中的附图,对本实用新型实施例中的技术方案进行清楚、完整地描述,显然,所描述的实施例仅仅是本实用新型一部分实施例,而不是全部的实施例。基于本实用新型中的实施例,本领域普通技术人员在没有付出创造性劳动的前提下所获得的所有其他实施例,都属于本实用新型保护的范围。The technical solutions in the embodiments of the present utility model will be clearly and completely described below with reference to the accompanying drawings in the embodiments of the present utility model. Obviously, the described embodiments are only a part of the embodiments of the present utility model, rather than all the implementations. example. Based on the embodiments of the present invention, all other embodiments obtained by those of ordinary skill in the art without creative work fall within the protection scope of the present invention.
本实用新型的目的是提供一种泡沫除尘装置,以解决上述现有技术存在的问题,提高矿山开采和隧道开掘等场所的除尘效果。The purpose of this utility model is to provide a foam dust removal device to solve the problems existing in the above-mentioned prior art and to improve the dust removal effect in places such as mining and tunnel excavation.
为使本实用新型的上述目的、特征和优点能够更加明显易懂,下面结合附图和具体实施方式对本实用新型作进一步详细的说明。In order to make the above objects, features and advantages of the present utility model more clearly understood, the present utility model will be described in further detail below with reference to the accompanying drawings and specific embodiments.
如图1至图3所示:本实施例泡沫除尘装置包括箱体33和两个高压罐,两个高压罐为第一高压罐4和第二高压罐5,第一高压罐4上均设置有进液口第一进液口1、第一出液管28、第一压力表2和第一进气阀3,第一出液管28上设置有第一出液阀7;第二高压罐5上均设置有第二进液口9、第二出液管27、第二压力表10和第二进气阀8,第二出液管27上设置有第二出液阀6。箱体33设置有箱门,箱门通过合页11与箱体33连接;第一出液管28和第二出液管27通过三通与输液管的一端连通,输液管与各个泡沫喷枪21的进料口连通。第一高压罐4和第二高压罐5均位于箱体33外,第一高压罐4的底部、第二高压罐5的底部及箱体33的底部分别设置有两个移动轮,移动轮的设置方便了搬运。As shown in Figures 1 to 3: the foam dust removal device in this embodiment includes a box body 33 and two high-pressure tanks, the two high-pressure tanks are a first high-pressure tank 4 and a second high-
箱体33中设置有固定架36,固定架36上设置有第一连动杆16和第二连动杆19,固定架36上设置有12个枪口31伸出箱体33的泡沫喷枪21,泡沫喷枪21通过固定箍20安装在固定架36上,箱体33的顶部和底部分别设置有一个燕尾槽12,纵向齿条13的两端分别与两个燕尾槽12滑动配合,纵向齿条13上套设有一固定套35,固定套35与纵向齿条13滑动配合,固定套35上设置有与纵向齿条13啮合的第一调节齿轮14,第一调节齿轮14的齿轮轴为第一齿轮轴17,第一齿轮轴17与固定套35转动配合;固定架36一侧固设有一曲轨18,曲轨18的竖直截面呈弧形,第一齿轮轴17一端设置有第一手柄15、另一端与曲轨18滑动配合;在本实施例中,曲轨18对应第一齿轮轴17设置有曲轨滑槽34,曲轨滑槽34与曲轨滑槽34滑动配合。The box body 33 is provided with a
箱体33的顶部设置有一个水平的、与燕尾槽12平行的导轨39,导轨39上滑动设置有3个滑块38,每个滑块38均通过竖直的弹簧37与固定架36的顶部连接,固定架36的底端固设有一与导轨39的长度方向平行的横向齿条32,箱体33的底部设置有一半圆球体座25,半圆球体座25上设置有与半圆球体座25转动配合的半圆球体29,半圆球体座25的顶部设置有一与横向齿条32啮合的第二调节齿轮23,第二调节齿轮23的齿轮轴为第二齿轮轴22,第二齿轮轴22通过轴承24与半圆球体29转动配合,第二齿轮轴22一端设置有第二手柄26。The top of the box body 33 is provided with a
第一齿轮轴17上还螺纹连接有压紧盘40,压紧盘40靠近纵向齿条13的一侧设置有压紧环,压紧盘40能够沿第一齿轮轴17朝纵向齿条13进给且能够通过压紧环与纵向齿条13紧密接触。箱体33的侧壁对应每个枪口31均设置有通孔30,且通孔30的直径大于枪口31的外径,如此设置以方便泡沫喷枪21的角度的调节。The
本实施例泡沫除尘装置的使用过程如下:The use process of the foam dust removal device of the present embodiment is as follows:
首先,通过第一进液口1和第二进液口9在第一高压罐4和第二高压罐5中注入高压溶剂,在第一高压罐4和第二高压罐5中的压力足够大后,将第一高压罐4、第二高压罐5和箱体33推动到工作地点,然后打开箱门,操作人员将手伸入箱体33中通过转动第一手柄15和第二手柄26调节泡沫喷枪21的纵向仰角和横向位置,使得泡沫喷枪21喷出的泡沫能够覆盖除尘位置;以图2的视角为准,当顺时针旋转第一手柄15时,第一手柄15通过第一齿轮轴17带动第一调节齿轮14顺时针转动,第一调节齿轮14沿纵向齿条13向下滚动,同时第一齿轮轴17带动固定套35沿纵向齿条13向下滑动,而第一齿轮轴17靠近曲轨18的一端沿曲轨滑槽34向下滑动,当逆时针旋转第一手柄15时,第一手柄15通过第一齿轮轴17带动第一调节齿轮14逆时针转动,第一调节齿轮14沿纵向齿条13向上滚动,同时第一齿轮轴17带动固定套35沿纵向齿条13向上滑动,而第一齿轮轴17靠近曲轨18的一端沿曲轨滑槽34向上滑动;而由于曲轨18和曲轨滑槽34是固定不动的,而在本实施例中曲轨18的顶端和底端是逐渐靠近纵向齿条13的,故第一齿轮轴17向下或向上运动时会逐渐向右顶曲轨18,且由于固定架36的顶端通过弹簧37与滑块38连接,固定架36的底端设置有转动副(半圆球体29与半圆球体座25),故随着第一齿轮轴17的向下或向上运动固定架36会进行纵向的转动,从而完成对泡沫喷枪21的纵向倾角的调节;需要注意的是当泡沫喷枪21的纵向倾角调节到位后,可以通过旋紧压紧盘40,使压紧盘40上的压紧环压紧纵向齿条,将第一齿轮轴17的高度位置锁定,从而避免第一调节齿轮14在固定架36通过曲轨18、第一齿轮轴17给到的反作用力的作用下相对纵向齿条13滚动、使得第一齿轮轴17的高度发生变化。First, inject high-pressure solvent into the first high-pressure tank 4 and the second high-
同样以图2的视角为准,当顺时针转动第二手柄26时,第二手柄26通过第二齿轮轴22带动第二调节齿轮23顺时针转动,而由于半圆球体29与半圆球体座25之间横向限位,即两者不能发生横向的转动,故第二调节齿轮23会驱动横向齿条32(固定架36)向右方水平移动,固定架36通过弹簧37带动滑块38沿导轨39向右方滑动;当逆时针转动第二手柄26时,第二手柄26通过第二齿轮轴22带动第二调节齿轮23逆时针转动,而由于半圆球体29上设置有横向限位块41,半圆球体29与半圆球体座25不能发生相对横向的转动,故第二调节齿轮23会驱动横向齿条32(固定架36)向左方水平移动,固定架36通过弹簧37带动滑块38沿导轨39向左方滑动。2, when the
调节泡沫喷枪21的纵向仰角和横向位置到位后再开启第一出液阀7和第二出液阀6,进行泡沫喷射除尘,在喷射泡沫的过程中,也可以不断转动第一手柄15和第二手柄26调节泡沫喷枪21的纵向仰角和横向位置以调节喷出的泡沫的位置,以实现对除尘区域的更换。Adjust the vertical elevation angle and lateral position of the
在本实用新型的描述中,需要说明的是,术语“中心”、“顶”、“底”、“左”、“右”、“竖直”、“水平”、“内”、“外”等指示的方位或位置关系为基于附图所示的方位或位置关系,仅是为了便于描述本实用新型和简化描述,而不是指示或暗示所指的装置或元件必须具有特定的方位、以特定的方位构造和操作,因此不能理解为对本实用新型的限制。此外,术语“第一”、“笫二”仅用于描述目的,而不能理解为指示或暗示相对重要性。In the description of the present invention, it should be noted that the terms "center", "top", "bottom", "left", "right", "vertical", "horizontal", "inner" and "outer" The orientation or positional relationship indicated by etc. is based on the orientation or positional relationship shown in the accompanying drawings, which is only for the convenience of describing the present invention and simplifying the description, rather than indicating or implying that the referred device or element must have a specific orientation, with a specific orientation. Therefore, it should not be construed as a limitation on the present invention. Furthermore, the terms "first" and "second" are used for descriptive purposes only and should not be construed as indicating or implying relative importance.
本说明书中应用了具体个例对本实用新型的原理及实施方式进行了阐述,以上实施例的说明只是用于帮助理解本实用新型的方法及其核心思想;同时,对于本领域的一般技术人员,依据本实用新型的思想,在具体实施方式及应用范围上均会有改变之处。综上所述,本说明书内容不应理解为对本实用新型的限制。In this specification, specific examples are used to illustrate the principles and implementations of the present invention. The descriptions of the above embodiments are only used to help understand the method and the core idea of the present invention; meanwhile, for those of ordinary skill in the art, According to the idea of the present invention, there will be changes in the specific implementation and application scope. In conclusion, the content of this specification should not be construed as a limitation on the present invention.
Claims (8)
Priority Applications (1)
| Application Number | Priority Date | Filing Date | Title |
|---|---|---|---|
| CN201922423252.6U CN211116090U (en) | 2019-12-30 | 2019-12-30 | Foam dust removal device |
Applications Claiming Priority (1)
| Application Number | Priority Date | Filing Date | Title |
|---|---|---|---|
| CN201922423252.6U CN211116090U (en) | 2019-12-30 | 2019-12-30 | Foam dust removal device |
Publications (1)
| Publication Number | Publication Date |
|---|---|
| CN211116090U true CN211116090U (en) | 2020-07-28 |
Family
ID=71716807
Family Applications (1)
| Application Number | Title | Priority Date | Filing Date |
|---|---|---|---|
| CN201922423252.6U Expired - Fee Related CN211116090U (en) | 2019-12-30 | 2019-12-30 | Foam dust removal device |
Country Status (1)
| Country | Link |
|---|---|
| CN (1) | CN211116090U (en) |
Cited By (2)
| Publication number | Priority date | Publication date | Assignee | Title |
|---|---|---|---|---|
| CN111101996A (en) * | 2019-12-30 | 2020-05-05 | 新疆工程学院 | Foam dust removal device |
| CN112169495A (en) * | 2020-10-13 | 2021-01-05 | 胡昆江 | Park flower bed plant pollen processing apparatus that flies apart |
-
2019
- 2019-12-30 CN CN201922423252.6U patent/CN211116090U/en not_active Expired - Fee Related
Cited By (3)
| Publication number | Priority date | Publication date | Assignee | Title |
|---|---|---|---|---|
| CN111101996A (en) * | 2019-12-30 | 2020-05-05 | 新疆工程学院 | Foam dust removal device |
| CN111101996B (en) * | 2019-12-30 | 2024-08-16 | 新疆工程学院 | Foam dust collector |
| CN112169495A (en) * | 2020-10-13 | 2021-01-05 | 胡昆江 | Park flower bed plant pollen processing apparatus that flies apart |
Similar Documents
| Publication | Publication Date | Title |
|---|---|---|
| CN211116090U (en) | Foam dust removal device | |
| CN205244735U (en) | Spiral pipeline cleaning robot | |
| CN106906781B (en) | A kind of comprehensive formula sprinkler in road surface | |
| CN206965395U (en) | A kind of civil engineering spray dust remover | |
| CN207445844U (en) | A kind of construction site dust falling device | |
| CN111101996B (en) | Foam dust collector | |
| CN108952792A (en) | A kind of energy-saving watering and lowering dust equipment of constructing tunnel | |
| CN110404904A (en) | Tank Cleaning Robot | |
| CN207660258U (en) | A kind of construction wall surface scraping device | |
| CN209725606U (en) | Pipeline inspection robot with shockproof function | |
| CN209703408U (en) | A kind of civil engineering depositing dust spray equipment | |
| CN209348317U (en) | A kind of mine atomization dust-collecting equipment | |
| CN108708561A (en) | Sprinkler with prompting function after a kind of architectural engineering is poured with flooring | |
| CN209179780U (en) | A kind of double vehicle tunnel trolleys of subway | |
| CN208694100U (en) | Movable fire extinguishing device for coal mine | |
| CN202707060U (en) | Novel dust reduction spraying device for extraction of thin coal bed | |
| CN107570955A (en) | Pipeline outer wall chip processing equipment is used in a kind of petroleum pipeline welding | |
| CN207550838U (en) | It is high-strength to bear anticorrosion spray yarn glass-lined oil storage tank | |
| CN103075178B (en) | A kind of foam dedusting system | |
| CN218636917U (en) | Dust device of colliery safety in production | |
| CN204515822U (en) | Automatic steel tube counting equipment | |
| CN204038888U (en) | A kind of small size becomes rail device | |
| CN204199226U (en) | The device of water cannon position, a kind of adjustable sprinkling truck | |
| CN209507511U (en) | A kind of rotatable railway maintenance platform | |
| CN208563003U (en) | Track for power station tunnel crusing robot |
Legal Events
| Date | Code | Title | Description |
|---|---|---|---|
| GR01 | Patent grant | ||
| GR01 | Patent grant | ||
| CF01 | Termination of patent right due to non-payment of annual fee |
Granted publication date: 20200728 Termination date: 20201230 |
|
| CF01 | Termination of patent right due to non-payment of annual fee |
