CN211079436U - 一种自动清洁梳棉机 - Google Patents

一种自动清洁梳棉机 Download PDF

Info

Publication number
CN211079436U
CN211079436U CN201921256126.XU CN201921256126U CN211079436U CN 211079436 U CN211079436 U CN 211079436U CN 201921256126 U CN201921256126 U CN 201921256126U CN 211079436 U CN211079436 U CN 211079436U
Authority
CN
China
Prior art keywords
carding machine
cylinder
dust
fixed
automatic cleaning
Prior art date
Legal status (The legal status is an assumption and is not a legal conclusion. Google has not performed a legal analysis and makes no representation as to the accuracy of the status listed.)
Expired - Fee Related
Application number
CN201921256126.XU
Other languages
English (en)
Inventor
陈彦锋
Current Assignee (The listed assignees may be inaccurate. Google has not performed a legal analysis and makes no representation or warranty as to the accuracy of the list.)
Zhejiang Hualijin Textile Co ltd
Original Assignee
Zhejiang Hualijin Textile Co ltd
Priority date (The priority date is an assumption and is not a legal conclusion. Google has not performed a legal analysis and makes no representation as to the accuracy of the date listed.)
Filing date
Publication date
Application filed by Zhejiang Hualijin Textile Co ltd filed Critical Zhejiang Hualijin Textile Co ltd
Priority to CN201921256126.XU priority Critical patent/CN211079436U/zh
Application granted granted Critical
Publication of CN211079436U publication Critical patent/CN211079436U/zh
Expired - Fee Related legal-status Critical Current
Anticipated expiration legal-status Critical

Links

Images

Landscapes

  • Preliminary Treatment Of Fibers (AREA)

Abstract

本实用新型涉及一种自动清洁梳棉机,为了解决现有技术中梳棉机难清洁的问题,提出了一种技术方案为:一种自动清洁梳棉机包括机箱、传动装置、清洁装置和梳棉装置;清洁装置包括喷洒机构和吸尘机构;喷洒机构包括水箱、输水管道、喷头和废水收集槽;水箱固定机箱上;输水管道设置机箱的顶部;喷头与输水管道连接,并且该喷头伸入机箱的内部;废水收集槽固定在机箱的底部,该废水收集槽上开有出水口;吸尘机构位于机箱的内部;吸尘机构包括毛刷、气缸、集尘槽和风机;气缸固定在机箱的顶部;毛刷固定在气缸的伸缩杆上;集尘槽固定在机箱的底部;集尘槽与风机连接。本实用新型结构设计合理,能有效去除棉屑、粉尘,安全可靠,使用方便。

Description

一种自动清洁梳棉机
技术领域
本实用新型涉及一种梳棉机,具体涉及一种自动清洁梳棉机。
背景技术
梳棉机是用于加工棉纤维和化学纤维使得棉纤维和化学纤维加工成符合要求的棉纤维条和化学纤维条的一种纺织机械,按照纺纱工艺流程,梳棉是一道重要的工序。在梳棉机使用的过程中,其内部会产生多量的灰尘及棉料碎屑,如果不对其进行处理,会严重的影响到使用的效果和生产的质量,而人工清洁耗时耗力;另外,梳棉机长时间使用的话,内部温度过高,可能会引发火灾,具有一定的安全隐患。
实用新型内容
本实用新型的目的在于克服现有技术中存在的上述不足,而提供一种结构设计合理,梳棉效率高,清洁效果好的自动清洁梳棉机。
本实用新型解决上述问题所采用的技术方案是:该自动清洁梳棉机包括机箱、传动装置和梳棉装置;所述机箱的两侧分别设有进料口与出料口;其特征在于,还包括清洁装置;所述传动装置包括电机、传动轮和传动带;所述传动轮连接在电机上;所述梳棉装置包括刺辊、锡林和道夫;所述刺辊、锡林和道夫均与机箱转动连接,且该刺辊、锡林和道夫之间依次传动连接;所述传动带的一端传动轮,另一端连接刺辊;所述清洁装置包括喷洒机构和吸尘机构;所述喷洒机构包括水箱、输水管道、喷头和废水收集槽;所述水箱固定机箱上;所述输水管道设置机箱的顶部;所述喷头与输水管道连接,并且该喷头伸入机箱的内部;所述废水收集槽固定在机箱的底部,该废水收集槽上开有出水口;所述吸尘机构位于机箱的内部;所述吸尘机构包括毛刷、气缸、集尘槽和风机;所述气缸固定在机箱的顶部;所述毛刷固定在气缸的伸缩杆上;所述集尘槽固定在机箱的底部;所述集尘槽与风机连接;所述机箱上还设有温度感应报警装置;所述温度感应报警装置与喷洒机构连接。
作为优选,本实用新型中所述毛刷的数目为两个;所述两个毛刷分别位于锡林和道夫的上方。
作为优选,本实用新型中所述毛刷的两端分别设有一个气缸。
作为优选,本实用新型中所述出水口与外界的循环水箱连接。
作为优选,本实用新型中所述集尘槽的侧面设置有数个抽气孔;所述抽气孔通过抽气管道与风机连接。
作为优选,本实用新型中所述抽气孔的数目不少于3个。
作为优选,本实用新型中所述集尘槽上还设有漏水孔。
本实用新型与现有技术相比,具有以下优点和效果:本实用新型结构设计合理,解决了梳棉机难清结的问题;本实用新型中的吸尘机构能有效去除梳棉机的锡林、道夫上附着的棉屑、粉尘等,并且通过集尘槽和风机将粉尘清理出机箱,避免机箱中粉尘过多而影响梳棉机的使用;本实用新型中的喷洒机构能够对刺辊、锡林、道夫进行进一步的清洗,提高刺辊、锡林、道夫的使用寿命,使用后再开启吸尘机构中的风机可以将机箱内部风干;本实用新型中的温度感应报警装置能够实时检测机箱内部的温度,如果检测的温度过高,会立刻报警并且开启喷洒机构进行降温或灭火,这样就消除了棉絮自然引发火灾的隐患。
附图说明
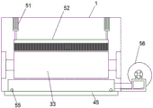
图1是本实用新型实施例中自动清洁梳棉机的结构示意图。
图2是本实用新型实施例中道夫和吸尘机构的结构示意图。
具体实施方式
下面结合附图并通过实施例对本实用新型作进一步的详细说明,以下实施例是对本实用新型的解释而本实用新型并不局限于以下实施例。
实施例。
参见图1至图2,本实施例中的自动清洁梳棉机包括机箱1、传动装置2、梳棉装置3和清洁装置;机箱1的两侧分别设有进料口11与出料口12;还传动装置2包括电机21、传动轮22和传动带23;传动轮22连接在电机21上;梳棉装置3包括刺辊31、锡林32和道夫33;刺辊31、锡林32和道夫33均与机箱1转动连接,且该刺辊31、锡林32和道夫33之间依次传动连接;传动带23的一端传动轮22,另一端连接刺辊31。
本实施例中的清洁装置包括喷洒机构4和吸尘机构5;喷洒机构4包括水箱41、输水管道42、喷头43和废水收集槽44;水箱41固定机箱1上;输水管道42设置机箱1的顶部;喷头43与输水管道42连接,并且该喷头43伸入机箱1的内部;废水收集槽44固定在机箱1的底部,该废水收集槽44上开有出水口45;出水口45与外界的循环水箱连接。本实施例中的喷洒机构4能够对刺辊31、锡林32、道夫33进行进一步的清洗,提高刺辊31、锡林32、道夫33的使用寿命;使用后再开启吸尘机构5中的风机56可以将机箱1内部风干,不必等待,便于接下来使用。
本实施例中的吸尘机构5位于机箱1的内部;吸尘机构5包括毛刷51、气缸52、集尘槽53和风机56;气缸52固定在机箱1的顶部;毛刷51固定在气缸52的伸缩杆上;集尘槽53固定在机箱1的底部;集尘槽53与风机56连接;毛刷51的数目为两个;两个毛刷51分别位于锡林32和道夫33的上方;毛刷51的两端分别设有一个气缸52;集尘槽53的侧面设置有数个抽气孔54;抽气孔54通过抽气管道与风机56连接;抽气孔的数目不少于3个;集尘槽53上还设有漏水孔55。本实施例中的吸尘机构5能有效去除梳棉机的锡林32、道夫33上附着的棉屑、粉尘等,这些棉屑、粉尘落入集尘槽53中,通过集尘槽53和风机56将粉尘清理出机箱1,避免机箱1中粉尘过多而影响梳棉机的使用。
本实施例中的机箱1上还设有温度感应报警装置6;温度感应报警装置6与喷洒机构4连接。本实用新型中的温度感应报警装置6能够实时检测机箱1内部的温度,如果检测的温度过高,会立刻报警并且开启喷洒机构4进行降温或灭火,这样就消除了棉絮自然引发火灾的隐患。
此外,需要说明的是,本说明书中所描述的具体实施例,其零、部件的形状、所取名称等可以不同,本说明书中所描述的以上内容仅仅是对本实用新型结构所作的举例说明。凡依据本实用新型专利构思所述的构造、特征及原理所做的等效变化或者简单变化,均包括于本实用新型专利的保护范围内。本实用新型所属技术领域的技术人员可以对所描述的具体实施例做各种各样的修改或补充或采用类似的方式替代,只要不偏离本实用新型的结构或者超越本权利要求书所定义的范围,均应属于本实用新型的保护范围。

Claims (7)

1.一种自动清洁梳棉机,包括机箱(1)、传动装置(2)和梳棉装置(3);所述机箱(1)的两侧分别设有进料口(11)与出料口(12);其特征在于,还包括清洁装置;所述传动装置(2)包括电机(21)、传动轮(22)和传动带(23);所述传动轮(22)连接在电机(21)上;所述梳棉装置(3)包括刺辊(31)、锡林(32)和道夫(33);所述刺辊(31)、锡林(32)和道夫(33)均与机箱(1)转动连接,且该刺辊(31)、锡林(32)和道夫(33)之间依次传动连接;所述传动带(23)的一端传动轮(22),另一端连接刺辊(31);所述清洁装置包括喷洒机构(4)和吸尘机构(5);所述喷洒机构(4)包括水箱(41)、输水管道(42)、喷头(43)和废水收集槽(44);所述水箱(41)固定在机箱(1)上;所述输水管道(42)设置在机箱(1)的顶部;所述喷头(43)与输水管道(42)连接,并且该喷头(43)伸入机箱(1)的内部;所述废水收集槽(44)固定在机箱(1)的底部,该废水收集槽(44)上开有出水口(45);所述吸尘机构(5)位于机箱(1)的内部;所述吸尘机构(5)包括毛刷(51)、气缸(52)、集尘槽(53)和风机(56);所述气缸(52)固定在机箱(1)的顶部;所述毛刷(51)固定在气缸(52)的伸缩杆上;所述集尘槽(53)固定在机箱(1)的底部;所述集尘槽(53)与风机(56)连接;所述机箱(1)上还设有温度感应报警装置(6);所述温度感应报警装置(6)与喷洒机构(4)连接。
2.根据权利要求1所述的自动清洁梳棉机,其特征在于,所述毛刷(51)的数目为两个;所述两个毛刷(51)分别位于锡林(32)和道夫(33)的上方。
3.根据权利要求1所述的自动清洁梳棉机,其特征在于,所述毛刷(51)的两端分别设有一个气缸(52)。
4.根据权利要求1所述的自动清洁梳棉机,其特征在于,所述出水口(45)与外界的循环水箱连接。
5.根据权利要求1所述的自动清洁梳棉机,其特征在于,所述集尘槽(53)的侧面设置有数个抽气孔(54);所述抽气孔(54)通过抽气管道与风机(56)连接。
6.根据权利要求5所述的自动清洁梳棉机,其特征在于,所述抽气孔的数目不少于3个。
7.根据权利要求1所述的自动清洁梳棉机,其特征在于,所述集尘槽(53)上还设有漏水孔(55)。
CN201921256126.XU 2019-08-05 2019-08-05 一种自动清洁梳棉机 Expired - Fee Related CN211079436U (zh)

Priority Applications (1)

Application Number Priority Date Filing Date Title
CN201921256126.XU CN211079436U (zh) 2019-08-05 2019-08-05 一种自动清洁梳棉机

Applications Claiming Priority (1)

Application Number Priority Date Filing Date Title
CN201921256126.XU CN211079436U (zh) 2019-08-05 2019-08-05 一种自动清洁梳棉机

Publications (1)

Publication Number Publication Date
CN211079436U true CN211079436U (zh) 2020-07-24

Family

ID=71638541

Family Applications (1)

Application Number Title Priority Date Filing Date
CN201921256126.XU Expired - Fee Related CN211079436U (zh) 2019-08-05 2019-08-05 一种自动清洁梳棉机

Country Status (1)

Country Link
CN (1) CN211079436U (zh)

Cited By (1)

* Cited by examiner, † Cited by third party
Publication number Priority date Publication date Assignee Title
CN112725947A (zh) * 2020-12-25 2021-04-30 宿迁至诚纺织品股份有限公司 一种可自动润滑加油的多功能清花机

Cited By (1)

* Cited by examiner, † Cited by third party
Publication number Priority date Publication date Assignee Title
CN112725947A (zh) * 2020-12-25 2021-04-30 宿迁至诚纺织品股份有限公司 一种可自动润滑加油的多功能清花机

Similar Documents

Publication Publication Date Title
CN108939790B (zh) 一种纺织机纺织尘收集装置
CN211571148U (zh) 一种纺织面料清洗装置
WO2021056164A1 (zh) 一种具有清洁烘干功能的纺织设备
CN215829117U (zh) 一种纺织棉絮以及灰尘清理装置
CN211079436U (zh) 一种自动清洁梳棉机
CN111910359A (zh) 一种安全防护型纺织材料冲洗装置
CN206553687U (zh) 一种棉纺除尘机
CN212077220U (zh) 开清棉机的凝棉装置
CN203360665U (zh) 一种和毛开松设备
CN211637468U (zh) 一种用于梳棉机的清洁装置
CN210368039U (zh) 一种设有清洗装置的梳棉机
CN116497479A (zh) 一种棉纱纺织的除杂梳棉设备
CN210945885U (zh) 一种并条机牵伸装置
CN221713913U (zh) 一种纺织机用纺织纤维粉尘收集装置
CN216514315U (zh) 新型梳棉机自动导棉装置
CN210560966U (zh) 一种棉纺生产用除尘装置
CN211689332U (zh) 一种滤布生产梳棉机
CN222342401U (zh) 一种纺织设备除尘装置
CN221681267U (zh) 一种缫丝加工除杂机构
CN221848152U (zh) 一种纺织尘收集装置
CN217733419U (zh) 一种纺织用纺织尘清理设备
CN221760099U (zh) 一种纺织机用纺织纤维粉尘收集装置
CN211913034U (zh) 一种环境卫生用灰尘净化装置
CN211330576U (zh) 一种成品服装除尘装置
CN205893500U (zh) 一种纺纱用吸尘装置

Legal Events

Date Code Title Description
GR01 Patent grant
GR01 Patent grant
CP01 Change in the name or title of a patent holder
CP01 Change in the name or title of a patent holder

Address after: 314300 Wuyuan Street One Star Industrial Park in Haiyan County, Jiaxing, Zhejiang

Patentee after: Zhejiang hualijin Textile Co.,Ltd.

Address before: 314300 Wuyuan Street One Star Industrial Park in Haiyan County, Jiaxing, Zhejiang

Patentee before: ZHEJIANG HUALIJIN TEXTILE Co.,Ltd.

CF01 Termination of patent right due to non-payment of annual fee
CF01 Termination of patent right due to non-payment of annual fee

Granted publication date: 20200724