CN211016773U - Inductance coil winding equipment - Google Patents
Inductance coil winding equipment Download PDFInfo
- Publication number
- CN211016773U CN211016773U CN201922446875.5U CN201922446875U CN211016773U CN 211016773 U CN211016773 U CN 211016773U CN 201922446875 U CN201922446875 U CN 201922446875U CN 211016773 U CN211016773 U CN 211016773U
- Authority
- CN
- China
- Prior art keywords
- fixedly connected
- spring
- rod
- block
- limiting rod
- Prior art date
- Legal status (The legal status is an assumption and is not a legal conclusion. Google has not performed a legal analysis and makes no representation as to the accuracy of the status listed.)
- Expired - Fee Related
Links
- 238000004804 winding Methods 0.000 title claims abstract description 20
- 230000005540 biological transmission Effects 0.000 claims abstract description 37
- 230000006698 induction Effects 0.000 claims 6
- 230000000694 effects Effects 0.000 abstract description 2
- 230000004075 alteration Effects 0.000 description 1
- 230000009286 beneficial effect Effects 0.000 description 1
- 230000004048 modification Effects 0.000 description 1
- 238000012986 modification Methods 0.000 description 1
- 238000006467 substitution reaction Methods 0.000 description 1
Images
Landscapes
- Induction Heating Cooking Devices (AREA)
Abstract
The utility model relates to an electronic equipment technical field just discloses an inductance coils spooling equipment, including roof, main motor and main shaft, the top of roof and the bottom fixed connection of main motor. This inductance coil winding equipment, through setting up first guide bar, the second guide bar, first driven piece, the second driven piece, first interior clamp splice, the clamp splice in the second, the gangbar, first left spring, the left spring of second, first right spring, second right spring etc, micro motor drives first threaded rod and rotates, the transmission piece is down, and drive first driven piece through the gangbar, the second driven piece is inside along first guide bar and the descending of second guide bar respectively, and support fixedly to the inductance inner circle through clamp splice in first interior clamp splice and the second, first left spring, the left spring of second, first right spring, the right spring of second have certain cushioning effect, the problem that the centre gripping mode is unreasonable when having solved current equipment and running through type inductance winding to the inner circle, the commonality is low is solved.
Description
Technical Field
The utility model relates to an electronic equipment technical field specifically is an inductance coils spooling equipment.
Background
The mode that current inductance coils spooling equipment adopted the surface centre gripping when the type inductance that runs through the inner circle is wire-wound fixes the wire winding, and certain space can't be wound in the one end reservation of inductance to this kind of centre gripping mode, and the operation is too complicated, and fixture can not adjust according to inductance coils's not unidimensional, can only wind the inductance of single model, and the commonality is not strong.
SUMMERY OF THE UTILITY MODEL
Technical problem to be solved
The utility model provides a not enough to prior art, the utility model provides an inductance coils spooling equipment possesses the inner circle centre gripping, can enter the advantage that the centre gripping was adjusted according to the inner circle internal diameter of different model inductances, and it is unreasonable to have solved current equipment centre gripping mode when running through the type inductance wire winding to the inner circle, problem that the commonality is low.
(II) technical scheme
For realizing above-mentioned inner circle centre gripping, can enter the item centre gripping according to the inner circle internal diameter of different model inductances and adjust the purpose, the utility model provides a following technical scheme: an inductance coil winding device comprises a top plate, a main motor and a main shaft, wherein the top end of the top plate is fixedly connected with the bottom end of the main motor, the output end of the main motor is fixedly connected with the top end of the main shaft, the main shaft is movably connected with the top plate, the bottom end of the main shaft is fixedly connected with a transmission bin, the bottom inner wall of the transmission bin is fixedly connected with a micro motor, the output end of the micro motor is fixedly connected with a first threaded rod, the first threaded rod is movably connected with the bottom end of the transmission bin, the bottom end of the first threaded rod is movably connected with a limiting plate, the top end of the limiting plate is fixedly connected with a first guide rod, one end, away from the limiting plate, of the first guide rod is fixedly connected with the bottom end of the transmission bin, the bottom end of the transmission bin is fixedly connected with a second guide rod, the end of the second guide rod is fixedly connected, the inside spout fixedly connected with gangbar that runs through of transmission piece, the surperficial swing joint of first guide bar has first driven piece, the first left gag lever post of fixedly connected with in the first driven piece left side recess, the surperficial swing joint of first left gag lever post has first interior clamp splice, the first left spring of right side fixedly connected with of first interior clamp splice, the one end of first interior clamp splice and the right side inner wall fixed connection of first driven piece left side recess are kept away from to first left spring, first left spring housing is on first left gag lever post, and with first left gag lever post swing joint.
A second left limiting rod is fixedly connected in the left groove of the first driven block, the surface of the second left limiting rod is movably connected with the right side of the first inner clamping block, a second left spring is fixedly connected on the right side of the first inner clamping block, one end of the second left spring, which is far away from the first inner clamping block, is fixedly connected with the right inner wall of the left groove of the first driven block, the second left spring is sleeved on the second left limiting rod and is movably connected with the second left limiting rod, the surface of the second guide rod is movably connected with a second driven block, a first right limiting rod is fixedly connected in the right groove of the second driven block, the surface of the first right limiting rod is movably connected with the second inner clamping block, the left side of the second inner clamping block is fixedly connected with a first right spring, one end of the first right spring, which is far away from the second inner clamping block, is fixedly connected with the left inner wall of the right groove of the second driven block, the first right spring is sleeved on the first right limiting rod and movably connected with the first right limiting rod, a second right limiting rod is fixedly connected in a groove on the right side of the second driven block, the surface of the second right limiting rod is movably connected with the left side of the second inner clamping block, a second right spring is fixedly connected on the left side of the second inner clamping block, one end of the second right spring, far away from the second inner clamping block, is fixedly connected with the inner wall on the left side of the groove on the right side of the second driven block, the second right spring is sleeved on the second right limiting rod and is movably connected with the second right limiting rod, the surface of the linkage rod is movably connected with the first driven block, the surface of the linkage rod is movably connected with the second driven block, a sliding rod is fixedly connected to the bottom of the top plate, a bottom plate is fixedly connected with one end of the sliding rod, far away from the top plate, an air cylinder is fixedly connected with the top of the air cylinder, the utility model discloses a bearing plate, including lifting plate, bottom, roof, first threaded rod, first spacing roller, second threaded rod, first threaded rod, second threaded rod, first spacing roller, second spacing roller, the spout swing joint of lifting plate bottom has the pole setting, the bottom of pole setting and the top fixed connection of bottom plate, the vice motor of top fixedly connected with of roof, the output fixedly connected with second threaded rod of vice motor, the one end and the bottom plate swing joint of vice motor are kept away from to the second threaded rod, and the surface and the roof swing joint of second threaded rod, the surface threaded connection of second threaded rod has the line transmission board, the both ends of line transmission board and the surface swing joint of slide bar, the top fixedly connected with line concentration roller of line transmission board, the top fixedly connected with roller frame of line transmission board, swing joint.
Preferably, the transmission block is internally provided with a through sliding groove which penetrates from the left side to the right side.
Preferably, the left side of the first driven block is provided with two grooves.
Preferably, the bottom of the lifting plate is provided with two sliding grooves.
Preferably, the right side of the second driven block is provided with two grooves.
Preferably, the number of the slide bars is two.
Preferably, a wire slot is formed in the surface of the first limiting roller, and a wire slot is formed in the surface of the second limiting roller.
Compared with the prior art, the utility model provides an inductance coils spooling equipment possesses following beneficial effect:
1. this inductance coil winding equipment, through setting up first guide bar, the second guide bar, first driven piece, the second driven piece, first interior clamp splice, the clamp splice in the second, the gangbar, first left spring, the left spring of second, first right spring, second right spring etc, micro motor drives first threaded rod and rotates, the transmission piece is down, and drive first driven piece through the gangbar, the second driven piece is inside along first guide bar and the descending of second guide bar respectively, and support fixedly to the inductance inner circle through clamp splice in first interior clamp splice and the second, first left spring, the left spring of second, first right spring, the right spring of second have certain cushioning effect, the problem that the centre gripping mode is unreasonable when having solved current equipment and running through type inductance winding to the inner circle, the commonality is low is solved.
2. This inductance coils spooling equipment through setting up cylinder, lifting plate and pole setting, goes upward down through the cylinder, drives lifting plate's the shifting up and move down, can adjust inductance coils's height at any time, the centre gripping of being convenient for.
Drawings
FIG. 1 is a sectional view of the front view structure of the present invention;
FIG. 2 is a cross-sectional view of a portion of the enlarged structure of FIG. 1;
fig. 3 is a cross-sectional view of a portion B of fig. 1 according to the present invention;
FIG. 4 is a side view of the wire guide plate structure of the present invention;
fig. 5 is a three-dimensional view of the wire guide plate structure of the present invention.
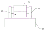
Wherein: 1. a top plate; 2. a main motor; 3. a main shaft; 4. a transmission bin; 5. a micro motor; 6. a first threaded rod; 7. a first guide bar; 8. a second guide bar; 9. a transmission block; 10. a limiting plate; 11. a linkage rod; 12. a first follower block; 13. a first left stop lever; 14. a first inner clamp block; 15. a first left spring; 16. a second left stop lever; 17. a second left spring; 18. a second driven block; 19. a first right stop lever; 20. a second inner clamp block; 21. a first right spring; 22. a second right stop lever; 23. a second right spring; 24. a base plate; 25. a cylinder; 26. erecting a rod; 27. a lifting plate; 28. a slide bar; 29. a wire transmission plate; 30. a wire collecting roller; 31. a secondary motor; 32. a second threaded rod; 33. a roller frame; 34. a first limit roller; 35. and a second limiting roller.
Detailed Description
The technical solutions in the embodiments of the present invention will be described clearly and completely with reference to the accompanying drawings in the embodiments of the present invention, and it is obvious that the described embodiments are only some embodiments of the present invention, not all embodiments. Based on the embodiments in the present invention, all other embodiments obtained by a person skilled in the art without creative work belong to the protection scope of the present invention.
Referring to fig. 1-5, the utility model provides an inductance coil winding device, which comprises a top plate 1, a main motor 2 and a main shaft 3, wherein the top end of the top plate 1 is fixedly connected with the bottom end of the main motor 2, the output end of the main motor 2 is fixedly connected with the top end of the main shaft 3, the main shaft 3 is movably connected with the top plate 1, the bottom end of the main shaft 3 is fixedly connected with a transmission bin 4, the inner bottom wall of the transmission bin 4 is fixedly connected with a micro motor 5, the output end of the micro motor 5 is fixedly connected with a first threaded rod 6, the first threaded rod 6 is movably connected with the bottom of the transmission bin 4, the bottom end of the first threaded rod 6 is movably connected with a limiting plate 10, the top end of the limiting plate 10 is fixedly connected with a first guide rod 7, one end of the first guide rod 7, which is far away from the limiting plate 10, is fixedly connected with the bottom end of the transmission bin 4, the bottom end of, the surface threaded connection of first threaded rod 6 has transmission piece 9, the inside of transmission piece 9 is seted up and is run through the spout that runs through to the right side by the left side, the inside spout fixedly connected with gangbar 11 that runs through of transmission piece 9, the surface swing joint of first guide bar 7 has first driven piece 12, the left side of first driven piece 12 is seted up flutedly, and the quantity of recess is two, first left gag lever post 13 of fixedly connected with in the recess of first driven piece 12 left side, the surface swing joint of first left gag lever post 13 has first interior clamp splice 14, the first left spring 15 of the right side fixedly connected with of first interior clamp splice 14, the one end that first interior clamp splice 14 was kept away from to first left spring 15 and the right side inner wall fixed connection of the recess of first driven piece 12 left side, first left spring 15 overlaps on first left gag lever post 13, and with first left gag lever post 13 swing joint.
A second left limiting rod 16 is fixedly connected in a left groove of the first driven block 12, the surface of the second left limiting rod 16 is movably connected with the right side of the first inner clamping block 14, a second left spring 17 is fixedly connected on the right side of the first inner clamping block 14, one end, away from the first inner clamping block 14, of the second left spring 17 is fixedly connected with the right inner wall of the left groove of the first driven block 12, the second left spring 17 is sleeved on the second left limiting rod 16 and is movably connected with the second left limiting rod 16, a second driven block 18 is movably connected on the surface of the second guide rod 8, grooves are formed in the right side of the second driven block 18, the number of the grooves is two, a first right limiting rod 19 is fixedly connected in a right groove of the second driven block 18, a second inner clamping block 20 is movably connected on the surface of the first right limiting rod 19, a first right spring 21 is fixedly connected on the left side of the second inner clamping block 20, one end, away from the second inner clamping block 20, of the first right spring 21 is fixedly connected with the left inner wall of the left groove of the second driven block 18 The first right spring 21 is sleeved on the first right limiting rod 19 and movably connected with the first right limiting rod 19, the second right limiting rod 22 is fixedly connected in a right groove of the second driven block 18, the surface of the second right limiting rod 22 is movably connected with the left side of the second inner clamping block 20, the left side of the second inner clamping block 20 is fixedly connected with the second right spring 23, one end of the second right spring 23 far away from the second inner clamping block 20 is fixedly connected with the left inner wall of the right groove of the second driven block 18, the second right spring 23 is sleeved on the second right limiting rod 22 and movably connected with the second right limiting rod 22, the surface of the linkage rod 11 is movably connected with the first driven block 12, the surface of the linkage rod 11 is movably connected with the second driven block 18, the bottom of the top plate 1 is fixedly connected with two slide rods 28, one end of the slide rods 28 far away from the top plate 1 is fixedly connected with a bottom plate 24, and the top of the bottom plate 24 is fixedly connected with a cylinder 25, the top of the cylinder 25 is fixedly connected with a lifting plate 27, the inductance coil is placed on the lifting plate 27, the bottom of the lifting plate 27 is provided with two sliding grooves, the sliding grooves at the bottom of the lifting plate 27 are movably connected with upright posts 26, the cylinder 25, the lifting plate 27 and the upright posts 26 are arranged, the lifting plate 27 is driven to move up and down by the upward and downward movement of the cylinder 25, the height of the inductance coil can be adjusted at any time, the clamping is convenient, the bottom end of the upright posts 26 is fixedly connected with the top of the bottom plate 24, the top end of the top plate 1 is fixedly connected with an auxiliary motor 31, the output end of the auxiliary motor 31 is fixedly connected with a second threaded rod 32, one end of the second threaded rod 32, far away from the auxiliary motor 31, is movably connected with the bottom plate 24, the surface of the second threaded rod 32 is movably connected with the top plate 1, the surface thread of the second threaded rod 32 is connected with a wire transmission, top fixedly connected with wire concentration roller 30 of wire transmission board 29, the accessible starts vice motor 31, adjust wire transmission board 29's relative inductance coils's position, make the wire winding go on according to certain direction, wire transmission board 29's top fixedly connected with roller frame 33, swing joint has first spacing roller 34 between the top inner wall of roller frame 33 and the end inner wall, the wire casing has been seted up on the surface of first spacing roller 34, swing joint has the spacing roller 35 of second between the top inner wall of roller frame 33 and the end inner wall, the wire casing has been seted up on the surface of the spacing roller 35 of second, the wire winding wire rod passes from the wire casing between the spacing roller 35 of second and the first spacing roller 34, prevent that the wire rod from taking place the skew.
When the electric inductance winding machine is used, an inductor is placed on a lifting plate 27, an air cylinder 25 is started, the air cylinder 25 drives the lifting plate 27 to move upwards, a micro motor 5 is started to drive a first threaded rod 6 to rotate, a transmission block 9 moves downwards, a first driven block 12 and a second driven block 18 are driven by a linkage rod 11 to respectively move downwards to the inside of the inductor along a first guide rod 7 and a second guide rod 8, an inner ring of the inductor is supported and fixed by a first inner clamping block 14 and a second inner clamping block 20, an auxiliary motor 31 is started to drive a second threaded rod 32 to rotate, the relative position of the wire and the inductor is adjusted, a main motor 2 is started to drive a main shaft 3 to rotate, the inductor rotates, the wire starts to wind, the auxiliary motor 31 is started, the second threaded rod 32 rotates and drives a wire transmission plate 29 to move, and the wire starts to wind in the moving direction of the.
Although embodiments of the present invention have been shown and described, it will be appreciated by those skilled in the art that changes, modifications, substitutions and alterations can be made in these embodiments without departing from the principles and spirit of the invention, the scope of which is defined in the appended claims and their equivalents.
Claims (7)
1. An inductance coil winding device comprises a top plate (1), a main motor (2) and a main shaft (3), and is characterized in that: the top end of the top plate (1) is fixedly connected with the bottom end of the main motor (2), the output end of the main motor (2) is fixedly connected with the top end of the main shaft (3), the main shaft (3) is movably connected with the top plate (1), the bottom end of the main shaft (3) is fixedly connected with the transmission bin (4), the bottom inner wall of the transmission bin (4) is fixedly connected with the micro motor (5), the output end of the micro motor (5) is fixedly connected with the first threaded rod (6), the first threaded rod (6) is movably connected with the bottom end of the transmission bin (4), the bottom end of the first threaded rod (6) is movably connected with the limiting plate (10), the top end of the limiting plate (10) is fixedly connected with the first guide rod (7), one end of the first guide rod (7), which is far away from the limiting plate (10), is fixedly connected with the bottom end of the transmission bin (4), and the bottom end of the transmission bin (4) is fixedly connected, the bottom end of the second guide rod (8) is fixedly connected with the top end of the limiting plate (10), the surface of the first threaded rod (6) is in threaded connection with a transmission block (9), a through chute inside the transmission block (9) is fixedly connected with a linkage rod (11), the surface of the first guide rod (7) is movably connected with a first driven block (12), a first left limiting rod (13) is fixedly connected into a left groove of the first driven block (12), the surface of the first left limiting rod (13) is movably connected with a first inner clamping block (14), a first left spring (15) is fixedly connected to the right side of the first inner clamping block (14), one end of the first left spring (15), which is far away from the first inner clamping block (14), is fixedly connected with the right inner wall of the left groove of the first driven block (12), and the first left spring (15) is sleeved on the first left limiting rod (13), and is movably connected with the first left limiting rod (13);
a second left limiting rod (16) is fixedly connected in the groove on the left side of the first driven block (12), the surface of the second left limiting rod (16) is movably connected with the right side of the first inner clamping block (14), a second left spring (17) is fixedly connected on the right side of the first inner clamping block (14), one end, far away from the first inner clamping block (14), of the second left spring (17) is fixedly connected with the inner wall on the right side of the groove on the left side of the first driven block (12), the second left spring (17) is sleeved on the second left limiting rod (16) and is movably connected with the second left limiting rod (16), a second driven block (18) is movably connected on the surface of the second guide rod (8), a first right limiting rod (19) is fixedly connected in the groove on the right side of the second driven block (18), a second inner clamping block (20) is movably connected on the surface of the first right limiting rod (19), the left side of the second inner clamping block (20) is fixedly connected with a first right spring (21), one end of the first right spring (21), which is far away from the second inner clamping block (20), is fixedly connected with the left inner wall of the right groove of the second driven block (18), the first right spring (21) is sleeved on the first right limiting rod (19) and is movably connected with the first right limiting rod (19), the second driven block (18) is fixedly connected with a second right limiting rod (22) in the right groove, the surface of the second right limiting rod (22) is movably connected with the left side of the second inner clamping block (20), the left side of the second inner clamping block (20) is fixedly connected with a second right spring (23), one end of the second right spring (23), which is far away from the second inner clamping block (20), is fixedly connected with the left inner wall of the right groove of the second driven block (18), and the second right spring (23) is sleeved on the second right limiting rod (22), and with right gag lever post (22) swing joint of second, the surface and the first driven piece (12) swing joint of gangbar (11), and the surface and the second driven piece (18) swing joint of gangbar (11), the bottom fixedly connected with slide bar (28) of roof (1), the one end fixedly connected with bottom plate (24) of roof (1) is kept away from to slide bar (28), the top fixedly connected with cylinder (25) of bottom plate (24), the top fixedly connected with of cylinder (25) lifts board (27), the spout swing joint of lifting board (27) bottom has pole setting (26), the bottom of pole setting (26) and the top fixed connection of bottom plate (24), the top fixedly connected with vice motor (31) of roof (1), the output fixedly connected with second threaded rod (32) of vice motor (31), the one end and bottom plate (24) swing joint that vice motor (31) were kept away from to second threaded rod (32), and the surface and roof (1) swing joint of second threaded rod (32), the surperficial threaded connection of second threaded rod (32) has wiring board (29), the both ends of wiring board (29) and the surperficial swing joint of slide bar (28), the top fixedly connected with line concentration roller (30) of wiring board (29), the top fixedly connected with roller frame (33) of wiring board (29), swing joint has first spacing roller (34) between the top inner wall of roller frame (33) and the end inner wall, swing joint has the spacing roller of second (35) between the top inner wall of roller frame (33) and the end inner wall.
2. The induction coil winding apparatus as claimed in claim 1, wherein: the transmission block (9) is internally provided with a through sliding groove which penetrates from the left side to the right side.
3. The induction coil winding apparatus as claimed in claim 1, wherein: the left side of the first driven block (12) is provided with two grooves.
4. The induction coil winding apparatus as claimed in claim 1, wherein: the bottom of the lifting plate (27) is provided with two sliding grooves.
5. The induction coil winding apparatus as claimed in claim 1, wherein: the right side of the second driven block (18) is provided with two grooves.
6. The induction coil winding apparatus as claimed in claim 1, wherein: the number of the slide bars (28) is two.
7. The induction coil winding apparatus as claimed in claim 1, wherein: the surface of the first limiting roller (34) is provided with a wire groove, and the surface of the second limiting roller (35) is provided with a wire groove.
Priority Applications (1)
| Application Number | Priority Date | Filing Date | Title |
|---|---|---|---|
| CN201922446875.5U CN211016773U (en) | 2019-12-30 | 2019-12-30 | Inductance coil winding equipment |
Applications Claiming Priority (1)
| Application Number | Priority Date | Filing Date | Title |
|---|---|---|---|
| CN201922446875.5U CN211016773U (en) | 2019-12-30 | 2019-12-30 | Inductance coil winding equipment |
Publications (1)
| Publication Number | Publication Date |
|---|---|
| CN211016773U true CN211016773U (en) | 2020-07-14 |
Family
ID=71476393
Family Applications (1)
| Application Number | Title | Priority Date | Filing Date |
|---|---|---|---|
| CN201922446875.5U Expired - Fee Related CN211016773U (en) | 2019-12-30 | 2019-12-30 | Inductance coil winding equipment |
Country Status (1)
| Country | Link |
|---|---|
| CN (1) | CN211016773U (en) |
Cited By (1)
| Publication number | Priority date | Publication date | Assignee | Title |
|---|---|---|---|---|
| CN112090802A (en) * | 2020-09-21 | 2020-12-18 | 国网山东省电力公司烟台供电公司 | Winding device for transformer core |
-
2019
- 2019-12-30 CN CN201922446875.5U patent/CN211016773U/en not_active Expired - Fee Related
Cited By (1)
| Publication number | Priority date | Publication date | Assignee | Title |
|---|---|---|---|---|
| CN112090802A (en) * | 2020-09-21 | 2020-12-18 | 国网山东省电力公司烟台供电公司 | Winding device for transformer core |
Similar Documents
| Publication | Publication Date | Title |
|---|---|---|
| CN101272045A (en) | Automatic cable winding and unwinding device for vehicle mounted mast | |
| CN211016773U (en) | Inductance coil winding equipment | |
| CN220985496U (en) | Automatic winding machine for motor stator | |
| CN219636602U (en) | Winding displacement mechanism suitable for reel | |
| CN115189528B (en) | A flat wire separation device for motor stator | |
| CN216054278U (en) | Transformer production is with even coiling machine of wire winding | |
| CN112787473B (en) | A winding device for motor stator windings | |
| CN115765362A (en) | Permanent magnet motor final assembly process installation equipment | |
| CN215733950U (en) | Be applied to spooling equipment of motor production line | |
| CN110120298A (en) | A kind of cell-phone camera head coil automatic winding equipment | |
| CN216980333U (en) | Winding device for core piece of transformer | |
| CN206898717U (en) | A kind of frock sliding guiding mechanism | |
| CN113903593B (en) | Full-automatic winding device of inductance | |
| CN219341239U (en) | Winding device | |
| CN109541267A (en) | A kind of Withstand test device of insulating cord and insulating bar | |
| CN222168147U (en) | Automatic winding mechanism for inductance coil of converter | |
| CN211077972U (en) | Tape winding device | |
| CN219553418U (en) | Inductance coil winder | |
| CN116137204A (en) | Quick winding equipment of inductance coil | |
| CN214314974U (en) | Lifting arrangement mechanism for coil inserting machine | |
| CN208898110U (en) | It is a kind of to stack neat device convenient for motor stamping | |
| CN222965928U (en) | Inductor equipment | |
| CN219778579U (en) | Cable pipe strander | |
| CN220138123U (en) | Coiling machine with guiding mechanism | |
| CN218525446U (en) | Winding device for producing inductance coil |
Legal Events
| Date | Code | Title | Description |
|---|---|---|---|
| GR01 | Patent grant | ||
| GR01 | Patent grant | ||
| CF01 | Termination of patent right due to non-payment of annual fee | ||
| CF01 | Termination of patent right due to non-payment of annual fee |
Granted publication date: 20200714 Termination date: 20211230 |