CN211004873U - 一体式低能耗可移动雨水资源收集利用装置 - Google Patents
一体式低能耗可移动雨水资源收集利用装置 Download PDFInfo
- Publication number
- CN211004873U CN211004873U CN201921611552.0U CN201921611552U CN211004873U CN 211004873 U CN211004873 U CN 211004873U CN 201921611552 U CN201921611552 U CN 201921611552U CN 211004873 U CN211004873 U CN 211004873U
- Authority
- CN
- China
- Prior art keywords
- pipe
- water outlet
- energy
- wave
- mud
- Prior art date
- Legal status (The legal status is an assumption and is not a legal conclusion. Google has not performed a legal analysis and makes no representation as to the accuracy of the status listed.)
- Expired - Fee Related
Links
- 238000005265 energy consumption Methods 0.000 title claims abstract description 17
- XLYOFNOQVPJJNP-UHFFFAOYSA-N water Substances O XLYOFNOQVPJJNP-UHFFFAOYSA-N 0.000 claims abstract description 64
- 238000009825 accumulation Methods 0.000 claims abstract description 19
- 238000004659 sterilization and disinfection Methods 0.000 claims abstract description 10
- 239000006004 Quartz sand Substances 0.000 claims description 6
- VYPSYNLAJGMNEJ-UHFFFAOYSA-N Silicium dioxide Chemical compound O=[Si]=O VYPSYNLAJGMNEJ-UHFFFAOYSA-N 0.000 claims description 6
- QNRATNLHPGXHMA-XZHTYLCXSA-N (r)-(6-ethoxyquinolin-4-yl)-[(2s,4s,5r)-5-ethyl-1-azabicyclo[2.2.2]octan-2-yl]methanol;hydrochloride Chemical compound Cl.C([C@H]([C@H](C1)CC)C2)CN1[C@@H]2[C@H](O)C1=CC=NC2=CC=C(OCC)C=C21 QNRATNLHPGXHMA-XZHTYLCXSA-N 0.000 claims 6
- 239000010432 diamond Substances 0.000 description 8
- 229910003460 diamond Inorganic materials 0.000 description 8
- 239000002245 particle Substances 0.000 description 8
- 238000000034 method Methods 0.000 description 5
- 230000021715 photosynthesis, light harvesting Effects 0.000 description 4
- 239000003344 environmental pollutant Substances 0.000 description 3
- 231100000719 pollutant Toxicity 0.000 description 3
- 230000033228 biological regulation Effects 0.000 description 2
- 238000010276 construction Methods 0.000 description 2
- 238000010586 diagram Methods 0.000 description 2
- 229910001385 heavy metal Inorganic materials 0.000 description 2
- 238000005381 potential energy Methods 0.000 description 2
- 238000004062 sedimentation Methods 0.000 description 2
- 239000000853 adhesive Substances 0.000 description 1
- 230000001070 adhesive effect Effects 0.000 description 1
- 230000009286 beneficial effect Effects 0.000 description 1
- 230000003139 buffering effect Effects 0.000 description 1
- 239000004927 clay Substances 0.000 description 1
- 230000008021 deposition Effects 0.000 description 1
- 238000011161 development Methods 0.000 description 1
- 230000000694 effects Effects 0.000 description 1
- 229920006351 engineering plastic Polymers 0.000 description 1
- 238000005516 engineering process Methods 0.000 description 1
- 238000001914 filtration Methods 0.000 description 1
- 238000009434 installation Methods 0.000 description 1
- 230000014759 maintenance of location Effects 0.000 description 1
- 238000004519 manufacturing process Methods 0.000 description 1
- 239000000463 material Substances 0.000 description 1
- 235000015097 nutrients Nutrition 0.000 description 1
- 239000003921 oil Substances 0.000 description 1
- 230000003647 oxidation Effects 0.000 description 1
- 238000007254 oxidation reaction Methods 0.000 description 1
- 239000013618 particulate matter Substances 0.000 description 1
- 239000002957 persistent organic pollutant Substances 0.000 description 1
- 125000005575 polycyclic aromatic hydrocarbon group Chemical group 0.000 description 1
- 238000000746 purification Methods 0.000 description 1
- 238000004064 recycling Methods 0.000 description 1
- 238000012827 research and development Methods 0.000 description 1
- 239000013049 sediment Substances 0.000 description 1
- 239000007787 solid Substances 0.000 description 1
- 238000001179 sorption measurement Methods 0.000 description 1
- 230000003746 surface roughness Effects 0.000 description 1
- 230000004083 survival effect Effects 0.000 description 1
Images
Landscapes
- Sewage (AREA)
Abstract
本实用新型公开了一体式低能耗可移动雨水资源收集利用装置,跌水池的上端开口并形成雨水径流进水口,跌水池的下部设有排泥口和跌水池出水口,若干个波浪形挡板分层且水平设置在跌水池内,在波浪形挡板每个沟壑处设有滑泥孔,在每块波浪形挡板的下方倾斜固定一块滑泥板;出水管的一端与跌水池出水口相连通,另一端与积流腔相连通,水平截留管出水管的一端与积流腔相连通,另一端与消毒存储池连接,水平截留管为一端开口,另一端封闭式结构,水平截留管的开口端与积流腔相连通。本实用新型体积较小,每一部件均为活接,可随时拆卸,且可根据不同道路雨水径流收集口和雨水管网设置相应参数,匹配收集口大小、深度和管网直径。
Description
技术领域:
本实用新型涉及一体式低能耗可移动雨水资源收集利用装置。
背景技术:
雨水径流是典型的非点源污染,具有地域范围广、随机性强、成因复杂等特点,已成为河湖水环境污染的重要因素之一。国内外大量的研究表明,由于大气沉降、路面沉积物、人流量以及路面粗糙度等因素的影响,雨水径流含有大量的悬浮固体、有机污染物、营养盐类以及重金属、多环芳烃和油类等污染物。这些污染物进入受纳径流后影响径流自净功能,破坏水环境生态平衡,而且重金属等难降解污染物最终还可能通过食物链进入人体,危害人类生存安全。另一方面,雨水径流也是一种可利用的水资源。因此,雨水径流收集处理的工艺及装置的研究开发,已成为雨水资源化利用亟待解决的关键之一。
目前,国内外雨水径流收集利用效率普遍不高,仍主要停留在对雨水径流处理设施的开发和利用上,如生物滞留池、氧化塘、人工湿地、雨水调节池、拦水蓄水塘等。现有的工艺处理设施在雨水径流收集处理过程中受到的约束条件多,如工程施工工序复杂、工期长、不可移动、投资及占地面积较大,运转能耗较高,处理效率较低,经过处理后的雨水综合利用程度不高等。
发明内容:
本实用新型是为了解决上述现有技术存在的问题而提供一体式低能耗可移动雨水资源收集利用装置。
本实用新型所采用的技术方案有:一体式低能耗可移动雨水资源收集利用装置,包括跌水池、波浪形挡板、出水管、水平截留管、水平截留管出水管、消毒存储池和积流腔,所述跌水池的上端开口并形成雨水径流进水口,跌水池的下部设有排泥口和跌水池出水口,且跌水池出水口位于排泥口的上方,若干个波浪形挡板分层且水平设置在跌水池内,且相邻的两波浪形挡板相互交错布置,在波浪形挡板每个沟壑处设有滑泥孔,在每块波浪形挡板的下方倾斜固定一块滑泥板;
所述出水管的一端与跌水池出水口相连通,另一端与积流腔相连通,水平截留管出水管的一端与积流腔相连通,另一端与消毒存储池连接,所述水平截留管为一端开口,另一端封闭式结构,水平截留管的开口端与积流腔相连通。
进一步地,所述积流腔和水平截留管均为一端开口,另一端封闭式结构,积流腔的开口端与水平截留管的开口端密封连接。
进一步地,所述水平截留管的封闭端设有进水口与出水口,且所述出水口位于进水口的上方,出水管与所述进水口相连,水平截留管出水管与所述出水口相连。
进一步地,所述水平截留管由若干个菱形管相互固定并组成,且每个菱形管相互平行设置。
进一步地,每个菱形管包括正三角管和倒三角管,正三角管与倒三角管均为一端开口,另一端封闭式结构,正三角管和倒三角管相互固定连接后形成菱形管,在正三角管与倒三角管的结合面上设有通孔,正三角管与倒三角管之间的腔体通过通孔相贯通。
进一步地,所述菱形管的底角棱线上相隔一定间隙设置若干滑泥槽,并在菱形管的底角上固定滑泥道,滑泥槽与滑泥道相贯通。
进一步地,所述正三角管内部均匀填充有石英砂。
进一步地,所述滑泥板在波浪形挡板下方向下倾斜3°。
本实用新型具有如下有益效果:
1.针对现有雨水径流收集处理系统设备体积较大、不易移动、不易维护等问题,本实用新型体积较小,每一部件均为活接,可随时拆卸,且可根据不同道路雨水径流收集口和雨水管网设置相应参数,匹配收集口大小、深度和管网直径。
2.针对现存雨水收集处理系统设备材质昂贵的问题,本实用新型的设备均为工程塑料材质,结实耐用,造价便宜、成本低廉、便于安装。
3.针对现存雨水收集处理系统设备能耗较大的问题,本实用新型中系统运转能耗较低。
4.水平截留管中间的挡板设计可有效提高水平管的利用效率,上层填充的高效吸附材料(石英砂)和下层的倒三角型管道设计起到对径流沉淀、过滤的作用,这样既提高了径流颗粒物去除效率又减小了装置的占地面积。
附图说明:
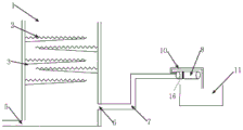
图1是本实用新型的结构示意图;
图2是本实用新型中波浪形挡板和滑泥板的安装结构示意图;
图3是本实用新型中菱形管的剖面图;
图4是本实用新型中菱形管的三维结构示意图;
图中:1-跌水池,2-波浪形挡板,3-滑泥板,4-滑泥孔,5-排泥口,6-跌水池出水口,7-出水管,8-水平截留管,9-菱形管,10-水平截留管出水管,11-消毒存储池,12-正三角管,13-倒三角管,14-滑泥道,15-滑泥槽,16-积流腔,17-通孔。
具体实施方式:
下面结合附图对本实用新型作进一步的说明。
如图1至图4,本实用新型一体式低能耗可移动雨水资源收集利用装置,包括跌水池1、波浪形挡板2、出水管7、水平截留管8、水平截留管出水管10、消毒存储池11和积流腔16,跌水池1的上端开口并形成雨水径流进水口,跌水池1的下部设有排泥口5和跌水池出水口6,且跌水池出水口6位于排泥口5的上方,若干个波浪形挡板2分层且水平设置在跌水池1内,且相邻的两波浪形挡板2相互交错布置,在波浪形挡板2每个沟壑处设有滑泥孔4,且每个沟壑处的滑泥孔4设置多个且相隔一定间距设置。在每块波浪形挡板2的下方倾斜固定一块滑泥板3。滑泥板3在波浪形挡板2下方向下倾斜3°。
出水管7的一端与跌水池出水口6相连通,另一端与积流腔16相连通,水平截留管出水管10的一端与积流腔16相连通,另一端与消毒存储池11连接,水平截留管8为一端开口,另一端封闭式结构,水平截留管8的开口端与积流腔16相连通。
本实用新型中跌水池1可以降低雨水径流进水时的势能,减缓径流的流速,同时与现有径流调蓄相比,占地面积大大减小,滑泥孔4和滑泥板3的设置可以防止波浪型挡板2沟壑处积泥,降低消能的效率,同时还能截留部分雨水径流中的颗粒。
积流腔16和水平截留管8均为一端开口,另一端封闭式结构,积流腔16的开口端与水平截留管8的开口端密封连接。在水平截留管8的封闭端设有进水口与出水口,且所述出水口位于进水口的上方,出水管7与水平截留管8上的进水口相连,水平截留管出水管10与和水平截留管8均出水口相连。
本实用新型水平截留管8由若干个菱形管9相互固定并组成,且每个菱形管9相互平行设置,且每个菱形管9为独立的单元,每个菱形管9彼此之间不连通,只是通过积流腔16汇流后相连通。相邻的菱形管9之间粘接固定。
每个菱形管9包括正三角管12和倒三角管13,正三角管12与倒三角管13均为一端开口,另一端封闭式结构,正三角管12和倒三角管13相互固定连接后形成菱形管9。
在正三角管12与倒三角管13的结合面上设有通孔17,正三角管12与倒三角管13之间的腔体通过通孔17相贯通。
在菱形管9的底角棱线上相隔一定间隙设置若干滑泥槽15,并在菱形管9的底角上固定滑泥道14,滑泥槽15与滑泥道14相贯通。
在正三角管12内部均匀填充石英砂。倒三角管13下部设有滑泥槽15和滑泥道14。正三角管12内填充有石英砂,可充分利用菱形管内部空间,扩大截留面积,最大化菱形管的截留效率。
本实用新型的工作原理为:
首先雨水径流进入跌水池1,跌水池1上部的多层波浪型挡板2的缓冲消能作用可以降低雨水径流势能,减缓雨水径流速,有利于雨水径流中颗粒的沉降,在雨水径流流经波浪型挡板2的过程中,径流中的一部分颗粒落入波浪形挡板2缝隙内滑泥孔4中随后沿着滑泥板3落入跌水池1底部,既防止了波浪型挡板2沟壑处积泥,降低消能效率,又可以截留部分颗粒物。
经过波浪型挡板2的雨水径流在落入跌水池1底部时的流速已经达到较低的程度,颗粒可在低流速下更好的沉降,跌水池1的消能效率可达到60%左右;排泥口5在本装置工作时处于关闭状态,本装置停止工作时打开排泥口5清理跌水池底部颗粒物。经过跌水池初步沉淀的雨水径流通过跌水池出水口6进入出水管7,出水管7进一步减缓水流流速,随后进入水平截留管8中的倒三角管13,径流颗粒物或絮体垂直沉淀,接触倒三角管13侧壁后下滑,及时通过滑泥槽15进入滑泥道14,水走水道,泥走泥道,这样能缩短悬浮物的沉降距离。随后径流进入正三角管12,正三角管12填充有石英砂进一步过滤径流,经过水平截留管8处理的径流,其颗粒和絮体的去除效率可达到90%左右。
径流通过正三角管12后各出水管汇聚于积流腔16,并通过水平截留管出水管10进入消毒存储池11,经过消毒存储池的出水能够达到国家Ⅱ类水标准,可用作备用水源;所述消毒存储池11可与各式便携收集箱连接,方便雨水径流的回收利用,即取即用。
以上所述仅是本实用新型的优选实施方式,应当指出,对于本技术领域的普通技术人员来说,在不脱离本实用新型原理的前提下还可以作出若干改进,这些改进也应视为本实用新型的保护范围。
Claims (8)
1.一体式低能耗可移动雨水资源收集利用装置,其特征在于:包括跌水池(1)、波浪形挡板(2)、出水管(7)、水平截留管(8)、水平截留管出水管(10)、消毒存储池(11)和积流腔(16),所述跌水池(1)的上端开口并形成雨水径流进水口,跌水池(1)的下部设有排泥口(5)和跌水池出水口(6),且跌水池出水口(6)位于排泥口(5)的上方,若干个波浪形挡板(2)分层且水平设置在跌水池(1)内,且相邻的两波浪形挡板(2)相互交错布置,在波浪形挡板(2)每个沟壑处设有滑泥孔(4),在每块波浪形挡板(2)的下方倾斜固定一块滑泥板(3);
所述出水管(7)的一端与跌水池出水口(6)相连通,另一端与积流腔(16)相连通,水平截留管出水管(10)的一端与积流腔(16)相连通,另一端与消毒存储池(11)连接,所述水平截留管(8)为一端开口,另一端封闭式结构,水平截留管(8)的开口端与积流腔(16)相连通。
2.如权利要求1所述的一体式低能耗可移动雨水资源收集利用装置,其特征在于:所述积流腔(16)和水平截留管(8)均为一端开口,另一端封闭式结构,积流腔(16)的开口端与水平截留管(8)的开口端密封连接。
3.如权利要求2所述的一体式低能耗可移动雨水资源收集利用装置,其特征在于:所述水平截留管(8)的封闭端设有进水口与出水口,且所述出水口位于进水口的上方,出水管(7)与所述进水口相连,水平截留管出水管(10)与所述出水口相连。
4.如权利要求2所述的一体式低能耗可移动雨水资源收集利用装置,其特征在于:所述水平截留管(8)由若干个菱形管(9)相互固定并组成,且每个菱形管(9)相互平行设置。
5.如权利要求4所述的一体式低能耗可移动雨水资源收集利用装置,其特征在于:每个菱形管(9)包括正三角管(12)和倒三角管(13),正三角管(12)与倒三角管(13)均为一端开口,另一端封闭式结构,正三角管(12)和倒三角管(13)相互固定连接后形成菱形管(9),在正三角管(12)与倒三角管(13)的结合面上设有通孔(17),正三角管(12)与倒三角管(13)之间的腔体通过通孔(17)相贯通。
6.如权利要求5所述的一体式低能耗可移动雨水资源收集利用装置,其特征在于:所述菱形管(9)的底角棱线上相隔一定间隙设置若干滑泥槽(15),并在菱形管(9)的底角上固定滑泥道(14),滑泥槽(15)与滑泥道(14)相贯通。
7.根据权利要求6所述的一体式低能耗可移动雨水资源收集利用装置,其特征在于:所述正三角管(12)内部均匀填充有石英砂。
8.根据权利要求1所述的一体式低能耗可移动雨水资源收集利用装置,其特征在于:所述滑泥板(3)在波浪形挡板(2)下方向下倾斜3°。
Priority Applications (1)
| Application Number | Priority Date | Filing Date | Title |
|---|---|---|---|
| CN201921611552.0U CN211004873U (zh) | 2019-09-26 | 2019-09-26 | 一体式低能耗可移动雨水资源收集利用装置 |
Applications Claiming Priority (1)
| Application Number | Priority Date | Filing Date | Title |
|---|---|---|---|
| CN201921611552.0U CN211004873U (zh) | 2019-09-26 | 2019-09-26 | 一体式低能耗可移动雨水资源收集利用装置 |
Publications (1)
| Publication Number | Publication Date |
|---|---|
| CN211004873U true CN211004873U (zh) | 2020-07-14 |
Family
ID=71471525
Family Applications (1)
| Application Number | Title | Priority Date | Filing Date |
|---|---|---|---|
| CN201921611552.0U Expired - Fee Related CN211004873U (zh) | 2019-09-26 | 2019-09-26 | 一体式低能耗可移动雨水资源收集利用装置 |
Country Status (1)
| Country | Link |
|---|---|
| CN (1) | CN211004873U (zh) |
Cited By (1)
| Publication number | Priority date | Publication date | Assignee | Title |
|---|---|---|---|---|
| CN116573698A (zh) * | 2023-07-01 | 2023-08-11 | 河南省第五建设集团有限公司 | 一种园林工程用的雨水收集吸滤器 |
-
2019
- 2019-09-26 CN CN201921611552.0U patent/CN211004873U/zh not_active Expired - Fee Related
Cited By (1)
| Publication number | Priority date | Publication date | Assignee | Title |
|---|---|---|---|---|
| CN116573698A (zh) * | 2023-07-01 | 2023-08-11 | 河南省第五建设集团有限公司 | 一种园林工程用的雨水收集吸滤器 |
Similar Documents
| Publication | Publication Date | Title |
|---|---|---|
| CN102774896B (zh) | 雨水、污水中颗粒物一体化净化装置及方法 | |
| CN102359172B (zh) | 一种城市生活小区雨水分流收集处理系统 | |
| CN108479188B (zh) | 多层导流挡板定向沉沙排沙过滤装置及其方法 | |
| CN105293734B (zh) | 可调过滤式油水混合物分离的隔油池装置 | |
| CN103301658B (zh) | 一种高效微阻脉动漩涡沉降装置 | |
| CN205011428U (zh) | 隔油池 | |
| CN105013244B (zh) | 多级雨水净化处理设备 | |
| CN107954576A (zh) | 一种河道无动力阶梯式生态护坡净化系统 | |
| CN106186338A (zh) | 一种模块化垂直潜流人工湿地脱氮处理装置 | |
| CN207429843U (zh) | 一种低水损雨水过滤池 | |
| CN102515379B (zh) | 山地小城镇污水预处理一体化装置 | |
| CN204193579U (zh) | 一种用于污水处理的沉淀池 | |
| CN204211615U (zh) | 台地式土壤分层溢流水净化系统 | |
| CN211004873U (zh) | 一体式低能耗可移动雨水资源收集利用装置 | |
| CN104370384A (zh) | 一种无动力集成式雨水旋流处理装置及其方法 | |
| CN207878628U (zh) | 一种雨水分离装置 | |
| CN204865241U (zh) | 多级雨水净化处理设备 | |
| CN203634957U (zh) | 沉淀过滤一体化装置 | |
| CN103951136A (zh) | 一种应用于雨水管网的阳台废水、初期雨水净化器及净化方法 | |
| CN103334485A (zh) | 一种分流制雨水排水系统悬浮物分离井 | |
| CN103774742A (zh) | 一种排水管道格栅装置 | |
| CN212293272U (zh) | 一种泥水浆泥水分离系统 | |
| CN105084665B (zh) | 墙面外挂式厨房废水立体净化系统 | |
| CN116651026A (zh) | 一种多层平板高效沉淀池 | |
| CN206681132U (zh) | 一种人行道雨水导口导流过滤系统 |
Legal Events
| Date | Code | Title | Description |
|---|---|---|---|
| GR01 | Patent grant | ||
| GR01 | Patent grant | ||
| CF01 | Termination of patent right due to non-payment of annual fee | ||
| CF01 | Termination of patent right due to non-payment of annual fee |
Granted publication date: 20200714 |