CN210967065U - Horizontal and vertical hole forming device for pipeline machining - Google Patents
Horizontal and vertical hole forming device for pipeline machining Download PDFInfo
- Publication number
- CN210967065U CN210967065U CN201921308568.4U CN201921308568U CN210967065U CN 210967065 U CN210967065 U CN 210967065U CN 201921308568 U CN201921308568 U CN 201921308568U CN 210967065 U CN210967065 U CN 210967065U
- Authority
- CN
- China
- Prior art keywords
- oil pipe
- pipeline
- pipe
- piston
- lead screw
- Prior art date
- Legal status (The legal status is an assumption and is not a legal conclusion. Google has not performed a legal analysis and makes no representation as to the accuracy of the status listed.)
- Active
Links
- 238000003754 machining Methods 0.000 title claims description 11
- 239000003921 oil Substances 0.000 claims description 62
- 238000010079 rubber tapping Methods 0.000 claims description 11
- 239000010720 hydraulic oil Substances 0.000 claims description 7
- 230000005611 electricity Effects 0.000 abstract description 2
- 238000001179 sorption measurement Methods 0.000 abstract description 2
- 230000004048 modification Effects 0.000 description 3
- 238000012986 modification Methods 0.000 description 3
- 238000004519 manufacturing process Methods 0.000 description 2
- 230000009286 beneficial effect Effects 0.000 description 1
- 238000009826 distribution Methods 0.000 description 1
- 238000005553 drilling Methods 0.000 description 1
- 230000000694 effects Effects 0.000 description 1
- 238000005516 engineering process Methods 0.000 description 1
- 210000001503 joint Anatomy 0.000 description 1
- 238000000034 method Methods 0.000 description 1
- 239000000126 substance Substances 0.000 description 1
Images
Landscapes
- Earth Drilling (AREA)
Abstract
The utility model discloses a perpendicular trompil device of level for pipe-line working especially relates to pipe-line working technical field for pipe-line working's perpendicular trompil device of level includes: base, support frame, first pneumatic cylinder, shell, fixing device and second pneumatic cylinder, support frame pass through bolted connection in the base upper end, and first pneumatic cylinder fixed mounting is terminal at the support frame, and first pneumatic cylinder left end sliding connection has a first hydraulic stem. When needs carry out the centre gripping pipeline, through emboliaing fixing device with the pipeline, carry out the electricity work of lead screw motor afterwards, rotate through lead screw motor drive lead screw, can drive the lead screw and remove toward first oil pipe, thereby promote the second piston through first piston, and make all piston rods follow the intraductal roll-off of second oil, make and utilize sucking disc sorption pipeline and withstand the pipeline, the worker that can be convenient for more grasps the pipeline, solve the problem that the level is difficult to carry out the trompil work and the pipeline centre gripping of pipeline simultaneously perpendicularly at present too inconvenient.
Description
Technical Field
The utility model relates to a pipeline processing technology field especially relates to a perpendicular trompil device of level for pipeline processing.
Background
In the manufacturing of trades such as machinery, chemical industry, equipment or pipeline often need be connected with other equipment through devices such as takeover or flange, and this just needs to carry out the trompil operation at the connection site, usually, when not big in batches, the trompil operation can be accomplished by the manual work, and specific trompil process is as follows: firstly, marking fixed points on the pipeline, determining the circle center and the radius of an opening, determining two fixed points at the circle center positions of the openings on two sides of the pipeline along the direction perpendicular to the axis of the pipeline according to the radius of the pipeline and by combining production experience, marking by using compasses, and finally, opening the opening. However, in the current tapping device for processing the pipeline, it is difficult to perform tapping work of the pipeline horizontally and vertically at the same time, which causes too poor efficiency of repeated tapping, and it is difficult to align holes, and clamping of the pipeline is too inconvenient.
SUMMERY OF THE UTILITY MODEL
In order to solve the problem that the present is difficult to carry out the trompil work of pipeline and pipeline centre gripping too inconvenient simultaneously horizontally and vertically, the utility model aims at providing a horizontally and vertically trompil device for pipeline processing.
In order to achieve the purpose, the technical scheme includes that the horizontal and vertical perforating device for pipeline machining comprises a base, a support frame, a first hydraulic cylinder, a shell, a fixing device and a second hydraulic cylinder, the support frame is connected to the upper end of the base through bolts, the first hydraulic cylinder is fixedly installed at the tail end of the support frame, the left end of the first hydraulic cylinder is connected with a first hydraulic rod in a sliding mode, the fixing device is connected to the tail end of the first hydraulic rod through bolts, the fixing device comprises a first oil pipe, a lead screw motor and a second oil pipe, the lead screw motor is fixedly installed at the left end of the fixing device, the first oil pipe penetrates through the left side inside the fixing device and is fixedly connected with a first piston, the right end of the lead screw motor penetrates through the inside of the first oil pipe and is fixedly embedded in the first oil pipe, the second oil pipe is provided with four common oil pipes, the second oil pipes are respectively connected to the upper end and the lower end of the first oil pipe, the front end and the rear end of the second oil pipe are respectively connected with a fixing device, the front and rear end of the second oil pipe are connected with a hydraulic cylinder, the front and rear end of the piston rod of the fixing device, the piston rod is connected with four hydraulic cylinder, the front and rear end of the piston rod of the fixing device, the piston is connected with four hydraulic cylinder, the piston rod of the four hydraulic cylinder, the four hydraulic cylinder is connected with four hydraulic cylinder, the four hydraulic cylinder.
Specifically, hydraulic oil is arranged between the first oil pipe and the second oil pipe.
Preferably, the first oil pipe is communicated with the second oil pipe.
Furthermore, a pipe orifice at the left end of the first oil pipe is provided with threads, and the first oil pipe is connected with the screw rod through the threads.
Preferably, the housing is a hollow rectangular structure.
Further, the through holes correspond to the drill bits one to one.
Compared with the prior art, the utility model discloses the beneficial effect who realizes: when the pipeline needs to be clamped, the pipeline is sleeved into the fixing device, then the lead screw motor is electrified, the lead screw is driven to rotate by the lead screw motor, the lead screw can be driven to move into the first oil pipe, the second piston is pushed by the first piston, all piston rods slide out of the second oil pipe, the pipeline is sucked by the sucking disc and is propped against the pipeline, and a worker can clamp the pipeline conveniently; when the trompil during operation of pipeline is carried out to needs, through the second pneumatic cylinder, can utilize the second pneumatic cylinder to drive driving motor and be close to toward the pipeline for rotate through driving motor drive drill bit and carry out trompil work, because four ends around four second pneumatic cylinder distribution shell about, make can carry out trompil work simultaneously by the level and perpendicularity.
Drawings
The invention is described in further detail below with reference to the following figures and detailed description:
FIG. 1 is a general schematic view of the present invention;
FIG. 2 is a schematic view of the fixing device of the present invention;
fig. 3 is a schematic view of the left end of the housing of the present invention.
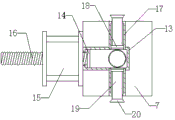
In the figure: 1-base, 2-support frame, 3-first hydraulic cylinder, 4-fixed frame, 5-shell, 6-first hydraulic rod, 7-fixing device, 8-second hydraulic cylinder, 9-second hydraulic rod, 10-driving motor, 11-drill bit, 12-perforation, 13-first oil pipe, 14-first piston, 15-lead screw motor, 16-lead screw, 17-second oil pipe, 18-second piston, 19-piston rod, 20-sucker.
Detailed Description
The following description is provided for illustrative purposes, and other advantages and features of the present invention will become apparent to those skilled in the art from the following detailed description.
Referring to fig. 1 to 3, a horizontal and vertical hole drilling apparatus for pipe machining includes: the device comprises a base 1, a support frame 2, a first hydraulic cylinder 3, a shell 5, a fixing device 7 and a second hydraulic cylinder 8, wherein the support frame 2 is connected to the upper end of the base 1 through bolts, the first hydraulic cylinder 3 is fixedly arranged at the tail end of the support frame 2, the left end of the first hydraulic cylinder 3 is connected with a first hydraulic rod 6 in a sliding mode, the fixing device 7 is connected to the tail end of the first hydraulic rod 6 through bolts, the fixing device 7 comprises a first oil pipe 13, a lead screw motor 15 and a second oil pipe 17, the lead screw motor 15 is fixedly arranged at the left end of the fixing device 7, the first oil pipe 13 penetrates through and is fixed on the left side inside the fixing device 7, a first piston 14 is connected inside the first oil pipe 13 in a sliding mode, a lead screw 16 is rotatably connected inside the lead screw motor 15, the right end of the lead screw 16 penetrates into the first oil pipe 13 to be fixedly, four second oil pipe 17 links to each other four ends around first oil pipe 13 about respectively, every second oil pipe 17 end all runs through fixing device 7, every the inside equal sliding connection of second oil pipe 17 has second piston 18, every second piston 18 one end all scarf joint is fixed with piston rod 19, every piston rod 19 end all extends second oil pipe 17 and has connect sucking disc 20, hydraulic oil has been arranged between first oil pipe 13 and the second oil pipe 17, first oil pipe 13 communicates with each other with second oil pipe 17, first oil pipe 13 left end mouth of pipe has arranged the screw thread, first oil pipe 13 and lead screw 16 pass through threaded connection, at first, through first pneumatic cylinder 3, can utilize first hydraulic stem 6 to drive fixing device 7 and move out shell 5 to the left.
When the centre gripping pipeline is carried out to needs, through emboliaing fixing device 7 with the pipeline, carry out the electricity work of connecting of lead screw motor 15 afterwards, rotate through lead screw motor 15 drive lead screw 16, can be along with lead screw 16 and first oil pipe 13 screw-thread fit, and drive first piston 14 and remove toward first oil pipe 13, promote hydraulic oil through first piston 14 and push into in second oil pipe 17, can utilize hydraulic oil to promote second piston 18, and make all piston rods 19 follow roll-off in second oil pipe 17, make and utilize sucking disc 20 sorption pipeline and withstand the pipeline, the worker that can be convenient for more grasps the pipeline.
After the fixture 7 grips the pipeline, the fixture 7 is retracted inside the housing 5 by the first hydraulic cylinder 3.
According to the embodiment, the difference between the embodiment and the embodiment is that the upper and lower ends of the first hydraulic cylinder 3 are connected with the fixing frame 4 which is L-shaped structure through screws, the housing 5 is sleeved with the fixing device 7 and welded at the tail end of the fixing frame 4, the second hydraulic cylinders 8 are four in number, four second hydraulic cylinders 8 are respectively fixedly installed at the upper, lower, front and rear four ends of the housing 5, the upper, lower, front and rear four ends of the housing 5 are respectively provided with the through holes 12 at the left side of the second hydraulic cylinder 8, one end of each second hydraulic cylinder 8 is connected with the second hydraulic cylinder 9 which is concave-shaped structure in a sliding mode, the tail end of each second hydraulic cylinder 9 is fixedly provided with the driving motor 10, the driving end of each driving motor 10 is connected with the drill bit 11 which penetrates through the through hole 12 in a rotating mode, the housing 5 is of a hollow rectangular structure, the through holes 12 correspond to the drill bits 11 one to one another, when the hole of the pipeline needs to be opened, the second hydraulic cylinder 8 can drive the driving motor 10 to drive the pipeline to approach the pipeline, so that the drill bit 11 rotates to pass through the through holes 12 to perform the pipeline work inside the housing 5.
The working principle is as follows: firstly, through the first hydraulic cylinder 3, the first hydraulic rod 6 can be used to drive the fixing device 7 to move left out of the shell 5, then the pipeline is sleeved in the fixing device 7, then the power connection work of the screw rod motor 15 is carried out, the screw rod 16 is driven to rotate through the screw rod motor 15, the first piston 14 is driven to move into the first oil pipe 13 along with the screw rod 16 and the first oil pipe 13 in a threaded fit manner, the hydraulic oil is pushed into the second oil pipe 17 through the first piston 14, the second piston 18 can be pushed through the hydraulic oil, all the piston rods 19 can slide out of the second oil pipe 17, so that the pipeline is sucked and supported by the suction cup 20, the pipeline can be clamped by a worker more conveniently, then the fixing device 7 is retracted into the shell 5 through the first hydraulic cylinder 3, when the tapping work of the pipeline is required, the second hydraulic cylinder 8 can be used to drive the driving motor 10 to approach the pipeline through the second hydraulic rod 9, so that the drill bit 11 is driven to rotate by the driving motor 10, and the drill bit 11 passes through the through hole 12 to perform the pipe hole opening work inside the shell 5, and the four second hydraulic cylinders 8 are distributed at the upper, lower, front, rear and four ends of the shell 5, so that the hole opening work can be performed horizontally and vertically at the same time.
The model of the screw motor used in the above embodiment is 42HS34-1334T L8H.
It should be understood that the structure, ratio, size and the like shown in the drawings attached to the present specification are only used for matching with the content disclosed in the specification, so as to be known and read by those skilled in the art, and are not used for limiting the limit conditions that the present invention can be implemented, so that the present invention has no technical essential meaning, and any structure modification, ratio relationship change or size adjustment should still fall within the scope that the technical content disclosed in the present invention can cover without affecting the function that the present invention can produce and the purpose that the present invention can achieve. Meanwhile, the terms such as "upper", "lower", "left", "right" and "middle" used in the present specification are for convenience of description, and are not intended to limit the scope of the present invention, and the relative relationship between the terms and the terms is not to be construed as a scope of the present invention.
The above embodiments are merely illustrative of the principles and effects of the present invention, and are not to be construed as limiting the invention. Modifications and variations can be made to the above-described embodiments by those skilled in the art without departing from the spirit and scope of the present invention. Accordingly, it is intended that all equivalent modifications or changes which may be made by those skilled in the art without departing from the spirit and technical spirit of the present invention be covered by the claims of the present invention.
Claims (6)
1. A horizontal vertical tapping device for pipe machining, characterized in that the horizontal vertical tapping device for pipe machining comprises:
the drill bit comprises a base, a support frame, a first hydraulic cylinder, a shell, a fixing device and a second hydraulic cylinder, wherein the support frame is connected to the upper end of the base through a bolt, the first hydraulic cylinder is fixedly installed at the tail end of the support frame, the left end of the first hydraulic cylinder is connected with a first hydraulic rod in a sliding mode, the fixing device is connected to the tail end of the first hydraulic rod through a bolt, the fixing device comprises a first oil pipe, a lead screw motor and a second oil pipe, the lead screw motor is fixedly installed at the left end of the fixing device, the first oil pipe penetrates through and is fixed to the left side inside the fixing device, a first piston is connected inside the first oil pipe in a sliding mode, the right end of the lead screw is inserted into the first oil pipe and is fixedly embedded in the first piston, the second oil pipe is four in total, the four second oil pipes are connected to the upper end and the lower end of the first oil pipe respectively, the tail end of each second oil pipe penetrates through the fixing device, a second piston is connected inside the second oil pipe in a sliding mode, one end of each second piston is fixedly embedded in the second piston, the tail end of each piston rod extends out of the second oil pipe and is connected with a sucker, the front-and lower hydraulic cylinder, the front-and rear-through fixing structure, the front-and rear-through fixing frame is connected with four hydraulic cylinder, the front-and rear-through fixing frame, the four hydraulic cylinder fixing frame is connected with four.
2. A horizontal vertical tapping device for pipe machining as claimed in claim 1 wherein: and hydraulic oil is arranged between the first oil pipe and the second oil pipe.
3. A horizontal vertical tapping device for pipe machining as claimed in claim 1 wherein: the first oil pipe is communicated with the second oil pipe.
4. A horizontal vertical tapping device for pipe machining as claimed in claim 1 wherein: the left end pipe orifice of the first oil pipe is provided with threads, and the first oil pipe is connected with the screw rod through the threads.
5. A horizontal vertical tapping device for pipe machining as claimed in claim 1 wherein: the shell is of a hollow rectangular structure.
6. A horizontal vertical tapping device for pipe machining as claimed in claim 1 wherein: the through holes correspond to the drill bits one to one.
Priority Applications (1)
| Application Number | Priority Date | Filing Date | Title |
|---|---|---|---|
| CN201921308568.4U CN210967065U (en) | 2019-08-13 | 2019-08-13 | Horizontal and vertical hole forming device for pipeline machining |
Applications Claiming Priority (1)
| Application Number | Priority Date | Filing Date | Title |
|---|---|---|---|
| CN201921308568.4U CN210967065U (en) | 2019-08-13 | 2019-08-13 | Horizontal and vertical hole forming device for pipeline machining |
Publications (1)
| Publication Number | Publication Date |
|---|---|
| CN210967065U true CN210967065U (en) | 2020-07-10 |
Family
ID=71454517
Family Applications (1)
| Application Number | Title | Priority Date | Filing Date |
|---|---|---|---|
| CN201921308568.4U Active CN210967065U (en) | 2019-08-13 | 2019-08-13 | Horizontal and vertical hole forming device for pipeline machining |
Country Status (1)
| Country | Link |
|---|---|
| CN (1) | CN210967065U (en) |
Cited By (1)
| Publication number | Priority date | Publication date | Assignee | Title |
|---|---|---|---|---|
| CN112157718A (en) * | 2020-09-10 | 2021-01-01 | 湖南煌丽箱包皮具有限公司 | Perforating device for case and bag manufacturing |
-
2019
- 2019-08-13 CN CN201921308568.4U patent/CN210967065U/en active Active
Cited By (1)
| Publication number | Priority date | Publication date | Assignee | Title |
|---|---|---|---|---|
| CN112157718A (en) * | 2020-09-10 | 2021-01-01 | 湖南煌丽箱包皮具有限公司 | Perforating device for case and bag manufacturing |
Similar Documents
| Publication | Publication Date | Title |
|---|---|---|
| CN203018983U (en) | Manual chuck device | |
| CN204953961U (en) | Work piece drilling machine | |
| CN204171754U (en) | Heavy square position flange york boring air-actuated jaw | |
| CN215846999U (en) | Novel drilling device for hardware machining | |
| CN210967065U (en) | Horizontal and vertical hole forming device for pipeline machining | |
| CN207431338U (en) | A kind of auxiliary guide for the drilling of circular building tube hub line | |
| CN218891512U (en) | Quick clamping mechanism for annular workpiece | |
| CN205289827U (en) | Large ring is equipment of driling radially | |
| CN104772496A (en) | Drilling method for inclined hole | |
| CN207548253U (en) | A kind of transversely movable cylindrical sleeves clamping borehole drill construction of drill bit | |
| CN108515306A (en) | A kind of trigone circular arc drilling rod Intelligent welding equipment | |
| CN103157829A (en) | Inner arc oblique hole machining device | |
| CN220094362U (en) | Positioning mechanism is used in hydraulic pressure pipe fitting processing | |
| CN101149306A (en) | Automatic trim device | |
| CN112454207A (en) | Intelligent frock clamp of damage prevention | |
| CN218612065U (en) | Movable elbow processing tool | |
| CN203292545U (en) | Machining device for inner-circular-arc inclined hole | |
| CN210937205U (en) | Clamping tool for steering joint parts | |
| CN216138624U (en) | Centre bore grinding device is used in processing of axle type gear | |
| CN219945312U (en) | Drilling fixture for machining wheels | |
| CN211841118U (en) | Machining positioning device | |
| CN208895235U (en) | A kind of multiposition drilling hole machine tool | |
| CN212122477U (en) | A multifunctional drilling and spot-spotting fixture | |
| CN211361204U (en) | Light-operated quick welding set of tapering screen pipe | |
| CN208556041U (en) | A kind of hole drilling jig of accurate positioning |
Legal Events
| Date | Code | Title | Description |
|---|---|---|---|
| GR01 | Patent grant | ||
| GR01 | Patent grant | ||
| TR01 | Transfer of patent right | ||
| TR01 | Transfer of patent right |
Effective date of registration: 20221221 Address after: No. 21, Nanjing Road, Dushanzi District, Karamay, Xinjiang Uygur Autonomous Region, 834000 Patentee after: Karamay Dushanzi District Shengtong Thermal Power Co.,Ltd. Address before: No. 4-1, Houkang, Songxing Village, Luoyang Town, Hui'an County, Quanzhou City, Fujian Province, 362000 Patentee before: Zeng Qingfang |