CN210938260U - 一种桥壳铣面钻孔夹具 - Google Patents

一种桥壳铣面钻孔夹具 Download PDF

Info

Publication number
CN210938260U
CN210938260U CN201921931504.XU CN201921931504U CN210938260U CN 210938260 U CN210938260 U CN 210938260U CN 201921931504 U CN201921931504 U CN 201921931504U CN 210938260 U CN210938260 U CN 210938260U
Authority
CN
China
Prior art keywords
seat
clamping
axle housing
oil cylinder
clamping block
Prior art date
Legal status (The legal status is an assumption and is not a legal conclusion. Google has not performed a legal analysis and makes no representation as to the accuracy of the status listed.)
Expired - Fee Related
Application number
CN201921931504.XU
Other languages
English (en)
Inventor
吴志强
徐力山
孙庆强
王敏
付正勇
周伟
Current Assignee (The listed assignees may be inaccurate. Google has not performed a legal analysis and makes no representation or warranty as to the accuracy of the list.)
Guangdong Fuwa Heavy Industry Co Ltd
Original Assignee
Guangdong Fuwa Heavy Industry Co Ltd
Priority date (The priority date is an assumption and is not a legal conclusion. Google has not performed a legal analysis and makes no representation as to the accuracy of the date listed.)
Filing date
Publication date
Application filed by Guangdong Fuwa Heavy Industry Co Ltd filed Critical Guangdong Fuwa Heavy Industry Co Ltd
Priority to CN201921931504.XU priority Critical patent/CN210938260U/zh
Application granted granted Critical
Publication of CN210938260U publication Critical patent/CN210938260U/zh
Expired - Fee Related legal-status Critical Current
Anticipated expiration legal-status Critical

Links

Images

Landscapes

  • Drilling And Boring (AREA)

Abstract

本实用新型提供一种桥壳铣面钻孔夹具,包括:底座、两丝杆机构、设于所述底座上的第一导轨和两夹紧机构;所述丝杆机构包括丝杆和螺母;所述夹紧机构包括支撑滑座、第一夹紧块、第二夹紧块和第一驱动油缸,两所述支撑滑座分别设置在两所述螺母上,所述支撑滑座上设有垂直于所述第一导轨延伸的滑槽,所述第一夹紧块设于所述滑槽末端,所述第二夹紧块可沿所述滑槽滑动地设置在所述支撑滑座上,所述第一驱动油缸设于所述支撑滑座上并且其输出端与所述第二夹紧块固定连接。本实用新型的桥壳铣面钻孔夹具通过油缸驱动两个夹紧机构紧紧夹住桥壳工件的板簧座,而无需工人手动调节定位销等固定夹具即可实现快速夹紧更换。

Description

一种桥壳铣面钻孔夹具
技术领域
本实用新型涉及桥壳加工技术领域,具体涉及一种桥壳铣面钻孔夹具。
背景技术
桥壳,是安装主减速器、差速器、半轴、轮装配基体,其主要作用是支承并保护主减速器、差速器和半轴等。
在桥壳加工钻孔时,需要对其进行夹紧固定,现有的夹具通常安装在数控分度头上,桥壳两端中心孔通过定位销及螺钉定位夹紧,需要手动控制夹紧程度,使得主销孔与中心孔位置度不稳定,每天通常只能加工一个桥壳,而且装夹工件和更换品种都很困难。
实用新型内容
本实用新型的目的在于克服现有技术中的缺点与不足,提供一种桥壳铣面钻孔夹具。
本实用新型的一个实施例提供一种桥壳铣面钻孔夹具,包括:底座、两丝杆机构、设于所述底座上的第一导轨和两夹紧机构;所述丝杆机构包括丝杆和螺母,两所述丝杆分别设于所述底座上且位于所述第一导轨的两端,所述丝杆的轴线与所述第一导轨平行,所述螺母可滑动地套设于所述丝杆上;所述夹紧机构包括支撑滑座、第一夹紧块、第二夹紧块和第一驱动油缸,两所述支撑滑座分别设置在两所述螺母上,所述支撑滑座上设有垂直于所述第一导轨延伸的滑槽,所述第一夹紧块设于所述滑槽末端,所述第二夹紧块可沿所述滑槽滑动地设置在所述支撑滑座上,所述第一驱动油缸设于所述支撑滑座上并且其输出端与所述第二夹紧块固定连接。
相对于现有技术,本实用新型的桥壳铣面钻孔夹具通过油缸驱动两个夹紧机构紧紧夹住桥壳工件的板簧座,而无需工人手动调节定位销等固定夹具即可实现快速夹紧更换,从原本一天只能加工一个桥壳到现在能够一天加工4~5个桥壳,极大地提升了生产效率,并且通过可调控左右距离的夹紧块以及对夹紧块位置进行前后调整的丝杆机构使得本实用新型的夹紧机构能够适应不同的桥壳型号尺寸。
进一步,所述夹紧机构还包括固定夹紧座和滑动夹紧座,所述固定夹紧座固设于所述滑槽末端,所述滑动夹紧座可沿所述滑槽滑动地设置在所述支撑滑座上,所述第一夹紧块可拆卸地设置在所述固定夹紧座上,所述第二夹紧块可拆卸地设置在所述滑动夹紧座上,所述第一驱动油缸的输出端与所述滑动夹紧座固定连接。由于桥壳工件的板簧座加工形状不一,通过快速更换夹紧块能够适应各种不同型号的桥壳。
进一步,所述第一夹紧块朝向第二夹紧块的一面上设置有第一倾斜面,所述第一倾斜面朝所述第二夹紧块倾斜;所述第二夹紧块朝向第一夹紧块的一面上设置有第二倾斜面,所述第二倾斜面朝所述第一夹紧块倾斜。因为桥壳工件的板簧座加工后外表面的形状凹凸不平,为了避免在钻孔时桥壳工件振动,增加一倾斜面使得夹紧块在夹紧时倾斜面能抵住凹凸不平的地方,从而能够产生一个向下的压紧力,进一步紧固了桥壳工件,避免桥壳工件整体的振动。
进一步,还包括第一辅助支撑机构,所述第一辅助支撑机构包括辅助支撑座、第二驱动油缸和支撑杆,所述辅助支撑座可滑动地设置在所述导轨上,所述辅助支撑座内设有在所述辅助支撑座顶部开口的竖直通道,所述第二驱动油缸固设在所述辅助支撑座中,所述第二驱动油缸设有连接其输出端的推杆,所述推杆横向穿过所述竖直通道的内壁并伸入所述竖直通道,所述支撑杆可滑动地穿设于所述竖直通道中,其一端从所述辅助支撑座顶部伸出;当所述推杆伸出时,所述推杆的末端顶紧于所述支撑杆的侧壁。铣面钻孔时,桥壳工件的半球形外壳开口面朝向水平方向的,桥壳工件上具有水平伸出的结构,由于第一辅助支撑机构抵住该水平伸出的结构的底部,能够避免该结构的上下振动。
进一步,所述第一辅助支撑机构还包括弹簧,所述弹簧设置在所述竖直通道内,其一端抵于所述辅助支撑座,另一端抵于所述支撑杆的端面。因为不同型号桥壳工件上水平伸出的结构位置不同,通过将支撑杆保持在顶紧所述水平伸出的结构而便于工作人员调节支撑杆的位置,支撑杆位置正确后通过油缸夹紧固定。
进一步,还包括琵琶面定位机构,所述琵琶面定位机构包括琵琶面定位座、三爪卡盘和导向盖,所述琵琶面定位座设置在所述底座上并位于两所述夹紧机构之间,所述三爪卡盘设置在所述琵琶面定位座顶部,所述导向盖设置在所述三爪卡盘的顶部。桥壳工件的半球形外壳开口面朝向竖直方向时,通过琵琶面定位座将桥壳的琵琶孔平面进行定位,此时桥壳工件的主体部分盖设在琵琶面定位座上。
进一步,所述琵琶面定位机构还包括校准环,所述校准环以环绕所述三爪卡盘的方式设置在所述琵琶面定位座顶部。校准环可实现快速确定桥壳工件的坐标,便于对板簧座进行钻孔时确认位置。
进一步,还包括第二导轨,所述第二导轨设置在所述底座上并垂直于所述第一导轨,所述琵琶面定位座可滑动地设置在所述第二导轨上。桥壳工件装夹前琵琶面定位座可移动到易装夹位置,避免了狭小的装夹空间,同时保证了后面桥壳工件角向定位的准确度。
进一步,还包括压紧定位机构,所述压紧定位机构包括定位支撑座、第三驱动油缸、导向座和压臂,所述定位支撑座设置在所述底座上并位于所述第一导轨一侧,所述第三驱动油缸设置在所述定位支撑座上并且其输出端在竖直方向伸缩,所述导向座设置在所述定位支撑座上,所述压臂的中部可在竖直面上转动地设置在所述导向座上,所述压臂的一端与所述第三驱动油缸的输出端相连,所述压臂的另一端从所述定位支撑座一侧伸出,当所述第三驱动油缸向上伸出时,所述压臂的另一端向下压紧工件。依靠杠杆原理压紧桥壳工件,松开时夹紧机构时可避开桥壳工件以便装夹,夹紧时压臂压紧工件。
进一步,还包括第二辅助支撑机构,所述第二辅助支撑机构包括第四驱动油缸和支撑块,所述第四驱动油缸设置在所述底座上并位于所述压臂的另一端的下方,其输出端在竖直方向伸缩,所述支撑块设置在所述第四驱动油缸的输出端上,当所述第四驱动油缸向上伸出时,所述支撑块向上顶紧工件。增加了装夹刚性,桥壳工件避免工件两侧悬臂太长造成振动。
为了能更清晰的理解本实用新型,以下将结合附图说明阐述本实用新型的具体实施方式。
附图说明
图1为本实用新型一个实施例的桥壳铣面钻孔夹具的结构示意图;
图2为图1所示的桥壳铣面钻孔夹具的夹紧机构在竖直面上的剖视图;
图3为图2所示的夹紧机构的夹紧滑座的结构示意图;
图4为图1所示的桥壳铣面钻孔夹具的第一辅助支撑机构在竖直面上的剖视图;
图5为图1所示的桥壳铣面钻孔夹具的第一辅助支撑机构在另一竖直面上的剖视图;
图6为本实用新型另一个实施例的桥壳铣面钻孔夹具的结构示意图;
图7为图6所示的桥壳铣面钻孔夹具的琵琶面定位机构的结构示意图;
图8为图6所示的桥壳铣面钻孔夹具的压紧定位机构的结构示意图。
具体实施方式
下面将结合本实用新型实施例中的附图,对本实用新型实施例中的技术方案进行清楚、完整地描述,显然,所描述的实施例仅仅是本实用新型一部分实施例,而不是全部的实施例。基于本实用新型中的实施例,本领域普通技术人员在没有做出创造性劳动前提下所获得的所有其他实施例,都属于本实用新型保护的范围。
请参阅图1,其是实用新型一个实施例的桥壳铣面钻孔夹具的结构示意图,该桥壳铣面钻孔夹具包括:底座10、两丝杆机构、设于所述底座10上的第一导轨30和两夹紧机构40。
在本实施例中,底座10呈板状,在底座10的一侧还固定设置有辅助支撑桥壳末端的末端支撑座11,通过给桥壳工件提供一个支点,便于桥壳工件后续的夹装。
所述丝杆机构包括丝杆21和螺母22,两所述丝杆21分别设于所述底座10上且位于所述第一导轨30的两端,所述丝杆21的轴线与所述第一导轨30平行,所述螺母22可滑动地套设于所述丝杆21上。在一些实施方式中,采用丝杆支撑架23来固定丝杆21两端,而丝杆21的末端还设置有转动把手24,方便工人操作。在一些实施方式中,由于螺母22不易与夹紧机构40连接,还可以设置与螺母22固定连接的螺母座221,通过螺母座221来与夹紧机构40连接。
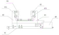
请参阅图2,其是图1所示的桥壳铣面钻孔夹具的夹紧机构在竖直面上的剖视图,所述夹紧机构40包括支撑滑座41、固定夹紧座42、滑动夹紧座43、第一夹紧块44、第二夹紧块45和第一驱动油缸46,两所述支撑滑座41分别设置在两所述螺母22上,所述支撑滑座41上设有垂直于所述第一导轨30延伸的滑槽,所述固定夹紧座42固设于所述滑槽末端,所述滑动夹紧座43可沿所述滑槽滑动地设置在所述支撑滑座41上,所述第一夹紧块44可拆卸地设置在所述固定夹紧座42上,所述第二夹紧块45可拆卸地设置在所述滑动夹紧座43上,所述第一驱动油缸46的输出端与所述滑动夹紧座43固定连接,通过快速更换固定夹紧座42和滑动夹紧座43上的第一夹紧块44和第二夹紧块45能够适应各种不同型号的桥壳。请参阅图3,其是图2所示的夹紧机构的夹紧滑座的结构示意图,在本实施例中,滑槽由平行竖立在支撑滑座41上的两个条状板411构成,滑动夹紧座43架设在条状板411上方,滑动夹紧座43的底部伸入到滑槽内,由第一驱动油缸46的输出端通过油缸接头与滑动夹紧座43固定连接,第一驱动油缸46推动滑动夹紧座43的底部使滑动夹紧座43沿滑槽滑动。当然,在一些实施方式中,也可以不使用固定夹紧座42和滑动夹紧座43,而直接将所述第一夹紧块44设于所述滑槽末端,所述第二夹紧块45可沿所述滑槽滑动地设置在所述支撑滑座41上,所述第一驱动油缸46设于所述支撑滑座41上并且其输出端与所述第二夹紧块45固定连接。
在一些实施方式中,所述第一夹紧块44朝向第二夹紧块45的一面上设置有第一倾斜面441,所述第一倾斜面441朝所述第二夹紧块45倾斜;所述第二夹紧块45朝向第一夹紧块44的一面上设置有第二倾斜面451,所述第二倾斜面451朝所述第一夹紧块44倾斜,在本实施例中,第一倾斜面441和第二倾斜面451是设置在靠近第一夹紧块44以及第二夹紧块45底部的位置,从而向下压紧板簧座侧面靠近底部的位置上突出的部分。在一些实施方式中,在第一倾斜面441以及第二倾斜面451上还可以设置增加摩擦力的锯齿。
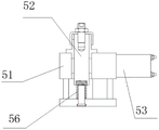
请同时参阅图4和图5,其是图1所示的桥壳铣面钻孔夹具的第一辅助支撑机构在竖直面上的剖视图和图1所示的桥壳铣面钻孔夹具的第一辅助支撑机构在另一竖直面上的剖视图,在一些实施方式中,还包括第一辅助支撑机构50,所述第一辅助支撑机构50包括辅助支撑座51、支撑杆52和第二驱动油缸53,所述辅助支撑座51可滑动地设置在所述导轨上,在本实施例中,所述辅助支撑座51通过一个滑动座511设置在第一导轨30上,所述辅助支撑座51内设有在所述辅助支撑座51顶部开口的竖直通道,所述支撑杆52可滑动地穿设于所述竖直通道中,其一端从所述辅助支撑座51顶部伸出,所述第二驱动油缸53固设在所述辅助支撑座51中,所述第二驱动油缸53设有连接其输出端的推杆54,在本实施例中,通过在所述辅助支撑座51上设置一个横向通道,横向通道与竖直通道相连通,而所述推杆54横向穿过所述横向通道伸入所述竖直通道,第二驱动油缸53控制所述推杆54伸出时,所述推杆54的末端顶紧于所述支撑杆52的侧壁。在一些实施方式中,支撑杆52上还设置向内倾斜的第三倾斜面521,推杆54的末端抵在第三倾斜面521上,推杆54对第三倾斜面521产生一个倾斜向上的力,水平力将支撑杆52顶紧在竖直通道内壁,而竖直力则将支撑杆52向上推,使得支撑杆52顶部顶紧桥壳工件,而为了避免支撑杆52滑出去,可以在支撑杆52外壁上设置一个限位凹槽522,在所述辅助支撑座51的竖直通道的内壁上设置限位螺钉55,将支撑杆52限制在一定范围内滑动。优选的,所述第一辅助支撑机构50还包括弹簧56,所述弹簧56设置在所述竖直通道内,其一端抵于所述辅助支撑座51,另一端抵于所述支撑杆52的端面,由于实际操作时是需要将支撑杆52顶部顶紧桥壳工件的,而本实用新型是通过油缸顶紧支撑杆52的,如果需要人工将支撑杆52保持在一个正确位置再启动油缸则过于麻烦,通过设置弹簧56使得支撑杆52顶部始终是向上顶紧的,这样就不需要人工手动保持支撑杆52位置了。需要说明的是,辅助支撑机构也可以设置在夹紧滑座上,将所述辅助支撑座51固定设置在夹紧滑座然后通过夹紧滑座滑动而带动所述辅助支撑座51滑动。
请参阅同时参阅图6和图7,其是本实用新型另一个实施例的桥壳铣面钻孔夹具的结构示意图和图6所示的桥壳铣面钻孔夹具的琵琶面定位机构的结构示意图。在一些实施方式中,还包括琵琶面定位机构60,所述琵琶面定位机构60包括琵琶面定位座61、三爪卡盘62和导向盖63,所述琵琶面定位座61设置在所述底座10上并位于两所述夹紧机构40之间,所述三爪卡盘62设置在所述琵琶面定位座61顶部,所述导向盖63设置在所述三爪卡盘62的顶部,桥壳工件通过导向盖63后该设在所述琵琶面定位座61上,三爪卡盘62伸出后卡住桥壳工件。优选的,所述琵琶面定位机构60还包括校准环64,所述校准环64以环绕所述三爪卡盘62的方式设置在所述琵琶面定位座61顶部,桥壳工件的琵琶孔平面与校准环64相接触,校准环64可实现快速确定桥壳工件的坐标,便于对板簧座进行钻孔时确认位置。优选的,还包括第二导轨65,所述第二导轨65设置在所述底座10上并垂直于所述第一导轨30,所述琵琶面定位座61可滑动地设置在所述第二导轨65上,桥壳工件被上述的夹紧机构40夹装前,琵琶面定位座61可移动到使得桥壳工件容易夹装的位置,避免了狭小的装夹空间,同时通过移动琵琶面定位座61可保证后面桥壳工件角向定位的准确度。需要说明的是,当设置有第二导轨65的时候,第一导轨30可以中断成两部分,形成两条第一导轨30,当然也可以不中断,第一导轨30与第二导轨65形成交叉导轨,并且此时由于底座10中部设有琵琶面定位座61,如果设有第一辅助支撑机构50的话,可以拆下或者移动到合适的位置,在本实施例中则直接拆下去掉第一辅助支撑机构50,并且第一导轨30也形成中断的两条导轨。因为桥壳产品主要尺寸的设计基准为琵琶孔中心和琵琶面,选用卧式加工中心加工时需要括琵琶面定位机构60进行定位。
请参阅参阅图8,其是图6所示的桥壳铣面钻孔夹具的压紧定位机构的结构示意图。在一些实施方式中,还包括压紧定位机构70,所述压紧定位机构70包括定位支撑座71、第三驱动油缸72、导向座73和压臂74,所述定位支撑座71设置在所述底座10上并位于所述第一导轨30一侧,所述第三驱动油缸72设置在所述定位支撑座71上并且其输出端在竖直方向伸缩,所述导向座73设置在所述定位支撑座71上,所述压臂74的中部可在竖直面上转动地设置在所述导向座73上,所述压臂74的一端与所述第三驱动油缸72的输出端相连,所述压臂74的另一端从所述定位支撑座71一侧伸出,当所述第三驱动油缸72向上伸出时,所述压臂74的另一端向下压紧工件,通过杠杆原理抬升压臂74一端从而使压臂74的另一端。在一些实施方式中,还可以在压臂74的另一端底部设置压紧螺钉75或者压板,通过压紧螺钉75或者压板来顶紧桥壳工件。在一些实施方式中,定位支撑座71上还设置了手动转向阀76来控制连通第三驱动油缸72上的油路。
在一些实施方式中,还包括第二辅助支撑机构80,所述第二辅助支撑机构80包括第四驱动油缸81和支撑块82,所述第四驱动油缸81设置在所述底座10上并位于所述压臂74的另一端的下方,其输出端在竖直方向伸缩,所述支撑块82设置在所述第四驱动油缸81的输出端上,当所述第四驱动油缸81向上伸出时,所述支撑块82向上顶紧工件。在本实施例中,压紧定位机构70以及第二辅助支撑机构80是设置在两个夹紧机构40之间的,避免工件两侧悬臂太长,使得中间悬空部分过长而在加工钻孔时造成振动,当然,压紧定位机构70以及第二辅助支撑机构80是依据夹紧机构40夹紧的位置来定的,如果桥壳机构的悬臂朝夹紧机构40外伸出过长则可以将压紧定位机构70以及第二辅助支撑机构80设置在两个夹紧机构40外侧。
在一些实施方式中,还包括一个液压系统,该液压系统与第一驱动油缸46、第二驱动油缸53、第三驱动油缸72和第四驱动油缸81都相连。
本实用新型的桥壳铣面钻孔夹具的整个装夹过程不经调整即可使得工件装入平顺,定位准确可靠,装夹刚性良好,满足此种产品批量生产要求。
尽管已经示出和描述了本实用新型的实施例,对于本领域的普通技术人员而言,可以理解在不脱离本实用新型的原理和精神的情况下可以对这些实施例进行多种变化、修改、替换和变型,本实用新型的范围由所附权利要求及其等同物限定。

Claims (10)

1.一种桥壳铣面钻孔夹具,其特征在于,包括:底座、两丝杆机构、设于所述底座上的第一导轨和两夹紧机构;
所述丝杆机构包括丝杆和螺母,两所述丝杆分别设于所述底座上且位于所述第一导轨的两端,所述丝杆的轴线与所述第一导轨平行,所述螺母可滑动地套设于所述丝杆上;
所述夹紧机构包括支撑滑座、第一夹紧块、第二夹紧块和第一驱动油缸,两所述支撑滑座分别设置在两所述螺母上,所述支撑滑座上设有垂直于所述第一导轨延伸的滑槽,所述第一夹紧块设于所述滑槽末端,所述第二夹紧块可沿所述滑槽滑动地设置在所述支撑滑座上,所述第一驱动油缸设于所述支撑滑座上并且其输出端与所述第二夹紧块固定连接。
2.根据权利要求1所述的一种桥壳铣面钻孔夹具,其特征在于:所述夹紧机构还包括固定夹紧座和滑动夹紧座,所述固定夹紧座固设于所述滑槽末端,所述滑动夹紧座可沿所述滑槽滑动地设置在所述支撑滑座上,所述第一夹紧块可拆卸地设置在所述固定夹紧座上,所述第二夹紧块可拆卸地设置在所述滑动夹紧座上,所述第一驱动油缸的输出端与所述滑动夹紧座固定连接。
3.根据权利要求1所述的一种桥壳铣面钻孔夹具,其特征在于:所述第一夹紧块朝向第二夹紧块的一面上设置有第一倾斜面,所述第一倾斜面朝所述第二夹紧块倾斜;
所述第二夹紧块朝向第一夹紧块的一面上设置有第二倾斜面,所述第二倾斜面朝所述第一夹紧块倾斜。
4.根据权利要求1所述的一种桥壳铣面钻孔夹具,其特征在于:还包括第一辅助支撑机构,所述第一辅助支撑机构包括辅助支撑座、第二驱动油缸和支撑杆,所述辅助支撑座可滑动地设置在所述导轨上,所述辅助支撑座内设有在所述辅助支撑座顶部开口的竖直通道,所述第二驱动油缸固设在所述辅助支撑座中,所述第二驱动油缸设有连接其输出端的推杆,所述推杆横向穿过所述竖直通道的内壁并伸入所述竖直通道,所述支撑杆可滑动地穿设于所述竖直通道中,其一端从所述辅助支撑座顶部伸出;当所述推杆伸出时,所述推杆的末端顶紧于所述支撑杆的侧壁。
5.根据权利要求4所述的一种桥壳铣面钻孔夹具,其特征在于:所述第一辅助支撑机构还包括弹簧,所述弹簧设置在所述竖直通道内,其一端抵于所述辅助支撑座,另一端抵于所述支撑杆的端面。
6.根据权利要求1所述的一种桥壳铣面钻孔夹具,其特征在于:还包括琵琶面定位机构,所述琵琶面定位机构包括琵琶面定位座、三爪卡盘和导向盖,所述琵琶面定位座设置在所述底座上并位于两所述夹紧机构之间,所述三爪卡盘设置在所述琵琶面定位座顶部,所述导向盖设置在所述三爪卡盘的顶部。
7.根据权利要求6所述的一种桥壳铣面钻孔夹具,其特征在于:所述琵琶面定位机构还包括校准环,所述校准环以环绕所述三爪卡盘的方式设置在所述琵琶面定位座顶部。
8.根据权利要求6所述的一种桥壳铣面钻孔夹具,其特征在于:还包括第二导轨,所述第二导轨设置在所述底座上并垂直于所述第一导轨,所述琵琶面定位座可滑动地设置在所述第二导轨上。
9.根据权利要求6所述的一种桥壳铣面钻孔夹具,其特征在于:还包括压紧定位机构,所述压紧定位机构包括定位支撑座、第三驱动油缸、导向座和压臂,所述定位支撑座设置在所述底座上并位于所述第一导轨一侧,所述第三驱动油缸设置在所述定位支撑座上并且其输出端在竖直方向伸缩,所述导向座设置在所述定位支撑座上,所述压臂的中部可在竖直面上转动地设置在所述导向座上,所述压臂的一端与所述第三驱动油缸的输出端相连,所述压臂的另一端从所述定位支撑座一侧伸出,当所述第三驱动油缸向上伸出时,所述压臂的另一端向下压紧工件。
10.根据权利要求9所述的一种桥壳铣面钻孔夹具,其特征在于:还包括第二辅助支撑机构,所述第二辅助支撑机构包括第四驱动油缸和支撑块,所述第四驱动油缸设置在所述底座上并位于所述压臂的另一端的下方,其输出端在竖直方向伸缩,所述支撑块设置在所述第四驱动油缸的输出端上,当所述第四驱动油缸向上伸出时,所述支撑块向上顶紧工件。
CN201921931504.XU 2019-11-08 2019-11-08 一种桥壳铣面钻孔夹具 Expired - Fee Related CN210938260U (zh)

Priority Applications (1)

Application Number Priority Date Filing Date Title
CN201921931504.XU CN210938260U (zh) 2019-11-08 2019-11-08 一种桥壳铣面钻孔夹具

Applications Claiming Priority (1)

Application Number Priority Date Filing Date Title
CN201921931504.XU CN210938260U (zh) 2019-11-08 2019-11-08 一种桥壳铣面钻孔夹具

Publications (1)

Publication Number Publication Date
CN210938260U true CN210938260U (zh) 2020-07-07

Family

ID=71399472

Family Applications (1)

Application Number Title Priority Date Filing Date
CN201921931504.XU Expired - Fee Related CN210938260U (zh) 2019-11-08 2019-11-08 一种桥壳铣面钻孔夹具

Country Status (1)

Country Link
CN (1) CN210938260U (zh)

Cited By (1)

* Cited by examiner, † Cited by third party
Publication number Priority date Publication date Assignee Title
CN110883582A (zh) * 2019-11-08 2020-03-17 广东富华重工制造有限公司 一种桥壳铣面钻孔夹具

Cited By (2)

* Cited by examiner, † Cited by third party
Publication number Priority date Publication date Assignee Title
CN110883582A (zh) * 2019-11-08 2020-03-17 广东富华重工制造有限公司 一种桥壳铣面钻孔夹具
CN110883582B (zh) * 2019-11-08 2024-11-22 广东富华重工制造有限公司 一种桥壳铣面钻孔夹具

Similar Documents

Publication Publication Date Title
CN105720755B (zh) 一种电机转子生产线上用的治具
CN110883582A (zh) 一种桥壳铣面钻孔夹具
CN201316914Y (zh) 隔离开关拐臂配钻工装
CN105751108A (zh) 一种电机转子生产线上用的治具
CN203254193U (zh) 与万能铣床配套的玻璃模具合缝面铣加工用的工装夹具
CN104647086B (zh) 一种通用桥壳夹紧装置
CN210938260U (zh) 一种桥壳铣面钻孔夹具
CN209811796U (zh) 一种机床加工用定位装置
CN110238679A (zh) 一种气动夹具
CN111230768B (zh) 一种机械加工用卡具
CN205614064U (zh) 用于车削长杆类零件的车床
CN106736763A (zh) 一种钢板弹簧吊耳内侧端面铣削夹具
CN112719987A (zh) 一种2.5轴雕刻机专用的铝管打孔夹具和2.5轴雕刻机
CN217702327U (zh) 一种多功能调节式机床工作台
CN214322532U (zh) 一种铣床专用的铝管打孔夹具和铣床
CN205271509U (zh) 一种台虎钳
CN210435781U (zh) 一种用于传动轴叉的专用定位夹具
CN108972392B (zh) 磨床平口钳
CN110711991B (zh) 手动式虎钳夹紧随行焊接工装
CN217832604U (zh) 一种自动安装卡扣工装
CN205614062U (zh) 一种高精度加工的专用车床
CN221910534U (zh) 一种焊接定位装置
CN219404627U (zh) 一种快速居中定位铣机辅助夹具
CN219113054U (zh) 一种锯架与立柱套的固定结构
CN222985896U (zh) 一种火花机铜公夹具

Legal Events

Date Code Title Description
GR01 Patent grant
GR01 Patent grant
CF01 Termination of patent right due to non-payment of annual fee

Granted publication date: 20200707

CF01 Termination of patent right due to non-payment of annual fee