CN210917631U - Hidden drop type intelligent wastewater recycling device - Google Patents
Hidden drop type intelligent wastewater recycling device Download PDFInfo
- Publication number
- CN210917631U CN210917631U CN201921107289.1U CN201921107289U CN210917631U CN 210917631 U CN210917631 U CN 210917631U CN 201921107289 U CN201921107289 U CN 201921107289U CN 210917631 U CN210917631 U CN 210917631U
- Authority
- CN
- China
- Prior art keywords
- water
- automatic
- waste water
- tank
- waste
- Prior art date
- Legal status (The legal status is an assumption and is not a legal conclusion. Google has not performed a legal analysis and makes no representation as to the accuracy of the status listed.)
- Expired - Fee Related
Links
- 239000002351 wastewater Substances 0.000 title claims abstract description 129
- 238000004064 recycling Methods 0.000 title claims description 24
- XLYOFNOQVPJJNP-UHFFFAOYSA-N water Substances O XLYOFNOQVPJJNP-UHFFFAOYSA-N 0.000 claims abstract description 294
- 238000011010 flushing procedure Methods 0.000 claims abstract description 48
- 230000001954 sterilising effect Effects 0.000 claims abstract description 22
- 239000008399 tap water Substances 0.000 claims abstract description 21
- 235000020679 tap water Nutrition 0.000 claims abstract description 21
- 238000001914 filtration Methods 0.000 claims abstract description 19
- 238000004659 sterilization and disinfection Methods 0.000 claims abstract description 18
- 239000008400 supply water Substances 0.000 claims abstract description 5
- 238000005192 partition Methods 0.000 claims abstract description 4
- 238000011084 recovery Methods 0.000 claims abstract description 4
- OKTJSMMVPCPJKN-UHFFFAOYSA-N Carbon Chemical compound [C] OKTJSMMVPCPJKN-UHFFFAOYSA-N 0.000 claims description 13
- 238000005406 washing Methods 0.000 claims description 11
- 238000007599 discharging Methods 0.000 claims description 7
- 229920000742 Cotton Polymers 0.000 claims description 5
- 239000006004 Quartz sand Substances 0.000 claims description 5
- VYPSYNLAJGMNEJ-UHFFFAOYSA-N Silicium dioxide Chemical compound O=[Si]=O VYPSYNLAJGMNEJ-UHFFFAOYSA-N 0.000 claims description 5
- 238000009298 carbon filtering Methods 0.000 claims 1
- 230000003760 hair shine Effects 0.000 claims 1
- 238000010586 diagram Methods 0.000 description 4
- 238000009434 installation Methods 0.000 description 4
- 238000004332 deodorization Methods 0.000 description 3
- 238000000034 method Methods 0.000 description 3
- 241000282414 Homo sapiens Species 0.000 description 2
- 238000003287 bathing Methods 0.000 description 2
- 235000013399 edible fruits Nutrition 0.000 description 2
- 230000006698 induction Effects 0.000 description 2
- 230000001681 protective effect Effects 0.000 description 2
- 230000007306 turnover Effects 0.000 description 2
- 241000258971 Brachiopoda Species 0.000 description 1
- 240000007594 Oryza sativa Species 0.000 description 1
- 235000007164 Oryza sativa Nutrition 0.000 description 1
- 230000009286 beneficial effect Effects 0.000 description 1
- 230000008602 contraction Effects 0.000 description 1
- 230000002354 daily effect Effects 0.000 description 1
- 238000005034 decoration Methods 0.000 description 1
- 230000002950 deficient Effects 0.000 description 1
- 239000010840 domestic wastewater Substances 0.000 description 1
- 230000000694 effects Effects 0.000 description 1
- 230000003203 everyday effect Effects 0.000 description 1
- 238000001125 extrusion Methods 0.000 description 1
- 239000013505 freshwater Substances 0.000 description 1
- 239000000463 material Substances 0.000 description 1
- 230000008569 process Effects 0.000 description 1
- 238000005086 pumping Methods 0.000 description 1
- 235000009566 rice Nutrition 0.000 description 1
- 238000000926 separation method Methods 0.000 description 1
- 239000010865 sewage Substances 0.000 description 1
- 239000002689 soil Substances 0.000 description 1
- 230000004083 survival effect Effects 0.000 description 1
- 235000013311 vegetables Nutrition 0.000 description 1
- 239000002699 waste material Substances 0.000 description 1
- 238000004065 wastewater treatment Methods 0.000 description 1
- 238000003911 water pollution Methods 0.000 description 1
Images
Classifications
-
- Y—GENERAL TAGGING OF NEW TECHNOLOGICAL DEVELOPMENTS; GENERAL TAGGING OF CROSS-SECTIONAL TECHNOLOGIES SPANNING OVER SEVERAL SECTIONS OF THE IPC; TECHNICAL SUBJECTS COVERED BY FORMER USPC CROSS-REFERENCE ART COLLECTIONS [XRACs] AND DIGESTS
- Y02—TECHNOLOGIES OR APPLICATIONS FOR MITIGATION OR ADAPTATION AGAINST CLIMATE CHANGE
- Y02A—TECHNOLOGIES FOR ADAPTATION TO CLIMATE CHANGE
- Y02A20/00—Water conservation; Efficient water supply; Efficient water use
- Y02A20/30—Relating to industrial water supply, e.g. used for cooling
Landscapes
- Physical Water Treatments (AREA)
Abstract
A hidden drop type intelligent waste water recovery, treatment and utilization device comprises an automatic water collecting and filtering device, an automatic water storage and sterilization device and an automatic control system, wherein the water collecting and filtering device collects, filters and sterilizes waste water through an upper water collecting plate, a V-shaped water collecting plate at one side and various filtering grids formed by a partition plate and an overflow plate, the water collecting and filtering device is connected with the water storage and sterilization device through a pipeline and flows into a water storage tank by utilizing the free drop principle of water, a water sensor in the water storage tank and a water flushing tank realizes that a motor is started to flush a toilet by utilizing the waste water under the condition of the waste water, a water level control switch arranged in the water storage tank and the water flushing tank cuts off tap water when the waste water exists, the tap water is recovered to supply water after the waste water is used up, an ultraviolet lamp for sterilizing the waste water in a designated time period controlled by a timer is arranged in the, otherwise, the water is discharged by positive rotation, so that the automatic collection, treatment and utilization of the wastewater are realized.
Description
The technical field is as follows:
the invention relates to the field of wastewater recycling, in particular to a hidden drop height type intelligent wastewater recycling device.
Secondly, the technical background is as follows:
water is one of important resources which human beings rely on for survival and development, is an indispensable and irreplaceable special resource, but because of unreasonable utilization, the originally deficient fresh water resource is more and more tense, the water resource is reasonably utilized, the human beings are in urgent need of sustainable development, the relevant departments have already been legislated in the aspect of accelerating water conservation in the past ten times, for example, the circulation and utilization of the water resource are encouraged in the promotion method of the circulation economy of the people's republic of China, the shortage of the water resource in China, the serious water pollution, the serious water and soil loss and the serious low water price lead to the serious waste of the water resource, especially, the clean waste water of a plurality of sewers is generated in daily life, the domestic waste water generated by washing clothes, bathing, washing hands, washing vegetables, washing rice and the like is directly discharged and discharged, and the clean tap water is directly adopted in the prior art for flushing toilets, mopping and watering flowers, the water can be completely used for mopping, watering flowers and flushing toilets, for the problems, some people adopt containers such as a water bucket and the like for storing and then flushing the toilets, and some people use a water pump for pumping the water into a water storage tank for flushing the toilets, the former is troublesome in manual operation and occupies a large space, the latter needs to be manually started and closed, the operability of the water pump is poor, the potential safety hazard is high, the operation is particularly inconvenient for old people and children, and in addition, the prior art has a complex structure for recycling household wastewater, is inconvenient to install and extremely low in wastewater recycling efficiency, so that the household wastewater is wasted in vain at present.
Bath and hand washing account for about 80% of domestic water, and at present, the water is directly discharged into a sewage pipeline and wasted, so that the collection, treatment and utilization of the bath and hand washing water are effective ways for saving domestic water.
Thirdly, the invention content:
1. solves the technical problem
The hidden drop type intelligent wastewater recycling device has the advantages that the hidden drop type intelligent wastewater recycling device has the full-automatic wastewater collecting, treating and utilizing functions, is simple in structure and high in wastewater recycling efficiency, does not occupy a little space of a toilet when being installed in a decoration condition, can be automatically switched between wastewater and tap water, ensures that the requirement for flushing the toilet can be met under the conditions of wastewater existence and no wastewater existence, and is completely and automatically realized without manual intervention operation in the whole wastewater recycling process.
2. Technical scheme
In order to realize the purpose of automatically recycling the wastewater, the invention provides the following technical scheme: the hidden drop height type intelligent waste water recovering and utilizing apparatus includes three parts of automatic water collecting and filtering unit, automatic water storing and sterilizing unit and automatic control system.
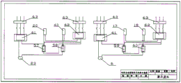
The automatic water collecting and filtering device and the automatic water storing and sterilizing device are characterized in that the main bodies of the automatic water collecting and filtering device and the automatic water storing and sterilizing device are an automatic water collecting tank (14) and an automatic water storing tank (22), a water collecting plate (13) is arranged at the upper part of the automatic water collecting tank (14), a water collecting groove (9) is formed in the water collecting plate (13), a V-shaped water collecting plate (8) is arranged at one side of the water collecting plate, a deodorization water discharging valve (7) is arranged on the V-shaped water collecting plate, collected wastewater is led into a wastewater water collecting grid (55) by the water discharging valve (7), the wastewater water collecting grid (55) is formed by dividing the automatic water collecting tank by supporting partition plates (42) and (43) and overflow plates (46) and (48) and (52) arranged in the automatic water collecting tank, the automatic water collecting tank (14) is divided into overflow grids (53), cotton yarn filtering grids (51) and quartz sand, the waste water treatment device comprises a fruit shell carbon filter lattice (47), an activated carbon filter lattice (45), a clear water lattice (50) and a drainage motor installation lattice (56), wherein the overflow lattice (53) introduces the waste water in a waste water collection lattice (55) into a cotton yarn filter lattice (51), a quartz sand filter lattice (49) and the fruit shell carbon filter lattice (47) and the activated carbon filter lattice (45) carry out physical filtration and physical sterilization on the waste water in an overflow mode, and finally the waste water flows into the clear water lattice (50) through a hole (10) in the activated carbon filter lattice (45), a drain hole (12) is formed in one side of the clear water lattice (50), the filtered and sterilized waste water in the clear water lattice is injected into an automatic water storage tank (22) through a pipeline through an automatic water storage tank water inlet hole (16) by utilizing a water flow difference principle, a turnover cover plate (15) is installed on one side of the automatic water storage tank (22), and a flushing motor (23) is installed in, install tee bend (27) on bath motor (23) outlet pipe, check valve (28), tee bend (30), tee bend (27) another termination ultraviolet lamp (26) protective housing (24) water inlet, solenoid valve (29) are installed to ultraviolet lamp protective housing (24) delivery port, tee bend (30) one end connects storage tank delivery port (19) through pipeline (21), delivery port (19) connect flushing tank water inlet (36) through pipeline (11), install automatic water level control switch (39) on flushing tank water inlet (36) inside pipeline (37), tee bend (30) another termination check valve (31), automatic water level control switch (32) water inlet connects running water inlet pipe (34) through storage tank inlet opening (33), ultraviolet lamp (26), solenoid valve (29) and motor (23) of installation on the ultraviolet lamp body are opened by timer (64) according to the timing power supply who sets up Move and realize regularly ultraviolet sterilization, two wash ports (2) have been seted up on the supporting diaphragm (43) collection check side, install 2 drainage hose (65) on wash port (2), drainage hose (65) are by drainage motor (6) just reversing and drive piston rod (5) flexible movement locking buckle (4) and move and fixed plate (3) extrusion drainage hose (65) realize that the drainage hose opens or closed reach waste water collection and discharge in the waste water collection check, wash-basin waste water inlet opening (1) is seted up to waste water collection check (55) one side and is used for connecting wash-basin waste water inlet channel.
The automatic control system consists of a drainage motor (6), a flushing motor (23), water level control switches (32) and (39), water sensor devices (17), 18, 20 and (40), relays (57), 58, 59 and (60), low-voltage power supplies (61) and (62) and a breaker (63). In the automatic control system, the drainage motor (6) respectively realizes the induction of the upper limit and the lower limit of the automatic water storage tank by 2 groups of water inductors (17) and (18) installed in the automatic water storage tank and feeds back signals to realize the attraction and the disconnection of 1 group in 2 groups of relay groups (59) and (60) so as to drive the piston rod (6) to rotate forward and backward to drive the piston rod (5) to control the extension and the contraction of the drainage hose (65) to open and close to achieve the automatic collection and the discharge of the wastewater in the wastewater collection grid, the flushing motor (23) induces the underwater limit of the water storage tank by 1 group of water inductors (20) installed in the automatic water storage tank and induces the upper limit and the feedback signals to realize the simultaneous attraction of the 2 groups of relay groups (57) and (58) and starts the water supply of the motor (23), wherein any group of disconnection motor (23) stops the water supply, and the water level controller (20) induces the water level to reach the lower limit requirement of the set water level The control switch (32) automatically cuts off the water supply of the tap water, simultaneously the feedback signal realizes the actuation of the relay (57), at this time, the situation that the automatic water storage tank contains water and can be used for flushing the toilet is explained, and the realization can only utilize the collected waste water to flush the toilet or the closestool, when the water sensor (40) in the flushing tank (38) senses that the water in the flushing tank (38) is used, the feedback signal relay (58) actuates, the flushing motor (23) starts the water supply, when the flushing tank (38) is full of water, the feedback signal relay (58) of the water sensor (40) is switched off, the flushing motor (23) stops the water supply, the circulation is carried out until the water sensor (20) senses that the water level in the automatic water storage tank reaches the set lower limit, the feedback signal relay (57) is switched off, the flushing motor (23) is powered off, simultaneously the water level control switch (32) recovers the tap water supply to flush the toilet, when the water level of the flushing tank rises to, the automatic water storage tank is connected with the tap water system, the tap water system is disconnected under the condition that the automatic water storage tank has water, the collected waste water is preferentially utilized to flush the toilet or the closestool, and the tap water is recovered under the condition that the waste water is not used up to flush the toilet or the closestool, so that the automatic collection, treatment and utilization of the waste water are realized in a circulating manner.
3. Advantageous effects
The invention provides a hidden drop height type intelligent wastewater recycling device, which has the following beneficial effects:
1) this device collects the waste water that produces when bathing through the board that catchments on automatic water collection filter equipment upper portion to collect the waste water collection check in the automatic water collection case to him, the pond inlet opening of washing hand has still been seted up to the waste water collection check simultaneously, effectively realizes the whole collections of lavatory waste water, and supporting separation plate falls into a plurality of independent check to the header tank in the automatic water collection case, deposits filtering material in the check and realizes filtering and the physical disinfection to waste water.
2) This device stores the header tank through automatic water storage sterilization system and collects and through physics filtration and sterile waste water, through tee junction water supply pipeline in the automatic water storage tank simultaneously, waste water supply motor outlet conduit, the flushing tank inlet channel, install water level control switch in water supply pipeline, the check valve is effectively realized under the condition of having waste water, preferentially adopt waste water to wash lavatory or closestool squatting pan, adopt the running water to wash lavatory or closestool squatting pan under the no waste water condition, regularly the water in the sterilizing equipment circulation is regularly disinfected to the water storage tank, realize the safe handling of waste water.
3) The timing sterilization device circularly and regularly sterilizes the water body in the water storage tank, thereby realizing the safe use of the waste water, and the check valve can effectively isolate tap water and the waste water, thereby effectively avoiding the pollution of the waste water to domestic water.
4) The device realizes the automatic induction control of the motor and the electromagnetic valve by utilizing the suction and the disconnection of the relay through the automatic control system and the feedback signal of the water sensor, thereby realizing the whole collection of the whole waste water, the whole automation of the treatment and the utilization, and the collection and the discharge of the waste water also realize the automatic control.
5) Whole system cuts off the running water automatically and supplies water under the condition that has waste water, uses the waste water of collecting, and the waste water is used the back and is opened the running water automatically and supply water, the effectual automatic switch-over that has realized waste water and running water, and the priority automatic utilization to waste water simultaneously, the automatic switch-over is also realized with the switching of running water to whole waste water, guarantees the water demand under any circumstance.
6) Waste water recovery, handle and utilize automatic control system's realization for waste water recovery handles and utilizes the device and can merge into the house fitment and go, thereby realized the hidden design of device, do not occupy the effective space in house.
7) The method for controlling the operation of the motor by feeding back signals to the relay through the water sensor to be closed and opened can expand and realize multi-form installation modes on the basis of realizing automatic collection and utilization of wastewater, and really realizes the collection and utilization of wastewater in different spaces, different places and different functions.
8) The odor-resistant drain valve in the water collection tank effectively isolates the peculiar smell in the wastewater, and the freshness of the household air is ensured.
9) The free fall flow of water is realized by utilizing the height relationship between the automatic water storage tank and the automatic water collecting tank, and the resources are effectively saved.
Fourthly, explanation of the attached drawings:
FIG. 1: hidden drop type intelligent wastewater recycling device
FIG. 2: schematic structure of automatic water collecting tank
FIG. 3: schematic diagram of water collection grid
FIG. 4: schematic diagram of automatic water storage tank structure
FIG. 5: schematic circuit diagram of automatic control unit of motor
FIG. 6: schematic diagram of sterilization timing control circuit
FIG. 1 is also taken as an abstract attached drawing
In fig. 1: 1. a water inlet hole of a hand washing basin, 2, a water collecting tank drain hole, 3, a fixing plate, 4, a locking buckle, 5, a water discharging motor piston rod, 6, a water discharging motor, 7, a deodorization water discharging valve, 8, a V-shaped water collecting plate, 9, a water collecting groove, 10, a water collecting tank water passing hole, 11, a buried pipe, 12, a water falling hole, 13, a water collecting plate, 14, a water collecting tank, 15, a turnover cover plate, 16, a water storage tank water inlet hole, 17, a high water sensor, 18, a low water sensor, 19, a water storage tank water outlet, 20, a low water sensor, 21, a pipeline, 22, a water storage tank, 23, a flushing motor, 24, an ultraviolet lamp shell, 25, a circulating pipeline, 26, an ultraviolet lamp, 27, a tee joint, 28, a one-way valve, 29, an electromagnetic valve, 30, a tee joint, 31, a one-way valve, 32, a water level control switch, 33, a tap water inlet hole, 34, a, 37. the water flushing device comprises a water inlet pipeline of the water flushing tank, 38, the water flushing tank, 39, a water level control switch, 41, a bath head, 42, 43 and 42 partition plates, 45, an activated carbon filter grid, 46, 48, 52 and 54 overflow plates, 47, a shell carbon filter grid, 49, a quartz sand filter grid, 50, a clear water grid, 51, a cotton yarn filter grid, 53, an overflow grid, 55, a wastewater water collection grid, 56, a drainage motor installation grid, 57, 58, 59 and 60 relays, 61 and 62 low-voltage power supplies, 63, fuses and 64 timers.
The fifth embodiment is as follows:
as shown in figure 1, the hidden drop type intelligent wastewater recycling device comprises the following specific implementation steps:
1. when a shower is taken, water drops from a bath head (41) fall on a water collection plate (13) of a water collection tank (14), the water is collected to a V-shaped water collection plate (8) at one side through a water collection groove (9) and is injected into a wastewater water collection grid (55) through a deodorization floor drain (7), the wastewater respectively flows through an overflow grid (53), a cotton yarn filter grid (51), a quartz sand filter grid (49) and a shell carbon filter grid (47) after reaching a certain height in an overflow mode, the water in the clear water grid flows into a clear water grid (50) through a hole (10) after being physically filtered and sterilized, the water in the clear water grid flows into a water storage tank (22) through a hole (12) and is connected with a water inlet hole (16) of the water storage tank by utilizing a water flow difference principle, when the water is injected into the water storage tank (22) and reaches the lowest water level setting, a water sensor (20) feeds back signals to a set of relays (57) of a motor (23) to electrify, meanwhile, the water level control switch (32) closes the water supply of tap water, when water exists in the flushing tank (38), the water sensor (44) feeds back a signal to the other group of relays (58) of the motor (23) to be powered off, the flushing motor (23) is not started, when the water in the flushing tank (38) is used up, the water sensor (40) feeds back a signal to the relays (58) to be powered on, at the moment, two groups of relays (57) and (58) of the flushing motor (23) are powered on to attract the motor to be started, the water outlet of the motor is connected to the water inlet (36) of the flushing tank through the tee joint (27) and the check valve (28) and the buried pipe (11) of the water storage tank water outlet (21) of the water storage tank is connected to the water inlet (36) of the flushing tank through the water level control switch (39) on the internal pipeline (37) of the flushing tank to provide wastewater toilet for flushing, when the water, the flushing motor (23) stops water supply, the water sensor (20) feeds back signals to the flushing motor (23) when the water in the wastewater storage tank (22) is used to reach the lower limit of the water level, a group of relays (57) are powered off and disconnected, the flushing motor (23) is powered off, at the same time, the water level controller (32) recovers the water supply of the tap water, the tap water is connected with a water inlet (36) of the flushing tank through a water level control switch (39) on an internal pipeline (37) of the flushing tank to flush the toilet through a water tank interface (34), a check valve (32), a three-way pipe (30), a water tank water outlet (21) and a buried pipe (11) of a water tank water outlet (19) of the water tank, when the water in the flushing tank (38) is full, the water level control switch (39) closes the running water to supply water, the toilet is flushed by using the waste water preferentially when the waste water is available and the running water is automatically recovered after the waste water is used up.
And the water in the hand washing basin flows into the wastewater collection grid (55) through the holes (1) and then is collected, sterilized and utilized according to the principle.
2. Storing and discharging waste water, when the water in the water storage tank (22) does not reach the upper limit of the set water level, a water sensor (17) feeds back a signal to electrify a relay (59) of a drainage motor (6), the drainage motor (6) reverses a piston rod (5) to retract to drive a locking buckle (4) to move and press a drainage hose (65) in a waste water grid, the waste water is collected according to 1, and the waste water is filtered and sterilized until the upper limit of the water level of the water storage tank is reached, when the water in the water storage tank reaches the upper limit of the set water level, a water sensor (18) feeds back a signal to electrify a relay (60) of a drainage motor (6), a forward rotation piston rod (5) of the drainage motor (6) extends out of a movable drainage hose (65) with a locking buckle (4) to open the wastewater and directly discharge the wastewater to a sewer through a drainage hole (2), and the wastewater is automatically collected to the maximum extent and is automatically discharged after the water storage tank (22) is full of water in a circulating mode in sequence.
3. The automatic sterilization of waste water, when timer (64) reached the time quantum of setting, switch on low voltage power supply (61) is motor (23), ultraviolet lamp (26), solenoid valve (29) power supply simultaneously, and motor (23) make water flow through ultraviolet lamp (26) through tee bend (27) and flow out through solenoid valve (29) through pipeline (24) and carry out the water circulation and disinfect, regularly circulate and disinfect every day, realize regularly automatically carrying out ultraviolet sterilization to the water in the water storage tank.
Claims (10)
1. A hidden drop type intelligent waste water recovery processing and utilizing device is characterized by comprising an automatic water collecting and filtering device, an automatic water storage and sterilization device and an automatic control system, wherein the automatic water collecting and filtering device collects waste water on a V-shaped water collecting plate at one side through a water collecting plate with a groove arranged at the upper part of an automatic water collecting tank and discharges the waste water into a waste water collecting grid divided by a partition plate, the waste water in the water collecting grid flows through a cotton yarn filtering grid and a quartz sand filtering grid in an overflow mode, a shell carbon filtering grid carries out physical filtering and physical sterilization, the filtered and sterilized waste water is collected into a water storage tank of the automatic water storage and sterilization device by utilizing the free drop principle of water when being collected into a clear water grid, a water sensor in the automatic water storage tank senses that water exists and then feeds back to 1 group of relays of a water feeding motor to be attracted, the motor is not started at the moment, and a water level control switch arranged in the automatic water storage tank cuts off, when the water sensor in the automatic water storage tank senses that the water storage tank is full, the water sensor feeds back a signal to the water supply motor, the other relay is closed, the two relays are closed simultaneously, the motor starts to supply water to the flushing tank, when the water sensor feeds back a signal to the one relay, the motor stops supplying water, the water level control switch in the automatic water storage tank recovers tap water supply until the water in the automatic water storage tank is used up, the tap water is recovered to flush the toilet, the water level control switch in the flushing tank controls the on and off of the tap water in the flushing tank, the automatic drainage device is arranged on one side of the waste water collection grid, when the water sensor in the automatic water storage tank senses that the water storage tank is full, the relay feeds back a signal to the drainage device motor to open the drainage hose in a forward rotation mode to directly discharge water to a sewer, otherwise, when the water sensor in the automatic water storage tank is not full, the water sensor feeds back a signal to the drainage device motor in the drainage hose in The waste water in the waste water collection check is collected and utilized, one side is offered and is met the interface that washes hand the pond waste water and be used for collecting the waste water of washing hand the pond in waste water collection check, wash the water motor and install one by the solenoid valve in automatic water storage sterilizing equipment, the sterilamp, the circulating water pipeline that the timer is constituteed, when the timer is not electrified time quantum solenoid valve normal close, this pipeline is obstructed, when reaching the time quantum circular telegram that sets up, the solenoid valve is opened, ultraviolet lamp shines, it makes water circulation flow into ultraviolet lamp to carry out waste water sterilization in the water storage tank to wash by water the motor start simultaneously.
2. The hidden drop height type intelligent waste water recycling device as claimed in claim 1, which is a device for automatically controlling waste water recycling, i.e. the start and stop of each electric appliance are sensed by the sensor and feedback signals to the relay to close and open the relay so as to realize the operation and non-operation of the electric appliance elements, and the automatic operation and stop of the device are realized.
3. The hidden drop height type intelligent waste water recycling device as claimed in claim 1, wherein the automatic water collecting tank collects waste water at its upper part and collects the waste water to one side, and the inside is divided into different filtering grids by the supporting plate and the overflow plate, so that physical filtration and physical sterilization are performed simultaneously when the waste water is collected.
4. The hidden drop height type intelligent waste water recycling device as claimed in claim 1, wherein the waste water in the automatic storage tank, the tap water inlet pipe and the water inlet of the flushing tank are connected by a tee joint, a one-way valve for preventing mixed flow is installed in the pipeline, and the switching between the waste water and the tap water to supply water to the flushing tank is effectively realized by an automatic control system.
5. The hidden drop height type intelligent waste water recycling device as claimed in claim 1, wherein the flushing motor in the automatic water storage tank is connected with an ultraviolet lamp, and a timer is used to periodically start the water circulation sterilization, so as to perform two disinfection and sterilization functions on waste water.
6. The hidden drop height type intelligent waste water recycling device as claimed in claim 1, wherein the sensor feeds back a signal to the relay control motor to automatically stop collecting waste water when the waste water reaches the upper limit of the container storage, and otherwise, the collection is automatically resumed when the container has a storage space, thereby automatically collecting and discharging the waste water.
7. The hidden drop height type intelligent waste water recycling device as claimed in claim 1, wherein a water sensor is installed in the automatic water storage tank and the flushing tank to sense the water state, and a water level control switch is installed in the flushing tank to control the water level, so as to effectively ensure the control of the water level of the flushing tank in the case of using waste water and tap water.
8. The hidden drop height type intelligent wastewater recycling device as claimed in claim 1, wherein a hand washing basin and a kitchen wastewater inlet are arranged in the wastewater collection grid of the automatic water collection tank for expanding the interface of the wastewater source.
9. The hidden drop height type intelligent wastewater recycling device as claimed in claim 1, wherein the automatic water collecting device and the automatic water storing device are a water collecting tank and a water storing tank, the water collecting tank and the water storing tank automatically flow into the water storing tank by water flow in relation to the height of the water collecting tank and the water storing tank, and the water storing tank and the water collecting tank are hidden in a buried manner without occupying a little space.
10. The hidden drop height type intelligent wastewater recycling device of claim 4, wherein tap water and wastewater are isolated by a one-way valve to avoid pollution of clean water.
Priority Applications (1)
| Application Number | Priority Date | Filing Date | Title |
|---|---|---|---|
| CN201921107289.1U CN210917631U (en) | 2019-07-16 | 2019-07-16 | Hidden drop type intelligent wastewater recycling device |
Applications Claiming Priority (1)
| Application Number | Priority Date | Filing Date | Title |
|---|---|---|---|
| CN201921107289.1U CN210917631U (en) | 2019-07-16 | 2019-07-16 | Hidden drop type intelligent wastewater recycling device |
Publications (1)
| Publication Number | Publication Date |
|---|---|
| CN210917631U true CN210917631U (en) | 2020-07-03 |
Family
ID=71345274
Family Applications (1)
| Application Number | Title | Priority Date | Filing Date |
|---|---|---|---|
| CN201921107289.1U Expired - Fee Related CN210917631U (en) | 2019-07-16 | 2019-07-16 | Hidden drop type intelligent wastewater recycling device |
Country Status (1)
| Country | Link |
|---|---|
| CN (1) | CN210917631U (en) |
Cited By (2)
| Publication number | Priority date | Publication date | Assignee | Title |
|---|---|---|---|---|
| CN112240044A (en) * | 2019-07-16 | 2021-01-19 | 唐清清 | Intelligent waste water recycling control device |
| CN113354167A (en) * | 2021-07-12 | 2021-09-07 | 长春市东响科技有限公司 | Bath water recovery unit |
-
2019
- 2019-07-16 CN CN201921107289.1U patent/CN210917631U/en not_active Expired - Fee Related
Cited By (2)
| Publication number | Priority date | Publication date | Assignee | Title |
|---|---|---|---|---|
| CN112240044A (en) * | 2019-07-16 | 2021-01-19 | 唐清清 | Intelligent waste water recycling control device |
| CN113354167A (en) * | 2021-07-12 | 2021-09-07 | 长春市东响科技有限公司 | Bath water recovery unit |
Similar Documents
| Publication | Publication Date | Title |
|---|---|---|
| CN101424093A (en) | Household reclaimed water system | |
| CN103319039A (en) | Intelligent multifunctional integrated-control household energy-saving water system | |
| CN210917631U (en) | Hidden drop type intelligent wastewater recycling device | |
| CN102926439A (en) | Resident housing living waste water treatment reused system | |
| CN100529279C (en) | Classification-utilization water-saving method for domestic water and device for automatically controlling classification-utilization | |
| CN101634160A (en) | Domestic water recycling system | |
| CN103993637A (en) | Intelligent, ecological and energy saving cycled washing processing system for public toilets | |
| CN201560463U (en) | A household sewage secondary utilization device | |
| CN201006850Y (en) | Effluentpurification water saver | |
| CN1707041A (en) | Serially connected intermediate water utilizing system | |
| CN102828546A (en) | Fully automatic bathroom water saving device | |
| CN204551626U (en) | A kind of harmless treatment reutilizing device of family domestic waste water | |
| CN106088257B (en) | A kind of computer control domestic household effluent recycle device | |
| CN206245411U (en) | A kind of Domestic water recovering utility | |
| CN210562458U (en) | An integrated intelligent water-saving system | |
| CN209685466U (en) | A kind of water process water-saving system | |
| CN210562446U (en) | Domestic sewage recovery treatment combined utilization device | |
| CN206888107U (en) | A kind of household toilet water drainage-supply system | |
| CN2647930Y (en) | Multifunctional environment protecting water saving apparatus | |
| CN203583624U (en) | Intelligent, ecological and energy-saving circulation flushing processing system for public toilet | |
| CN200985528Y (en) | Household circulation type water supply and drainage system | |
| CN211921048U (en) | Whole waste water cyclic utilization system of building | |
| CN109403440A (en) | A kind of water-saving seating and squatting bi service closestool of novel anhydrous case | |
| CN203436922U (en) | Wastewater recovery device | |
| CN112240044A (en) | Intelligent waste water recycling control device |
Legal Events
| Date | Code | Title | Description |
|---|---|---|---|
| GR01 | Patent grant | ||
| GR01 | Patent grant | ||
| CF01 | Termination of patent right due to non-payment of annual fee |
Granted publication date: 20200703 |
|
| CF01 | Termination of patent right due to non-payment of annual fee |