CN210868579U - 一种利用水冷技术的仪器密封机柜系统 - Google Patents

一种利用水冷技术的仪器密封机柜系统 Download PDF

Info

Publication number
CN210868579U
CN210868579U CN201922059165.7U CN201922059165U CN210868579U CN 210868579 U CN210868579 U CN 210868579U CN 201922059165 U CN201922059165 U CN 201922059165U CN 210868579 U CN210868579 U CN 210868579U
Authority
CN
China
Prior art keywords
water
cooling
heat exchanger
cooling heat
frame
Prior art date
Legal status (The legal status is an assumption and is not a legal conclusion. Google has not performed a legal analysis and makes no representation as to the accuracy of the status listed.)
Expired - Fee Related
Application number
CN201922059165.7U
Other languages
English (en)
Inventor
张建平
Current Assignee (The listed assignees may be inaccurate. Google has not performed a legal analysis and makes no representation or warranty as to the accuracy of the list.)
Individual
Original Assignee
Individual
Priority date (The priority date is an assumption and is not a legal conclusion. Google has not performed a legal analysis and makes no representation as to the accuracy of the date listed.)
Filing date
Publication date
Application filed by Individual filed Critical Individual
Priority to CN201922059165.7U priority Critical patent/CN210868579U/zh
Application granted granted Critical
Publication of CN210868579U publication Critical patent/CN210868579U/zh
Expired - Fee Related legal-status Critical Current
Anticipated expiration legal-status Critical

Links

Images

Landscapes

  • Cooling Or The Like Of Electrical Apparatus (AREA)

Abstract

本实用新型提供了一种利用水冷技术的仪器密封机柜系统,包括机柜,其包括机框和连接在机框外的外壳,机框内部设有线路板,外壳全密封,密封机柜系统还包括:第一水冷散热排,水平设置在机框内顶部,第一水冷散热排连接有进水管和出水管;第一水箱、第一水泵,第一水泵进水口与第一水箱出水口连接,第一水泵出水口与所述进水管远离第一水冷散热排的一端连接;水冷却装置,其的冷水出口与第一水箱进水口连接,其的入水口与出水管远离第一水冷散热排的一端连接。本实用新型机柜的外壳全密封,能够避免机柜外部灰尘进入机柜内,避免由于灰尘堆积在线路板上导致线路板散热下降,避免灰尘引发线路板元件接触问题和短路问题以及引发机柜内仪器故障。

Description

一种利用水冷技术的仪器密封机柜系统
技术领域
本实用新型涉及密封机柜系统技术领域,特别涉及一种利用水冷技术的仪器密封机柜系统。
背景技术
目前一般仪器,包括核磁共振波谱仪、傅里叶质谱仪等,机柜都采用风冷降温。为了降温空气流通,机柜1正面和背面都留有开口14供气流通过(图1和图2)。机柜1内部固定线路板的机框11上方设置风扇板7,在风扇板7上装有多个第一散热风扇6(图3、图4为透视图),风扇推动空气向上流动,通过风扇上方导流盖板和机柜表面开口将热气流吹出机柜。
传统风冷机柜存在的问题是机柜运行一段时间后,机柜内的线路板上会积累风扇从机柜外部吸入的灰尘,导致线路板散热下降,灰尘也会引发线路板元件接触问题和短路问题,容易引发仪器故障。风扇转子也容易积累灰尘导致旋转摩擦增大,风扇转速下降甚至卡住,从而也引发仪器故障。
实用新型内容
本实用新型提供一种利用水冷技术的仪器密封机柜系统,用以解决传统风冷机柜通过在机柜外壳表面设置开口散热,灰尘容易进入机柜内引发仪器故障的问题。
一种利用水冷技术的仪器密封机柜系统,包括机柜,所述机柜包括机框和连接在机框外的外壳,所述机框内部设有线路板,所述外壳全密封,所述密封机柜系统还包括:
第一水冷散热排,水平设置在机框内顶部,所述第一水冷散热排的进水口连接有进水管,所述第一水冷散热排的出水口连接有出水管;
第一水箱、第一水泵,所述第一水泵进水口与第一水箱出水口连接,所述第一水泵出水口与所述进水管远离第一水冷散热排的一端连接;
水冷却装置,所述水冷却装置的冷水出口与第一水箱进水口连接,所述水冷却装置的入水口与出水管远离第一水冷散热排的一端连接。
优选的,所述机框两侧及背面和外壳之间均设置导气隔板。
优选的,所述第一水箱内设置有电热丝和热电偶,所述密封机柜系统还包括控制器和电源,所述控制器分别与热电偶、电热丝、第一水泵、电源电连接。
优选的,所述水冷却装置包括:
第一水冷热交换器,所述第一水冷热交换器冷水侧入水口与出水管远离第一水冷散热排的一端连接,所述第一水冷热交换器冷水侧出水口与第一水箱进水口连接;
水冷机,所述第一水冷热交换器散热侧出水口通过第一水管连接至水冷机入水口,所述水冷机出水口通过第二水管与第一水冷热交换器散热侧入水口连接。
优选的,所述水冷却装置包括:
半导体制冷片、第二水冷热交换器、第三水冷热交换器,所述第二水冷热交换器与半导体制冷片的制冷侧连接,所述第三水冷热交换器与半导体制冷片的制热侧连接;
所述第二水冷热交换器冷水侧入水口与出水管远离第一水冷散热排的一端连接,所述第二水冷热交换器的冷水侧出水口与第一水箱的进水口连接;
所述第三水冷热交换器的热水侧出水口与第二水冷散热排的进水口连接,所述第二水冷散热排的出水口与第二水箱进水口连接,所述第二水箱出水口与第二水泵进水口连接,所述第二水泵出水口与第三水冷热交换器的热水侧进水口连接;
所述第一水泵、第二水泵、半导体制冷片均与控制器电连接。
优选的,所述密封机柜系统还包括:
导气罩,连接在机框内部、且位于第一水冷散热排顶部;
风扇板,固定连接在导气罩上部,所述风扇板上连接有若干第一散热风扇。
优选的,所述第一水冷散热排包括:边框,所述边框上连接有水管网络,所述边框上设置水管网络处连接有垂直散热翅片。
优选的,所述第二水冷热交换器、第三水冷热交换器内的水道形状均为S形。
优选的,还包括第二散热风扇,所述第二散热风扇平行于第二水冷散热排设置,所述第二散热风扇与控制器电连接。
本实用新型的其它特征和优点将在随后的说明书中阐述,并且,部分地从说明书中变得显而易见,或者通过实施本实用新型而了解。本实用新型的目的和其他优点可通过在所写的说明书、权利要求书、以及附图中所特别指出的结构来实现和获得。
下面通过附图和实施例,对本实用新型的技术方案做进一步的详细描述。
附图说明
附图用来提供对本实用新型的进一步理解,并且构成说明书的一部分,与本实用新型的实施例一起用于解释本实用新型,并不构成对本实用新型的限制。在附图中:
图1为现有仪器密封机柜的结构示意图一。
图2为现有仪器密封机柜的结构示意图二。
图3为现有仪器密封机柜的内部结构示意图。
图4为现有仪器密封机柜的透视图。
图5为本实用新型水冷却装置采用第一种实施例的结构示意图。
图6为本实用新型水冷却装置采用第一种实施例的透视图。
图7为本实用新型水冷却装置采用第一种实施例的侧视图。
图8为本实用新型水冷却装置采用第一种实施例的透视分解图。
图9为本实用新型水冷却装置采用第二种实施例的透视分解图。
图10为本实用新型水冷却装置采用第二种实施例的侧视图。
图11为本实用新型为水冷散热排的结构示意图。
图中:1、机柜;11、机框;12、外壳;13、导气隔板;14、开口;2、第一水冷散热排;21、边框;22、水管网络;3、第一水箱;4、第一水泵;5、水冷却装置;51、第一水冷热交换器;511、第一水管;52、水冷机;521、第二水管;53、半导体制冷片;54、第二水冷热交换器;55、第三水冷热交换器;56、第二水箱;57、第二水泵;58、第二散热风扇;6、第一散热风扇;7、风扇板;8、进水管;9、出水管;10、导气罩;20、第二水冷散热排。
具体实施方式
以下结合附图对本实用新型的优选实施例进行说明,应当理解,此处所描述的优选实施例仅用于说明和解释本实用新型,并不用于限定本实用新型。
另外,在本实用新型中如涉及“第一”、“第二”等的描述仅用于描述目的,并非特别指称次序或顺位的意思,亦非用以限定本实用新型,其仅仅是为了区别以相同技术用语描述的组件或操作而已,而不能理解为指示或暗示其相对重要性或者隐含指明所指示的技术特征的数量。由此,限定有“第一”、“第二”的特征可以明示或者隐含地包括至少一个该特征。另外,各个实施例之间的技术方案以及技术特征可以相互结合,但是必须是以本领域普通技术人员能够实现为基础,当技术方案的结合出现相互矛盾或无法实现时应当认为这种技术方案的结合不存在,也不在本实用新型要求的保护范围之内。
本实用新型实施例提供了一种利用水冷技术的仪器密封机柜系统,如图5-11所示,包括机柜1,所述机柜1包括机框11和连接在机框11外的外壳12,所述机框11内部设有线路板(现有仪器密封机柜系统(传统风冷机柜)通常在机框11内部设置线路板、控制器等部件,此为现有技术,在此不再赘述),
所述外壳12全密封(即没有现有机柜1风冷所需要的前后面板开口14),优选的,如图8和9所示,所述机框11两侧及背面和外壳12之间均设置导气隔板13;
所述密封机柜系统还包括:
第一水冷散热排2(第一水冷散热排2为现有技术,也可如图11所示,图11中第一水冷散热排2结构参照申请人已申请的专利申请文件109662360A),水平设置在机框11内顶部,所述第一水冷散热排2的进水口连接有进水管8,所述第一水冷散热排2的出水口连接有出水管9;
第一水箱3、第一水泵4,所述第一水泵4进水口与第一水箱3出水口连接,所述第一水泵4出水口与所述进水管8远离第一水冷散热排2的一端连接;
水冷却装置5,所述水冷却装置5的冷水出口与第一水箱3进水口连接,所述水冷却装置5的入水口与出水管9远离第一水冷散热排2的一端连接。上述进水口和出水口之间均通过水管连接。上述第一水箱3、第一水泵4、水冷却装置5均位于机柜1外部,与机柜1为相互独立的机构。
上述技术方案的工作原理和有益效果为:散热时,经过水冷却装置5冷却后的冷水通过水管进入第一水箱3中,然后通过第一水泵4和进水管8将第一水箱3中水输入第一水冷散热排2的进水口,冷水在第一水冷散热排2中流动带走机框11内热量,第一水冷散热排2中换热后的水通过第一水冷散热排2的出水口和出水管进入水冷却装置5的入水口,进行冷却,如此实现通过第一水冷散热排2循环给机框11内部散热。
本实用新型通过水冷散热,机柜1的外壳12全密封,能够避免机柜1外部灰尘进入机柜1内,避免由于灰尘堆积在线路板上导致线路板散热下降,避免灰尘引发线路板元件接触问题和短路问题以及引发机柜内仪器故障;且避免在机柜1外壳12开口14削弱机柜1电磁屏蔽功能、导致仪器容易受周边电磁环境干扰。
在一个实施例中,所述第一水箱3内设置有电热丝和热电偶,所述密封机柜系统还包括控制器和电源,所述控制器分别与热电偶、电热丝、第一水泵4、电源(电源可采用现有仪器密封机柜系统的电源,也可外接电源)电连接。控制器控制电源给热电偶、第一水泵、电热丝供电。
上述技术方案的工作原理和有益效果为:热电偶检测第一水箱3内水温值并将其传输给控制器,控制器根据所述水温值控制电热丝工作(控制电热丝电流),使得第一水箱3内水温在预设范围内。上述技术方案能够控制第一水箱3内温度,便于稳定给第一水冷散热排2提供预设温度的冷水进行散热。
上述控制为现有技术,优选的,热电偶型号为PT100热电偶,控制器型号可采用为MCU ATmega328,也可采用现有仪器密封机柜系统的控制器,控制器连接有控制面板和液晶显示屏,通过控制面板控制控制器工作及设定温度,以及通过液晶显示屏显示温度,均为现有技术。
在一个实施例中,如图5-8所示,所述水冷却装置5包括:
第一水冷热交换器51,所述第一水冷热交换器51冷水侧入水口与出水管9远离第一水冷散热排2的一端连接,所述第一水冷热交换器51冷水侧出水口与第一水箱3进水口连接(通过水管连接,可在该水管上设置水泵);
水冷机52,所述第一水冷热交换器51散热侧出水口(第一水冷热交换器散热侧用于给水冷侧散热)通过第一水管511连接至水冷机52入水口,所述水冷机52出水口通过第二水管521与第一水冷热交换器51散热侧入水口连接,优选的,所述水冷机与控制器电连接。上述进水口(入水口)与出水口的连接均通过水管连接。水冷机52可以放置在室外或室内远离仪器的地方,以减小震动、噪声等干扰。
上述技术方案的工作原理和有益效果为:第一水冷热交换器51散热侧入水口通过第二水管521连接至水冷机52出水口,第一水冷热交换器51散热侧出水口第一水冷热交换器51散热侧出水口通过第一水管511连接至水冷机52入水口,水冷机52通过内部压缩机制冷,冷水通过水冷机52内部水泵驱动将冷水流过第一水冷热交换器51散热侧,带走热量,然后第一水冷热交换器51将冷却后的冷水输入第一水箱进水口,水冷机52通过其背面风扇将产生的热量排出,水冷机52具有冷却效果好的优点。加装第一水泵4和第一水箱3而不用水冷机52直接制冷的原因是更好地控制流入机柜1的水质,减少震动以及控制流入机柜1的水流温度。
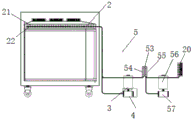
在一个实施例中,如图9-10所示,所述水冷却装置5包括:
半导体制冷片53、第二水冷热交换器54、第三水冷热交换器55,所述第二水冷热交换器54与半导体制冷片53的制冷侧连接,所述第三水冷热交换器55与半导体制冷片53的制热侧连接;
所述第二水冷热交换器54冷水侧入水口与出水管9远离第一水冷散热排2的一端连接,所述第二水冷热交换器54的冷水侧出水口与第一水箱3的进水口连接;
所述第三水冷热交换器55的热水侧出水口与第二水冷散热排20的进水口连接,所述第二水冷散热排20的出水口与第二水箱56进水口连接,所述第二水箱56出水口与第二水泵57进水口连接,所述第二水泵57出水口与第三水冷热交换器55的热水侧进水口连接;
所述第一水泵4、第二水泵57、半导体制冷片53均与控制器电连接。优选的,半导体制冷片53可采用TEC2-19003。
所述半导体制冷片53可以加热制冷双向工作,半导体制冷片53,也叫热电制冷片,是一种热泵。它的优点是没有滑动部件,应用在一些空间受到限制、可靠性要求高、无制冷剂污染的场合。利用半导体材料的Peltier效应,当直流电通过两种不同半导体材料(如P型半导体及N型半导体)串联成的电偶时,在电偶的两端即可分别吸收热量和放出热量,可以实现制冷的目的。它是一种产生负热阻的制冷技术,其特点是无运动部件,可靠性也比较高。
优选的,所述第二水冷热交换器54和第三水冷热交换器55内的水道形状均为S形,以便充分热交换。
优选的,还包括第二散热风扇58,所述第二散热风扇58平行于第二水冷散热排20设置,所述第二散热风扇与控制器电连接。
上述技术方案的工作原理和有益效果为:如果机柜1功率较小,或要求避免使用水冷机52的环境中,本实用新型的另一个实例可以将第一水冷热交换器51和水冷机52由半导体制冷片53、第二水冷热交换器54、第三水冷热交换器55,第二水泵57、第二水箱56及第二水冷散热排20加第二散热风扇58代替。
电源为半导体制冷片53、第一水泵4、第二水泵57、第一水箱3中的加热丝、PT100热电偶和散热风扇供电。控制器控制半导体制冷片53、第一水泵4、第二水泵57、PT100热电偶、加热丝和散热风扇工作。控制器通过PT100热电偶检测第一水箱3中的水温。
半导体制冷片53通电后在第二水冷热交换器54侧制冷,在第三水冷热交换器55侧产生热量。第二水冷热交换器54中的冷水由第一水泵驱动输入至第一水箱中。第三水冷热交换器55中的热水由第二水泵57驱动至第二水冷散热排20,由第二散热风扇58将热量排出。
在一个实施例中,如图5-10所示,所述水冷散热排包括:边框21,所述边框21上连接有水管网络22,所述边框21上设置水管网络22处连接有垂直散热翅片。
上述技术方案的工作原理和有益效果为:该水冷散热排结构简单,设置水管网络和垂直散热翅片具有散热效果好的优点。
在一个实施例中,如图7和10所示,所述密封机柜系统还包括:
导气罩10,连接在机框11内部、且位于第一水冷散热排2顶部;
风扇板7,固定连接在导气罩10上部,所述风扇板7上连接有若干第一散热风扇6(优选的,所述第一散热风扇叶可由上述控制器控制工作,控制风扇开启停止及风扇转速)。
上述技术方案的工作原理和有益效果为:机框11中第一水冷散热排2顶部固定导气罩10,导气罩10上部固定有风扇板7,风扇板7上部安装多个第一散热风扇6,第一散热风扇6吹动空气向下流动,与机框11中第一水冷散热排2热交换后的冷气流流过下方机框11内的线路板,带走线路板的热量。
优选的,导气罩10内侧连接第一水冷散热排2边框21内侧、连接机框11内侧以及连接导气隔板13内侧构成机柜1内测向下气流通道。机框11外侧连接导气隔板13外侧、连接第一水冷散热排2边框21外侧以及连接导气罩10外侧,在机柜1中构成外侧向上气流通道,便于加快散热。
显然,本领域的技术人员可以对本实用新型进行各种改动和变型而不脱离本实用新型的精神和范围。这样,倘若本实用新型的这些修改和变型属于本实用新型权利要求及其等同技术的范围之内,则本实用新型也意图包含这些改动和变型在内。

Claims (9)

1.一种利用水冷技术的仪器密封机柜系统,包括机柜(1),所述机柜(1)包括机框(11)和连接在机框(11)外的外壳(12),所述机框(11)内部设有线路板,其特征在于:
所述外壳(12)全密封,所述密封机柜系统还包括:
第一水冷散热排(2),水平设置在机框(11)内顶部,所述第一水冷散热排(2)的进水口连接有进水管(8),所述第一水冷散热排(2)的出水口连接有出水管(9);
第一水箱(3)、第一水泵(4),所述第一水泵(4)进水口与第一水箱(3)出水口连接,所述第一水泵(4)出水口与所述进水管(8)远离第一水冷散热排(2)的一端连接;
水冷却装置(5),所述水冷却装置(5)的冷水出口与第一水箱(3)进水口连接,所述水冷却装置(5)的入水口与出水管(9)远离第一水冷散热排(2)的一端连接。
2.根据权利要求1所述的一种利用水冷技术的仪器密封机柜系统,其特征在于,所述机框(11)两侧及背面和外壳(12)之间均设置导气隔板(13)。
3.根据权利要求1所述的一种利用水冷技术的仪器密封机柜系统,其特征在于,所述第一水箱(3)内设置有电热丝和热电偶,所述密封机柜系统还包括控制器和电源,所述控制器分别与热电偶、电热丝、第一水泵(4)、电源电连接。
4.根据权利要求1所述的一种利用水冷技术的仪器密封机柜系统,其特征在于,所述水冷却装置(5)包括:
第一水冷热交换器(51),所述第一水冷热交换器(51)冷水侧入水口与出水管(9)远离第一水冷散热排(2)的一端连接,所述第一水冷热交换器(51)冷水侧出水口与第一水箱(3)进水口连接;
水冷机(52),所述第一水冷热交换器(51)散热侧出水口通过第一水管(511)连接至水冷机(52)入水口,所述水冷机(52)出水口通过第二水管(521)与第一水冷热交换器(51)散热侧入水口连接。
5.根据权利要求3所述的一种利用水冷技术的仪器密封机柜系统,其特征在于,
所述水冷却装置(5)包括:
半导体制冷片(53)、第二水冷热交换器(54)、第三水冷热交换器(55),所述第二水冷热交换器(54)与半导体制冷片(53)的制冷侧连接,所述第三水冷热交换器(55)与半导体制冷片(53)的制热侧连接;
所述第二水冷热交换器(54)冷水侧入水口与出水管(9)远离第一水冷散热排(2)的一端连接,所述第二水冷热交换器(54)的冷水侧出水口与第一水箱(3)的进水口连接;
所述第三水冷热交换器(55)的热水侧出水口与第二水冷散热排(20)的进水口连接,所述第二水冷散热排(20)的出水口与第二水箱(56)进水口连接,所述第二水箱(56)出水口与第二水泵(57)进水口连接,所述第二水泵(57)出水口与第三水冷热交换器(55)的热水侧进水口连接;
所述第一水泵(4)、第二水泵(57)、半导体制冷片(53)均与控制器电连接。
6.根据权利要求1所述的一种利用水冷技术的仪器密封机柜系统,其特征在于,
所述密封机柜系统还包括:
导气罩(10),连接在机框(11)内部、且位于第一水冷散热排(2)顶部;
风扇板(7),固定连接在导气罩(10)上部,所述风扇板(7)上连接有若干第一散热风扇(6)。
7.根据权利要求1所述的一种利用水冷技术的仪器密封机柜系统,其特征在于,所述第一水冷散热排(2)包括:边框(21),所述边框(21)上连接有水管网络(22),所述边框(21)上设置水管网络(22)处连接有垂直散热翅片。
8.根据权利要求5所述的一种利用水冷技术的仪器密封机柜系统,其特征在于,
所述第二水冷热交换器(54)、第三水冷热交换器(55)内的水道形状均为S形。
9.根据权利要求5所述的一种利用水冷技术的仪器密封机柜系统,其特征在于,
还包括第二散热风扇(58),所述第二散热风扇(58)平行于第二水冷散热排(20)设置,所述第二散热风扇(58)与控制器电连接。
CN201922059165.7U 2019-11-26 2019-11-26 一种利用水冷技术的仪器密封机柜系统 Expired - Fee Related CN210868579U (zh)

Priority Applications (1)

Application Number Priority Date Filing Date Title
CN201922059165.7U CN210868579U (zh) 2019-11-26 2019-11-26 一种利用水冷技术的仪器密封机柜系统

Applications Claiming Priority (1)

Application Number Priority Date Filing Date Title
CN201922059165.7U CN210868579U (zh) 2019-11-26 2019-11-26 一种利用水冷技术的仪器密封机柜系统

Publications (1)

Publication Number Publication Date
CN210868579U true CN210868579U (zh) 2020-06-26

Family

ID=71304866

Family Applications (1)

Application Number Title Priority Date Filing Date
CN201922059165.7U Expired - Fee Related CN210868579U (zh) 2019-11-26 2019-11-26 一种利用水冷技术的仪器密封机柜系统

Country Status (1)

Country Link
CN (1) CN210868579U (zh)

Cited By (1)

* Cited by examiner, † Cited by third party
Publication number Priority date Publication date Assignee Title
CN114389433A (zh) * 2021-12-07 2022-04-22 江苏海迪威液压有限公司 一种带有气体稳压机构的风力发电变流器水冷系统

Cited By (2)

* Cited by examiner, † Cited by third party
Publication number Priority date Publication date Assignee Title
CN114389433A (zh) * 2021-12-07 2022-04-22 江苏海迪威液压有限公司 一种带有气体稳压机构的风力发电变流器水冷系统
CN114389433B (zh) * 2021-12-07 2023-04-28 江苏海迪威液压有限公司 一种带有气体稳压机构的风力发电变流器水冷系统

Similar Documents

Publication Publication Date Title
CN108882658B (zh) 浸没式液冷和循环风冷结合的服务器机柜散热系统
JP5396416B2 (ja) サーバ装置及び電子機器冷却システム
US20150195953A1 (en) Commmonly submersed servers with velocity augmentation and partial recirculation in tank
JP2016219055A (ja) サーバファーム冷却システムのための冷気列封入
JP2010041007A (ja) 冷却ユニット、電子装置ラック、冷却システム及びその構築方法
JP2004233791A (ja) 電子機器および電子機器に用いる冷却ユニット
TW201251591A (en) Computer case
CN210808085U (zh) 电控柜和空调器
CN108235655A (zh) 一种采用液冷散热的易插拔的服务器机柜
US11226119B2 (en) Heat exchanger unit and air-conditioning apparatus
JP3068892U (ja) Cpu放熱装置
JP2003218572A (ja) 屋外装置の放熱方法および装置
JP4500778B2 (ja) 誘導加熱調理器
JP2765365B2 (ja) 空気調和装置
KR101633780B1 (ko) 공기조화기의 실외기 및 그 제조방법
RU2515530C2 (ru) Устройство кондиционирования для охлаждения воздуха в шкафу для электронных устройств
CN219958173U (zh) 一种计算机内置式多重散热设备
CN106595165A (zh) 一种冰箱
CN210868579U (zh) 一种利用水冷技术的仪器密封机柜系统
TW201324098A (zh) 電子設備機箱
CN113727589B (zh) 水冷散热装置
CN216291941U (zh) 水冷散热装置与电子装置
US20100314079A1 (en) Heat dissipation device
CN203689298U (zh) 液冷散热装置
JPH05118671A (ja) 空気調和装置の電気品箱

Legal Events

Date Code Title Description
GR01 Patent grant
GR01 Patent grant
CF01 Termination of patent right due to non-payment of annual fee

Granted publication date: 20200626

CF01 Termination of patent right due to non-payment of annual fee