CN210848639U - 一种钢球加工用钢球坯切割装置 - Google Patents
一种钢球加工用钢球坯切割装置 Download PDFInfo
- Publication number
- CN210848639U CN210848639U CN201922029223.1U CN201922029223U CN210848639U CN 210848639 U CN210848639 U CN 210848639U CN 201922029223 U CN201922029223 U CN 201922029223U CN 210848639 U CN210848639 U CN 210848639U
- Authority
- CN
- China
- Prior art keywords
- steel ball
- mounting
- rack
- gear
- processing
- Prior art date
- Legal status (The legal status is an assumption and is not a legal conclusion. Google has not performed a legal analysis and makes no representation as to the accuracy of the status listed.)
- Active
Links
- 238000005520 cutting process Methods 0.000 title claims abstract description 63
- 229910000831 Steel Inorganic materials 0.000 title claims abstract description 52
- 239000010959 steel Substances 0.000 title claims abstract description 52
- 230000035939 shock Effects 0.000 claims description 5
- 230000000694 effects Effects 0.000 abstract description 6
- 239000002994 raw material Substances 0.000 description 13
- 238000000034 method Methods 0.000 description 6
- 238000010438 heat treatment Methods 0.000 description 2
- 238000010586 diagram Methods 0.000 description 1
- 238000009434 installation Methods 0.000 description 1
- 238000003754 machining Methods 0.000 description 1
- 238000005498 polishing Methods 0.000 description 1
- 238000003825 pressing Methods 0.000 description 1
Images
Landscapes
- Sawing (AREA)
Abstract
本实用新型属于钢球加工领域,尤其是一种钢球加工用钢球坯切割装置,针对现有的钢球坯切割装置切割效率低,效果差的问题,现提出如下方案,其包括安装架,所述安装架上端固定安装有顶板,所述顶板上端固定安装有第一气缸,所述第一气缸输出端固定连接有升降杆,所述升降杆下端穿过顶板,并延伸至顶板下方,且升降杆下端固定安装有升降安装板,所述升降安装板左端固定安装有切割电机,所述切割电机输出轴固定连接有驱动轴,所述驱动轴右端与升降安装板内侧壁转动连接,所述驱动轴上固定套装有切割轮,所述安装架上通过轴承转动安装有第一转轴,本实用新型便于固定安装,切割效率高,自动化程度高,实用性强。
Description
技术领域
本实用新型涉及钢球加工领域,尤其涉及一种钢球加工用钢球坯切割装置。
背景技术
耐磨钢球的加工通常要经过冷镦、切割、光磨、热处理、硬磨、初研、精研等工序,其中有一道工序是将钢球原料切割成钢球坯,以便钢球进行研磨和热处理。现有的钢球加工用钢球坯切割装置中切割轮的移动进程长,进而导致切割效率低,效果差,不能对钢球原料进行很好的固定的问题,进而提出一种钢球加工用钢球坯切割装置。
实用新型内容
本实用新型提出的一种钢球加工用钢球坯切割装置,解决了现有的钢球坯切割装置切割效率低,效果差,不能对钢球原料进行很好的固定的问题。
为了实现上述目的,本实用新型采用了如下技术方案:
一种钢球加工用钢球坯切割装置,包括安装架,所述安装架上端固定安装有顶板,所述顶板上端固定安装有第一气缸,所述第一气缸输出端固定连接有升降杆,所述升降杆下端穿过顶板,并延伸至顶板下方,且升降杆下端固定安装有升降安装板,所述升降安装板左端固定安装有切割电机,所述切割电机输出轴固定连接有驱动轴,所述驱动轴右端与升降安装板内侧壁转动连接,所述驱动轴上固定套装有切割轮,所述安装架上通过轴承转动安装有第一转轴,且第一转轴位第一气缸左侧,所述第一转轴上固定套装有第一齿轮,且第一齿轮位于安装架后侧,所述升降杆以及升降安装板左端均通过固定杆固定于第一齿条右端,所述第一齿条上端穿过顶板,并延伸至顶板上方,所述第一齿条与顶板活动连接,所述第一齿条左端与第一齿轮相啮合,所述安装架内侧底端固定安装有两个固定架以及空心安装板,两个所述固定架上分别通过第二转轴、安装轴转动安装有第二齿轮、第三齿轮,所述第二齿轮右端与第三齿轮相啮合,所述空心安装板内部在竖直方向上滑动安装有第二齿条,所述第三齿轮右端穿过空心安装板与第二齿条相啮合,所述第二齿条上端穿过空心安装板,并延伸至空心安装板上方,且第二齿条上端固定安装有加工台,所述加工台上端固定安装有两个第二气缸,所述第二气缸输出端均固定安装有夹板。
优选的,所述驱动轴通过轴承与升降安装板转动连接。
优选的,两个所述夹板相互靠近一端均设置有防滑纹。
优选的,所述第一转轴上固定套装有第一链轮,所述第二转轴上固定套装有第二链轮,所述第一链轮通过链条与第二链轮相连接。
优选的,所述安装架底端固定设置有橡胶减震垫。
本实用新型的有益效果是:通过设置加工台、第二气缸、夹板、切割电机、切割轮、驱动轴以及升降安装板,可实现对钢球原料进行自动夹紧固定,并且对钢球原料进行自动切割处理;通过设置第一气缸、第一齿条、固定杆、第一转轴、第一齿轮、第二齿轮、固定架、第二转轴、第三齿轮、空心安装板以及第二齿条,可缩短切割轮切割时的移动进程,降低切割所需时间,进而提高切割效率,加快切割进度,本实用新型便于固定安装,切割效率高,自动化程度高,实用性强。
附图说明
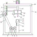
图1为本实用新型提出的一种钢球加工用钢球坯切割装置的结构示意图。
图2为本实用新型提出的一种钢球加工用钢球坯切割装置中加工台处的左侧局部视图。
图中标号:1第一气缸、2第一齿条、3固定杆、4第一转轴、5第一齿轮、6第二齿轮、7固定架、8第二转轴、9第三齿轮、10空心安装板、11第二齿条、12加工台、13第二气缸、14夹板、15切割电机、16切割轮、17驱动轴、18升降安装板、19升降杆、20顶板、21安装架、22链条。
具体实施方式
下面将结合本实用新型实施例中的附图,对本实用新型实施例中的技术方案进行清楚、完整地描述,显然,所描述的实施例仅仅是本实用新型一部分实施例,而不是全部的实施例。
参照图1-2,一种钢球加工用钢球坯切割装置,包括安装架21,所述安装架21上端固定安装有顶板20,所述顶板20上端固定安装有第一气缸1,所述第一气缸1输出端固定连接有升降杆19,所述升降杆19下端穿过顶板20,并延伸至顶板20下方,且升降杆19下端固定安装有升降安装板18,所述升降安装板18左端固定安装有切割电机15,所述切割电机15输出轴固定连接有驱动轴17,所述驱动轴17右端与升降安装板18内侧壁转动连接,所述驱动轴17上固定套装有切割轮16,所述安装架21上通过轴承转动安装有第一转轴4,且第一转轴4位第一气缸1左侧,所述第一转轴4上固定套装有第一齿轮5,且第一齿轮5位于安装架21后侧,所述升降杆19以及升降安装板18左端均通过固定杆3固定于第一齿条2右端,所述第一齿条2上端穿过顶板20,并延伸至顶板20上方,所述第一齿条2与顶板20活动连接,所述第一齿条2左端与第一齿轮5相啮合,所述安装架21内侧底端固定安装有两个固定架7以及空心安装板10,两个所述固定架7上分别通过第二转轴8、安装轴转动安装有第二齿轮6、第三齿轮9,所述第二齿轮6右端与第三齿轮9相啮合,所述空心安装板10内部在竖直方向上滑动安装有第二齿条11,第二齿条11能在空心安装板10内上下移动,所述第三齿轮9右端穿过空心安装板10与第二齿条11相啮合,所述第二齿条11上端穿过空心安装板10,并延伸至空心安装板10上方,且第二齿条11上端固定安装有加工台12,所述加工台12上端固定安装有两个第二气缸13,所述第二气缸13输出端均固定安装有夹板14,通过设置有夹板14,可实现对钢球原料进行夹紧固定,进而提高切割效果。
本实施例中,所述驱动轴17通过轴承与升降安装板18转动连接,通过上述设计,可提高驱动轴17与升降安装板18转动安装的稳定性,两个所述夹板14相互靠近一端均设置有防滑纹,通过上述设计,可提高两个夹板14对钢球原料的夹紧效果,所述第一转轴4上固定套装有第一链轮,所述第二转轴8上固定套装有第二链轮,所述第一链轮通过链条22与第二链轮相连接,通过上述设计,可实现第一转轴4与第二转轴8联动,进而提高了本实用新型自动化程度,所述安装架21底端固定设置有橡胶减震垫,通过设置有橡胶减震垫,可提高了本实用新型减震效果。
该文中出现的电器元件均与外界的主控器及220V市电电连接,并且主控器可为计算机等起到控制的常规已知设备。
实施例:将钢球原料放于加工台12上,并将钢球原料上所要切割的位置放于切割轮16正下方,并启动两个第二气缸13,两个第二气缸13工作可带动两个夹板14相互靠近,进而使两个夹板14对钢球原料进行夹紧固定,然后启动切割电机15,切割电机15工作通过驱动轴17带动切割轮16转动,然后启动第一气缸1,第一气缸1工作带动升降杆19下移,进而带动升降安装板18向下移动,进而可通过固定杆3带动第一齿条2下移,下移的第一齿条2带动第一齿轮5顺时针转动,顺时针转动的第一齿轮5带动第一转轴4顺时针转动,顺时针转动的第一转轴4通过第一链轮、第二链轮以及链条22带动第二转轴8顺时针转动,进而带动第二齿轮6顺时针转动,顺时针转动的第二齿轮6通过齿轮啮合带动第三齿轮9逆时针转动,进而带动第二齿条11上移,上移的第二齿条11通过加工台12带动钢球原料上移,且升降杆19下移可通过升降安装板18带动切割轮16下移,进而可缩短切割轮16下移的进程,提高切割效率,当切割轮16与钢球原料接触时,可对钢球原料进行切割处理。通过设置加工台12、第二气缸13、夹板14、切割电机15、切割轮16、驱动轴17以及升降安装板18,可实现对钢球原料进行自动夹紧固定,并且对钢球原料进行自动切割处理;通过设置第一气缸1、第一齿条2、固定杆3、第一转轴4、第一齿轮5、第二齿轮6、固定架7、第二转轴8、第三齿轮9、空心安装板10以及第二齿条11,可缩短切割轮16切割时的移动进程,降低切割所需时间,进而提高切割效率,加快切割进度。本实用新型便于固定安装,切割效率高,自动化程度高,实用性强。
在本实用新型的描述中,需要理解的是,术语“中心”、“纵向”、“横向”、“长度”、“宽度”、“厚度”、“上”、“下”、“前”、“后”、“左”、 “右”、“竖直”、“水平”、“顶”、“底”、“内”、“外”、“ 顺时针”、“逆时针”等指示的方位或位置关系为基于附图所示的方位或位置关系,仅是为了便于描述本实用新型和简化描述,而不是指示或暗示所指的设备或元件必须具有特定的方位、以特定的方位构造和操作,因此不能理解为对本实用新型的限制。
此外,术语“第一”、 “第二”仅用于描述目的,而不能理解为指示或暗示相对重要性或者隐含指明所指示的技术特征的数量。由此,限定有“第一”、“第二”的特征可以明示或者隐含地包括一个或者更多个该特征。在本实用新型的描述中,“多个”的含义是两个或两个以上,除非另有明确具体的限定。
以上所述,仅为本实用新型较佳的具体实施方式,但本实用新型的保护范围并不局限于此,任何熟悉本技术领域的技术人员在本实用新型揭露的技术范围内,根据本实用新型的技术方案及其实用新型构思加以等同替换或改变,都应涵盖在本实用新型的保护范围之内。
Claims (5)
1.一种钢球加工用钢球坯切割装置,包括安装架(21),其特征在于,所述安装架(21)上端固定安装有顶板(20),所述顶板(20)上端固定安装有第一气缸(1),所述第一气缸(1)输出端固定连接有升降杆(19),所述升降杆(19)下端穿过顶板(20),并延伸至顶板(20)下方,且升降杆(19)下端固定安装有升降安装板(18),所述升降安装板(18)左端固定安装有切割电机(15),所述切割电机(15)输出轴固定连接有驱动轴(17),所述驱动轴(17)右端与升降安装板(18)内侧壁转动连接,所述驱动轴(17)上固定套装有切割轮(16),所述安装架(21)上通过轴承转动安装有第一转轴(4),且第一转轴(4)位第一气缸(1)左侧,所述第一转轴(4)上固定套装有第一齿轮(5),且第一齿轮(5)位于安装架(21)后侧,所述升降杆(19)以及升降安装板(18)左端均通过固定杆(3)固定于第一齿条(2)右端,所述第一齿条(2)上端穿过顶板(20),并延伸至顶板(20)上方,所述第一齿条(2)与顶板(20)活动连接,所述第一齿条(2)左端与第一齿轮(5)相啮合,所述安装架(21)内侧底端固定安装有两个固定架(7)以及空心安装板(10),两个所述固定架(7)上分别通过第二转轴(8)、安装轴转动安装有第二齿轮(6)、第三齿轮(9),所述第二齿轮(6)右端与第三齿轮(9)相啮合,所述空心安装板(10)内部在竖直方向上滑动安装有第二齿条(11),所述第三齿轮(9)右端穿过空心安装板(10)与第二齿条(11)相啮合,所述第二齿条(11)上端穿过空心安装板(10),并延伸至空心安装板(10)上方,且第二齿条(11)上端固定安装有加工台(12),所述加工台(12)上端固定安装有两个第二气缸(13),所述第二气缸(13)输出端均固定安装有夹板(14)。
2.根据权利要求1所述的一种钢球加工用钢球坯切割装置,其特征在于,所述驱动轴(17)通过轴承与升降安装板(18)转动连接。
3.根据权利要求1所述的一种钢球加工用钢球坯切割装置,其特征在于,两个所述夹板(14)相互靠近一端均设置有防滑纹。
4.根据权利要求1所述的一种钢球加工用钢球坯切割装置,其特征在于,所述第一转轴(4)上固定套装有第一链轮,所述第二转轴(8)上固定套装有第二链轮,所述第一链轮通过链条(22)与第二链轮相连接。
5.根据权利要求1所述的一种钢球加工用钢球坯切割装置,其特征在于,所述安装架(21)底端固定设置有橡胶减震垫。
Priority Applications (1)
| Application Number | Priority Date | Filing Date | Title |
|---|---|---|---|
| CN201922029223.1U CN210848639U (zh) | 2019-11-22 | 2019-11-22 | 一种钢球加工用钢球坯切割装置 |
Applications Claiming Priority (1)
| Application Number | Priority Date | Filing Date | Title |
|---|---|---|---|
| CN201922029223.1U CN210848639U (zh) | 2019-11-22 | 2019-11-22 | 一种钢球加工用钢球坯切割装置 |
Publications (1)
| Publication Number | Publication Date |
|---|---|
| CN210848639U true CN210848639U (zh) | 2020-06-26 |
Family
ID=71309310
Family Applications (1)
| Application Number | Title | Priority Date | Filing Date |
|---|---|---|---|
| CN201922029223.1U Active CN210848639U (zh) | 2019-11-22 | 2019-11-22 | 一种钢球加工用钢球坯切割装置 |
Country Status (1)
| Country | Link |
|---|---|
| CN (1) | CN210848639U (zh) |
Cited By (2)
| Publication number | Priority date | Publication date | Assignee | Title |
|---|---|---|---|---|
| CN113369580A (zh) * | 2021-06-30 | 2021-09-10 | 江苏兴甬铝业科技有限公司 | 一种铝型材加工用切割装置 |
| CN116833491A (zh) * | 2023-08-21 | 2023-10-03 | 上海新建重型机械有限公司 | 一种具有定位效果的球磨机底板加工用攻丝装置 |
-
2019
- 2019-11-22 CN CN201922029223.1U patent/CN210848639U/zh active Active
Cited By (3)
| Publication number | Priority date | Publication date | Assignee | Title |
|---|---|---|---|---|
| CN113369580A (zh) * | 2021-06-30 | 2021-09-10 | 江苏兴甬铝业科技有限公司 | 一种铝型材加工用切割装置 |
| CN116833491A (zh) * | 2023-08-21 | 2023-10-03 | 上海新建重型机械有限公司 | 一种具有定位效果的球磨机底板加工用攻丝装置 |
| CN116833491B (zh) * | 2023-08-21 | 2023-12-26 | 上海新建重型机械有限公司 | 一种具有定位效果的球磨机底板加工用攻丝装置 |
Similar Documents
| Publication | Publication Date | Title |
|---|---|---|
| CN210189092U (zh) | 一种用于汽车门框固定的夹具 | |
| CN210848639U (zh) | 一种钢球加工用钢球坯切割装置 | |
| CN108818102A (zh) | 一种汽车零部件翻转工装 | |
| CN113305575A (zh) | 一种铝型材打孔切割的定位装置、翻转定位模块及设备 | |
| CN210435702U (zh) | 一种具有调节夹紧功能的五金加工切割设备 | |
| CN215903067U (zh) | 一种切割打磨一体化的管件切割机 | |
| CN211053345U (zh) | 一种轴承古瓦生产用凹沟打磨装置 | |
| CN214080196U (zh) | 一种电脑面板加工设备 | |
| CN214642289U (zh) | 一种汽车轮毂打磨设备 | |
| CN209792364U (zh) | 一种单车内压成形设备 | |
| CN212222794U (zh) | 一种玻璃板加工用切割装置 | |
| CN212071372U (zh) | 用于阀门加工的刻痕装置 | |
| CN218518299U (zh) | 汽车零部件加工用表面抛光装置 | |
| CN209777484U (zh) | 一种升降式定角度转动棘轮棘爪机构 | |
| CN211248441U (zh) | 一种汽车前围板的钻床 | |
| CN115609356B (zh) | 一种双工位研磨机及其cbn磨料研磨工艺 | |
| CN217890500U (zh) | 一种用于轨道车辆刹车片生产的打磨装置 | |
| CN220161754U (zh) | 一种铝合金压铸件切边装置 | |
| CN113263637A (zh) | 一种石英棒材加工用切割装置及其使用方法 | |
| CN220534166U (zh) | 一种可进行翻转的汽车零部件加工用支架 | |
| CN218551465U (zh) | 运动帽的加工修边固定设备 | |
| CN219704579U (zh) | 一种钟形壳旋转抛光装置 | |
| CN220074831U (zh) | 一种硅胶制品裁料机 | |
| CN222386368U (zh) | 一种轴承加工铣床尾部支架装置 | |
| CN223776725U (zh) | 一种环保型铝单板生产用高效打磨装置 |
Legal Events
| Date | Code | Title | Description |
|---|---|---|---|
| GR01 | Patent grant | ||
| GR01 | Patent grant |