CN210836526U - 一种电力电表数据汇集器 - Google Patents

一种电力电表数据汇集器 Download PDF

Info

Publication number
CN210836526U
CN210836526U CN201921955036.XU CN201921955036U CN210836526U CN 210836526 U CN210836526 U CN 210836526U CN 201921955036 U CN201921955036 U CN 201921955036U CN 210836526 U CN210836526 U CN 210836526U
Authority
CN
China
Prior art keywords
data
module
power meter
protocol conversion
acquisition module
Prior art date
Legal status (The legal status is an assumption and is not a legal conclusion. Google has not performed a legal analysis and makes no representation as to the accuracy of the status listed.)
Expired - Fee Related
Application number
CN201921955036.XU
Other languages
English (en)
Inventor
徐斌
蒋叶峰
李国强
王法东
武政
赵旦
Current Assignee (The listed assignees may be inaccurate. Google has not performed a legal analysis and makes no representation or warranty as to the accuracy of the list.)
Shanghai Yuyuan Internet Of Things Technology Co ltd
Original Assignee
Shanghai Yuyuan Internet Of Things Technology Co ltd
Priority date (The priority date is an assumption and is not a legal conclusion. Google has not performed a legal analysis and makes no representation as to the accuracy of the date listed.)
Filing date
Publication date
Application filed by Shanghai Yuyuan Internet Of Things Technology Co ltd filed Critical Shanghai Yuyuan Internet Of Things Technology Co ltd
Priority to CN201921955036.XU priority Critical patent/CN210836526U/zh
Application granted granted Critical
Publication of CN210836526U publication Critical patent/CN210836526U/zh
Expired - Fee Related legal-status Critical Current
Anticipated expiration legal-status Critical

Links

Images

Landscapes

  • Arrangements For Transmission Of Measured Signals (AREA)

Abstract

本实用新型涉及一种电力电表数据汇集器,包括数据采集模块,所述数据采集模块的接收端与RFID模块相连,输出端与数据协议转换模块相连,所述数据协议转换模块还与串口通讯模块相连;其中,所述RFID模块通过无线自组网的方式与外部的环境传感器相连,用于接收外部的环境传感器发送的检测数据;所述数据协议转换模块用于将数据采集模块中的数据转换为符合电表国标协议的数据;所述串口通讯模块与电力电表数据接收机的485通信数据接收端口相连,用于将数据传输至电力电表数据接收机。本实用新型能够与现有电力电表数据接收机连接,实现无线采集。

Description

一种电力电表数据汇集器
技术领域
本实用新型涉及电力电表数据采集技术领域,特别是涉及一种电力电表数据汇集器。
背景技术
电力电表数据采集接收机主要通过布置各种环境传感器来实现周围环境各项数据的收集。传统的电力电表数据采集接收机都是基于有线数据传输的形式集中收集数据,整个系统比较封闭,无法大容量的进行设备扩容。如现有公开专利CN202033890U,其公开了一种电力电表大用户远程集抄接口装置,该装置中的接收部件包括RS485通讯接收单元、光电隔离单元;所述RS485通讯接口单元用于读取电度表计量值。
由于RS485通讯接收单元是一种有线传输接收方式,因此其在接收数据时,需要对每个电力电表都进行相应的接线,因此其接线十分麻烦,并且对于系统的扩展也十分不方便。如果将现有的电力电表数据接收机全部改为无线接收方式,势必会对现有的装置全部更换,如此成本过高,因此亟需一种能够与现有电力电表数据接收机融合的无线采集装置。
实用新型内容
本实用新型所要解决的技术问题是提供一种电力电表数据汇集器,能够与现有电力电表数据接收机连接,实现无线采集。
本实用新型解决其技术问题所采用的技术方案是:提供一种电力电表数据汇集器,包括数据采集模块,所述数据采集模块的接收端与RFID模块相连,输出端与数据协议转换模块相连,所述数据协议转换模块还与串口通讯模块相连;其中,所述RFID模块通过无线自组网的方式与外部的环境传感器相连,用于接收外部的环境传感器发送的检测数据;所述数据协议转换模块用于将数据采集模块中的数据转换为符合电表国标协议的数据;所述串口通讯模块与电力电表数据接收机的485通信数据接收端口相连,用于将数据传输至电力电表数据接收机。
所述数据采集模块采用的芯片为M16C64。
所述RFID模块采用的RFID芯片为AT86RF233、NRF8001、MKW41Z512、 MCR20AVHM、或nRF24L01+。
所述数据协议转换模块为DL/T645-2007数据协议转换模块。
所述串口通讯模块采用的485芯片为MAX3485EE或SPX3485。
所述数据采集模块还连接有JTAG下载模块,所述JTAG下载模块用于对数据采集模块进行调试,其采用的芯片为SAMR21G18。
所述数据采集模块还连接有LED指示模块,所述LED指示模块用于显示所述电力电表数据汇集器的工作状态。
有益效果
由于采用了上述的技术方案,本实用新型与现有技术相比,具有以下的优点和积极效果:本实用新型通过RFID模块实现数据的无线采集,并通过数据协议转换模块将采集到的无线数据转换为能够进行有线传输电表国标协议的数据,并通过串口通讯模块与现有的电力电表数据接收机连接,使得现有电力电表数据接收机在与本实用新型的装置连接后能够实现无线采集。
附图说明
图1是本实用新型的结构方框图;
图2是本实用新型中一种数据采集模块的电路图;
图3是本实用新型中一种RFID模块的电路图;
图4是本实用新型中一种串口通讯模块的电路图;
图5是本实用新型中一种JTAG下载模块的电路图;
图6是本实用新型中一种LED指示模块的电路图。
具体实施方式
下面结合具体实施例,进一步阐述本实用新型。应理解,这些实施例仅用于说明本实用新型而不用于限制本实用新型的范围。此外应理解,在阅读了本实用新型讲授的内容之后,本领域技术人员可以对本实用新型作各种改动或修改,这些等价形式同样落于本申请所附权利要求书所限定的范围。
本实用新型的实施方式涉及一种电力电表数据汇集器,如图1所示,包括数据采集模块,所述数据采集模块的接收端与RFID模块相连,输出端与数据协议转换模块相连,所述数据协议转换模块还与串口通讯模块相连;其中,所述RFID模块通过无线自组网的方式与外部的环境传感器相连,用于接收外部的环境传感器发送的检测数据;所述数据协议转换模块用于将数据采集模块中的数据转换为符合电表国标协议的数据;所述串口通讯模块与电力电表数据接收机的485通信数据接收端口相连,用于将数据传输至电力电表数据接收机。
由此可见,本实用新型通过RFID模块实现数据的无线采集,并通过数据协议转换模块将采集到的无线数据转换为能够进行有线传输的电表国标协议的数据,并通过串口通讯模块与现有的电力电表数据接收机连接,使得现有电力电表数据接收机在与本实用新型的装置连接后能够实现无线采集。通过本实用新型的电力电表数据汇集器可以与现有的电力电表数据接收机直接连接,无需对现有的电力电表数据接收机进行更换,降低了成本。
如图2所示,本实施方式中的数据采集模块可以采用的芯片为M16C64,该芯片具有低功耗、高性能、高处理速度、接口丰富、内存资源大、高可靠性、工业级的工作温度-40℃~85℃的特点。
本实施方式中的RFID模块采用的RFID芯片为AT86RF233、NRF8001、MKW41Z512、MCR20AVHM、或nRF24L01+。图3所示的是AT86RF233芯片的电路图。该AT86RF233 芯片是富有特性极低功耗的单片2.4GHz无线收发器,其接收器灵敏度为-101dBm,可编程输出功率从-17dBm到+40dBm,工作电压为1.8V-3.6V,深度睡眠功耗为0.02uA。由于该芯片的低功耗,可以实现内置锂电池提供长达10年以上的使用寿命。
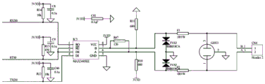
本实施方式中的串口通讯模块采用的485芯片为MAX3485EE或SPX3485,图4所示的是MAX3485EE芯片的电路图。本实施方式中的串口通讯模块与现有电力电表数据接收机的485通信数据接收端口所用的模块相同,在此不再赘述。
本实施方式中的数据协议转换模块为DL/T645-2007数据协议转换模块,该协议转换模块可以将无线传输协议的数据转换为符合电表国标DL/T645-2007的数据。
所述数据采集模块还连接有JTAG下载模块,所述JTAG下载模块用于对数据采集模块进行调试,其采用的芯片为SAMR21G18。图5所示的是该JTAG下载模块电路图。
所述数据采集模块还连接有LED指示模块,所述LED指示模块用于显示所述电力电表数据汇集器的工作状态。图6所示的是该LED指示模块的电路图,其共有三个LED,分别通过PA05、PA06和PA07与控制单元的三个I/O端相连,以使控制单元能够在不同工作状态下选通不同的LED。该LED指示模块能够在不同的工作状态下显示不同颜色的LED 指示灯,例如在RFID模块进行数据接收时,可以显示红色的LED指示灯,在串口通讯模块进行数据传输时,可以显示绿色的LED指示灯。通过显示不同颜色的LED指示灯能够清楚的知道整个电力电表数据汇集器的工作状态,方便工作人员观察。
该电力电表数据采集汇集器的工作流程如下:RFID模块实时接收来自外部环境传感器传输的检测数据,数据采集模块对检测到的数据进行采集,并通过数据协议模块将检测到的无线数据的协议转换为符合电表国标DL/T645-2007的数据,串口通讯模块则将协议转换后的数据上传至现有的电力电表数据接收机,如此可以使得在不更换现有电力电表数据接收机的基础上实现无线采集。

Claims (7)

1.一种电力电表数据汇集器,包括数据采集模块,其特征在于,所述数据采集模块的接收端与RFID模块相连,输出端与数据协议转换模块相连,所述数据协议转换模块还与串口通讯模块相连;其中,所述RFID模块通过无线自组网的方式与外部的环境传感器相连,用于接收外部的环境传感器发送的检测数据;所述数据协议转换模块用于将数据采集模块中的数据转换为符合电表国标协议的数据;所述串口通讯模块与电力电表数据接收机的485通信数据接收端口相连,用于将数据传输至电力电表数据接收机。
2.根据权利要求1所述的电力电表数据汇集器,其特征在于,所述数据采集模块采用的芯片为M16C64。
3.根据权利要求1所述的电力电表数据汇集器,其特征在于,所述RFID模块采用的RFID芯片为AT86RF233、NRF8001、MKW41Z512、MCR20AVHM、或nRF24L01+。
4.根据权利要求1所述的电力电表数据汇集器,其特征在于,所述数据协议转换模块为DL/T645-2007数据协议转换模块。
5.根据权利要求1所述的电力电表数据汇集器,其特征在于,所述串口通讯模块采用的485芯片为MAX3485EE或SPX3485。
6.根据权利要求1所述的电力电表数据汇集器,其特征在于,所述数据采集模块还连接有JTAG下载模块,所述JTAG下载模块用于对数据采集模块进行调试,其采用的芯片为SAMR21G18。
7.根据权利要求1所述的电力电表数据汇集器,其特征在于,所述数据采集模块还连接有LED指示模块,所述LED指示模块用于显示所述电力电表数据汇集器的工作状态。
CN201921955036.XU 2019-11-13 2019-11-13 一种电力电表数据汇集器 Expired - Fee Related CN210836526U (zh)

Priority Applications (1)

Application Number Priority Date Filing Date Title
CN201921955036.XU CN210836526U (zh) 2019-11-13 2019-11-13 一种电力电表数据汇集器

Applications Claiming Priority (1)

Application Number Priority Date Filing Date Title
CN201921955036.XU CN210836526U (zh) 2019-11-13 2019-11-13 一种电力电表数据汇集器

Publications (1)

Publication Number Publication Date
CN210836526U true CN210836526U (zh) 2020-06-23

Family

ID=71252768

Family Applications (1)

Application Number Title Priority Date Filing Date
CN201921955036.XU Expired - Fee Related CN210836526U (zh) 2019-11-13 2019-11-13 一种电力电表数据汇集器

Country Status (1)

Country Link
CN (1) CN210836526U (zh)

Similar Documents

Publication Publication Date Title
CN103986416B (zh) 一种便携式光伏组件监测端
CN201789339U (zh) 变电站运行数据监测及报警系统
CN205142280U (zh) 一种数据采集系统
CN102722167A (zh) 楼层集中控制器
CN204758062U (zh) 物联网智能远传燃气表
CN212256564U (zh) 针对电信号输出型仪表的物联网计量仪器通用系统
CN203984410U (zh) 煤矿井下人员监控无线接收分站
CN210836526U (zh) 一种电力电表数据汇集器
CN201396150Y (zh) 一体化数字无线测温仪
CN207037899U (zh) 一种多表采集设备
CN201936016U (zh) 一种滑坡监测装置
CN108710333A (zh) 一种基于ZigBee的水质监测系统
CN205642431U (zh) 一种基于无线传感网络的电力设备参数检测系统
CN102506932A (zh) 一种热工型能效数据采集终端
CN212259017U (zh) 针对指针式仪表的物联网计量仪器通用系统
CN203630377U (zh) 一种单总线结构的气象站
CN203365669U (zh) 电子式互感器运行状态在线监测装置
CN208094804U (zh) 一种基于无线传感器网络的光伏电池组件监测装置
CN211180611U (zh) 一种电池供电的nb-mbus采集器
CN206991536U (zh) 基于单片机的远程抄表系统
CN210721829U (zh) 一种电力电表数据采集接收机
CN211783600U (zh) 一种水电站环境监测系统
CN206649653U (zh) 一种风场数据采集系统
CN209842859U (zh) 一种基于LoRa的无线通讯手持器和远程读表系统
CN107786165A (zh) 一种基于ZigBee的光伏电池阵列性能监测系统

Legal Events

Date Code Title Description
GR01 Patent grant
GR01 Patent grant
CF01 Termination of patent right due to non-payment of annual fee
CF01 Termination of patent right due to non-payment of annual fee

Granted publication date: 20200623