CN210796894U - Textile cloth wetting device for spinning - Google Patents
Textile cloth wetting device for spinning Download PDFInfo
- Publication number
- CN210796894U CN210796894U CN201921038452.3U CN201921038452U CN210796894U CN 210796894 U CN210796894 U CN 210796894U CN 201921038452 U CN201921038452 U CN 201921038452U CN 210796894 U CN210796894 U CN 210796894U
- Authority
- CN
- China
- Prior art keywords
- fixedly connected
- box body
- box
- water
- weaving cloth
- Prior art date
- Legal status (The legal status is an assumption and is not a legal conclusion. Google has not performed a legal analysis and makes no representation as to the accuracy of the status listed.)
- Expired - Fee Related
Links
- 239000004744 fabric Substances 0.000 title claims abstract description 65
- 239000004753 textile Substances 0.000 title claims description 24
- 238000009736 wetting Methods 0.000 title claims description 14
- 238000009987 spinning Methods 0.000 title claims description 7
- XLYOFNOQVPJJNP-UHFFFAOYSA-N water Substances O XLYOFNOQVPJJNP-UHFFFAOYSA-N 0.000 claims abstract description 74
- 230000007246 mechanism Effects 0.000 claims abstract description 49
- 239000000428 dust Substances 0.000 claims abstract description 22
- 238000001125 extrusion Methods 0.000 claims abstract description 20
- 239000007921 spray Substances 0.000 claims abstract description 16
- 230000000694 effects Effects 0.000 claims abstract description 8
- 238000003825 pressing Methods 0.000 claims description 7
- 238000004140 cleaning Methods 0.000 claims description 6
- 230000005540 biological transmission Effects 0.000 claims description 4
- 238000005507 spraying Methods 0.000 claims description 4
- 238000009499 grossing Methods 0.000 claims description 3
- 238000005096 rolling process Methods 0.000 claims description 2
- 238000009941 weaving Methods 0.000 abstract description 45
- 238000000034 method Methods 0.000 abstract description 8
- 230000008569 process Effects 0.000 abstract description 8
- 239000000835 fiber Substances 0.000 abstract description 7
- 229920000742 Cotton Polymers 0.000 abstract description 4
- 230000008676 import Effects 0.000 abstract description 4
- 230000002349 favourable effect Effects 0.000 abstract description 3
- 230000003749 cleanliness Effects 0.000 abstract 1
- 230000033001 locomotion Effects 0.000 description 4
- 238000004519 manufacturing process Methods 0.000 description 4
- 239000002994 raw material Substances 0.000 description 3
- 238000010408 sweeping Methods 0.000 description 3
- 230000009286 beneficial effect Effects 0.000 description 2
- 230000008901 benefit Effects 0.000 description 2
- 230000008859 change Effects 0.000 description 1
- 238000013016 damping Methods 0.000 description 1
- 230000007547 defect Effects 0.000 description 1
- 238000005516 engineering process Methods 0.000 description 1
- 230000000704 physical effect Effects 0.000 description 1
- 238000012797 qualification Methods 0.000 description 1
Images
Landscapes
- Treatment Of Fiber Materials (AREA)
Abstract
The utility model discloses a weaving is with weaving cloth humidification device, the power distribution box comprises a box body, weaving cloth import, weaving cloth export and through-hole have been seted up on the lateral wall of box, the water spray mechanism that fixedly connected with and through-hole are linked together on the lateral wall of box, water spray mechanism's play water end runs through in the lateral wall of box and extends to inside it, fixedly connected with driving motor on the lateral wall of box, driving motor's output fixedly connected with pivot, fixedly connected with smooths the dust removal mechanism of effect on the lateral wall of box, dust removal mechanism sets up with the coaxial fixed connection of pivot, the top fixedly connected with extrusion mechanism of box. The utility model discloses a moist process to weaving cloth is realized to water spray mechanism, dust removal mechanism and extrusion mechanism to realized clearing up and unnecessary moisture extrusion to weaving cloth surface dust and cotton fibre, be favorable to guaranteeing the cleanliness on weaving cloth surface after the processing.
Description
Technical Field
The utility model relates to a weaving cloth technical field especially relates to a weaving is with weaving cloth humidification device.
Background
The humidity condition is closely related to the textile technology, the textile industry uses fiber raw materials, the physical properties and mechanical properties (such as moisture regain, strength, elongation, softness, conductivity and the like) of the fiber raw materials can be changed to different degrees under different humidity conditions, for example, cotton fibers, when the relative humidity is 60-70%, the dry state of a strength arm of the fiber can be improved by about 50%, and the humidity of a semi-finished textile woven by the fiber raw materials can influence the production condition of each subsequent process before subsequent processing, so that the yield and the quality of finished products are directly influenced.
Present wetting device is direct wets weaving cloth, weaving cloth upside adnexed dust and cotton fibre will be inseparabler behind the moistening, the later stage is difficult to get rid of, cause weaving cloth to go up the stain too much, and weaving cloth is because the effort that the conveying was dragged before getting into wetting device, probably cause weaving cloth unevenness, thereby make the bellied part of weaving cloth contact water earlier, it is inhomogeneous to cause weaving cloth wet degree, textile cloth's wastrel quantity has been improved, cause certain economic loss for the mill, and when moistening weaving cloth, because the wet degree of unable accurate control weaving cloth, the wet degree that probably causes weaving cloth is too big, cause unable ideal effect that reaches for subsequent handling.
SUMMERY OF THE UTILITY MODEL
The utility model aims at solving the defects existing in the prior art and providing a textile cloth wetting device for spinning.
In order to achieve the above purpose, the utility model adopts the following technical scheme:
the utility model provides a weaving is with weaving cloth humidification device, includes the box, weaving cloth import, weaving cloth export and through-hole have been seted up on the lateral wall of box, the water spray mechanism that fixedly connected with and through-hole are linked together on the lateral wall of box, water spray mechanism's play water end runs through in the lateral wall of box and extends to inside, fixedly connected with driving motor on the lateral wall of box, driving motor's output fixedly connected with pivot, fixedly connected with smooths the dust removal mechanism of effect on the lateral wall of box, dust removal mechanism sets up with the coaxial fixed connection of pivot, the top fixedly connected with extrusion mechanism of box, extrusion mechanism sets up with the coaxial fixed connection of pivot, extrusion mechanism sets up with the rear end inner wall sliding connection of box, fixedly connected with and extrusion mechanism assorted diaphragm on the inner wall of box.
Preferably, the water spraying mechanism comprises a water tank fixedly arranged on the side wall of the box body, the water tank is communicated with the through hole, a water pipe is arranged at the upper end of the water tank in a communicated manner, the water outlet end of the water pipe penetrates through the side wall of the box body and extends to the interior of the box body, and a spray head is arranged at the water outlet end of the water pipe in a communicated manner.
Preferably, dust removal mechanism is including fixed plate that sets up on the box lateral wall, sliding connection has the J template on the fixed plate, two montants of the upper end fixedly connected with of J template, two set up through rope fixed connection between the montant, the upper end roll connection of J template has the gyro wheel, the gyro wheel sets up with the coaxial fixed connection of pivot, the gyro wheel is connected the setting with the rope transmission, the perpendicular fixedly connected with cleaning plate of lower extreme of J template.
Preferably, the lower end of the fixing plate is provided with a first sliding groove matched with the J-shaped plate, and the J-shaped plate is arranged in the first sliding groove in a sliding manner.
Preferably, the extrusion mechanism includes two springs fixedly arranged on the top end of the box body, two springs are fixedly connected with the same pressing plate at the lower ends thereof, a rack is movably connected with the upper end of the pressing plate, the rack is slidably connected with the inner wall of the rear end of the box body, a gear is meshed with the rack, and the gear is fixedly connected with the rotating shaft coaxially.
Preferably, the rack is arranged in a T shape, a second sliding groove is formed in the inner wall of the rear end of the box body, and the rack is arranged in the second sliding groove in a sliding mode.
Preferably, the inner bottom of the box body is obliquely arranged.
Compared with the prior art, the beneficial effects of the utility model are that:
1. the utility model discloses a shower nozzle among the water spray mechanism realizes moist to weaving cloth to satisfy the demand of production and processing, realize the required requirement to weaving cloth humidity.
2. The utility model discloses a dust removal mechanism realizes removing dust to weaving cloth's surface dust and cotton fibre and handles for weaving cloth's surface keeps totally, thereby improves weaving cloth's pleasing to the eye degree, has reduced the processing degree of difficulty of later stage to weaving cloth surface spot, and when removing dust to weaving cloth's surface, the indirectness has realized smoothing the process to weaving cloth surface, thereby has avoided weaving cloth unsmooth unevenness to appear when the conveying, is favorable to guaranteeing that weaving cloth wet degree is even.
3. The utility model discloses a clamp plate among the extrusion mechanism uses with the cooperation of diaphragm to this reaches extrudees moisture wherein to too much weaving cloth of degree of wetness, makes it satisfy the production demand, improves the qualification rate of subsequent handling, has reduced the economic loss of mill.
4. The utility model discloses an interior bottom slope of box sets up and realizes carrying out the secondary to the moisture that extrudes and retrieve and enter into the water tank in, is favorable to saving the water resource.
Drawings
FIG. 1 is a perspective view of a textile cloth moistening device for spinning according to the present invention;
FIG. 2 is a schematic structural view of a dust removing mechanism in a textile fabric wetting apparatus for spinning according to the present invention;
fig. 3 is a schematic structural view of an extruding mechanism in a textile fabric wetting device for spinning according to the present invention.
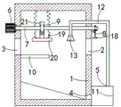
In the figure: 1 box, 2 weaving cloth import, 3 weaving cloth export, 4 through-holes, 5 water spray mechanism, 6 driving motor, 7 pivots, 8 dust removal mechanism, 9 extrusion mechanism, 10 diaphragm, 11 water tanks, 12 water pipes, 13 shower nozzles, 14 fixed plates, 15J template, 16 montant, 17 gyro wheel, 18 cleaning board, 19 springs, 20 clamp plates, 21 racks, 22 gears, 23 second spout.
Detailed Description
The technical solutions in the embodiments of the present invention will be described clearly and completely with reference to the accompanying drawings in the embodiments of the present invention, and it is obvious that the described embodiments are only some embodiments of the present invention, not all embodiments.
In the description of the present invention, it is to be understood that the terms "upper", "lower", "front", "rear", "left", "right", "top", "bottom", "inner", "outer", and the like indicate orientations or positional relationships based on the orientations or positional relationships shown in the drawings, and are only for convenience of description and simplicity of description, and do not indicate or imply that the device or element being referred to must have a particular orientation, be constructed and operated in a particular orientation, and therefore, should not be construed as limiting the present invention.
Referring to fig. 1-3, a weaving is with weaving cloth damping device, including box 1, the interior bottom of box 1 is the slope setting, woven cloth import 2 has been seted up on the lateral wall of box 1, woven cloth export 3 and through-hole 4, fixedly connected with on the lateral wall of box 1 and the water spray mechanism 5 that through-hole 4 is linked together, the play water end of water spray mechanism 5 runs through in the lateral wall of box 1 and extends to inside, wherein, water spray mechanism 5 is including the water tank 11 of fixed setting on the lateral wall of box 1, water tank 11 and through-hole 4 intercommunication set up, the upper end intercommunication of water tank 11 is provided with water pipe 12, the play water end of water pipe 12 runs through in the lateral wall of box 1 and extends to inside, the play water end intercommunication of water pipe 12 is provided with.
It should be explained that the inner bottom of the box body 1 is inclined, so that the advantage of the arrangement is that the water in the box body 1 can enter the water tank 11 through the through hole 4, thereby realizing the secondary utilization of the redundant water and being beneficial to saving water resources; a rubber pipeline is hermetically communicated and arranged in the water tank 4, and the water outlet end of the rubber pipeline is communicated and arranged with the water inlet end of the water tank 11; be equipped with the water pump in the water tank 11, water pump and theory of operation all belong to prior art, do not do here and describe in detail, the play water end of water pump and the end intercommunication setting of intaking of water pipe 12, the play water end of water pipe 12 runs through in the upper end of water tank 11 and runs through the inside that extends to box 1 in the lateral wall of box 1 again, the play water end and the shower nozzle 13 intercommunication setting of water pipe 12, shower nozzle 13 perpendicular effect is on the surface of weaving cloth to the realization is to weaving cloth surface and carry out moist process.
Wherein, fixedly connected with driving motor 6 on the lateral wall of box 1, driving motor 6's output fixedly connected with pivot 7, fixedly connected with smooths the dust removal mechanism 8 of effect on the lateral wall of box 1, dust removal mechanism 8 sets up with the coaxial fixed connection of pivot 7, dust removal mechanism 8 is including fixed plate 14 that sets up on box 1 lateral wall, sliding connection has J template 15 on the fixed plate 14, two montants 16 of upper end fixedly connected with of J template 15, set up through rope fixed connection between two montants 16, the upper end rolling connection of J template 15 has gyro wheel 17, gyro wheel 17 sets up with the coaxial fixed connection of pivot 7, gyro wheel 17 is connected the setting with the rope transmission, the perpendicular fixedly connected with of lower extreme of J template 15 cleans board 18, the lower extreme of fixed plate 14 seted up with J template 15 assorted first spout, J template 15 slides and sets up in first spout.
It should be explained that, the driving motor 6 and the working principle thereof both belong to the prior art, and detailed description is not given here, and the driving motor 6 is a three-phase asynchronous motor, the output end of the driving motor 6 is fixedly connected with the rotating shaft 7, and the driving motor 6 drives the rotating shaft 7 to rotate, thereby realizing the dust removal process; the fixed plate 14 is fixedly connected with the side wall of the box body 1 and mainly has a fixed supporting function; the J-shaped plate 15 slides on the fixing plate 14, one end of the J-shaped plate 15 slides in the first sliding chute, the shape and size of one end of the J-shaped plate 15 are matched with those of the first sliding chute, and the sliding track of the J-shaped plate 15 on the fixing plate 14 is mainly limited; the two vertical rods 16 are used for fixing the ropes and limiting the sliding movement range of the J-shaped plate 15; the roller 17 is coaxially and fixedly connected to the rotating shaft 7, and the concave surface on the roller 17 is contacted with the rope, so that the J-shaped plate 15 is driven to move back and forth; the sweeping board 18 is used for removing dust from the surface of the textile cloth and smoothing the surface of the textile cloth.
Wherein, the top fixedly connected with extrusion mechanism 9 of box 1, extrusion mechanism 9 sets up with the coaxial fixed connection of pivot 7, extrusion mechanism 9 sets up with the rear end inner wall sliding connection of box 1, fixedly connected with and extrusion mechanism 9 assorted diaphragm 10 on the inner wall of box 1, extrusion mechanism 9 sets up in two springs 19 on box 1 top including fixed, the same clamp plate 20 of lower extreme fixedly connected with of two springs 19, the upper end swing joint of clamp plate 20 has rack 21, rack 21 sets up with the rear end inner wall sliding connection of box 1, the meshing is connected with gear 22 on rack 21, gear 22 sets up with the coaxial fixed connection of pivot 7, rack 21 is the setting of T type, second spout 23 has been seted up on the rear end inner wall of box 1, rack 21 slides and sets up in second spout 23.
It should be explained that the transverse plate 10 is used for supporting the textile cloth, and the transverse plate 10 is used in cooperation with the pressing plate 20, so that the wet textile cloth is squeezed to remove excess moisture, and the production requirement is met; the spring 19 has certain elasticity, so that the transverse plate 10 is supported; the gear 22 is meshed with the rack 21, so that the rack 21 is driven to move up and down by the rotation of the gear 22, and the extrusion effect on the pressure plate 20 is realized; the rack 21 is arranged in a T-shape, which has the advantage of facilitating the sliding of the rack 21 in the second runner 23.
In the utility model, when the driving motor 6 corotation, the output end fixed connection's of driving motor 6 pivot 7 rotates along with driving motor 6, it rotates to rotate 7 and drives gear 22 and gyro wheel 17 simultaneously and rotates, gear 22 rotates and then drives the rack 21 that meshes the connection with it and moves downwards, thereby realize the extrusion effect to clamp plate 20, thereby realize extruding the surplus moisture on weaving cloth surface (this process is gone on after weaving cloth is moist), with it gyro wheel 17 rotates simultaneously, thereby drive the rope motion of being connected with it in transmission, thereby make J template 15 move to the front end, thereby make cleaning plate 18 with J template 15 lower extreme fixed connection also move along with the forward, thereby cleaning plate 18 is used on weaving cloth upper surface, realize cleaning (this process is gone on before weaving cloth gets into box 1), the same reason, when driving motor 6 is opposite movement, the rack 21 moves upward so that the release pressing plate 20 does not act on the pressing plate 20, and the backward movement of the J-shaped plate 15 drives the sweeping plate 18 to move backward for sweeping; the water tank 11 passes through a water pump in the water tank 11, water flow in the water tank 11 enters the spray head 13 through the water pipe 12, the water flow sprayed by the spray head 13 vertically downwards acts on the woven cloth, and the spray head 13 sprays water to wet the woven cloth (the process is carried out in the box body 1).
The above, only be the concrete implementation of the preferred embodiment of the present invention, but the protection scope of the present invention is not limited thereto, and any person skilled in the art is in the technical scope of the present invention, according to the technical solution of the present invention and the utility model, the concept of which is equivalent to replace or change, should be covered within the protection scope of the present invention.
Claims (7)
1. The textile cloth wetting device for spinning comprises a box body (1) and is characterized in that a textile cloth inlet (2), a textile cloth outlet (3) and a through hole (4) are formed in the side wall of the box body (1), a water spraying mechanism (5) communicated with the through hole (4) is fixedly connected to the side wall of the box body (1), the water outlet end of the water spraying mechanism (5) penetrates through the side wall of the box body (1) and extends to the inside of the box body, a driving motor (6) is fixedly connected to the side wall of the box body (1), a rotating shaft (7) is fixedly connected to the output end of the driving motor (6), a dust removing mechanism (8) with a smoothing effect is fixedly connected to the side wall of the box body (1), the dust removing mechanism (8) and the rotating shaft (7) are coaxially and fixedly connected, and an extruding mechanism (9) is fixedly connected to the top end of the, extrusion mechanism (9) and the coaxial fixed connection setting of pivot (7), extrusion mechanism (9) and the rear end inner wall sliding connection setting of box (1), fixedly connected with and extrusion mechanism (9) assorted diaphragm (10) on the inner wall of box (1).
2. A textile fabric wetting apparatus for textile use according to claim 1, wherein the water spraying mechanism (5) comprises a water tank (11) fixedly arranged on the side wall of the box body (1), the water tank (11) is communicated with the through hole (4), a water pipe (12) is communicated with the upper end of the water tank (11), the water outlet end of the water pipe (12) penetrates through the side wall of the box body (1) and extends into the box body, and a spray head (13) is communicated with the water outlet end of the water pipe (12).
3. The textile fabric wetting apparatus according to claim 1, wherein the dust removing mechanism (8) comprises a fixing plate (14) fixedly arranged on the side wall of the box body (1), the fixing plate (14) is slidably connected with a J-shaped plate (15), two vertical rods (16) are fixedly connected to the upper end of the J-shaped plate (15), the two vertical rods (16) are fixedly connected through a rope, the upper end of the J-shaped plate (15) is connected with a roller (17) in a rolling manner, the roller (17) is fixedly connected with a rotating shaft (7) in a coaxial manner, the roller (17) is connected with a rope in a transmission manner, and the lower end of the J-shaped plate (15) is vertically and fixedly connected with a cleaning plate (18).
4. A textile fabric wetting apparatus according to claim 3, wherein the lower end of the fixing plate (14) is provided with a first sliding slot matched with the J-shaped plate (15), and the J-shaped plate (15) is slidably arranged in the first sliding slot.
5. The textile fabric wetting apparatus according to claim 1, wherein the squeezing mechanism (9) comprises two springs (19) fixedly arranged at the top end of the box body (1), the lower ends of the two springs (19) are fixedly connected with the same pressing plate (20), the upper end of the pressing plate (20) is movably connected with a rack (21), the rack (21) is slidably connected with the inner wall of the rear end of the box body (1), a gear (22) is engaged and connected to the rack (21), and the gear (22) is coaxially and fixedly connected with the rotating shaft (7).
6. The textile fabric wetting apparatus according to claim 5, wherein the rack (21) is T-shaped, a second chute (23) is formed in the inner wall of the rear end of the box body (1), and the rack (21) is slidably disposed in the second chute (23).
7. A textile fabric wetting apparatus according to claim 1, wherein the inner bottom of the housing (1) is inclined.
Priority Applications (1)
| Application Number | Priority Date | Filing Date | Title |
|---|---|---|---|
| CN201921038452.3U CN210796894U (en) | 2019-07-05 | 2019-07-05 | Textile cloth wetting device for spinning |
Applications Claiming Priority (1)
| Application Number | Priority Date | Filing Date | Title |
|---|---|---|---|
| CN201921038452.3U CN210796894U (en) | 2019-07-05 | 2019-07-05 | Textile cloth wetting device for spinning |
Publications (1)
| Publication Number | Publication Date |
|---|---|
| CN210796894U true CN210796894U (en) | 2020-06-19 |
Family
ID=71241484
Family Applications (1)
| Application Number | Title | Priority Date | Filing Date |
|---|---|---|---|
| CN201921038452.3U Expired - Fee Related CN210796894U (en) | 2019-07-05 | 2019-07-05 | Textile cloth wetting device for spinning |
Country Status (1)
| Country | Link |
|---|---|
| CN (1) | CN210796894U (en) |
Cited By (4)
| Publication number | Priority date | Publication date | Assignee | Title |
|---|---|---|---|---|
| CN112481866A (en) * | 2020-12-07 | 2021-03-12 | 湖北延昌纺织股份有限公司 | Textile cloth wetting device for spinning |
| CN113106650A (en) * | 2021-03-04 | 2021-07-13 | 黄子硕 | A device of wetting for non-woven fabrics production and processing |
| CN114921916A (en) * | 2022-05-11 | 2022-08-19 | 江苏怡人纺织科技股份有限公司 | A textile conveying device |
| CN115852619A (en) * | 2022-12-16 | 2023-03-28 | 中采实业新材料(滁州)有限公司 | Quick-drying type non-woven fabric processing equipment |
-
2019
- 2019-07-05 CN CN201921038452.3U patent/CN210796894U/en not_active Expired - Fee Related
Cited By (6)
| Publication number | Priority date | Publication date | Assignee | Title |
|---|---|---|---|---|
| CN112481866A (en) * | 2020-12-07 | 2021-03-12 | 湖北延昌纺织股份有限公司 | Textile cloth wetting device for spinning |
| CN112481866B (en) * | 2020-12-07 | 2021-11-30 | 绍兴达伽马纺织有限公司 | Textile cloth wetting device for spinning |
| CN113106650A (en) * | 2021-03-04 | 2021-07-13 | 黄子硕 | A device of wetting for non-woven fabrics production and processing |
| CN113106650B (en) * | 2021-03-04 | 2023-01-13 | 南京市蓝业科技有限公司 | A device of wetting for non-woven fabrics production and processing |
| CN114921916A (en) * | 2022-05-11 | 2022-08-19 | 江苏怡人纺织科技股份有限公司 | A textile conveying device |
| CN115852619A (en) * | 2022-12-16 | 2023-03-28 | 中采实业新材料(滁州)有限公司 | Quick-drying type non-woven fabric processing equipment |
Similar Documents
| Publication | Publication Date | Title |
|---|---|---|
| CN210796894U (en) | Textile cloth wetting device for spinning | |
| CN112080921B (en) | Textile fabric carding unit | |
| CN210737095U (en) | Humidifying device capable of adjusting humidifying degree and used for textile cloth | |
| CN210596572U (en) | Textile cloth humidifying device for spinning | |
| CN212611148U (en) | Hydraulic loom dehydrating unit | |
| CN221071995U (en) | Wet leveling device for spinning | |
| CN211142467U (en) | Textile cloth wetting device | |
| CN219930452U (en) | Textile fabric infiltration equipment for spinning | |
| CN117089993B (en) | Glass fiber yarn coating equipment | |
| CN215593406U (en) | Textile cloth wetting device for spinning | |
| CN217628900U (en) | A wetting device for textile cloth | |
| CN112127066A (en) | Textile fabric wetting device for textile production | |
| CN110777487A (en) | Textile cloth wetting device | |
| CN216193300U (en) | Novel textile fabric wetting device for fiber spinning | |
| CN216427628U (en) | Textile cloth wetting device for spinning | |
| CN212771631U (en) | Textile fabric and wool cleaning equipment with dust collection function | |
| CN210657519U (en) | Textile cloth wetting device for spinning | |
| CN219280246U (en) | Sizing machine sizing tank | |
| CN219930459U (en) | Textile fabric wetting device for spinning | |
| CN223074401U (en) | Textile fabric wetting device | |
| CN111270440A (en) | Nylon textile machine for textile and textile method | |
| CN210031133U (en) | Textile cloth wetting device for spinning | |
| CN218756471U (en) | Textile cloth wetting device for spinning | |
| CN221071884U (en) | Novel surface fabric wets device | |
| CN217438426U (en) | Textile wetting device for textile use |
Legal Events
| Date | Code | Title | Description |
|---|---|---|---|
| GR01 | Patent grant | ||
| GR01 | Patent grant | ||
| CF01 | Termination of patent right due to non-payment of annual fee | ||
| CF01 | Termination of patent right due to non-payment of annual fee |
Granted publication date: 20200619 Termination date: 20210705 |