CN210755860U - 一种激光件去毛刺机 - Google Patents

一种激光件去毛刺机 Download PDF

Info

Publication number
CN210755860U
CN210755860U CN201921501057.4U CN201921501057U CN210755860U CN 210755860 U CN210755860 U CN 210755860U CN 201921501057 U CN201921501057 U CN 201921501057U CN 210755860 U CN210755860 U CN 210755860U
Authority
CN
China
Prior art keywords
motor
fixed
ball screw
deburring machine
transmission
Prior art date
Legal status (The legal status is an assumption and is not a legal conclusion. Google has not performed a legal analysis and makes no representation as to the accuracy of the status listed.)
Active
Application number
CN201921501057.4U
Other languages
English (en)
Inventor
李秀平
Current Assignee (The listed assignees may be inaccurate. Google has not performed a legal analysis and makes no representation or warranty as to the accuracy of the list.)
Shanghai Muxiang Machinery Equipment Co ltd
Original Assignee
Shanghai Muxiang Machinery Equipment Co ltd
Priority date (The priority date is an assumption and is not a legal conclusion. Google has not performed a legal analysis and makes no representation as to the accuracy of the date listed.)
Filing date
Publication date
Application filed by Shanghai Muxiang Machinery Equipment Co ltd filed Critical Shanghai Muxiang Machinery Equipment Co ltd
Priority to CN201921501057.4U priority Critical patent/CN210755860U/zh
Application granted granted Critical
Publication of CN210755860U publication Critical patent/CN210755860U/zh
Active legal-status Critical Current
Anticipated expiration legal-status Critical

Links

Images

Landscapes

  • Constituent Portions Of Griding Lathes, Driving, Sensing And Control (AREA)

Abstract

本实用新型公开了一种激光件去毛刺机,要解决的是人工去毛刺中存在的问题。本产品包括机架,所述机架上固定有皮带输送机,机架上方固定有升降电机,升降电机与第一滚珠丝杠相连接,第一滚珠丝杠通过同步带与第二滚珠丝杠相连接,第一滚珠丝杠与第二滚珠丝杠之间安装有升降板,升降板与第二电机和第三电机相连接并且第二电机通过第二驱动轴固定有第一传动齿轮,第一传动齿轮与回转支撑相啮合,回转支撑与第一旋转支架相连接,第三电机通过第三驱动轴固定有齿轮组件,齿轮组件与传动轴相连接,第三驱动轴通过伞齿轮组件与旋转轴传动,旋转轴上固定有打磨轮。本产品操作方便,价格低廉,使用安全系数高,降低了人们的劳动强度,提升了工作效率。

Description

一种激光件去毛刺机
技术领域
本实用新型涉及激光件去毛刺领域,具体是一种激光件去毛刺机。
背景技术
工业是第二产业的重要组成部分,主要分为轻工业和重工业两大类。工业是唯一生产现代化劳动手段的部门,它决定着国民经济现代化的速度、规模和水平,在当代世界各国国民经济中起着主导作用。工业还为自身和国民经济其他各个部门提供原材料、燃料和动力,为人民物质文化生活提供工业消费品。
随着我国工业的持续快速发展,几乎所有的激光金属结构加工厂都采用大量的人力进行操作,针对激光后的金属板材在加工过程中零件边角及表面异性孔周围存在的毛刺进行手工去除,这种人工去毛刺的方法,不仅劳动强度大,效率低,而且很容易对零件造成损坏,甚至影响零件的精度和使用要求,从而加大了生产成本,人们也在进行相关方面的研究。
发明内容
本实用新型实施例的目的在于提供一种激光件去毛刺机,以解决上述背景技术中提出的问题。
为实现上述目的,本实用新型实施例提供如下技术方案:
一种激光件去毛刺机,包括机架,所述机架上固定有皮带输送机并且皮带输送机与第一电机的输出端相连,机架上方固定有用于升降的升降电机,升降电机与第一滚珠丝杠相连接,第一滚珠丝杠通过同步带与第二滚珠丝杠相连接,第一滚珠丝杠与第二滚珠丝杠之间安装有升降板,升降板与第二电机和第三电机相连接并且第二电机上固定有第二驱动轴,第二驱动轴上固定有第一传动齿轮,第一传动齿轮与回转支撑相啮合,回转支撑固定于升降板上,回转支撑与第一旋转支架相连接,第三电机与第三驱动轴相连接,第一旋转支架底部固定有第二旋转支架,第三驱动轴上固定有齿轮组件,齿轮组件与传动轴相连接,第三驱动轴通过伞齿轮组件与旋转轴传动,旋转轴上固定有打磨轮,人工将工件放置于皮带输送机上,第一电机驱动皮带输送机工作从而将工件在皮带输送机的传动皮带上运输,升降电机控制升降板升降从而实现打磨轮的升降,第二电机驱动第一传动齿轮与回转支撑啮合来带动打磨轮进行横向旋转,通过第三电机驱动伞齿轮组件带动齿轮组件来带动打磨轮进行轴向旋转打磨,打磨轮对工件异型孔上附带的毛刺进行清理打磨即可。
作为本实用新型实施例进一步的方案:皮带输送机的传动皮带表面均布有开孔,皮带输送机的下方安装有风机,皮带输送机的底部固定有吸尘组件,风机将工件吸附于传动皮带上从而对工件进行定位,还可以对异型孔进行打磨后产生的粉尘进行回收收集。
作为本实用新型实施例进一步的方案:皮带输送机上部传动皮带的下方还安装有清理组件,可以对传动皮带内部附带的粉尘进行清理和除尘。
作为本实用新型实施例进一步的方案:第一电机、第二电机、第三电机和升降电机均与PLC控制面板电性连接,自动控制升降和启动,保证打磨轮与工件间距的精准定位。
作为本实用新型实施例进一步的方案:第一滚珠丝杠通过第一同步带轮与同步带的一端相连,同步带的另一端通过第二同步带轮与第二滚珠丝杠相连接,同步性好,使得第一滚珠丝杠和第二滚珠丝杠同步运动,保证运行一致性。
作为本实用新型实施例进一步的方案:升降电机通过第一电机底座固定在机架上,第二电机通过第二电机底座固定在升降板上,第三电机通过第三电机底座固定在升降板上,连接牢固性好,保证升降和驱动的正常进行。
作为本实用新型实施例进一步的方案:机架上部的下方还固定有导向轴,具有导向作用,保证使用效果。
作为本实用新型实施例进一步的方案:第一滚珠丝杠与第一丝杆螺母相连,第二滚珠丝杠与第二丝杆螺母相连,升降板的两端分别与第一丝杆螺母和第二丝杆螺母相连,升降板与升降电机的运动一致性好。
作为本实用新型实施例进一步的方案:第三电机通过联轴器与第三驱动轴相连接,连接牢固性和同步性好。
与现有技术相比,本实用新型实施例的有益效果是:
本产品设计合理,结构简单实用,操作方便,价格低廉,使用安全系数高,降低了人们的劳动强度,提升了工作效率,实用性好;
本产品还设置有清理组件,可以对传动皮带内部附带的粉尘进行清理和除尘,不会对操作人员的身体造成危,也不会对空气环境造成污染,使用效果好。
附图说明
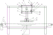
图1为激光件去毛刺机的主视图。
图2为激光件去毛刺机的侧视图。
其中:1-机架,2-皮带输送机,3-清理组件,4-吸尘组件,5-升降电机,6-第一电机底座,7-第一同步带轮,8-第二同步带轮,9-同步带,10-第二滚珠丝杠,11-第一滚珠丝杠,12-导向轴,13-第三电机底座,14-第二旋转支架,15-升降板,16-第一丝杆螺母,17-第二丝杆螺母,18-第三电机,19-第三驱动轴,20-联轴器,21-轴承座,22-齿轮组件,23-传动轴,24-伞齿轮组件,25-打磨轮,26-旋转轴,27-第一电机,28-第二电机,29-第二驱动轴,30-第一传动齿轮,31-第二电机底座,32-第一旋转支架,33-风机。
具体实施方式
下面结合具体实施方式对本专利的技术方案作进一步详细地说明。
实施例1
一种激光件去毛刺机,包括机架1,所述机架1上固定有皮带输送机2并且皮带输送机2与第一电机27的输出端相连,机架1上方固定有用于升降的升降电机5,升降电机5与第一滚珠丝杠11相连接,第一滚珠丝杠11通过同步带9与第二滚珠丝杠10相连接,第一滚珠丝杠11与第二滚珠丝杠10之间安装有升降板15,升降板15与第二电机28和第三电机18相连接并且第二电机28上固定有第二驱动轴29,第二驱动轴29上固定有第一传动齿轮30,第一传动齿轮30与回转支撑相啮合,回转支撑固定于升降板15上,回转支撑与第一旋转支架32相连接,第三电机18与第三驱动轴19相连接,第一旋转支架32底部固定有第二旋转支架14,第三驱动轴19上固定有齿轮组件22,齿轮组件22与传动轴23相连接,第三驱动轴19通过伞齿轮组件24与旋转轴26传动,旋转轴26上固定有打磨轮25,人工将工件放置于皮带输送机2上,第一电机27驱动皮带输送机2工作从而将工件在皮带输送机2的传动皮带上运输,升降电机5控制升降板15升降从而实现打磨轮25的升降,第二电机28驱动第一传动齿轮30与回转支撑啮合来带动打磨轮25进行横向旋转,通过第三电机18驱动伞齿轮组件24带动齿轮组件22来带动打磨轮25进行轴向旋转打磨,打磨轮25对工件异型孔上附带的毛刺进行清理打磨即可。
为了提高使用效果,皮带输送机2的传动皮带表面均布有开孔,皮带输送机2的下方安装有风机33,皮带输送机2的底部固定有吸尘组件4,风机33将工件吸附于传动皮带上从而对工件进行定位,还可以对异型孔进行打磨后产生的粉尘进行回收收集。
进一步的,皮带输送机2上部传动皮带的下方还安装有清理组件3,可以对传动皮带内部附带的粉尘进行清理和除尘。
进一步的,第一电机27、第二电机28、第三电机18和升降电机5均与PLC控制面板电性连接,通过一键启动自动控制升降和启动,保证打磨轮25与工件间距的精准定位。
进一步的,升降电机5通过第一电机底座6固定在机架1上,第二电机28通过第二电机底座31固定在升降板15上,第三电机18通过第三电机底座13固定在升降板15上,连接牢固性好,保证升降和驱动的正常进行。
实施例2
一种激光件去毛刺机,包括机架1,所述机架1上固定有皮带输送机2并且皮带输送机2与第一电机27的输出端相连,机架1上方固定有用于升降的升降电机5,升降电机5与第一滚珠丝杠11相连接,第一滚珠丝杠11通过同步带9与第二滚珠丝杠10相连接,第一滚珠丝杠11与第二滚珠丝杠10之间安装有升降板15,升降板15与第二电机28和第三电机18相连接并且第二电机28上固定有第二驱动轴29,第二驱动轴29上固定有第一传动齿轮30,第一传动齿轮30与回转支撑相啮合,回转支撑固定于升降板15上,回转支撑与第一旋转支架32相连接,第三电机18与第三驱动轴19相连接,第一旋转支架32底部固定有第二旋转支架14,第三驱动轴19上固定有齿轮组件22,齿轮组件22与传动轴23相连接,第三驱动轴19通过伞齿轮组件24与旋转轴26传动,旋转轴26上固定有打磨轮25,人工将工件放置于皮带输送机2上,第一电机27驱动皮带输送机2工作从而将工件在皮带输送机2的传动皮带上运输,升降电机5控制升降板15升降从而实现打磨轮25的升降,第二电机28驱动第一传动齿轮30与回转支撑啮合来带动打磨轮25进行横向旋转,通过第三电机18驱动伞齿轮组件24带动齿轮组件22来带动打磨轮25进行轴向旋转打磨,打磨轮25对工件异型孔上附带的毛刺进行清理打磨即可。
为了保证运行一致性,第一滚珠丝杠11通过第一同步带轮7与同步带9的一端相连,同步带9的另一端通过第二同步带轮8与第二滚珠丝杠10相连接,同步性好,使得第一滚珠丝杠11和第二滚珠丝杠12同步运动。
进一步的,机架1上部的下方还固定有导向轴12,具有导向作用,保证使用效果。
进一步的,第一滚珠丝杠11与第一丝杆螺母16相连,第二滚珠丝杠10与第二丝杆螺母17相连,升降板15的两端分别与第一丝杆螺母16和第二丝杆螺母17相连,升降板15与升降电机5的运动一致性好。
进一步的,第三电机18通过联轴器20与第三驱动轴19相连接,第三驱动轴19通过轴承座21与升降板15相连接,连接牢固性和同步性好。
以上所述仅为本实用新型的较佳实施例而已,并不用以限制本实用新型,凡在本实用新型的精神和原则之内,所作的任何修改、等同替换、改进等,均应包含在本实用新型的保护范围之内。不应将权利要求中的任何附图标记视为限制所涉及的权利要求。
此外,应当理解,虽然本说明书按照实施方式加以描述,但并非每个实施方式仅包含一个独立的技术方案,说明书的这种叙述方式仅仅是为清楚起见,本领域技术人员应当将说明书作为一个整体,各实施例中的技术方案也可以经适当组合,形成本领域技术人员可以理解的其他实施方式。

Claims (8)

1.一种激光件去毛刺机,包括机架(1),所述机架(1)上固定有皮带输送机(2)并且皮带输送机(2)与第一电机(27)的输出端相连,机架(1)上方固定有升降电机(5),其特征在于,升降电机(5)与第一滚珠丝杠(11)相连接,第一滚珠丝杠(11)通过同步带(9)与第二滚珠丝杠(10)相连接,第一滚珠丝杠(11)与第二滚珠丝杠(10)之间安装有升降板(15),升降板(15)分别与第二电机(28)和第三电机(18)相连接并且第二电机(28)通过第二驱动轴(29)上连接有第一传动齿轮(30),第一传动齿轮(30)与回转支撑相啮合,回转支撑与第一旋转支架(32)相连接,第三电机(18)通过第三驱动轴(19)与齿轮组件(22)相连接,齿轮组件(22)与传动轴(23)相连接,第三驱动轴(19)通过伞齿轮组件(24)与旋转轴(26)传动,旋转轴(26)上固定有打磨轮(25)。
2.根据权利要求1所述的激光件去毛刺机,其特征在于,所述皮带输送机(2)的传动皮带表面均布有开孔,皮带输送机(2)的下方安装有风机(33),皮带输送机(2)的底部固定有吸尘组件(4)。
3.根据权利要求1或2所述的激光件去毛刺机,其特征在于,所述皮带输送机(2)上部传动皮带的下方还安装有清理组件(3)。
4.根据权利要求1所述的激光件去毛刺机,其特征在于,所述第一电机(27)、第二电机(28)、第三电机(18)和升降电机(5)均与PLC控制面板电性连接。
5.根据权利要求1所述的激光件去毛刺机,其特征在于,所述第一滚珠丝杠(11)通过第一同步带轮(7)与同步带(9)的一端相连,同步带(9)的另一端通过第二同步带轮(8)与第二滚珠丝杠(10)相连接。
6.根据权利要求1所述的激光件去毛刺机,其特征在于,所述升降电机(5)通过第一电机底座(6)固定在机架(1)上,第二电机(28)通过第二电机底座(31)固定在升降板(15)上,第三电机(18)通过第三电机底座(13)固定在升降板(15)上。
7.根据权利要求1或6所述的激光件去毛刺机,其特征在于,所述机架(1)上部的下方还固定有导向轴(12)。
8.根据权利要求1所述的激光件去毛刺机,其特征在于,所述第一滚珠丝杠(11)与第一丝杆螺母(16)相连,第二滚珠丝杠(10)与第二丝杆螺母(17)相连,升降板(15)的两端分别与第一丝杆螺母(16)和第二丝杆螺母(17)相连。
CN201921501057.4U 2019-09-10 2019-09-10 一种激光件去毛刺机 Active CN210755860U (zh)

Priority Applications (1)

Application Number Priority Date Filing Date Title
CN201921501057.4U CN210755860U (zh) 2019-09-10 2019-09-10 一种激光件去毛刺机

Applications Claiming Priority (1)

Application Number Priority Date Filing Date Title
CN201921501057.4U CN210755860U (zh) 2019-09-10 2019-09-10 一种激光件去毛刺机

Publications (1)

Publication Number Publication Date
CN210755860U true CN210755860U (zh) 2020-06-16

Family

ID=71065785

Family Applications (1)

Application Number Title Priority Date Filing Date
CN201921501057.4U Active CN210755860U (zh) 2019-09-10 2019-09-10 一种激光件去毛刺机

Country Status (1)

Country Link
CN (1) CN210755860U (zh)

Cited By (1)

* Cited by examiner, † Cited by third party
Publication number Priority date Publication date Assignee Title
CN110480178A (zh) * 2019-09-10 2019-11-22 上海睦祥机械设备有限公司 一种激光件去毛刺机

Cited By (1)

* Cited by examiner, † Cited by third party
Publication number Priority date Publication date Assignee Title
CN110480178A (zh) * 2019-09-10 2019-11-22 上海睦祥机械设备有限公司 一种激光件去毛刺机

Similar Documents

Publication Publication Date Title
CN210360670U (zh) 自动打磨装置
CN112296790A (zh) 一种轨道交通部件表面处理设备
CN212653151U (zh) 一种机械加工用板材打磨装置
CN210755860U (zh) 一种激光件去毛刺机
CN109834585B (zh) 一种抛光设备
CN109176205A (zh) 一种汽车方向盘打磨加工装置
CN111545589A (zh) 一种基于磁力自动清理打磨碎屑的磁性钢带的加工方法
CN115091329A (zh) 一种数控机械加工用车削打磨一体机及其工作方法
CN208945772U (zh) 一种厨房用具生产用自动打磨装置
CN110977676A (zh) 一种用于加工o型圈的去毛边装置
CN209551364U (zh) 用于汽车变速箱齿轮去毛刺与抛光的一体式工作台
CN212144815U (zh) 一种便于维护与更换零部件的剃齿机
CN113118793A (zh) 一种机械加工用数控车床原料放置平台及其辅助清洁机构
CN112223024B (zh) 一种继电器骨架加工用打磨装置
CN112171419B (zh) 一种针对轮毂肋骨和外环的去毛刺装置
CN214685661U (zh) 一种用于五金配件打磨毛边的抛光机
CN110480178A (zh) 一种激光件去毛刺机
CN211103192U (zh) 一种机械加工用打磨设备
CN115673963A (zh) 一种机械制造模具表面加工处理装置
CN221416190U (zh) 连接件集中清理辅助工装
CN219170485U (zh) 一种汽车零部件打磨机
CN212794289U (zh) 一种具有边缘打磨功能的工艺品加工设备
CN112658869A (zh) 一种竹编工艺品加工用毛边处理装置
CN219005555U (zh) 一种高效率精密金属零部件表面处理装置
CN223395060U (zh) 一种数控凸轮磨床防尘机构

Legal Events

Date Code Title Description
GR01 Patent grant
GR01 Patent grant