CN210724143U - 一种变电检修用电缆线绝缘支撑装置 - Google Patents
一种变电检修用电缆线绝缘支撑装置 Download PDFInfo
- Publication number
- CN210724143U CN210724143U CN201922323436.5U CN201922323436U CN210724143U CN 210724143 U CN210724143 U CN 210724143U CN 201922323436 U CN201922323436 U CN 201922323436U CN 210724143 U CN210724143 U CN 210724143U
- Authority
- CN
- China
- Prior art keywords
- fixing frame
- fixing
- sides
- arc
- cable insulation
- Prior art date
- Legal status (The legal status is an assumption and is not a legal conclusion. Google has not performed a legal analysis and makes no representation as to the accuracy of the status listed.)
- Expired - Fee Related
Links
- 238000009413 insulation Methods 0.000 title claims abstract description 13
- 238000012423 maintenance Methods 0.000 claims abstract description 6
- 244000309464 bull Species 0.000 claims description 13
- 239000004020 conductor Substances 0.000 description 8
- 238000000034 method Methods 0.000 description 4
- 125000003003 spiro group Chemical group 0.000 description 3
- 238000010248 power generation Methods 0.000 description 2
- 230000004075 alteration Effects 0.000 description 1
- 230000009286 beneficial effect Effects 0.000 description 1
- 230000005540 biological transmission Effects 0.000 description 1
- 238000012986 modification Methods 0.000 description 1
- 230000004048 modification Effects 0.000 description 1
- 238000006467 substitution reaction Methods 0.000 description 1
- XLYOFNOQVPJJNP-UHFFFAOYSA-N water Substances O XLYOFNOQVPJJNP-UHFFFAOYSA-N 0.000 description 1
Images
Landscapes
- Suspension Of Electric Lines Or Cables (AREA)
Abstract
本实用新型属于电力设备技术领域,且公开了一种变电检修用电缆线绝缘支撑装置,包括第一固定架,所述第一固定架的一侧安装有第二固定架,且第一固定架的两侧均对称安装有第一固定片,所述第二固定架的两侧均对称安装有第二固定片,所述第二固定片与第一固定片之间贯穿有调节螺杆,所述调节螺杆靠近第一固定片和第二固定片之间的圆周面上套设有弹簧,本实用新型通过拧动调节螺杆和螺环,使第一固定架和第二固定架固定于电线杆两侧,通过弹簧对第一固定片和第二固定片挤压,通过压簧对弧形头挤压,使弧形头紧贴电线杆,让装置便于与不同规格电线杆进行固定,可以与不同规格的电线杆进行配合使用,提高装置的使用范围。
Description
技术领域
本实用新型属于电力设备技术领域,具体涉及一种变电检修用电缆线绝缘支撑装置。
背景技术
电力设备主要包括发电设备和供电设备两大类,发电设备主要是电站锅炉、蒸汽轮机、燃气轮机、水轮机、发电机、变压器等等,供电设备主要是各种电压等级的输电线路、互感器、接触器等等。
但是目前市场上的电缆线绝缘支撑装置没有设置便于与不同规格电线杆进行固定的结构,只能与固定规格的电线杆进行配合使用,装置的使用范围具有局限性,并且未设置依据电缆线数目进行调节的结构,只能对固定数目的电缆进行卡合,使用者需要安装大量的固定结构,增加使用者的工作强度。
实用新型内容
本实用新型的目的在于提供一种变电检修用电缆线绝缘支撑装置,以解决上述背景技术中提出的只能与固定规格电线杆配合使用,装置使用范围具有局限性和只能对固定数目的电缆卡合,需要安装大量固定结构,工作强度大的问题。
为实现上述目的,本实用新型提供如下技术方案:一种变电检修用电缆线绝缘支撑装置,包括第一固定架,所述第一固定架的一侧安装有第二固定架,且第一固定架的两侧均对称安装有第一固定片,所述第二固定架的两侧均对称安装有第二固定片,所述第二固定片与第一固定片之间贯穿有调节螺杆,所述调节螺杆靠近第一固定片和第二固定片之间的圆周面上套设有弹簧,且调节螺杆的一端旋合连接有螺环,所述第一固定架和第二固定架的内凹处均呈环形阵列安装有三个压簧,所述压簧的一端安装有弧形头,所述第一固定架和第二固定架相背的一侧均安装有连接杆,所述连接杆的顶部通过螺栓固定连接有顶板。
优选的,所述顶板的顶部开设有连接槽,所述连接槽的内部滑动连接有基块,所述基块与顶板之间旋合连接有调节螺栓,且基块的顶部转动连接有转杆,所述基块顶部靠近转杆的一侧位置处转动连接有限位杆。
优选的,所述调节螺栓的两侧均安装有指杆,所述指杆的两侧均开设有指槽。
优选的,所述调节螺杆相对于螺环的一端安装有拉环,所述拉环上开设有拉孔。
优选的,所述弧形头相对于压簧的一端安装有弧形垫,所述弧形垫相对于弧形头的一侧形成弧形部。
与现有技术相比,本实用新型的有益效果是:
(1)本实用新型通过拧动调节螺杆和螺环,使第一固定架和第二固定架固定于电线杆两侧,通过弹簧对第一固定片和第二固定片挤压,通过压簧对弧形头挤压,使弧形头紧贴电线杆,让装置便于与不同规格电线杆进行固定,可以与不同规格的电线杆进行配合使用,提高装置的使用范围。
(2)本实用新型通过连接槽对使用者需要数目的基块卡合,通过拧紧调节螺栓,使基块固定于顶板上使用者需要的位置处,通过转杆和限位杆对电缆线进行卡合固定,让装置便于依据电缆线数目进行调节,可以对不同数目的电缆进行卡合,让使用者无需安装大量的固定结构,降低使用者工作强度。
附图说明
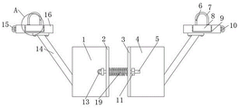
图1为本实用新型的结构示意图;
图2为本实用新型的俯视图;
图3为图1中A部的放大图;
图中:1-第一固定架;2-第一固定片;3-第二固定片;4-第二固定架;5-调节螺杆;6-限位杆;7-转杆;8-基块;9-连接槽;10-指杆;11-螺环;12-压簧;13-拉环;14-连接杆;15-调节螺栓;16-顶板;17-弧形头;18-弧形垫;19-弹簧。
具体实施方式
下面将结合本实用新型实施例中的附图,对本实用新型实施例中的技术方案进行清楚、完整地描述,显然,所描述的实施例仅仅是本实用新型一部分实施例,而不是全部的实施例。基于本实用新型中的实施例,本领域普通技术人员在没有做出创造性劳动前提下所获得的所有其他实施例,都属于本实用新型保护的范围。
请参阅图1-图3所示,本实用新型提供如下技术方案:一种变电检修用电缆线绝缘支撑装置,包括第一固定架1,第一固定架1的一侧安装有第二固定架4,且第一固定架1的两侧均对称安装有第一固定片2,第二固定架4的两侧均对称安装有第二固定片3,第二固定片3与第一固定片2之间贯穿有调节螺杆5,调节螺杆5靠近第一固定片2和第二固定片3之间的圆周面上套设有弹簧19,且调节螺杆5的一端旋合连接有螺环11,第一固定架1和第二固定架4的内凹处均呈环形阵列安装有三个压簧12,压簧12的一端安装有弧形头17,第一固定架1和第二固定架4相背的一侧均安装有连接杆14,连接杆14的顶部通过螺栓固定连接有顶板16,将第一固定架1和第二固定架4分别贴合于电线杆两侧,通过拧动调节螺杆5和螺环11,使第一固定架1和第二固定架4固定于电线杆两侧,通过弹簧19对第一固定片2和第二固定片3挤压,并且通过压簧12挤压弧形头17移动,使弧形头17紧贴电线杆,让装置固定于电线杆上,便于与不同规格的电线杆进行安装。
进一步的,顶板16的顶部开设有连接槽9,连接槽9的内部滑动连接有基块8,基块8与顶板16之间旋合连接有调节螺栓15,且基块8的顶部转动连接有转杆7,基块8顶部靠近转杆7的一侧位置处转动连接有限位杆6,通过将使用者需要数目的放入连接槽9中,通过拧紧调节螺栓15,使基块8固定于顶板16上使用者需要的位置处,通过转动转杆7,将电缆线卡入限位杆6和转杆7之间,从而固定使用者需要数目的电缆线。
进一步的,调节螺栓15的两侧均安装有指杆10,指杆10的两侧均开设有指槽,通过指槽和指杆10让调节螺栓15便于转动。
进一步的,调节螺杆5相对于螺环11的一端安装有拉环13,拉环13上开设有拉孔,通过拉孔和拉环13让调节螺杆5便于转动。
更进一步的,弧形头17相对于压簧12的一端安装有弧形垫18,弧形垫18相对于弧形头17的一侧形成弧形部,通过弧形部和弧形垫18让弧形头17抵住电线杆时更加稳固。
本实用新型的工作原理及使用流程:该实用新型在使用时,将装置移动至使用点,选择使用者需要数目的基块8,将基块8插入至连接槽9中,将基块8在连接槽9中拉动,使基块8移动至顶板16上使用者需要的位置处,通过指杆10拧紧调节螺栓15,使基块8固定于顶板16上使用者需要的位置处,基块8调节完毕后,将第一固定架1和第二固定架4分别贴合于电线杆两侧,通过拉环13拿取调节螺杆5,将调节螺杆5和螺环11进行转动,从而使第一固定架1和第二固定架4紧贴电线杆,通过弹簧19对第一固定片2和第二固定片3进行挤压推动,并且通过压簧12对弧形头17进行推动,使弧形头17紧贴电线杆,并且在弧形垫18的作用下,让第一固定架1和第二固定架4固定更加紧固,第一固定架1和第二固定架4固定后,将转杆7转动,将电缆线放入转杆7和限位杆6之间,将转杆7转动回初始位置,通过转杆7和限位杆6对电缆线进行限位固定,从而对线缆进行支撑。
需要说明的是,在本文中,诸如第一和第二等之类的关系术语仅仅用来将一个实体或者操作与另一个实体或操作区分开来,而不一定要求或者暗示这些实体或操作之间存在任何这种实际的关系或者顺序。而且,术语“包括”、“包含”或者其任何其他变体意在涵盖非排他性的包含,从而使得包括一系列要素的过程、方法、物品或者设备不仅包括那些要素,而且还包括没有明确列出的其他要素,或者是还包括为这种过程、方法、物品或者设备所固有的要素。
尽管已经示出和描述了本实用新型的实施例,对于本领域的普通技术人员而言,可以理解在不脱离本实用新型的原理和精神的情况下可以对这些实施例进行多种变化、修改、替换和变型,本实用新型的范围由所附权利要求及其等同物限定。
Claims (5)
1.一种变电检修用电缆线绝缘支撑装置,其特征在于:包括第一固定架(1),所述第一固定架(1)的一侧安装有第二固定架(4),且第一固定架(1)的两侧均对称安装有第一固定片(2),所述第二固定架(4)的两侧均对称安装有第二固定片(3),所述第二固定片(3)与第一固定片(2)之间贯穿有调节螺杆(5),所述调节螺杆(5)靠近第一固定片(2)和第二固定片(3)之间的圆周面上套设有弹簧(19),且调节螺杆(5)的一端旋合连接有螺环(11),所述第一固定架(1)和第二固定架(4)的内凹处均呈环形阵列安装有三个压簧(12),所述压簧(12)的一端安装有弧形头(17),所述第一固定架(1)和第二固定架(4)相背的一侧均安装有连接杆(14),所述连接杆(14)的顶部通过螺栓固定连接有顶板(16)。
2.根据权利要求1所述的一种变电检修用电缆线绝缘支撑装置,其特征在于:所述顶板(16)的顶部开设有连接槽(9),所述连接槽(9)的内部滑动连接有基块(8),所述基块(8)与顶板(16)之间旋合连接有调节螺栓(15),且基块(8)的顶部转动连接有转杆(7),所述基块(8)顶部靠近转杆(7)的一侧位置处转动连接有限位杆(6)。
3.根据权利要求2所述的一种变电检修用电缆线绝缘支撑装置,其特征在于:所述调节螺栓(15)的两侧均安装有指杆(10),所述指杆(10)的两侧均开设有指槽。
4.根据权利要求1所述的一种变电检修用电缆线绝缘支撑装置,其特征在于:所述调节螺杆(5)相对于螺环(11)的一端安装有拉环(13),所述拉环(13)上开设有拉孔。
5.根据权利要求1所述的一种变电检修用电缆线绝缘支撑装置,其特征在于:所述弧形头(17)相对于压簧(12)的一端安装有弧形垫(18),所述弧形垫(18)相对于弧形头(17)的一侧形成弧形部。
Priority Applications (1)
| Application Number | Priority Date | Filing Date | Title |
|---|---|---|---|
| CN201922323436.5U CN210724143U (zh) | 2019-12-23 | 2019-12-23 | 一种变电检修用电缆线绝缘支撑装置 |
Applications Claiming Priority (1)
| Application Number | Priority Date | Filing Date | Title |
|---|---|---|---|
| CN201922323436.5U CN210724143U (zh) | 2019-12-23 | 2019-12-23 | 一种变电检修用电缆线绝缘支撑装置 |
Publications (1)
| Publication Number | Publication Date |
|---|---|
| CN210724143U true CN210724143U (zh) | 2020-06-09 |
Family
ID=70926607
Family Applications (1)
| Application Number | Title | Priority Date | Filing Date |
|---|---|---|---|
| CN201922323436.5U Expired - Fee Related CN210724143U (zh) | 2019-12-23 | 2019-12-23 | 一种变电检修用电缆线绝缘支撑装置 |
Country Status (1)
| Country | Link |
|---|---|
| CN (1) | CN210724143U (zh) |
Cited By (1)
| Publication number | Priority date | Publication date | Assignee | Title |
|---|---|---|---|---|
| CN112440073A (zh) * | 2020-11-12 | 2021-03-05 | 山东启明风电有限公司 | 一种用于焊接风电基础塔筒的旋转式工作平台 |
-
2019
- 2019-12-23 CN CN201922323436.5U patent/CN210724143U/zh not_active Expired - Fee Related
Cited By (1)
| Publication number | Priority date | Publication date | Assignee | Title |
|---|---|---|---|---|
| CN112440073A (zh) * | 2020-11-12 | 2021-03-05 | 山东启明风电有限公司 | 一种用于焊接风电基础塔筒的旋转式工作平台 |
Similar Documents
| Publication | Publication Date | Title |
|---|---|---|
| CN204680772U (zh) | 一种便携式伸缩高压接地线装置 | |
| CN206742703U (zh) | 一种抗震环保型户外电力柜装置 | |
| CN210724143U (zh) | 一种变电检修用电缆线绝缘支撑装置 | |
| CN109006795A (zh) | 一种风力和太阳能结合的驱鸟器 | |
| CN107732854B (zh) | 一种变电站用的避雷装置 | |
| CN214228173U (zh) | 一种优化型建筑工程外墙太阳能板伸缩安装架 | |
| CN213277855U (zh) | 一种带有抗风机构的一二次融合柱上断路器 | |
| CN107993805B (zh) | 一种变压器的便捷固定装置及方法 | |
| CN207518206U (zh) | 一种环网柜用电缆头拔取设备 | |
| CN220857550U (zh) | 隐藏式接线端子箱 | |
| CN210111556U (zh) | 一种高稳定性的高压输电设备用保护金具 | |
| CN208849415U (zh) | 一种紧固装置 | |
| CN204720555U (zh) | 一种v型美化天线结构 | |
| CN210283972U (zh) | 一种铁路电力输电线路防缠绕装置 | |
| CN211377305U (zh) | 一种电力设备安装绝缘架 | |
| CN215928318U (zh) | 一种风力发电传动装置 | |
| CN208508366U (zh) | 一种高压线路引流线绝缘固定设备 | |
| CN210016093U (zh) | 一种开关柜排线结构 | |
| CN212298466U (zh) | 电力设备安装绝缘架 | |
| CN208316255U (zh) | 一种电力输电线的连接固定装置 | |
| CN210016220U (zh) | 一种配电工程用接线装置 | |
| CN202126876U (zh) | 电缆过线张紧轮 | |
| CN209313343U (zh) | 一种施工建筑用电缆支架 | |
| CN210011374U (zh) | 一种风电叶片腹板成型避雷导线舒展工装 | |
| CN209179939U (zh) | 一种风力发电大工件定位工装 |
Legal Events
| Date | Code | Title | Description |
|---|---|---|---|
| GR01 | Patent grant | ||
| GR01 | Patent grant | ||
| CF01 | Termination of patent right due to non-payment of annual fee | ||
| CF01 | Termination of patent right due to non-payment of annual fee |
Granted publication date: 20200609 Termination date: 20211223 |