CN210697232U - 奶茶机 - Google Patents
奶茶机 Download PDFInfo
- Publication number
- CN210697232U CN210697232U CN201921223796.1U CN201921223796U CN210697232U CN 210697232 U CN210697232 U CN 210697232U CN 201921223796 U CN201921223796 U CN 201921223796U CN 210697232 U CN210697232 U CN 210697232U
- Authority
- CN
- China
- Prior art keywords
- liquid
- outer barrel
- spraying
- assembly
- component
- Prior art date
- Legal status (The legal status is an assumption and is not a legal conclusion. Google has not performed a legal analysis and makes no representation as to the accuracy of the status listed.)
- Active
Links
- 241001122767 Theaceae Species 0.000 title claims abstract description 130
- 239000008267 milk Substances 0.000 title claims abstract description 42
- 235000013336 milk Nutrition 0.000 title claims abstract description 42
- 210000004080 milk Anatomy 0.000 title claims abstract description 42
- 239000007788 liquid Substances 0.000 claims abstract description 137
- XLYOFNOQVPJJNP-UHFFFAOYSA-N water Substances O XLYOFNOQVPJJNP-UHFFFAOYSA-N 0.000 claims abstract description 135
- 238000005507 spraying Methods 0.000 claims abstract description 64
- 238000000605 extraction Methods 0.000 claims abstract description 46
- 238000010438 heat treatment Methods 0.000 claims abstract description 26
- 239000000284 extract Substances 0.000 claims abstract description 10
- 239000002994 raw material Substances 0.000 claims description 16
- 239000007921 spray Substances 0.000 claims description 13
- 230000008859 change Effects 0.000 claims description 4
- 230000000149 penetrating effect Effects 0.000 claims description 2
- 229920001296 polysiloxane Polymers 0.000 abstract description 10
- 238000012423 maintenance Methods 0.000 abstract description 5
- 230000007774 longterm Effects 0.000 abstract description 3
- 235000013616 tea Nutrition 0.000 description 115
- 238000004321 preservation Methods 0.000 description 13
- 238000002360 preparation method Methods 0.000 description 9
- 238000000034 method Methods 0.000 description 8
- 238000013124 brewing process Methods 0.000 description 7
- 238000001125 extrusion Methods 0.000 description 7
- 230000008569 process Effects 0.000 description 6
- 238000010586 diagram Methods 0.000 description 5
- 230000006872 improvement Effects 0.000 description 5
- 230000002572 peristaltic effect Effects 0.000 description 4
- 241000669058 Fiorinia theae Species 0.000 description 3
- 235000013361 beverage Nutrition 0.000 description 3
- 238000013461 design Methods 0.000 description 3
- 239000003651 drinking water Substances 0.000 description 3
- 235000020188 drinking water Nutrition 0.000 description 3
- 239000002245 particle Substances 0.000 description 3
- 230000035939 shock Effects 0.000 description 3
- 239000000243 solution Substances 0.000 description 3
- VYPSYNLAJGMNEJ-UHFFFAOYSA-N Silicium dioxide Chemical compound O=[Si]=O VYPSYNLAJGMNEJ-UHFFFAOYSA-N 0.000 description 2
- 235000020341 brewed tea Nutrition 0.000 description 2
- 239000000463 material Substances 0.000 description 2
- 230000004048 modification Effects 0.000 description 2
- 238000012986 modification Methods 0.000 description 2
- 238000007789 sealing Methods 0.000 description 2
- 239000000741 silica gel Substances 0.000 description 2
- 229910002027 silica gel Inorganic materials 0.000 description 2
- 238000003860 storage Methods 0.000 description 2
- 241000894006 Bacteria Species 0.000 description 1
- 239000004278 EU approved seasoning Substances 0.000 description 1
- 238000009825 accumulation Methods 0.000 description 1
- 230000009286 beneficial effect Effects 0.000 description 1
- 230000007547 defect Effects 0.000 description 1
- 230000008021 deposition Effects 0.000 description 1
- 238000001514 detection method Methods 0.000 description 1
- 238000009826 distribution Methods 0.000 description 1
- 230000003670 easy-to-clean Effects 0.000 description 1
- 230000000694 effects Effects 0.000 description 1
- 235000011194 food seasoning agent Nutrition 0.000 description 1
- 238000002347 injection Methods 0.000 description 1
- 239000007924 injection Substances 0.000 description 1
- 230000010354 integration Effects 0.000 description 1
- 238000004519 manufacturing process Methods 0.000 description 1
- 238000012544 monitoring process Methods 0.000 description 1
- 239000000843 powder Substances 0.000 description 1
- 238000005086 pumping Methods 0.000 description 1
- 239000000126 substance Substances 0.000 description 1
- 238000005406 washing Methods 0.000 description 1
Images
Landscapes
- Apparatus For Making Beverages (AREA)
Abstract
本实用新型提供一种奶茶机,包括设置于机体内部的液体容器、发热组件、抽提组件、喷淋组件和控制组件,所述液体容器包括外桶与嵌套于外桶内部的内桶;所述发热组件设置于所述外桶下部,所述喷淋组件设置于所述外桶上部,所述抽提组件设置于所述外桶下部,并穿过外桶底部分别连接到喷淋组件或内桶;所述抽提组件将外桶内的液体抽取到喷淋组件,以使液体在所述外桶与喷淋组件之间循环;或者将外桶内的液体抽取到内桶内部。本实用新型的液体容器具有嵌套的双层结构,可提高茶水供应的连续性,提高了茶水温度的均匀性和稳定性,容器内各部件易于拆卸清洗,其内部水泵、阀门等部件的液路均采用硅胶管,不易被茶垢堵塞,便于长期使用和维护。
Description
技术领域
本实用新型涉及一种饮料的制备装置,尤其涉及一种循环式的奶茶机。
背景技术
港式奶茶起源于英国的下午茶文化,早在19世纪中叶,香港人就与英式奶茶结下不解之缘。伴随着多年来对奶茶配方的不断摸索与改进,港式奶茶已成为香港人最喜爱的饮品,供应奶茶的茶餐厅和冰室遍布香港的大街小巷。港式奶茶的特色在于名为“撞茶”的茶叶冲泡方式,传统的“撞茶”是将茶叶置于茶袋中,举起茶壶将茶水从高处向茶袋冲下,循环往复数次,在茶叶与茶水的反复冲撞中完成对茶叶的冲泡,可吸收更多的香味物质到茶水中。制备完成的茶水放入保温容器中,饮用时将茶水与牛奶、糖等调味料充分混合,即可获得香浓可口的港式奶茶。
采用传统手工“撞茶”方式制作港式奶茶的工艺较为繁琐,熟练的奶茶师傅也需要花费数分钟才能冲泡一壶茶水,不能满足餐饮行业日益增长的需要。为了解决手工冲调速度慢的弊端,同时还要求最大限度地保留“撞茶”工艺带来的香浓口感,公开号为“CN108261079A”的中国发明专利公开了一种喷淋式港式奶茶制作机,该发明的奶茶机利用水泵配合喷洒管将热水从低处提到高处对茶叶进行喷淋式冲泡,制成奶茶后自动回流,循环以上冲泡过程,有利于提高奶茶的口感。制备完成的茶水通过温度监测模块实时检测温度,并通过保温片保持奶茶的温度。
但采用上述技术方案的奶茶机产品内部容器的容量偏小,茶水用完后需要人工加水后再进行循环冲泡,在此期间无法持续供应茶水,仍然不能满足售卖高峰期的需求。其次,冲泡完成的茶水需要采用保温片反复加热维持温度,影响茶水口感。另外,该奶茶机内部容易积累茶垢导致管道、水路堵塞,且不易清洗,不利于长期使用和维护。
实用新型内容
本实用新型提供一种奶茶机,其内部液体容器具有嵌套的双层结构:在外层容器中循环冲泡茶水,并将冲泡完成的茶水抽入内层容器储存用于供应,之后外层容器可继续进行循环冲泡,可有效提高茶水供应的连续性。同时,利用外层容器中加热的液体对储存于内层容器中的茶水进行保温,保证茶水温度的均匀性和稳定性。本实用新型的容器内各部件易于拆卸清洗,其内部水泵、阀门等部件的液路均采用硅胶管,不易被茶垢堵塞,便于长期使用和维护。
本实用新型采用的技术方案如下:
一种奶茶机,包括设置于机体内部的液体容器、发热组件、抽提组件、喷淋组件和控制组件;液体容器包括外桶与嵌套于外桶内部的内桶;发热组件设置于外桶下部,以加热外桶内的液体;喷淋组件设置于外桶上部,以喷淋方式对原料进行冲泡;抽提组件设置于外桶下部,并穿过外桶底部分别连接到喷淋组件或内桶;抽提组件将外桶内的液体抽取到喷淋组件,以使液体在外桶与喷淋组件之间循环;或者,将外桶内的液体抽取到内桶内部。
本实用新型的奶茶机通过上述双容器的设计,将在外桶中完成循环冲泡的茶水抽提到内桶中储存,外桶中可继续进行下一轮的循环冲泡,增加了茶水的总供应量。同时,将外桶中加热和冲泡的茶水用于内桶的保温,热量散失较小、温度均匀稳定,可最大限度地保持内桶中茶水的口感。
作为本实用新型的一种具体实施方式,抽提组件包括抽提水管、第一换向阀和抽提水泵;抽提水管穿过外桶底部,与喷淋组件连接;第一换向阀能够被切换为连通外桶与喷淋组件的液路;或者,被切换为连通外桶与内桶的液路;抽提水泵从外桶中抽取液体,输送到喷淋组件或内桶。
本实用新型通过增加由控制组件控制的第一换向阀,很容易实现从循环冲泡液路向茶水输送液路之间的切换,不仅提高了茶水的冲泡效率,还使产品的结构更为紧凑。
作为本实用新型的一种具体实施方式,控制组件包括第一液位传感器和温度传感器;控制组件检测液体容器内的液位,并控制抽提水泵抽取的液量;控制组件检测液体容器内的温度,并调节发热组件的输出功率,以控制液体容器内的温度变化,将温度的上下波动限制在较小的范围内,防止出现温度骤变。
本实用新型利用温度传感器检测容器内部茶水的温度,通过控制组件调节发热元件的输出功率以使茶水保持在最佳的冲泡温度,保证茶水的口感。通过水位传感器检测容器内部茶水的余量,可根据实际需要精确控制冲泡与抽取的水量,保证茶水供应不间断。另一方面,可根据不同的水量分别设定加热时间,能够降低电能的消耗。
作为本实用新型的一种具体实施方式,奶茶机还可增加连接外部水源的进水组件;进水组件包括:与外部水源连接的进水阀,由控制组件控制以调整进水量;与进水阀连接的第二换向阀,能够被切换为连通外桶与外部水源的液路;或者,被切换为连通外桶与抽提组件的液路。
本实用新型通过增加直接连接外部水源的功能,无需人工加水,有效提高了茶水的制备效率,保证了茶水的持续供应。
作为本实用新型的一种改进,控制组件通过间歇开闭进水阀调整进水量,以维持液体容器内的温度。
由于外部水源通常处于室温环境,远低于液体容器内茶水的温度,若直接将大量的常温水引入外桶内,将会降低内桶中储存的茶水温度,影响口感。因此,本实用新型的改进中,通过控制进水阀间歇性地打开和关闭限制和调整进水量,同时启动加热组件加热已进入外桶内的水,以外桶内的水温始终保持在较高的温度,可有效避免影响内桶中处于保温状态的茶水温度。
作为本实用新型的一种具体实施方式,喷淋组件包括喷洒装置与滤网;喷洒装置与抽提组件连接,其顶端设有向滤网中喷洒液体的喷口。
作为一种优选的实施方式,喷口为设置于喷洒装置侧壁上的喷嘴;喷洒装置的顶部封闭。可选的,喷口为沿喷洒装置侧壁环形设置的两个以上的喷嘴。
作为一种替代的实施方式,喷口顶部带有伞形的罩盖。
用于冲泡茶叶的喷淋组件在完成一个冲泡循环后,需要及时更换滤网中的茶叶。在向滤网内添加茶叶的过程中,茶叶碎屑容易掉入喷洒装置的喷口,引起堵塞。本实用新型通过将喷口设置于喷洒装置的侧壁并封闭其顶部,或者在喷洒装置的喷口顶部增加一个伞状罩盖,可避免茶叶碎屑意外掉入喷口导致的堵塞故障。
作为对本实用新型的一种改进,外桶内的部件,包括喷淋组件、内桶以及穿过外桶底部的抽提组件均为可拆卸式连接。同时,机体内液路的管道采用食品级硅胶管;机体内的阀门为胶管挤压式截止阀,通过挤压硅胶管实现开闭;机体内的水泵为蠕动式泵,通过向前挤压硅胶管提供泵压。
奶茶机在长期使用的过程中,其内部的管道内壁、阀门密封处、水泵叶轮表面以及各部件的接头处通常都会积累大量的茶垢,不但容易滋生细菌,同时还可能堵塞管道导致设备故障,造成茶水制备效率下降。本实用新型外桶内的部件均可拆卸清洗,提高了容器内部的清洁效率,降低了日常维护和清洁的难度。另外,内部液路采用硅胶管道,尽可能地减少接头数量;同时,进一步将现有技术中奶茶机使用的阀门替换为胶管挤压式截止阀,水泵替换为蠕动式泵,不仅避免了阀门密封处、水泵叶轮表面等部位出现的茶垢积累问题,而且在反复挤压硅胶管的过程中也能对管道进行自清洁。
综上所述,本实用新型的奶茶机通过双层容器的设计,解决了现有技术中容器容量偏小、保温效果较差的问题。并且通过增加外部水源的供水装置,进一步提高了茶水的制备效率。同时通过对喷洒装置的重新设计,避免喷头的堵塞。一体化的硅胶管道、水阀及水泵可有效避免茶垢沉积,容器内部构件的可拆卸设计也提升了清洗的便利,使本实用新型产品具有较高的可维护性。
需要指出的是,本实用新型的技术方案不仅限于制备茶水,同样也适用于制备其他类似或相近的饮料,例如咖啡。本实用新型内容中对茶水制备的相关描述,不应当被理解为对本实用新型保护范围的限定。
附图说明
图1是本实用新型实施例提供的一种奶茶机的整体结构示意图;
图2是本实用新型实施例中步骤1的工作状态示意图;
图3是本实用新型实施例中步骤2的工作状态示意图;
图4是本实用新型实施例中步骤3的工作状态示意图;
图5是本实用新型实施例中步骤4的工作状态示意图;
图6是本实用新型实施例中步骤5的工作状态示意图;
图7是本实用新型实施例中容器内部及喷淋组件的结构示意图;
图8是本实用新型实施例中喷淋组件的喷口部分的结构示意图。
具体实施方式
为了使本技术领域的人员更好地理解本实用新型方案,下面将结合本实用新型实施例中的附图,对本实用新型实施例中的技术方案进行清楚、完整地描述,显然,所描述的实施例仅仅是本实用新型的一部分实施例,而不是全部的实施例。基于本实用新型中的实施例,本领域普通技术人员在没有做出创造性劳动前提下所获得的所有其他实施例,都应当属于本实用新型保护的范围。
本实用新型的说明书和权利要求书及上述附图中的术语“第一”、“第二”、“第三”等是用于区别不同的对象,而不是用于描述特定顺序。此外,术语“包括”和“具有”以及它们任何变形,意图在于覆盖不排他的包含。
下面结合附图所示之实施例对本实用新型作进一步详述。
请参考图1,本实用新型实施例提供一种奶茶机,其内部容器为嵌套式的双层结构,在外层容器中循环冲泡茶水,并将冲泡完成的茶水抽入内层容器储存,利用外层容器中的茶水进行保温。
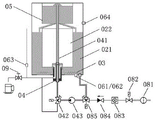
如图1所示,本实用新型的奶茶机主要包括机体01、液体容器02、发热组件03、抽提组件04、喷淋组件05和控制组件06。特别的,液体容器02包括外桶021和内桶022,内桶022嵌套于外桶021内部。
抽提组件04设置于外桶021下部,抽提组件04的抽提水管041穿过外桶021底部与喷淋组件05连接,用于将外桶021中的液体抽取到喷淋组件05,以使液体在外桶021与喷淋组件05之间循环。
发热组件03设置于外桶021下部,其主要功能是加热外桶021内的第一液体,例如饮用水。发热组件03可设置于外桶021外部,或者与外桶021的底部形成一体,又或者设置于外桶021内部,可以是发热盘、发热管或者可实现类似功能的其它器件。发热组件03由控制组件06控制,用于将外桶021内的第一液体加热至适当的冲泡温度。例如,在冲泡茶叶时可将冲泡温度设定为95℃。
喷淋组件05设置于外桶021的上部,包括喷洒装置051与滤网052,滤网052中可放置原料,例如茶叶。喷洒装置051将加热后的第一液体向滤网052喷洒,以喷淋方式完成原料的冲泡。冲泡后形成的第二液体从滤网052底部的筛孔中流出,回到外桶021中。根据不同原料的冲泡要求,抽提组件04需要从外桶021中多次循环抽取液体到喷淋组件05,以使第二液体达到最佳的口感。
完成上述循环冲泡过程后,抽提组件04将外桶021内的第二液体全部抽取到内桶022内部储存。然后,可打开上盖07更换喷淋组件05中的原料,并在外桶021中加入第一液体。此后,控制组件06再次控制发热组件03加热外桶021中的第一液体,用于保持内桶022中第二液体的温度。
为了便于将外桶021中的液体从输往喷淋组件05迅速切换为输往内桶022,抽提组件04采用换向阀来实现液体通路(以下简称液路)的切换。
请参考图2,抽提组件04包括抽提水管041、第一换向阀042和抽提水泵043,抽提水管041穿过外桶021底部,与喷淋组件05相连。第一换向阀042由控制组件控制,能够被切换为连通外桶021与喷淋组件05的液路;或者,被切换为连通外桶021与内桶022的液路。
当第一换向阀042被切换为连通外桶021与喷淋组件05的液路时,抽提水泵043从外桶021中抽取液体,输送到喷淋组件05;当第一换向阀042被切换为连通外桶021与内桶022的液路时,抽提水泵043从外桶021中抽取液体,输送到内桶022。
特别的,请参考图2,控制组件包括第一液位传感器061和温度传感器062。其中,第一液位传感器061用于检测外桶021中的液位,第二液位传感器063用于检测内桶022中的液位,温度传感器062用于检测外桶021中的温度。第三液位064传感器为安全保护装置,用于防止外桶021中的液位超过正常工作的最大值。
根据用户的需要,控制组件可根据第一液位传感器061的检测结果控制抽提水泵043抽取的液体量。例如,在循环冲泡过程中,根据外桶021中第一液体的液量决定抽提的总液量,以满足冲泡时间的要求。或者,在向内桶022输送第二液体的过程中,随时检测外桶021中的剩余液量。控制组件也可根据外桶021中的液体余量设定发热组件03的加热时间,能够降低电能的消耗。
另一方面,控制组件通过温度传感器062检测液体容器内的温度,以调节发热组件03的输出功率,以控制液体容器内的温度。通过将温度的变化范围控制在最佳温度值附近的一个尽可能小的区间内,防止温度骤变,以保证在循环冲泡过程中茶水的口感。
请继续参考图2,本实用新型的奶茶机带有连接外部饮用水水源的进水组件。进水组件由进水过滤器081、进水阀082、流量计083、逆止阀084、第二换向阀085等部件组成。
其中,进水过滤器081与外部水源直接连接。进水阀082与控制组件连接,通过控制其打开和关闭的时间以调整进水量,防止由于进水过快导致容器内水温骤降影响内桶中茶水的保温温度。进水阀082与第二换向阀085之间可选的安装有用于防止容器中液体回流的逆止阀084和用于检测进水流量的流量计083。第二换向阀085由控制组件控制,能够被切换为连通所述外桶021与外部水源的液路;或者,被切换为连通所述外桶021与抽提组件04的液路。
请参考图7,本实用新型的奶茶机的喷淋组件05由喷洒装置051和滤网052组成。喷洒装置051与抽提水管041连接,从外桶021中抽取的第一液体经过抽提水管041送到喷洒装置051,并通过其顶端的喷口053向滤网052中放置的原料喷洒。第一液体与原料混合冲泡后形成第二液体,经过滤网052底部的筛孔向下回流到外桶021中,形成循环冲泡。
为使第一液体与原料充分接触,喷口053下方还设有滴水板054。滴水板054上均匀开孔,以使第一液体能够从不同位置滴落到原料表面,冲泡更为充分。
当滤网052中的原料已被充分冲泡后,需要取下喷淋组件05更换原料。由于原料通常制成较细的粉末状颗粒,在添加和更换原料的过程中容易掉入喷口053中导致堵塞,因此可以通过在喷口053上方增加一个伞形罩盖,以防止原料颗粒意外进入喷口053。
喷淋组件05、内桶022以及穿过外桶底部的抽提组件(例如抽提水管041)均为可拆卸式连接,需要清洗时可依次拆卸单独进行清洁,便于日常维护。
请参考图8,作为一种替代的方案,喷洒装置051的顶部封闭,喷口053设置在喷洒装置051的侧壁,形成与竖直向下方向呈一定夹角的喷嘴。喷口053可以由两个或两个以上的喷嘴组成,沿喷洒装置051的侧壁环形设置。采用上述方案无需在喷口053上方增加伞形罩盖即可防止原料颗粒的进入,结构更为紧凑。
本实用新型中,第一换向阀的阀门采用胶管挤压式截止阀,通过挤压硅胶管实现液体通路的开闭。因此,相对于传统的阀门,本实用新型采用的胶管挤压式截止阀中,通过阀门的硅胶管与两端的连接管路形成一体,无需增加连接接头,不仅简化了结构,而且可防止阀门、接头处积累茶垢。胶管挤压式截止阀同样适用于第二换向阀和进水阀等其他阀门。
本实用新型中,抽提水泵采用蠕动式软管泵,通过向前挤压硅胶管中的液体提供泵压。相对于传统的叶轮泵或活塞泵,本实用新型采用的软管蠕动泵中,通过泵体的硅胶管与两端的连接管路形成一体,无需增加连接接头,不仅简化了结构,而且可防止泵体、接头处积累茶垢。
为便于进一步理解本实用新型,下面介绍本实用新型的奶茶机的工作原理:
在使用奶茶机之前,需要先将进水组件连接到外部饮用水水源,并在滤网中放置原料。接通电源后,用户可根据实际需要选择茶水的制备量,奶茶机自动进入制备茶水的冲泡程序。
步骤1:请参考图2,进入冲泡程序后,控制组件将第二换向阀085切换为连通外桶021与进水阀082的液路,开启进水阀082后,来自外部水源的第一液体将依次经过过滤器081、进水阀082、流量计083、逆止阀084和第二换向阀085进入外桶021内部。当进入外桶021的第一液体到达预先设置的容量时,第一液位传感器061通知控制组件,以关闭进水阀082。
步骤2:请参考图3,外桶021中已充满第一液体,控制组件启动加热组件对第一液体进行加热,同时温度传感器062实时监控外桶中的温度。当外桶021中第一液体到达预设的冲泡温度后,控制组件将第二换向阀085切换为连通外桶021与抽提组件04的液路,同时将第一换向阀042切换为连通外桶021与喷淋组件05的液路。启动抽提水泵043,从外桶021中抽取第一液体到喷淋组件05。第一液体在喷淋组件05中与原料充分混合完成冲泡,形成第二液体,经过喷淋组件05下方的滤网回流到外桶021,形成冲泡循环。冲泡循环的持续时间由控制组件按照预先设定的茶水制备量决定。
步骤3:请参考图4,冲泡循环完成后,外桶021中已充满第二液体,控制组件将第一换向阀042切换为连通外桶021与内桶022的液路。启动抽提水泵043,从外桶021中抽取第二液体到内桶022。当第一液位传感器061检测到外桶021已空时,控制组件停止抽取液体。
步骤4:请参考图5,冲泡程序完成后,自动进入保温程序对内桶022中已制备完成的茶水进行保温。此时,可以打开出水阀09从内桶022中倒出制备完成的茶水。保温程序中,控制组件将将第二换向阀085切换为连通外桶021与进水阀082的液路,并开启进水阀082向外桶中注入第一液体并启动加热组件03,利用加热后外桶021中的第一液体为内桶022中的第二液体进行保温。类似于水浴保温的方式不仅温度分布均匀、热量散失小,而且即使反复对第一液体加热也不会在外桶021中产生茶垢沉积。
为防止一次性大量注入常温下的第一液体降低液体容器02中的温度,保温程序中的进水是间歇进行的。控制组件控制进水阀082间歇性的关闭,使其每次仅向外桶021中注入少量室温状态下的第一液体,待加热组件03将之前注入的第一液体加热到保温所需的温度后,再打开进水阀082继续注入少量第一液体。通过上述注水与加热的循环,可防止外桶内的温度骤变,影响内桶内茶水的保温温度。
步骤5:请参考图6,在需要大量供应茶水的时段,也可随时中断在步骤5中的保温程序来启动外桶021中的循环冲泡程序,即重复步骤1至步骤3,使外桶021与内桶022中均充满制备完成的茶水。当第二液位传感器063检测到内桶022中的茶水不足时,随时可从外桶021中抽取,防止出现茶水供应中断的情况。
本实用新型通过上述冲泡程序与保温程序的循环,实现了茶水的不间断供给;全部操作过程中,用户仅需按要求添加或更换原料,减少了人工干预,提高了茶水的制备效率。
在上述实施例中,对各个实施例的描述都各有侧重,某个实施例中没有详细描述的部分,可以参见其它实施例的相关描述。
以上所述仅为本实用新型的优选实施例而已,并不用于限制本实用新型,对于本领域的技术人员来说,本实用新型可以有各种更改和变化。凡在本实用新型的精神和原则之内,所作的任何修改、等同替换、改进等,均应包含在本实用新型的保护范围之内。
Claims (10)
1.一种奶茶机,包括设置于机体内部的液体容器、发热组件、抽提组件、喷淋组件和控制组件,其特征在于:所述液体容器包括外桶与嵌套于外桶内部的内桶; 所述发热组件设置于所述外桶下部,以加热外桶内的液体; 所述喷淋组件设置于所述外桶上部,以喷淋方式对原料进行冲泡; 所述抽提组件设置于所述外桶下部,并穿过外桶底部分别连接到喷淋组件或内桶; 所述抽提组件将外桶内的液体抽取到喷淋组件,以使液体在所述外桶与喷淋组件之间循环;或者,将外桶内的液体抽取到内桶内部。
2.根据权利要求1所述的奶茶机,其特征在于:所述抽提组件包括抽提水管、第一换向阀和抽提水泵; 所述抽提水管穿过所述外桶底部,与所述喷淋组件连接; 所述第一换向阀能够被切换为连通所述外桶与喷淋组件的液路;或者,被切换为连通所述外桶与内桶的液路; 所述抽提水泵从所述外桶中抽取液体,输送到所述喷淋组件或内桶。
3.根据权利要求2所述的奶茶机,其特征在于:所述控制组件包括第一液位传感器和温度传感器; 所述控制组件检测所述液体容器内的液位,并控制所述抽提水泵抽取的液体量; 所述控制组件检测所述液体容器内的温度,并调节所述发热组件的输出功率,以控制所述液体容器内的温度变化。
4.根据权利要求1所述的奶茶机,其特征在于:还包括进水组件; 所述进水组件包括:与外部水源连接的进水阀,由所述控制组件控制以调整进水量; 与进水阀连接的第二换向阀,能够被切换为连通所述外桶与外部水源的液路;或者,被切换为连通所述外桶与抽提组件的液路。
5.根据权利要求4所述的奶茶机,其特征在于:所述控制组件通过间歇开闭所述进水阀调整进水量,以维持所述液体容器内的温度。
6.根据权利要求1所述的奶茶机,其特征在于:所述喷淋组件包括喷洒装置与滤网; 所述喷洒装置与抽提组件连接,其顶端设有向滤网中喷洒液体的喷口。
7.根据权利要求6所述的奶茶机,其特征在于:所述喷口为设置于所述喷洒装置侧壁上的喷嘴; 所述喷洒装置的顶部封闭。
8.根据权利要求7所述的奶茶机,其特征在于:所述喷口为沿所述喷洒装置侧壁环形设置的两个以上的喷嘴。
9.根据权利要求6所述的奶茶机,其特征在于:所述喷口顶部带有伞形的罩盖。
10.根据权利要求1至9中任一项所述的奶茶机,其特征在于:所述外桶内的部件,包括喷淋组件、内桶以及穿过外桶底部的抽提组件均为可拆卸式连接。
Priority Applications (1)
| Application Number | Priority Date | Filing Date | Title |
|---|---|---|---|
| CN201921223796.1U CN210697232U (zh) | 2019-07-31 | 2019-07-31 | 奶茶机 |
Applications Claiming Priority (1)
| Application Number | Priority Date | Filing Date | Title |
|---|---|---|---|
| CN201921223796.1U CN210697232U (zh) | 2019-07-31 | 2019-07-31 | 奶茶机 |
Publications (1)
| Publication Number | Publication Date |
|---|---|
| CN210697232U true CN210697232U (zh) | 2020-06-09 |
Family
ID=70956459
Family Applications (1)
| Application Number | Title | Priority Date | Filing Date |
|---|---|---|---|
| CN201921223796.1U Active CN210697232U (zh) | 2019-07-31 | 2019-07-31 | 奶茶机 |
Country Status (1)
| Country | Link |
|---|---|
| CN (1) | CN210697232U (zh) |
Cited By (1)
| Publication number | Priority date | Publication date | Assignee | Title |
|---|---|---|---|---|
| CN111773960A (zh) * | 2020-07-23 | 2020-10-16 | 湖南文理学院 | 一种青稞奶茶加工用具有过滤结构的搅拌装置 |
-
2019
- 2019-07-31 CN CN201921223796.1U patent/CN210697232U/zh active Active
Cited By (2)
| Publication number | Priority date | Publication date | Assignee | Title |
|---|---|---|---|---|
| CN111773960A (zh) * | 2020-07-23 | 2020-10-16 | 湖南文理学院 | 一种青稞奶茶加工用具有过滤结构的搅拌装置 |
| CN111773960B (zh) * | 2020-07-23 | 2022-01-28 | 湖南文理学院 | 一种青稞奶茶加工用具有过滤结构的搅拌装置 |
Similar Documents
| Publication | Publication Date | Title |
|---|---|---|
| JP6564760B2 (ja) | 自動コーヒードリップ装置 | |
| US7654191B2 (en) | Beverage dispenser | |
| US5303639A (en) | Automatic brewer | |
| US20170295992A1 (en) | Vacuum-operated beverage brewers and related brewing methods | |
| CA2133531C (en) | Automatic brewer | |
| RU2561024C2 (ru) | Устройство для приготовления напитка и соответствующий способ | |
| CA2292813C (en) | Tea brewing apparatus | |
| US10980369B2 (en) | Infusion beverage apparatus | |
| US20210219766A1 (en) | Infusion beverage apparatus | |
| EP3713458B1 (en) | Machine for preparing beverages and method of control | |
| CN111669998B (zh) | 制备饮料的机器和方法 | |
| CN103079437A (zh) | 饮料泡制设备和方法 | |
| US9723946B2 (en) | Beverage temperature optimizer machine | |
| CN114766908A (zh) | 一种蒸汽泡茶机及其熏蒸泡茶的方法 | |
| CN210697232U (zh) | 奶茶机 | |
| CN209252476U (zh) | 一种咖啡机 | |
| US20210386225A1 (en) | Beverage brewing pot and beverage brewing method using same | |
| CN105125083B (zh) | 一种打豆咖啡机 | |
| CN111972593A (zh) | 降糖煮饭方法 | |
| CN214804157U (zh) | 一种分离式加热冲泡装置 | |
| CN209846932U (zh) | 一种饮品冲泡机 | |
| CN102578916A (zh) | 一种适用于冲泡土耳其咖啡的混合装置 | |
| CN208941814U (zh) | 一种新型咖啡机 | |
| CN210697241U (zh) | 智能茶饮机 | |
| CN211833955U (zh) | 一种具有蒸汽加热装置的饮料机 |
Legal Events
| Date | Code | Title | Description |
|---|---|---|---|
| GR01 | Patent grant | ||
| GR01 | Patent grant |