CN210649053U - 刻字仪辅助移动小车 - Google Patents

刻字仪辅助移动小车 Download PDF

Info

Publication number
CN210649053U
CN210649053U CN201921451357.6U CN201921451357U CN210649053U CN 210649053 U CN210649053 U CN 210649053U CN 201921451357 U CN201921451357 U CN 201921451357U CN 210649053 U CN210649053 U CN 210649053U
Authority
CN
China
Prior art keywords
frame
lettering
workbench
guide rail
moving trolley
Prior art date
Legal status (The legal status is an assumption and is not a legal conclusion. Google has not performed a legal analysis and makes no representation as to the accuracy of the status listed.)
Active
Application number
CN201921451357.6U
Other languages
English (en)
Inventor
王世玉
徐家信
Current Assignee (The listed assignees may be inaccurate. Google has not performed a legal analysis and makes no representation or warranty as to the accuracy of the list.)
Nanjing Haiyi Precision Machinery Co Ltd
Original Assignee
Nanjing Haiyi Precision Machinery Co Ltd
Priority date (The priority date is an assumption and is not a legal conclusion. Google has not performed a legal analysis and makes no representation as to the accuracy of the date listed.)
Filing date
Publication date
Application filed by Nanjing Haiyi Precision Machinery Co Ltd filed Critical Nanjing Haiyi Precision Machinery Co Ltd
Priority to CN201921451357.6U priority Critical patent/CN210649053U/zh
Application granted granted Critical
Publication of CN210649053U publication Critical patent/CN210649053U/zh
Active legal-status Critical Current
Anticipated expiration legal-status Critical

Links

Images

Landscapes

  • Jigs For Machine Tools (AREA)

Abstract

刻字仪辅助移动小车,其特征是,包括车架、车架底部的万向滚轮、车架顶部的用于放置小型工件的工作台、车架一侧的用于夹紧大型工件的夹紧机构以及位于夹紧机构一侧的调节机构,所述车架内部设有用于放置刻字仪主机的空腔;所述调节机构包括底座、安装于底座之上的十字丝杆导轨电动滑台,所述刻字仪的刻字头安装于十字丝杆导轨电动滑台,所述底座与车架通过转盘转动连接,转动转盘使刻字头位于工作台或夹紧机构上方。本实用新型结构简单合理,生产制造容易,具有广阔的市场空间。

Description

刻字仪辅助移动小车
技术领域
本实用新型涉及一种刻字仪辅助移动小车,属于机械工程技术领域。
背景技术
激光刻字机是一种可是在各种材料表面进行标记的设备,其原理是利用激光束产生的高温使材料表面发生不同程度的烧蚀,达到留下印记的目的。在激光刻字时,工件的压紧是保证精确刻字的重要保障。为了能够使刻字位置精确,工件的精确夹紧定位就十分重要。但是目前市场上,激光刻字机还未配备对应的夹紧定位的装置。
实用新型内容
本实用新型的目的是针对上述现有技术的不足,提供一种刻字仪辅助移动小车,可便于对大型工件以及小型工件的精确刻字。
本实用新型的技术方案如下:
刻字仪辅助移动小车,其特征是,包括车架、车架底部的万向滚轮、车架顶部的用于放置小型工件的工作台、车架一侧的用于夹紧大型工件的夹紧机构以及位于夹紧机构一侧的调节机构,所述车架内部设有用于放置刻字仪主机的空腔;所述调节机构包括底座、安装于底座之上的十字丝杆导轨电动滑台,所述刻字仪的刻字头安装于十字丝杆导轨电动滑台,所述底座与车架通过转盘转动连接,转动转盘使刻字头位于工作台或夹紧机构上方。
进一步地,所述夹紧机构包括矩形框、V型夹头、安装杆、锁紧螺母一、锁紧螺母二,所述安装杆的一端伸入车架底部的安装口,并利用锁紧螺母一锁紧固定;所述矩形框固定于安装杆的另一端,所述锁紧螺母二的端部旋入矩形框内并连接V型夹头,将大型工件夹紧。
进一步地,所述转盘利用插销与车架固定。
进一步地,所述车架设有抽屉和把手,所述抽屉位于工作台下方。
进一步地,所述工作台一侧设有电机、丝杆以及前夹块、后夹块,所述丝杆具有两段相反旋向的螺纹,所述电机与丝杆相连,所述丝杆的两段螺纹处分别螺纹连接有移动块,所述移动块分别通过连杆与前后夹块相连。
进一步地,所述前后夹块分别通过滑块与工作台上的直线导轨滑动连接。
本实用新型在使用时,将小型工件放置在车架工作台上,将大型工件放置在矩形框内,旋进锁紧螺母二,利用V型夹头和矩形框内壁将大型工件夹紧。转动转盘,使刻字头对准工作台或夹紧机构处的工件,车架上设有两个插销口,便于刻字头对准工作台或夹紧机构时,将转盘的插销插入对应的插销口而固定刻字头。利用锁紧螺母一、安装杆、安装口,可以调节夹紧机构与车架之间的距离。驱动工作台上的电机,使前后夹块相向或背向移动,从而将小型工件夹紧或松开。本实用新型结构简单合理,生产制造容易,具有广阔的市场空间。
附图说明
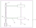
图1为本实用新型的结构示意图;
图2为本实用新型中工作台的结构示意图。
具体实施方式
如图1所示,刻字仪辅助移动小车,包括车架1、车架底部的万向滚轮2(防静电脚轮,带刹车)、车架顶部的用于放置小型工件的工作台3、车架一侧的用于夹紧大型工件4的夹紧机构以及位于夹紧机构一侧的调节机构,所述车架内部设有用于放置刻字仪主机5的空腔;所述调节机构包括底座、安装于底座之上的十字丝杆导轨电动滑台6,所述刻字仪的刻字头7安装于十字丝杆导轨电动滑台,所述底座与车架通过转盘转动连接,转动转盘使刻字头位于工作台或夹紧机构上方。
十字丝杆导轨电动滑台采用十字型丝杆直线导轨,并利用步进电机驱动丝杆使滑台滑动。车架空腔底部设有EVA减震绝缘海绵,此处还可放置其它物品。
所述夹紧机构包括矩形框8、V型夹头9、安装杆10、锁紧螺母一11、锁紧螺母二12,所述安装杆的一端伸入车架底部的安装口13,并利用锁紧螺母一锁紧固定;所述矩形框固定于安装杆的另一端,所述锁紧螺母二的端部旋入矩形框内并连接V型夹头,将大型工件夹紧。
所述转盘利用插销与车架固定,车架上设有两个插销口,便于刻字头对准工作台或夹紧机构时,将转盘的插销插入对应的插销口而固定刻字头。所述车架设有抽屉14和把手15,所述抽屉位于工作台下方,可放置笔记本电脑。
如图2所示,所述工作台一侧设有电机16、丝杆17以及前夹块、后夹块18,所述丝杆具有两段相反旋向的螺纹,所述电机与丝杆相连,所述丝杆的两段螺纹处分别螺纹连接有移动块19,所述移动块分别通过连杆20与前后夹块相连。所述前后夹块分别通过滑块与工作台上的直线导轨21滑动连接。

Claims (6)

1.刻字仪辅助移动小车,其特征是,包括车架(1)、车架底部的万向滚轮(2)、车架顶部的用于放置小型工件的工作台(3)、车架一侧的用于夹紧大型工件(4)的夹紧机构以及位于夹紧机构一侧的调节机构,所述车架内部设有用于放置刻字仪主机(5)的空腔;所述调节机构包括底座、安装于底座之上的十字丝杆导轨电动滑台(6),所述刻字仪的刻字头(7)安装于十字丝杆导轨电动滑台,所述底座与车架通过转盘转动连接,转动转盘使刻字头位于工作台或夹紧机构上方。
2.根据权利要求1所述的刻字仪辅助移动小车,其特征是,所述夹紧机构包括矩形框(8)、V型夹头(9)、安装杆(10)、锁紧螺母一(11)、锁紧螺母二(12),所述安装杆的一端伸入车架底部的安装口(13),并利用锁紧螺母一锁紧固定;所述矩形框固定于安装杆的另一端,所述锁紧螺母二的端部旋入矩形框内并连接V型夹头,将大型工件夹紧。
3.根据权利要求1所述的刻字仪辅助移动小车,其特征是,所述转盘利用插销与车架固定。
4.根据权利要求1所述的刻字仪辅助移动小车,其特征是,所述车架设有抽屉(14)和把手(15),所述抽屉位于工作台下方。
5.根据权利要求1所述的刻字仪辅助移动小车,其特征是,所述工作台一侧设有电机(16)、丝杆(17)以及前夹块、后夹块(18),所述丝杆具有两段相反旋向的螺纹,所述电机与丝杆相连,所述丝杆的两段螺纹处分别螺纹连接有移动块(19),所述移动块分别通过连杆(20)与前后夹块相连。
6.根据权利要求5所述的刻字仪辅助移动小车,其特征是,所述前后夹块分别通过滑块与工作台上的直线导轨(21)滑动连接。
CN201921451357.6U 2019-09-03 2019-09-03 刻字仪辅助移动小车 Active CN210649053U (zh)

Priority Applications (1)

Application Number Priority Date Filing Date Title
CN201921451357.6U CN210649053U (zh) 2019-09-03 2019-09-03 刻字仪辅助移动小车

Applications Claiming Priority (1)

Application Number Priority Date Filing Date Title
CN201921451357.6U CN210649053U (zh) 2019-09-03 2019-09-03 刻字仪辅助移动小车

Publications (1)

Publication Number Publication Date
CN210649053U true CN210649053U (zh) 2020-06-02

Family

ID=70835361

Family Applications (1)

Application Number Title Priority Date Filing Date
CN201921451357.6U Active CN210649053U (zh) 2019-09-03 2019-09-03 刻字仪辅助移动小车

Country Status (1)

Country Link
CN (1) CN210649053U (zh)

Cited By (1)

* Cited by examiner, † Cited by third party
Publication number Priority date Publication date Assignee Title
CN114406457A (zh) * 2021-12-15 2022-04-29 上海米开罗那机电技术有限公司 一种可实现自动定位激光焊接装置

Cited By (1)

* Cited by examiner, † Cited by third party
Publication number Priority date Publication date Assignee Title
CN114406457A (zh) * 2021-12-15 2022-04-29 上海米开罗那机电技术有限公司 一种可实现自动定位激光焊接装置

Similar Documents

Publication Publication Date Title
CN209793070U (zh) 侧锁带旋转螺丝机
CN210649053U (zh) 刻字仪辅助移动小车
WO2017088088A1 (zh) 多工位数控木工车床
CN216228416U (zh) 一种工件双端面加工用磨床
CN207239200U (zh) 一种生产铝框木塑模板用铝型材冲孔装置
CN212917913U (zh) 一种铝模板刻痕机构
CN221185641U (zh) 一种方便固定异形件的新型铣床固定夹具
CN218396057U (zh) 一种可转动斜孔加工工装
CN220178655U (zh) 一种翻转挂载式机加工工装
CN216780574U (zh) 一种线切割设备大模板工装夹具
CN218592360U (zh) 一种便于调节夹持距离的多工位雕刻机
CN216066692U (zh) 一种造纸机辊子锥轴头磨削装置
CN215201185U (zh) 一种高效加工磨床
CN109014346B (zh) 一种车辆减震器支架钻模
CN219562150U (zh) 一种t型结构的机架
CN222094783U (zh) 一种金属加工件用的转孔机
CN111571098A (zh) 一种焊接生产用翻转式工作台
CN218111278U (zh) 一种石墨棒生产用雕铣机
CN222155893U (zh) 一种木工用改进型钻床
CN222133834U (zh) 一种用于激光打标设备的产品夹持工装
CN219881590U (zh) 激光机管材夹持装置
CN220463355U (zh) 一种精度高的模具生产打磨装置
CN218592285U (zh) 一种新型拉直器钻孔攻牙一体机
CN220838880U (zh) 一种汽车拔叉工件的一体加工设备
CN215357393U (zh) 一种缝纫机台板雕刻装置

Legal Events

Date Code Title Description
GR01 Patent grant
GR01 Patent grant