CN210647397U - 一种制片车间自动分条机吸尘装置 - Google Patents

一种制片车间自动分条机吸尘装置 Download PDF

Info

Publication number
CN210647397U
CN210647397U CN201921113618.3U CN201921113618U CN210647397U CN 210647397 U CN210647397 U CN 210647397U CN 201921113618 U CN201921113618 U CN 201921113618U CN 210647397 U CN210647397 U CN 210647397U
Authority
CN
China
Prior art keywords
dust
dust collection
channel
air box
cloth bag
Prior art date
Legal status (The legal status is an assumption and is not a legal conclusion. Google has not performed a legal analysis and makes no representation as to the accuracy of the status listed.)
Active
Application number
CN201921113618.3U
Other languages
English (en)
Inventor
邓敏
郭明铭
陈洲宇
Current Assignee (The listed assignees may be inaccurate. Google has not performed a legal analysis and makes no representation or warranty as to the accuracy of the list.)
Jiangxi Canhui New Energy Technology Co ltd
Original Assignee
Jiangxi Canhui New Energy Technology Co ltd
Priority date (The priority date is an assumption and is not a legal conclusion. Google has not performed a legal analysis and makes no representation as to the accuracy of the date listed.)
Filing date
Publication date
Application filed by Jiangxi Canhui New Energy Technology Co ltd filed Critical Jiangxi Canhui New Energy Technology Co ltd
Priority to CN201921113618.3U priority Critical patent/CN210647397U/zh
Application granted granted Critical
Publication of CN210647397U publication Critical patent/CN210647397U/zh
Active legal-status Critical Current
Anticipated expiration legal-status Critical

Links

Images

Landscapes

  • Filtering Of Dispersed Particles In Gases (AREA)

Abstract

本实用新型公开了一种制片车间自动分条机吸尘装置,包括第一单面吸尘装置和第二单面吸尘装置,所述第一单面吸尘装置的内侧面设有第一风箱,所述第一风箱的外侧面设有第一吸尘通道,所述第一吸尘通道和第一风箱的中间位置设有第一风道,且所述第一吸尘通道的端部设有第一集尘部,所述第一集尘部与所述第一吸尘通道连通,所述第一集尘部的内部设有第一布袋,所述第一布袋的一侧设有第一离心风机,具有能较彻底地去除极片表面浮粉,避免粉尘堆积在机台表面,易于清理机台卫生,车间密闭空间中粉尘减少,降低正负极粉交叉污染,将粉尘对人员健康的影响降到最低的优点。

Description

一种制片车间自动分条机吸尘装置
技术领域
本实用新型涉及吸尘装置技术领域,具体讲是一种制片车间自动分条机吸尘装置。
背景技术
目前极片分成小条后,经过上下相对的两排毛刷进行表面去除浮粉后予以收卷,转入自动制片,该方案的不足之处在于:首先极片表面浮粉去除不干净,经过毛刷后极片表面仍有部分浮粉存在;其次毛刷刷下来的浮粉在毛刷中及周边堆积残留,清理时需要将装置取下,难于清理;并且由于刷下的粉尘未得到收集,导致粉尘漂浮在空间中,易造成交叉污染,且对人员健康也有一定影响,存在待改进的方面。
实用新型内容
因此,为了解决上述不足,本实用新型在此提供一种制片车间自动分条机吸尘装置,具有能较彻底地去除极片表面浮粉,避免粉尘堆积在机台表面,易于清理机台卫生,车间密闭空间中粉尘减少,降低正负极粉交叉污染,将粉尘对人员健康的影响降到最低的优点。
本实用新型是这样实现的,构造一种制片车间自动分条机吸尘装置,包括第一单面吸尘装置和第二单面吸尘装置,所述第一单面吸尘装置的内侧面设有第一风箱,所述第一风箱的外侧面设有第一吸尘通道,所述第一吸尘通道和第一风箱的中间位置设有第一风道,且所述第一吸尘通道的端部设有第一集尘部,所述第一集尘部与所述第一吸尘通道连通,所述第一集尘部的内部设有第一布袋,所述第一布袋的一侧设有第一离心风机,所述第一离心风机与所述第一集尘部固定连接;所述第二单面吸尘装置设置于所述第一单面吸尘装置的邻侧,所述第二单面吸尘装置的内侧面设有第二风箱,所述第二风箱的外侧面设有第二吸尘通道,所述第二吸尘通道和第二风箱的中间位置设有第二风道,且所述第二吸尘通道的端部设有第二集尘部,所述第二集尘部与所述第二吸尘通道连通,所述第二集尘部的内部设有第二布袋,所述第二布袋的一侧设有第二离心风机,所述第二离心风机与所述第二集尘部固定连接。
进一步的,所述第一风箱和第二风箱的内侧面均覆盖有毛刷,当分条机正常开机出料传送时,第一单面吸尘装置和第二单面吸尘装置处于极片的两侧,由毛刷与极片接触,使极片上的浮粉掉落,同时由第一离心风机和第二离心风机分别经过第一吸尘通道和第二吸尘通道产生吸力,在第一风箱和第二风箱产生负压,此时极片两面掉落的浮粉在负压的作用下分别进入第一风箱和第二风箱,并通过第一风道和第二风道在第一布袋和第二布袋处进行收集,可以避免粉尘堆积在机台表面,易于清理机台卫生,同时使得车间密闭空间中粉尘减少,降低正负极粉交叉污染,将粉尘对人员健康的影响降到最低。
进一步的,所述第一单面吸尘装置和第二单面吸尘装置呈平行相对设置,通过设置的第一单面吸尘装置和第二单面吸尘装置在极片的两侧进行吸尘清理。
进一步的,所述第一风道和第二风道均具有多个,所述第一风道和第二风道均呈间隔排布,且所述第一风箱和第一吸尘通道均与所述第一风道连通,所述第二风箱和第二吸尘通道均与所述第二风道连通,通过设置的第一风道连通管第一风箱和第一吸尘通道,通过设置的第二风道连通第二风箱和第二吸尘通道。
进一步的,所述第一布袋和第二布袋的开口朝向分别向第一吸尘通道的内侧面和第二吸尘通道的内侧面布置,通过设置的第一布袋和第二布袋进行浮尘的收集。
本实用新型通过改进在此提供一种制片车间自动分条机吸尘装置,与现有制片车间自动分条机吸尘装置相比,具有如下优点:具有能较彻底地去除极片表面浮粉,避免粉尘堆积在机台表面,易于清理机台卫生,车间密闭空间中粉尘减少,降低正负极粉交叉污染,将粉尘对人员健康的影响降到最低的优点,具体体现为:
所述第一风箱和第二风箱的内侧面均覆盖有毛刷,当分条机正常开机出料传送时,第一单面吸尘装置和第二单面吸尘装置处于极片的两侧,由毛刷与极片接触,使极片上的浮粉掉落,同时由第一离心风机和第二离心风机分别经过第一吸尘通道和第二吸尘通道产生吸力,在第一风箱和第二风箱产生负压,此时极片两面掉落的浮粉在负压的作用下分别进入第一风箱和第二风箱,并通过第一风道和第二风道在第一布袋和第二布袋处进行收集,可以避免粉尘堆积在机台表面,易于清理机台卫生,同时使得车间密闭空间中粉尘减少,降低正负极粉交叉污染,将粉尘对人员健康的影响降到最低。
附图说明
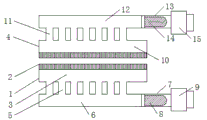
图1是本实用新型一种制片车间自动分条机吸尘装置结构示意图。
图中所示序号:第一单面吸尘装置1、毛刷2、第一风箱3、第二单面吸尘装置4、第一风道5、第一吸尘通道6、第一集尘部7、第一布袋8、第一离心风机9、第二风箱10、第二风道11、第二吸尘通道12、第二集尘部13、第二布袋14和第二离心风机15。
具体实施方式
下面将结合说明书附图对本实用新型进行详细说明,对本实用新型实施例中的技术方案进行清楚、完整地描述,显然,所描述的实施例仅仅是本实用新型一部分实施例,而不是全部的实施例。基于本实用新型中的实施例,本领域普通技术人员在没有做出创造性劳动前提下所获得的所有其他实施例,都属于本实用新型保护的范围;此外,术语“第一”、“第二”、“第三”“上、下、左、右”等仅用于描述目的,而不能理解为指示或暗示相对重要性。同时,在本实用新型的描述中,除非另有明确的规定和限定,术语“相连”、“连接”应做广义理解,例如,可以是固定连接,也可以是可拆卸连接,或一体地连接;可以是机械连接,也可以是电性连接;可以是直接相连,也可以通过中间媒介间接相连。对于本领域的普通技术人员而言,可以具体情况理解上述术语在本实用新型中的具体含义。
本实用新型通过改进在此提供一种制片车间自动分条机吸尘装置,如说明书附图所示,可以按照如下方式予以实施;包括第一单面吸尘装置1和第二单面吸尘装置4,所述第一单面吸尘装置1的内侧面设有第一风箱3,所述第一风箱3的外侧面设有第一吸尘通道6,所述第一吸尘通道6和第一风箱3的中间位置设有第一风道5,且所述第一吸尘通道6的端部设有第一集尘部7,所述第一集尘部7与所述第一吸尘通道6连通,所述第一集尘部7的内部设有第一布袋8,所述第一布袋8的一侧设有第一离心风机9,所述第一离心风机9与所述第一集尘部7固定连接;所述第二单面吸尘装置4设置于所述第一单面吸尘装置1的邻侧,所述第二单面吸尘装置4的内侧面设有第二风箱10,所述第二风箱10的外侧面设有第二吸尘通道12,所述第二吸尘通道12和第二风箱10的中间位置设有第二风道11,且所述第二吸尘通道12的端部设有第二集尘部13,所述第二集尘部13与所述第二吸尘通道12连通,所述第二集尘部13的内部设有第二布袋14,所述第二布袋14的一侧设有第二离心风机15,所述第二离心风机15与所述第二集尘部13固定连接。
进一步的,所述第一风箱3和第二风箱10的内侧面均覆盖有毛刷2,当分条机正常开机出料传送时,第一单面吸尘装置1和第二单面吸尘装置4处于极片的两侧,由毛刷2与极片接触,使极片上的浮粉掉落,同时由第一离心风机9和第二离心风机15分别经过第一吸尘通道6和第二吸尘通道12产生吸力,在第一风箱3和第二风箱10产生负压,此时极片两面掉落的浮粉在负压的作用下分别进入第一风箱3和第二风箱10,并通过第一风道5和第二风道11在第一布袋8和第二布袋14处进行收集,可以避免粉尘堆积在机台表面,易于清理机台卫生,同时使得车间密闭空间中粉尘减少,降低正负极粉交叉污染,将粉尘对人员健康的影响降到最低;所述第一单面吸尘装置1和第二单面吸尘装置4呈平行相对设置,通过设置的第一单面吸尘装置1和第二单面吸尘装置4在极片的两侧进行吸尘清理;所述第一风道5和第二风道11均具有多个,所述第一风道5和第二风道11均呈间隔排布,且所述第一风箱3和第一吸尘通道6均与所述第一风道5连通,所述第二风箱10和第二吸尘通道12均与所述第二风道11连通,通过设置的第一风道5连通管第一风箱3和第一吸尘通道6,通过设置的第二风道11连通第二风箱10和第二吸尘通道12;所述第一布袋8和第二布袋14的开口朝向分别向第一吸尘通道6的内侧面和第二吸尘通道12的内侧面布置,通过设置的第一布袋8和第二布袋14进行浮尘的收集。
该种制片车间自动分条机吸尘装置的工作原理:当分条机正常开机出料传送时,第一单面吸尘装置1和第二单面吸尘装置4处于极片的两侧,由毛刷2与极片接触,使极片上的浮粉掉落,同时由分别设置在第一吸尘通道6和第二吸尘通道12端口的第一离心风机9和第二离心风机15产生吸力,第一离心风机9和第二离心风机15选型根据实际成本以及生产线规模选用,在第一风箱3和第二风箱10产生负压,此时极片两面掉落的浮粉在负压的作用下随流动的空气分别进入第一风箱3和第二风箱10,并通过第一风道5和第二风道11在第一布袋8和第二布袋14处进行收集,第一布袋8和第二布袋14选用标准PPS布袋结构,由于第一离心风机9和第二离心风机15产生粉负压,使空气朝第一布袋8和第二布袋14单方向流通,避免了浮尘飞扬,可以减少粉尘堆积在机台表面,易于清理机台卫生,同时使得车间密闭空间中粉尘减少,降低正负极粉交叉污染,将粉尘对人员健康的影响降到最低。
综上所述;本实用新型所述制片车间自动分条机吸尘装置,与现有制片车间自动分条机吸尘装置相比,具有能较彻底地去除极片表面浮粉,避免粉尘堆积在机台表面,易于清理机台卫生,车间密闭空间中粉尘减少,降低正负极粉交叉污染,将粉尘对人员健康的影响降到最低的优点。
对所公开的实施例的上述说明,使本领域专业技术人员能够实现或使用本实用新型。对这些实施例的多种修改对本领域的专业技术人员来说将是显而易见的,本文中所定义的一般原理可以在不脱离本实用新型的精神或范围的情况下,在其它实施例中实现。因此,本实用新型将不会被限制于本文所示的这些实施例,而是要符合与本文所公开的原理和新颖特点相一致的最宽的范围。

Claims (5)

1.一种制片车间自动分条机吸尘装置,包括第一单面吸尘装置(1)和第二单面吸尘装置(4),其特征在于:所述第一单面吸尘装置(1)的内侧面设有第一风箱(3),所述第一风箱(3)的外侧面设有第一吸尘通道(6),所述第一吸尘通道(6)和第一风箱(3)的中间位置设有第一风道(5),且所述第一吸尘通道(6)的端部设有第一集尘部(7),所述第一集尘部(7)与所述第一吸尘通道(6)连通,所述第一集尘部(7)的内部设有第一布袋(8),所述第一布袋(8)的一侧设有第一离心风机(9),所述第一离心风机(9)与所述第一集尘部(7)固定连接;所述第二单面吸尘装置(4)设置于所述第一单面吸尘装置(1)的邻侧,所述第二单面吸尘装置(4)的内侧面设有第二风箱(10),所述第二风箱(10)的外侧面设有第二吸尘通道(12),所述第二吸尘通道(12)和第二风箱(10)的中间位置设有第二风道(11),且所述第二吸尘通道(12)的端部设有第二集尘部(13),所述第二集尘部(13)与所述第二吸尘通道(12)连通,所述第二集尘部(13)的内部设有第二布袋(14),所述第二布袋(14)的一侧设有第二离心风机(15),所述第二离心风机(15)与所述第二集尘部(13)固定连接。
2.根据权利要求1所述一种制片车间自动分条机吸尘装置,其特征在于:所述第一风箱(3)和第二风箱(10)的内侧面均覆盖有毛刷(2)。
3.根据权利要求1所述一种制片车间自动分条机吸尘装置,其特征在于:所述第一单面吸尘装置(1)和第二单面吸尘装置(4)呈平行相对设置。
4.根据权利要求1所述一种制片车间自动分条机吸尘装置,其特征在于:所述第一风道(5)和第二风道(11)均具有多个,所述第一风道(5)和第二风道(11)均呈间隔排布,且所述第一风箱(3)和第一吸尘通道(6)均与所述第一风道(5)连通,所述第二风箱(10)和第二吸尘通道(12)均与所述第二风道(11)连通。
5.根据权利要求1所述一种制片车间自动分条机吸尘装置,其特征在于:所述第一布袋(8)和第二布袋(14)的开口朝向分别向第一吸尘通道(6)的内侧面和第二吸尘通道(12)的内侧面布置。
CN201921113618.3U 2019-07-16 2019-07-16 一种制片车间自动分条机吸尘装置 Active CN210647397U (zh)

Priority Applications (1)

Application Number Priority Date Filing Date Title
CN201921113618.3U CN210647397U (zh) 2019-07-16 2019-07-16 一种制片车间自动分条机吸尘装置

Applications Claiming Priority (1)

Application Number Priority Date Filing Date Title
CN201921113618.3U CN210647397U (zh) 2019-07-16 2019-07-16 一种制片车间自动分条机吸尘装置

Publications (1)

Publication Number Publication Date
CN210647397U true CN210647397U (zh) 2020-06-02

Family

ID=70832864

Family Applications (1)

Application Number Title Priority Date Filing Date
CN201921113618.3U Active CN210647397U (zh) 2019-07-16 2019-07-16 一种制片车间自动分条机吸尘装置

Country Status (1)

Country Link
CN (1) CN210647397U (zh)

Cited By (1)

* Cited by examiner, † Cited by third party
Publication number Priority date Publication date Assignee Title
CN112337896A (zh) * 2020-07-04 2021-02-09 仙居县精鑫金属材料股份有限公司 一种纵剪机生产线钢带表面除尘装置

Cited By (2)

* Cited by examiner, † Cited by third party
Publication number Priority date Publication date Assignee Title
CN112337896A (zh) * 2020-07-04 2021-02-09 仙居县精鑫金属材料股份有限公司 一种纵剪机生产线钢带表面除尘装置
CN112337896B (zh) * 2020-07-04 2023-12-29 浙江精鑫金属材料股份有限公司 一种纵剪机生产线钢带表面除尘装置

Similar Documents

Publication Publication Date Title
CN212597827U (zh) 一种针织除尘装置
CN204866641U (zh) 一种纺织布料用的吸尘装置
CN102240654A (zh) 一种pcb板面清洁器及清洁方法
CN210647397U (zh) 一种制片车间自动分条机吸尘装置
CN102755140A (zh) 吸尘器的自动清洁过滤装置
CN204672593U (zh) 除尘盒子以及用于柱形电池上的除尘系统
CN108691037A (zh) 用于梳棉机的除尘装置
CN212597326U (zh) 双叠叠片机除尘装置
CN207430755U (zh) 一种画框用清理装置
CN201311950Y (zh) 一种自动电池极片刷片机
CN112775057A (zh) 一种高速纸张表面在线除尘装置
CN111822442A (zh) 一种离子风咀静电除尘装置
CN216936493U (zh) 一种新型电极结构静电过滤器
CN217807969U (zh) 一种自动络筒机排风装置
CN213503551U (zh) 一种精密光学元器件的无尘储存装置
CN214157202U (zh) 一种带有插拔式快速落灰积尘仓的吸尘器
CN209997799U (zh) 用于电除尘器的清灰装置
CN208808347U (zh) 一种用于粉尘车间地面清洁的除尘装置
CN208584608U (zh) 一种改善隔膜分切刀具使用寿命的装置
CN110449385A (zh) 一种自动吸尘装置
CN219923810U (zh) 一种极片辊压除尘的除尘罩结构
CN222999292U (zh) 极片除尘装置、设备及系统
CN223249540U (zh) 一种静电集尘板的粉尘收集器
CN208728088U (zh) 一种锂离子电池电极片的除尘装置
CN207772628U (zh) 一种绿色包装制品用印刷设备的自动除尘装置

Legal Events

Date Code Title Description
GR01 Patent grant
GR01 Patent grant
TR01 Transfer of patent right

Effective date of registration: 20241028

Address after: No. 39 Lianhua Avenue, Yangjiang Town, Guangchang County, Fuzhou City, Jiangxi Province 344900, China. Garage No. 7, Building 5, Hong Kong Garden

Patentee after: Fuzhou Jinbaihui Enterprise Service Co.,Ltd.

Country or region after: China

Address before: 344000 Guangchang County Industrial Park, Fuzhou, Jiangxi

Patentee before: JIANGXI CANHUI NEW ENERGY TECHNOLOGY CO.,LTD.

Country or region before: China

TR01 Transfer of patent right
TR01 Transfer of patent right

Effective date of registration: 20241125

Address after: 344900 Guangchang County Industrial Park, Fuzhou City, Jiangxi Province

Patentee after: JIANGXI CANHUI NEW ENERGY TECHNOLOGY CO.,LTD.

Country or region after: China

Address before: No. 39 Lianhua Avenue, Yangjiang Town, Guangchang County, Fuzhou City, Jiangxi Province 344900, China. Garage No. 7, Building 5, Hong Kong Garden

Patentee before: Fuzhou Jinbaihui Enterprise Service Co.,Ltd.

Country or region before: China

TR01 Transfer of patent right