CN210632873U - 一种自由锻造大直径环类扩孔用锻造装置 - Google Patents
一种自由锻造大直径环类扩孔用锻造装置 Download PDFInfo
- Publication number
- CN210632873U CN210632873U CN201921730987.7U CN201921730987U CN210632873U CN 210632873 U CN210632873 U CN 210632873U CN 201921730987 U CN201921730987 U CN 201921730987U CN 210632873 U CN210632873 U CN 210632873U
- Authority
- CN
- China
- Prior art keywords
- forging
- transmission case
- sliding block
- gear
- motor
- Prior art date
- Legal status (The legal status is an assumption and is not a legal conclusion. Google has not performed a legal analysis and makes no representation as to the accuracy of the status listed.)
- Expired - Fee Related
Links
- 238000005242 forging Methods 0.000 title claims abstract description 93
- 230000005540 biological transmission Effects 0.000 claims abstract description 43
- 239000000463 material Substances 0.000 claims abstract description 37
- 238000009434 installation Methods 0.000 claims abstract description 11
- 239000000956 alloy Substances 0.000 claims description 2
- 238000006049 ring expansion reaction Methods 0.000 claims 6
- 230000008878 coupling Effects 0.000 abstract description 4
- 238000010168 coupling process Methods 0.000 abstract description 4
- 238000005859 coupling reaction Methods 0.000 abstract description 4
- 238000007373 indentation Methods 0.000 abstract description 3
- 238000003825 pressing Methods 0.000 abstract description 3
- 238000010438 heat treatment Methods 0.000 description 4
- 238000004519 manufacturing process Methods 0.000 description 4
- 238000000034 method Methods 0.000 description 4
- 230000002349 favourable effect Effects 0.000 description 3
- 230000004048 modification Effects 0.000 description 2
- 238000012986 modification Methods 0.000 description 2
- 230000008569 process Effects 0.000 description 2
- 208000034656 Contusions Diseases 0.000 description 1
- 230000009286 beneficial effect Effects 0.000 description 1
- 208000034526 bruise Diseases 0.000 description 1
- 244000309464 bull Species 0.000 description 1
- 230000007547 defect Effects 0.000 description 1
- 230000000694 effects Effects 0.000 description 1
- 230000006872 improvement Effects 0.000 description 1
- 238000009776 industrial production Methods 0.000 description 1
- 239000002184 metal Substances 0.000 description 1
- 230000007306 turnover Effects 0.000 description 1
- 238000003466 welding Methods 0.000 description 1
Images
Classifications
-
- Y—GENERAL TAGGING OF NEW TECHNOLOGICAL DEVELOPMENTS; GENERAL TAGGING OF CROSS-SECTIONAL TECHNOLOGIES SPANNING OVER SEVERAL SECTIONS OF THE IPC; TECHNICAL SUBJECTS COVERED BY FORMER USPC CROSS-REFERENCE ART COLLECTIONS [XRACs] AND DIGESTS
- Y02—TECHNOLOGIES OR APPLICATIONS FOR MITIGATION OR ADAPTATION AGAINST CLIMATE CHANGE
- Y02P—CLIMATE CHANGE MITIGATION TECHNOLOGIES IN THE PRODUCTION OR PROCESSING OF GOODS
- Y02P70/00—Climate change mitigation technologies in the production process for final industrial or consumer products
- Y02P70/10—Greenhouse gas [GHG] capture, material saving, heat recovery or other energy efficient measures, e.g. motor control, characterised by manufacturing processes, e.g. for rolling metal or metal working
Landscapes
- Forging (AREA)
Abstract
本实用新型属于自由锻造大直径环类扩孔技术领域,尤其为一种自由锻造大直径环类扩孔用锻造装置,包括底座、传动箱一和传动箱二,底座的上端一侧安装有变频电机,变频电机与传动箱一之间设置有联轴器,传动箱一上端四个边角固定安装有支撑柱,支撑柱远离传动箱一的一端设置有工作台,且工作台上横向开设有安装腔,安装腔的内部设置有丝杆,丝杆上安装有螺纹连接的第一滑块和第二滑块。本实用新型,用锻料转盘代替人工转动安装工件的操作方式,并且利用变频电机为动力源,降低了操作者的劳动强度,节约了人力成本,提高了工作效率,降低锻料在进行加工夹紧固定时表面出现压痕的现象,运用丝杆和滑块的滑动,传动比大,易于控制。
Description
技术领域
本实用新型涉及自由锻造大直径环类扩孔技术领域,具体为一种自由锻造大直径环类扩孔用锻造装置。
背景技术
随着我国机械领域的飞速发展,对零件的强度等机械性能的要求也越来越高,锻造在工业生产中就显得日趋重要,其中,自由锻造作为一种重要的锻造方式被广泛应用在制造领域。自由锻造是利用冲击力或压力使金属在上下砧面间各个方向自由变形,不受任何限制而获得所需形状及尺寸和一定机械性能的锻件的一种加工方法,简称自由锻。自由锻造所用工具和设备简单,通用性好,成本低。同铸造毛坯相比,自由锻消除了缩孔、缩松、气孔等缺陷,使毛坯具有更高的力学性能,锻件形状简单,操作灵活。因此,它在重型机器及重要零件的制造上有特别重要的意义。现有的自由锻造装置存在以下问题:
1、现有的自由锻造设备一般是使用夹钳式操作机夹住锻件进行翻转和移动,锻件移动和转动不方便,夹钳式操作机要在普通工作台上夹住工件,翻转或移动后再放到普通工作台上,然后松开,使得工人的劳动强度非常高,生产效率较低,并且锻件的转动幅度都是靠工人的经验来掌握,容易发生锻后的锻件壁厚不均匀的情况;
2、现有的自由锻造设备工件每变换一次位置至少需要2分钟,而且开操作机的人要在这2分钟内一直离高温的工件较近,还要全神贯注操作,否则工件就会因没有加紧或翻转而掉到地面碰伤工件,导致工件报废或需要再次进入加热炉加热,存在一定的安全隐患。
实用新型内容
(一)解决的技术问题
针对现有技术的不足,本实用新型提供了一种自由锻造大直径环类扩孔用锻造装置,解决了现有的自由锻造设备一般是使用夹钳式操作机夹住锻件进行翻转和移动,锻件移动和转动不方便,生产效率较低,容易发生锻后的锻件壁厚不均匀的情况和工件就会因没有加紧或翻转而掉到地面碰伤工件,导致工件报废或需要再次进入加热炉加热,存在一定的安全隐患问题。
(二)技术方案
为实现上述目的,本实用新型提供如下技术方案:
一种自由锻造大直径环类扩孔用锻造装置,包括底座、传动箱一和传动箱二,所述底座的上端一侧安装有变频电机,所述变频电机与传动箱一之间设置有联轴器,所述传动箱一上端四个边角固定安装有支撑柱,所述支撑柱远离传动箱一的一端设置有工作台,且工作台上横向开设有安装腔,所述安装腔的内部设置有丝杆,所述丝杆上安装有螺纹连接的第一滑块和第二滑块,所述第一滑块和第二滑块的上表面均固定安装有连接杆,所述连接杆远离第一滑块的一端固定安装有夹头,所述工作台的上表面中心位置设置有锻料转盘,所述锻料转盘的下端转动连接有旋转轴,所述旋转轴贯穿工作台并延伸至传动箱二内。
作为本实用新型的一种优选技术方案,所述丝杆的两端均通过轴承与安装腔的内侧壁转动连接,所述第一滑块和第二滑块分别分布在丝杆的两侧。
作为本实用新型的一种优选技术方案,所述夹头夹持端的形状为圆弧形,且两个夹头的夹持方向相向设置。
作为本实用新型的一种优选技术方案,所述传动箱二包括电动机、第一皮带轮、传送带、传动轴、第二皮带轮和电机固定座组成,所述电动机通过螺栓固定安装在电机固定座的上表面,且电动机通过传动轴转动连接有第二皮带轮,所述第二皮带轮通过传送带与第一皮带轮转动连接,且第一皮带轮转动连接在丝杆的中心位置。
作为本实用新型的一种优选技术方案,所述传动箱一包括小锥齿轮、大锥齿轮、小齿轮、大齿轮和旋转轴,所述小锥齿轮的输入端通过轴承与联轴器转动连接,所述小锥齿轮与大锥齿轮啮合连接,且小齿轮与大齿轮啮合连接,所述旋转轴通过轴承与大齿轮的中心孔转动连接。
作为本实用新型的一种优选技术方案,所述第一滑块和第二滑块分别通过螺纹孔与丝杆螺纹连接,所述锻料转盘的材质为硬质合金材料。
作为本实用新型的一种优选技术方案,所述支撑柱的数量为四组,且四组支撑柱的上表面与工作台的下端外表面焊接固定。
(三)有益效果
与现有技术相比,本实用新型提供了一种自由锻造大直径环类扩孔用锻造装置,具备以下有益效果:
1、该自由锻造大直径环类扩孔用锻造装置,用锻料转盘代替人工转动安装工件的操作方式,并且利用变频电机为动力源,可以根据工件的大小,灵活设定锻料转盘旋转速度,实现变速旋转,转动的角速度选择范围大,降低了操作者的劳动强度,节约了人力成本,提高了工作效率;
2、该自由锻造大直径环类扩孔用锻造装置,两个夹头的夹持端为弧形,降低锻料在进行加工夹紧固定时表面出现压痕的现象,运用丝杆和滑块的滑动,传动比大,易于控制,更好的有利于夹头与锻料的配合。
附图说明
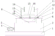
图1为本实用新型一种自由锻造大直径环类扩孔用锻造装置的整体结构示意图;
图2为本实用新型一种自由锻造大直径环类扩孔用锻造装置传动箱二内部结构示意图;
图3为本实用新型一种自由锻造大直径环类扩孔用锻造装置传动箱一内部结构示意图。
图中1、底座;2、传动箱一;201、小锥齿轮;202、大锥齿轮;203、小齿轮;204、大齿轮;3、传动箱二;4、变频电机;5、联轴器;6、支撑柱;7、工作台;8、旋转轴;9、安装腔;10、第一滑块;11、丝杆;12、第二滑块;13、连接杆;14、夹头;15、锻料转盘;16、第一皮带轮;17、传送带;18、第二皮带轮;19、传动轴;20、电机固定座;21、电动机。
具体实施方式
下面将结合本实用新型实施例中的附图,对本实用新型实施例中的技术方案进行清楚、完整地描述,显然,所描述的实施例仅仅是本实用新型一部分实施例,而不是全部的实施例。基于本实用新型中的实施例,本领域普通技术人员在没有做出创造性劳动前提下所获得的所有其他实施例,都属于本实用新型保护的范围。
请参阅图1-3,本实用新型提供以下技术方案:一种自由锻造大直径环类扩孔用锻造装置,包括底座1、传动箱一2和传动箱二3,底座1的上端一侧安装有变频电机4,变频电机4与传动箱一2之间设置有联轴器5,传动箱一2上端四个边角固定安装有支撑柱6,支撑柱6远离传动箱一2的一端设置有工作台7,且工作台7上横向开设有安装腔9,安装腔9的内部设置有丝杆11,丝杆11上安装有螺纹连接的第一滑块10和第二滑块12,第一滑块10和第二滑块12的上表面均固定安装有连接杆13,连接杆13远离第一滑块10的一端固定安装有夹头14,工作台7的上表面中心位置设置有锻料转盘15,锻料转盘15的下端转动连接有旋转轴8,旋转轴8贯穿工作台7并延伸至传动箱二3内。
本实施方案中,设置的变频电机4的型号为YVF-160L-4,利用变频电机4为动力源,可以根据工件的大小,灵活设定锻料转盘15旋转速度,实现变速旋转,转动的角速度选择范围大,锻料转盘15的使用范围也广;设置的第一滑块10和第二滑块12在传动箱二3的驱动下在丝杆11上相向滑动,便于夹头14对锻料进行固定,降低了劳动强度,提高工作效率;设置的支撑柱6提高了工作台7的稳定性。
具体的,丝杆11的两端均通过轴承与安装腔9的内侧壁转动连接,第一滑块10和第二滑块12分别分布在丝杆11的两侧。
本实施例中,通过电动机21带动丝杆11,从而第一滑块10和第二滑块12相向滑动,直到两个夹头14将锻料两侧壁进行固定,降低了劳动强度,提高工作效率,其中电动机21的型号为Y80M1-2。
具体的,夹头14夹持端的形状为圆弧形,且两个夹头14的夹持方向相向设置。
本实施例中,有利于让夹头14对锻料进行固定,易于控制,更好的有利于夹头14与锻料的配合,且降低锻料在进行加工夹紧固定时表面出现压痕的现象。
具体的,传动箱二3包括电动机21、第一皮带轮16、传送带17、传动轴19、第二皮带轮18和电机固定座20组成,电动机21通过螺栓固定安装在电机固定座20的上表面,且电动机21通过传动轴19转动连接有第二皮带轮18,第二皮带轮18通过传送带17与第一皮带轮16转动连接,且第一皮带轮16转动连接在丝杆11的中心位置。
本实施例中,通过电动机21带动第二皮带轮18的转动,从而通过传送带17将动力传到丝杆11上,带动其转动,而第一滑块10和第二滑块12相向滑动,直到两个夹头14将锻料两侧壁进行固定,降低了劳动强度,提高工作效率。
具体的,传动箱一2包括小锥齿轮201、大锥齿轮202、小齿轮203、大齿轮204和旋转轴8,小锥齿轮201的输入端通过轴承与联轴器5转动连接,小锥齿轮201与大锥齿轮202啮合连接,且小齿轮203与大齿轮204啮合连接,旋转轴8通过轴承与大齿轮204的中心孔转动连接。
本实施例中,通过设置的传动箱一2,在变频电机4的转动下,带动小锥齿轮201的转动,从而带动大锥齿轮202的转动,小齿轮203在转轴的带动下将啮合的大齿轮204跟着一起转动,最后通过大齿轮204的转动进一步带动旋转轴8上连接的锻料转盘15的转动,用锻料转盘15代替人工转动安装工件的操作方式,降低了操作者的劳动强度,节约了人力成本,提高了工作效率。
具体的,第一滑块10和第二滑块12分别通过螺纹孔与丝杆11螺纹连接,锻料转盘15的材质为硬质合金材料。
本实施例中,由于第一滑块10和第二滑块12的螺纹方向相反,从而第一滑块10和第二滑块12相向滑动,直到两个夹头14将锻料两侧壁进行夹紧固定,增加了锻造装置的灵活性。
具体的,支撑柱6的数量为四组,且四组支撑柱6的上表面与工作台7的下端外表面焊接固定。
本实施例中,支撑柱6的底面面积较大,通过焊接固定,使之与锻造装置连为一体,提高了工作台7的稳定性。
本实用新型的工作原理及使用流程:使用时,通过远程控制台的控制,启动电动机21带动第二皮带轮18的转动,从而通过传送带17将动力传到丝杆11上,带动其转动,而第一滑块10和第二滑块12相向滑动,直到两个夹头14将锻料两侧壁进行固定,这里当锻压机锤头上行到上限位时,变频电机4才具备启动条件,当锻压机锤头上行在锻料转盘15和上限位之间的任何位置,变频电机4不能启动;当变频电机4在运行过程中,此时在变频电机4的转动下,带动小锥齿轮201的转动,从而带动大锥齿轮202的转动,小齿轮203在转轴的带动下将啮合的大齿轮204跟着一起转动,最后通过大齿轮204的转动进一步带动旋转轴8上连接的锻料转盘15的转动,用锻料转盘15代替人工转动安装工件的操作方式,调整好锻料角度之后,再一次启动电动机21将锻料夹紧,关闭变频电机4和电动机21,对锻料进行初次锻压,如此往复,直到所有加工工序包括扩孔、锻压等全部完成,该装置降低了操作者的劳动强度,节约了人力成本,提高了工作效率。
最后应说明的是:以上所述仅为本实用新型的优选实施例而已,并不用于限制本实用新型,尽管参照前述实施例对本实用新型进行了详细的说明,对于本领域的技术人员来说,其依然可以对前述各实施例所记载的技术方案进行修改,或者对其中部分技术特征进行等同替换。凡在本实用新型的精神和原则之内,所作的任何修改、等同替换、改进等,均应包含在本实用新型的保护范围之内。
Claims (7)
1.一种自由锻造大直径环类扩孔用锻造装置,包括底座(1)、传动箱一(2)和传动箱二(3),其特征在于:所述底座(1)的上端一侧安装有变频电机(4),所述变频电机(4)与传动箱一(2)之间设置有联轴器(5),所述传动箱一(2)上端四个边角固定安装有支撑柱(6),所述支撑柱(6)远离传动箱一(2)的一端设置有工作台(7),且工作台(7)上横向开设有安装腔(9),所述安装腔(9)的内部设置有丝杆(11),所述丝杆(11)上安装有螺纹连接的第一滑块(10)和第二滑块(12),所述第一滑块(10)和第二滑块(12)的上表面均固定安装有连接杆(13),所述连接杆(13)远离第一滑块(10)的一端固定安装有夹头(14),所述工作台(7)的上表面中心位置设置有锻料转盘(15),所述锻料转盘(15)的下端转动连接有旋转轴(8),所述旋转轴(8)贯穿工作台(7)并延伸至传动箱二(3)内。
2.根据权利要求1所述的一种自由锻造大直径环类扩孔用锻造装置,其特征在于:所述丝杆(11)的两端均通过轴承与安装腔(9)的内侧壁转动连接,所述第一滑块(10)和第二滑块(12)分别分布在丝杆(11)的两侧。
3.根据权利要求1所述的一种自由锻造大直径环类扩孔用锻造装置,其特征在于:所述夹头(14)夹持端的形状为圆弧形,且两个夹头(14)的夹持方向相向设置。
4.根据权利要求1所述的一种自由锻造大直径环类扩孔用锻造装置,其特征在于:所述传动箱二(3)包括电动机(21)、第一皮带轮(16)、传送带(17)、传动轴(19)、第二皮带轮(18)和电机固定座(20)组成,所述电动机(21)通过螺栓固定安装在电机固定座(20)的上表面,且电动机(21)通过传动轴(19)转动连接有第二皮带轮(18),所述第二皮带轮(18)通过传送带(17)与第一皮带轮(16)转动连接,且第一皮带轮(16)转动连接在丝杆(11)的中心位置。
5.根据权利要求1所述的一种自由锻造大直径环类扩孔用锻造装置,其特征在于:所述传动箱一(2)包括小锥齿轮(201)、大锥齿轮(202)、小齿轮(203)、大齿轮(204)和旋转轴(8),所述小锥齿轮(201)的输入端通过轴承与联轴器(5)转动连接,所述小锥齿轮(201)与大锥齿轮(202)啮合连接,且小齿轮(203)与大齿轮(204)啮合连接,所述旋转轴(8)通过轴承与大齿轮(204)的中心孔转动连接。
6.根据权利要求1所述的一种自由锻造大直径环类扩孔用锻造装置,其特征在于:所述第一滑块(10)和第二滑块(12)分别通过螺纹孔与丝杆(11)螺纹连接,所述锻料转盘(15)的材质为硬质合金材料。
7.根据权利要求1所述的一种自由锻造大直径环类扩孔用锻造装置,其特征在于:所述支撑柱(6)的数量为四组,且四组支撑柱(6)的上表面与工作台(7)的下端外表面焊接固定。
Priority Applications (1)
| Application Number | Priority Date | Filing Date | Title |
|---|---|---|---|
| CN201921730987.7U CN210632873U (zh) | 2019-10-16 | 2019-10-16 | 一种自由锻造大直径环类扩孔用锻造装置 |
Applications Claiming Priority (1)
| Application Number | Priority Date | Filing Date | Title |
|---|---|---|---|
| CN201921730987.7U CN210632873U (zh) | 2019-10-16 | 2019-10-16 | 一种自由锻造大直径环类扩孔用锻造装置 |
Publications (1)
| Publication Number | Publication Date |
|---|---|
| CN210632873U true CN210632873U (zh) | 2020-05-29 |
Family
ID=70793990
Family Applications (1)
| Application Number | Title | Priority Date | Filing Date |
|---|---|---|---|
| CN201921730987.7U Expired - Fee Related CN210632873U (zh) | 2019-10-16 | 2019-10-16 | 一种自由锻造大直径环类扩孔用锻造装置 |
Country Status (1)
| Country | Link |
|---|---|
| CN (1) | CN210632873U (zh) |
Cited By (3)
| Publication number | Priority date | Publication date | Assignee | Title |
|---|---|---|---|---|
| CN111633169A (zh) * | 2020-06-04 | 2020-09-08 | 马鞍山市福德机械制造有限公司 | 一种凹槽环模压槽锻造工艺 |
| CN112475190A (zh) * | 2020-09-29 | 2021-03-12 | 冯建华 | 一种节能环保的便携式马蹄铁锻造夹持装置 |
| CN112475171A (zh) * | 2020-11-09 | 2021-03-12 | 谢娟 | 一种新型自动化锻造成型装置 |
-
2019
- 2019-10-16 CN CN201921730987.7U patent/CN210632873U/zh not_active Expired - Fee Related
Cited By (3)
| Publication number | Priority date | Publication date | Assignee | Title |
|---|---|---|---|---|
| CN111633169A (zh) * | 2020-06-04 | 2020-09-08 | 马鞍山市福德机械制造有限公司 | 一种凹槽环模压槽锻造工艺 |
| CN112475190A (zh) * | 2020-09-29 | 2021-03-12 | 冯建华 | 一种节能环保的便携式马蹄铁锻造夹持装置 |
| CN112475171A (zh) * | 2020-11-09 | 2021-03-12 | 谢娟 | 一种新型自动化锻造成型装置 |
Similar Documents
| Publication | Publication Date | Title |
|---|---|---|
| CN210632873U (zh) | 一种自由锻造大直径环类扩孔用锻造装置 | |
| CN104942508A (zh) | 一种升降机械工作台 | |
| CN220839173U (zh) | 一种钢管坡口成型装置 | |
| CN212239744U (zh) | 一种电气工程加工用的多角度旋转焊接机 | |
| CN211680732U (zh) | 一种可变位的夹紧装置 | |
| CN203184805U (zh) | 电动汽车水冷机座的环焊缝自动焊接工装 | |
| CN213438073U (zh) | 一种机械工件多工位焊接装置 | |
| CN208033981U (zh) | 一种千斤顶专用焊机 | |
| CN220029242U (zh) | 一种自动化焊接工装 | |
| CN116765726B (zh) | 一种自动化焊接装置及其方法 | |
| CN217167133U (zh) | 一种回转工件自动焊接装置 | |
| CN115178698B (zh) | 一种锻件锻造用成型设备及其锻造工艺 | |
| CN215091607U (zh) | 一种法兰拼接式焊接工装 | |
| CN216326037U (zh) | 双工位电机散热片自动焊接载台及散热片自动焊接装置 | |
| CN215748746U (zh) | 一种用于精密模具加工用多工位夹具 | |
| CN115771030A (zh) | 用于外转子铸铝产品的六轴式八工位序列加工机 | |
| CN211465604U (zh) | 一种数控加工中心用板件气动夹具 | |
| CN203018972U (zh) | 挖掘机下车架焊接反变形装置 | |
| CN211588634U (zh) | 一种水泵电机端盖圆周面钻孔用钻模的工装 | |
| CN219752367U (zh) | 一种高频淬火机床自动转盘 | |
| CN113510258A (zh) | 一种用于内壁径向孔的连续定位钻孔方法 | |
| CN222873563U (zh) | 一种碰焊铝螺母自动加工设备 | |
| CN216680687U (zh) | 汽车减震器异型杆摩擦焊定位工装 | |
| CN219542200U (zh) | 一种拉环焊接机 | |
| CN114453601B (zh) | 一种可调节曲轮加工刀具 |
Legal Events
| Date | Code | Title | Description |
|---|---|---|---|
| GR01 | Patent grant | ||
| GR01 | Patent grant | ||
| PE01 | Entry into force of the registration of the contract for pledge of patent right | ||
| PE01 | Entry into force of the registration of the contract for pledge of patent right |
Denomination of utility model: A forging device for free forging large diameter ring reaming Effective date of registration: 20210402 Granted publication date: 20200529 Pledgee: Bank of China Limited Wenshang sub branch Pledgor: Jining Yonghao Machinery Co.,Ltd. Registration number: Y2021980002399 |
|
| CF01 | Termination of patent right due to non-payment of annual fee | ||
| CF01 | Termination of patent right due to non-payment of annual fee |
Granted publication date: 20200529 |