CN210608031U - 一种户外安全型电气控制装置 - Google Patents
一种户外安全型电气控制装置 Download PDFInfo
- Publication number
- CN210608031U CN210608031U CN201921192888.8U CN201921192888U CN210608031U CN 210608031 U CN210608031 U CN 210608031U CN 201921192888 U CN201921192888 U CN 201921192888U CN 210608031 U CN210608031 U CN 210608031U
- Authority
- CN
- China
- Prior art keywords
- screw
- control device
- electrical control
- casing
- limiting
- Prior art date
- Legal status (The legal status is an assumption and is not a legal conclusion. Google has not performed a legal analysis and makes no representation as to the accuracy of the status listed.)
- Expired - Fee Related
Links
- 230000003139 buffering effect Effects 0.000 claims abstract description 17
- 239000000428 dust Substances 0.000 claims description 26
- 230000017525 heat dissipation Effects 0.000 claims description 5
- 238000007599 discharging Methods 0.000 claims description 3
- 238000012423 maintenance Methods 0.000 abstract description 5
- 230000000694 effects Effects 0.000 abstract description 4
- 238000009421 internal insulation Methods 0.000 description 5
- 239000012717 electrostatic precipitator Substances 0.000 description 4
- 230000002035 prolonged effect Effects 0.000 description 3
- 238000009434 installation Methods 0.000 description 2
- 230000009286 beneficial effect Effects 0.000 description 1
- 230000002146 bilateral effect Effects 0.000 description 1
- 230000008878 coupling Effects 0.000 description 1
- 238000010168 coupling process Methods 0.000 description 1
- 238000005859 coupling reaction Methods 0.000 description 1
- 238000010586 diagram Methods 0.000 description 1
- 238000009429 electrical wiring Methods 0.000 description 1
- 238000005516 engineering process Methods 0.000 description 1
- 230000007613 environmental effect Effects 0.000 description 1
- 239000002184 metal Substances 0.000 description 1
- 230000001681 protective effect Effects 0.000 description 1
Images
Landscapes
- Casings For Electric Apparatus (AREA)
Abstract
本实用新型公开了一种户外安全型电气控制装置,属于电气控制装置技术领域,解决了现有装置电气控制元件维修不便的问题;其技术特征是:包括壳体和限位框,所述壳体的内部设有内腔,内腔内设有内绝缘罩,壳体的底部安装有多个用于支撑壳体的支撑腿,其特征在于,内绝缘罩内安装有电气元件安装板,电气元件安装板的两侧设有用于对电气元件安装板限位的限位框,电气元件安装板和限位框滑动连接,电气元件安装板的左侧还设有用于调节电气元件安装板位置的位置调节组件;所述支撑组件的设置能够实现对壳体的稳固支撑,同时还能够起到缓冲保护壳体的作用,同时本实用新型维修方便,操作简单,利于推广使用。
Description
技术领域
本实用新型涉及电气控制装置技术领域,尤其涉及一种户外安全型电气控制装置。
背景技术
配电箱是数据上的海量参数,一般是构成低压林按电气接线,要求将开关设备、测量仪表、保护电器和辅助设备组装在封闭或半封闭金属柜中或屏幅上,构成低压配电箱。正常运行时可借助手动或自动开关接通或分断电路,配电箱具有体积小、安装简便,技术性能特殊、位置固定,配置功能独特、不受场地限制,应用比较普遍,操作稳定可靠,空间利用率高,占地少且具有环保效应的特点。
中国专利CN208285703U公开了一种耐用的电气智能用电气控制装置,涉及电气技术领域。该耐用的电气智能用电气控制装置,包括柜体,所述柜体的正面通过销轴铰接有柜门,柜体的内壁顶部固定连接有第一支撑架,第一支撑架的内壁固定连接有电机,电机的输出端通过联轴器固定连接有转轴,柜体的上表面开设有出风孔。该耐用的电气智能用电气控制装置,当风力感应器感应到进气口风力减小时,通过控制器打开电动推杆,使第二毛刷上下移动对第二过滤板进行清理,防止第二过滤板堵塞;但是该装置电气控制元件维修不便,当控制元件出现损坏时,维修人员检修很困难,因此,我们提出一种户外安全型电气控制装置。
实用新型内容
本实用新型的目的在于提供一种户外安全型电气控制装置,包括壳体和限位框,所述壳体的内部设有内腔,内腔内设有内绝缘罩,壳体的底部安装有多个用于支撑壳体的支撑腿,其特征在于,内绝缘罩内安装有电气元件安装板,电气元件安装板的两侧设有用于对电气元件安装板限位的限位框,电气元件安装板和限位框滑动连接,电气元件安装板的左侧还设有用于调节电气元件安装板位置的位置调节组件,以解决现有装置电气控制元件维修不便的问题。
为实现上述目的,本实用新型提供如下技术方案:
一种户外安全型电气控制装置,包括壳体和限位框,所述壳体的内部设有内腔,内腔内设有内绝缘罩,壳体的底部安装有多个用于支撑壳体的支撑腿,其特征在于,内绝缘罩内安装有电气元件安装板,电气元件安装板的两侧设有用于对电气元件安装板限位的限位框,电气元件安装板和限位框滑动连接,电气元件安装板的左侧还设有用于调节电气元件安装板位置的位置调节组件。
作为本实用新型进一步的方案:壳体的顶部设有遮雨板,壳体的侧壁开设有用于散热的散热口,位置调节组件包括第一螺杆、调节螺母和螺纹块,所述第一螺杆的底部与左侧所述的限位框转动连接,第一螺杆的顶部贯穿左侧所述的限位框,并且延伸至左侧所述的限位框正上方,第一螺杆上套设有螺纹块,第一螺杆和螺纹块之间通过螺纹连接,所述螺纹块通过螺栓与电气元件安装板固定连接,第一螺杆的上端固定安装有调节螺母。
作为本实用新型再进一步的方案:所述内绝缘罩的底部设有用于除尘的除尘组件,除尘组件包括静电除尘网和蓄电池,静电除尘网固定安装在内绝缘罩的底表面,且静电除尘网通过导线与蓄电池连接,静电除尘网的正下方设有用于排出灰尘的除尘口。
作为本实用新型再进一步的方案:内腔的底部设有用于缓冲保护内绝缘罩的缓冲组件,所述缓冲组件包括限位杆安装座、限位杆、滑块和缓冲弹簧,所述限位杆安装座固定安装于壳体的底部,限位杆安装座上安装有限位杆,限位杆远离限位杆安装座的一端铰接有滑块,滑块和内绝缘罩之间通过铰接杆连接,所述滑块的下方设有缓冲弹簧,缓冲弹簧套设于缓冲弹簧安装杆上。
作为本实用新型再进一步的方案:内腔的底部还设有用于对缓冲组件限位的立柱,立柱的底部固定于壳体上,立柱和缓冲组件滑动连接。
作为本实用新型再进一步的方案:所述支撑腿内设有支撑组件,支撑组件包括内螺纹套筒、第二螺杆、连接杆和螺钉,所述内螺纹套筒的上端与壳体固定连接,内螺纹套筒的底部螺纹连接有第二螺杆,第二螺杆的下端固定连接有连接杆,连接杆的两侧对称设有用于固定连接杆的螺钉,螺钉与连接杆之间通过螺纹连接,支撑腿的底部设有用于对螺钉限位的插槽,插槽内设有内螺纹,螺钉的底部延伸至插槽内。
综上所述,本实用新型的有益效果是:所述支撑组件的设置能够实现对壳体的稳固支撑,同时还能够起到缓冲保护壳体的作用,进而实现了对电气元件的多级缓冲保护,延长了电气元件的使用寿命,所述缓冲组件的设置实现了对内绝缘罩缓冲保护,避免电气元件在受到外力冲击时出现断裂的情况,降低了电气元件的损坏率,同时本实用新型维修方便,操作简单,利于推广使用。
附图说明
图1为实用新型的结构示意图。
图2为实用新型的剖视图。
图3为实用新型中限位框的结构示意图。
图4为实用新型中缓冲组件的结构示意图。
图5为实用新型中支撑组件的结构示意图。
图6为实用新型中支撑腿的结构示意图。
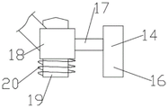
图中:1-壳体、2-支撑腿、3-内腔、4-遮雨板、5-散热口、6-限位框、7-第一螺杆、8-调节螺母、9-螺纹块、10-电气元件安装板、11-内绝缘罩、12-静电除尘网、13-除尘口、14-缓冲组件、15-立柱、16-限位杆安装座、17-限位杆、18-滑块、19-缓冲弹簧安装杆、20-缓冲弹簧、21-铰接杆、22-内螺纹套筒、23-第二螺杆、24-连接杆、25-螺钉。
具体实施方式
下面将结合本实用新型实施例中的附图,对本实用新型实施例中的技术方案进行清楚、完整地描述,显然,所描述的实施例仅仅是本实用新型一部分实施例,而不是全部的实施例。基于本实用新型中的实施例,本领域普通技术人员在没有做出创造性劳动前提下所获得的所有其他实施例,都属于本实用新型保护的范围。
实施例1
如图1~3所示,本实用新型实施例中,一种户外安全型电气控制装置,包括壳体1和限位框6,所述壳体1的内部设有内腔3,内腔3内设有内绝缘罩11,壳体1的底部安装有多个用于支撑壳体1的支撑腿2,壳体1的顶部设有遮雨板4,壳体1的侧壁开设有用于散热的散热口5,内绝缘罩11内安装有电气元件安装板10,电气元件安装板10的两侧设有用于对电气元件安装板10限位的限位框6,电气元件安装板10和限位框6滑动连接,电气元件安装板10的左侧还设有用于调节电气元件安装板10位置的位置调节组件;
位置调节组件包括第一螺杆7、调节螺母8和螺纹块9,所述第一螺杆7的底部与左侧所述的限位框6转动连接,第一螺杆7的顶部贯穿左侧所述的限位框6,并且延伸至左侧所述的限位框6正上方,第一螺杆7上套设有螺纹块9,第一螺杆7和螺纹块9之间通过螺纹连接,所述螺纹块9通过螺栓与电气元件安装板10固定连接,第一螺杆7的上端固定安装有调节螺母8,需要调节电气元件安装板10的高度时,转动调节螺母8,调节螺母8带动第一螺杆7转动,从而使得第一螺杆7带动螺纹块9上下移动,从而实现了对电气元件安装板10高度的调节;
所述内绝缘罩11的底部设有用于除尘的除尘组件,除尘组件包括静电除尘网12和蓄电池,静电除尘网12固定安装在内绝缘罩11的底表面,且静电除尘网12通过导线与蓄电池连接,静电除尘网12的正下方设有用于排出灰尘的除尘口13,所述除尘组件的设置能够保证内绝缘罩11的洁净,避免灰尘吸附在电气元件上,进而污染电气元件。
实施例2
如图1~6所示,本实用新型实施例中,一种户外安全型电气控制装置,包括壳体1和限位框6,所述壳体1的内部设有内腔3,内腔3内设有内绝缘罩11,壳体1的底部安装有多个用于支撑壳体1的支撑腿2,壳体1的顶部设有遮雨板4,壳体1的侧壁开设有用于散热的散热口5,内绝缘罩11内安装有电气元件安装板10,电气元件安装板10的两侧设有用于对电气元件安装板10限位的限位框6,电气元件安装板10和限位框6滑动连接,电气元件安装板10的左侧还设有用于调节电气元件安装板10位置的位置调节组件;
位置调节组件包括第一螺杆7、调节螺母8和螺纹块9,所述第一螺杆7的底部与左侧所述的限位框6转动连接,第一螺杆7的顶部贯穿左侧所述的限位框6,并且延伸至左侧所述的限位框6正上方,第一螺杆7上套设有螺纹块9,第一螺杆7和螺纹块9之间通过螺纹连接,所述螺纹块9通过螺栓与电气元件安装板10固定连接,第一螺杆7的上端固定安装有调节螺母8,需要调节电气元件安装板10的高度时,转动调节螺母8,调节螺母8带动第一螺杆7转动,从而使得第一螺杆7带动螺纹块9上下移动,从而实现了对电气元件安装板10高度的调节;
内腔3的底部设有用于缓冲保护内绝缘罩11的缓冲组件14,所述缓冲组件14包括限位杆安装座16、限位杆17、滑块18和缓冲弹簧20,所述限位杆安装座16固定安装于壳体1的底部,限位杆安装座16上安装有限位杆17,限位杆17远离限位杆安装座16的一端铰接有滑块18,滑块18和内绝缘罩11之间通过铰接杆21连接,所述滑块18的下方设有缓冲弹簧20,缓冲弹簧20套设于缓冲弹簧安装杆19上,所述缓冲组件14的设置实现了对内绝缘罩11缓冲保护,避免电气元件在受到外力冲击时出现断裂的情况,降低了电气元件的损坏率;
内腔3的底部还设有用于对缓冲组件14限位的立柱15,立柱15的底部固定于壳体1上,立柱15和缓冲组件14滑动连接。
所述支撑腿2内设有支撑组件,支撑组件包括内螺纹套筒22、第二螺杆23、连接杆24和螺钉25,所述内螺纹套筒22的上端与壳体1固定连接,内螺纹套筒22的底部螺纹连接有第二螺杆23,内螺纹套筒22和第二螺杆23之间配合工作能够保证对壳体1的支撑,还能够起到缓冲保护的作用,同时第二螺杆23的下端固定连接有连接杆24,连接杆24的两侧对称设有用于固定连接杆24的螺钉25,螺钉25与连接杆24之间通过螺纹连接,且支撑腿2的底部设有用于对螺钉25限位的插槽,插槽内设有内螺纹,螺钉25的底部延伸至插槽内;
所述支撑组件的设置能够实现对壳体1的稳固支撑,同时还能够起到缓冲保护壳体1的作用,进而实现了对电气元件的多级缓冲保护,延长了电气元件的使用寿命。
综上所述,本实用新型的工作原理是:需要调节电气元件安装板10的高度时,转动调节螺母8,调节螺母8带动第一螺杆7转动,从而使得第一螺杆7带动螺纹块9上下移动,从而实现了对电气元件安装板10高度的调节;所述缓冲组件14的设置实现了对内绝缘罩11缓冲保护,避免电气元件在受到外力冲击时出现断裂的情况,降低了电气元件的损坏率。
所述支撑组件的设置能够实现对壳体1的稳固支撑,同时还能够起到缓冲保护壳体1的作用,进而实现了对电气元件的多级缓冲保护,延长了电气元件的使用寿命,所述缓冲组件14的设置实现了对内绝缘罩11缓冲保护,避免电气元件在受到外力冲击时出现断裂的情况,降低了电气元件的损坏率,同时本实用新型维修方便,操作简单,利于推广使用。
对于本领域技术人员而言,显然本实用新型不限于上述示范性实施例的细节,而且在不背离本实用新型的精神或基本特征的情况下,能够以其他的具体形式实现本实用新型。因此,无论从哪一点来看,均应将实施例看作是示范性的,而且是非限制性的,本实用新型的范围由所附权利要求而不是上述说明限定,因此旨在将落在权利要求的等同要件的含义和范围内的所有变化囊括在本实用新型内。不应将权利要求中的任何附图标记视为限制所涉及的权利要求。
在本实用新型的描述中,需要理解的是,术语“中心”、“纵向”、“横向”、“上”、“下”、“前”、“后”、“左”、“右”、“竖直”、“水平”、“顶”、“底”、“内”、“外”等指示的方位或位置关系为基于附图所示的方位或位置关系,仅是为了便于描述本实用新型创造和简化描述,而不是指示或暗示所指的装置或元件必须具有特定的方位、以特定的方位构造和操作,因此不能理解为对本实用新型的限制。此外,术语“第一”、“第二”等仅用于描述目的,而不能理解为指示或暗示相对重要性或者隐含指明所指示的技术特征的数量。由此,限定有“第一”、“第二”等的特征可以明示或者隐含地包括一个或者更多个该特征。在本实用新型的描述中,除非另有说明,“多个”的含义是两个或两个以上。
此外,应当理解,虽然本说明书按照实施方式加以描述,但并非每个实施方式仅包含一个独立的技术方案,说明书的这种叙述方式仅仅是为清楚起见,本领域技术人员应当将说明书作为一个整体,各实施例中的技术方案也可以经适当组合,形成本领域技术人员可以理解的其他实施方式。
Claims (9)
1.一种户外安全型电气控制装置,包括壳体(1)和限位框(6),所述壳体(1)的内部设有内腔(3),内腔(3)内设有内绝缘罩(11),壳体(1)的底部安装有多个用于支撑壳体(1)的支撑腿(2),其特征在于,内绝缘罩(11)内安装有电气元件安装板(10),电气元件安装板(10)的两侧设有用于对电气元件安装板(10)限位的限位框(6),电气元件安装板(10)和限位框(6)滑动连接,电气元件安装板(10)的左侧还设有用于调节电气元件安装板(10)位置的位置调节组件。
2.根据权利要求1所述的户外安全型电气控制装置,其特征在于,壳体(1)的顶部设有遮雨板(4),壳体(1)的侧壁开设有用于散热的散热口(5)。
3.根据权利要求2所述的户外安全型电气控制装置,其特征在于,位置调节组件包括第一螺杆(7)、调节螺母(8)和螺纹块(9),所述第一螺杆(7)的底部与左侧所述的限位框(6)转动连接,第一螺杆(7)的顶部贯穿左侧所述的限位框(6),并且延伸至左侧所述的限位框(6)正上方,第一螺杆(7)上套设有螺纹块(9),第一螺杆(7)和螺纹块(9)之间通过螺纹连接,所述螺纹块(9)通过螺栓与电气元件安装板(10)固定连接,第一螺杆(7)的上端固定安装有调节螺母(8)。
4.根据权利要求1-3任一所述的户外安全型电气控制装置,其特征在于,所述内绝缘罩(11)的底部设有用于除尘的除尘组件,除尘组件包括静电除尘网(12)和蓄电池,静电除尘网(12)固定安装在内绝缘罩(11)的底表面,且静电除尘网(12)通过导线与蓄电池连接。
5.根据权利要求1所述的户外安全型电气控制装置,其特征在于,内腔(3)的底部设有用于缓冲保护内绝缘罩(11)的缓冲组件(14),所述缓冲组件(14)包括限位杆安装座(16)、限位杆(17)、滑块(18)和缓冲弹簧(20),所述限位杆安装座(16)固定安装于壳体(1)的底部,限位杆安装座(16)上安装有限位杆(17),限位杆(17)远离限位杆安装座(16)的一端铰接有滑块(18),滑块(18)和内绝缘罩(11)之间通过铰接杆(21)连接,所述滑块(18)的下方设有缓冲弹簧(20),缓冲弹簧(20)套设于缓冲弹簧安装杆(19)上。
6.根据权利要求5所述的户外安全型电气控制装置,其特征在于,内腔(3)的底部还设有用于对缓冲组件(14)限位的立柱(15),立柱(15)的底部固定于壳体(1)上,立柱(15)和缓冲组件(14)滑动连接。
7.根据权利要求1-3任一所述的户外安全型电气控制装置,其特征在于,所述支撑腿(2)内设有支撑组件,支撑组件包括内螺纹套筒(22)、第二螺杆(23)、连接杆(24)和螺钉(25),所述内螺纹套筒(22)的上端与壳体(1)固定连接,内螺纹套筒(22)的底部螺纹连接有第二螺杆(23),第二螺杆(23)的下端固定连接有连接杆(24),连接杆(24)的两侧对称设有用于固定连接杆(24)的螺钉(25),螺钉(25)与连接杆(24)之间通过螺纹连接。
8.根据权利要求7所述的户外安全型电气控制装置,其特征在于,支撑腿(2)的底部设有用于对螺钉(25)限位的插槽,插槽内设有内螺纹,螺钉(25)的底部延伸至插槽内。
9.根据权利要求4所述的户外安全型电气控制装置,其特征在于,静电除尘网(12)的正下方设有用于排出灰尘的除尘口(13)。
Priority Applications (1)
| Application Number | Priority Date | Filing Date | Title |
|---|---|---|---|
| CN201921192888.8U CN210608031U (zh) | 2019-07-26 | 2019-07-26 | 一种户外安全型电气控制装置 |
Applications Claiming Priority (1)
| Application Number | Priority Date | Filing Date | Title |
|---|---|---|---|
| CN201921192888.8U CN210608031U (zh) | 2019-07-26 | 2019-07-26 | 一种户外安全型电气控制装置 |
Publications (1)
| Publication Number | Publication Date |
|---|---|
| CN210608031U true CN210608031U (zh) | 2020-05-22 |
Family
ID=70696423
Family Applications (1)
| Application Number | Title | Priority Date | Filing Date |
|---|---|---|---|
| CN201921192888.8U Expired - Fee Related CN210608031U (zh) | 2019-07-26 | 2019-07-26 | 一种户外安全型电气控制装置 |
Country Status (1)
| Country | Link |
|---|---|
| CN (1) | CN210608031U (zh) |
Cited By (1)
| Publication number | Priority date | Publication date | Assignee | Title |
|---|---|---|---|---|
| CN113131270A (zh) * | 2021-04-14 | 2021-07-16 | 广州宝狮新能源有限公司 | 一种电话通信配线设备的调整工具 |
-
2019
- 2019-07-26 CN CN201921192888.8U patent/CN210608031U/zh not_active Expired - Fee Related
Cited By (2)
| Publication number | Priority date | Publication date | Assignee | Title |
|---|---|---|---|---|
| CN113131270A (zh) * | 2021-04-14 | 2021-07-16 | 广州宝狮新能源有限公司 | 一种电话通信配线设备的调整工具 |
| CN113131270B (zh) * | 2021-04-14 | 2022-06-24 | 广州宝狮新能源有限公司 | 一种电话通信配线设备的调整工具 |
Similar Documents
| Publication | Publication Date | Title |
|---|---|---|
| CN210608031U (zh) | 一种户外安全型电气控制装置 | |
| CN208623132U (zh) | 一种具有散热防尘的高压开关控制柜 | |
| CN210350557U (zh) | 一种可防尘散热的电力柜 | |
| CN212258011U (zh) | 配电柜的防尘除湿设备 | |
| CN215934124U (zh) | 一种基于互联网远程控制的配电柜 | |
| CN211958427U (zh) | 一种防水且散热良好的配电箱 | |
| CN214849724U (zh) | 一种电气操作控制柜 | |
| CN216251745U (zh) | 一种使用安全的节能配电箱 | |
| CN211958294U (zh) | 一种具有除尘和散热的电力柜 | |
| CN215345305U (zh) | 一种绝缘效果好的电气控制柜 | |
| CN111628425B (zh) | 一种组装式多功能低压配电箱 | |
| CN214478844U (zh) | 一种机电工程用控制柜 | |
| CN214543201U (zh) | 一种挂式配电箱的散热装置 | |
| CN217545325U (zh) | 一种便于降温散热的多功能智能配电箱 | |
| CN209948442U (zh) | 一种户外配变低压保护开关箱 | |
| CN219864558U (zh) | 配电箱用落锁机构 | |
| CN214958263U (zh) | 一种具有液冷散热功能的电气控制柜 | |
| CN220755192U (zh) | 一种储能机柜 | |
| CN221353605U (zh) | 一种插座式配电箱 | |
| CN112615283A (zh) | 一种使用安全的节能配电箱 | |
| CN215267122U (zh) | 一种低压电气设备控制柜 | |
| CN221947623U (zh) | 一种防尘除湿配电箱 | |
| CN213753627U (zh) | 一种配电箱防护结构 | |
| CN223462618U (zh) | 一种用于户外的防雷配电柜 | |
| CN215582097U (zh) | 一种电子系统工程使用的控制柜 |
Legal Events
| Date | Code | Title | Description |
|---|---|---|---|
| GR01 | Patent grant | ||
| GR01 | Patent grant | ||
| CF01 | Termination of patent right due to non-payment of annual fee | ||
| CF01 | Termination of patent right due to non-payment of annual fee |
Granted publication date: 20200522 Termination date: 20210726 |