CN210436665U - Raw materials extraction equipment is used in cosmetics production - Google Patents
Raw materials extraction equipment is used in cosmetics production Download PDFInfo
- Publication number
- CN210436665U CN210436665U CN201920691178.3U CN201920691178U CN210436665U CN 210436665 U CN210436665 U CN 210436665U CN 201920691178 U CN201920691178 U CN 201920691178U CN 210436665 U CN210436665 U CN 210436665U
- Authority
- CN
- China
- Prior art keywords
- groove
- fixed
- cavity
- extruding
- box
- Prior art date
- Legal status (The legal status is an assumption and is not a legal conclusion. Google has not performed a legal analysis and makes no representation as to the accuracy of the status listed.)
- Expired - Fee Related
Links
- 239000002994 raw material Substances 0.000 title claims abstract description 40
- 238000004519 manufacturing process Methods 0.000 title claims abstract description 22
- 239000002537 cosmetic Substances 0.000 title claims abstract description 21
- 238000000605 extraction Methods 0.000 title claims abstract description 20
- 238000005520 cutting process Methods 0.000 claims abstract description 10
- 238000001125 extrusion Methods 0.000 claims description 31
- 238000003860 storage Methods 0.000 claims description 5
- 230000000149 penetrating effect Effects 0.000 claims description 3
- 238000005096 rolling process Methods 0.000 claims 2
- 235000011389 fruit/vegetable juice Nutrition 0.000 abstract description 24
- 239000000463 material Substances 0.000 abstract description 7
- 239000002699 waste material Substances 0.000 abstract description 5
- 230000000694 effects Effects 0.000 abstract description 2
- 238000007789 sealing Methods 0.000 description 3
- 230000008878 coupling Effects 0.000 description 2
- 238000010168 coupling process Methods 0.000 description 2
- 238000005859 coupling reaction Methods 0.000 description 2
- 238000012423 maintenance Methods 0.000 description 2
- 230000009286 beneficial effect Effects 0.000 description 1
- 230000007547 defect Effects 0.000 description 1
- 239000012847 fine chemical Substances 0.000 description 1
- 239000012634 fragment Substances 0.000 description 1
- 238000000034 method Methods 0.000 description 1
- 238000005507 spraying Methods 0.000 description 1
- 238000004544 sputter deposition Methods 0.000 description 1
- 239000000126 substance Substances 0.000 description 1
Images
Landscapes
- Apparatus For Making Beverages (AREA)
Abstract
The utility model discloses a raw materials extraction equipment for cosmetics production, the power distribution box comprises a box body, be equipped with the cavity in the box, the upper end of cavity is fixed with the funnel, and cavity and funnel link up the setting, one side of box is equipped with the recess, one side of box articulates there is first guard plate, first guard plate and recess are corresponding, be equipped with cutting device in the recess, the both sides of box all are equipped with the standing groove, and the upper end of two standing grooves all is fixed with electric telescopic handle. The utility model discloses a cut broken effect that reaches the abundant juice that draws of raw and other materials of plant, the theory of use is simple, and convenient operation can avoid the juice to draw the waste that does not fully cause, has effectually improved production efficiency, has practiced thrift the cost, still is convenient for clear up the residue of leaving over after drawing the juice, has reduced personnel's working strength, and the result of use is better.
Description
Technical Field
The utility model relates to a cosmetics apparatus for producing technical field especially relates to a raw materials draws equipment for cosmetics production.
Background
The cosmetics refer to chemical industrial products or fine chemical products which are spread on any parts of the surface of a human body, such as skin, hair, nails, lips and teeth, by smearing, spraying or other similar methods to clean, maintain, beautify, modify and change the appearance, or correct the odor of the human body and keep a good state.
Present raw materials extraction element adopts the mode of smashing the whole direct to pieces of plant to extract the juice usually, and the juice extraction efficiency is low, and draws inadequately, extravagant raw and other materials, the cost is increased, and present raw materials extraction element smashes the plant to pieces and draws the plant residue clearance that remains after the juice is accomplished extremely troublesome with the plant, wastes time and energy, has inconvenient to use, influences work efficiency's problem, for this reason, we have proposed a raw materials extraction equipment for cosmetics production and have solved above-mentioned problem.
SUMMERY OF THE UTILITY MODEL
The utility model aims at solving the defects existing in the prior art and providing a raw material extraction device for cosmetic production.
In order to achieve the above purpose, the utility model adopts the following technical scheme:
a raw material extraction device for cosmetic production comprises a box body, wherein a cavity is arranged in the box body, a funnel is fixed at the upper end of the cavity, the cavity and the funnel are arranged in a penetrating manner, a groove is formed in one side of the box body, a first protection plate is hinged to one side of the box body, the first protection plate corresponds to the groove, a cutting device is arranged in the groove, placing grooves are formed in the two sides of the box body, electric telescopic rods are fixed at the upper ends of the two placing grooves, a first limiting rod and a second limiting rod are respectively fixed at the opposite ends of the two electric telescopic rods, one end of the first limiting rod corresponds to one end of the second limiting rod, an extrusion device is arranged in the placing groove, a sliding groove is formed in one side of the box body, a moving block is arranged in the sliding groove, guide rails are fixed on the two sides of the lower end of the sliding groove, and, the rollers on the same side correspond to the guide rails.
Preferably, the extrusion device includes oil cylinders fixed at the lower ends of the two placing grooves respectively, the upper end of the moving block is provided with an extrusion groove, two fixing blocks are fixed on opposite side walls in the extrusion groove, two extrusion plates are arranged in the extrusion groove, one side of each fixing block is fixed with a plurality of tension springs, the extrusion plates and the tension springs at the same side are corresponding, one ends of the tension springs are fixed at one sides of the corresponding extrusion plates, piston rods of the two oil cylinders are corresponding to the two extrusion plates respectively, a plurality of through holes are formed in the lower ends of the extrusion grooves at equal intervals, one side of the box body is hinged with a second protection plate, and the second protection plate is corresponding to the placing grooves.
Preferably, cutting device is including fixing the driving motor of lower extreme in the recess, driving motor's output shaft is fixed with the dwang through the shaft coupling, the dwang runs through the one end in the recess and extends to in the cavity, the one end of dwang is passed through the bearing and is rotated and connect on the one end lateral wall in the cavity.
Preferably, the other side of box is equipped with and accomodates the groove, accomodate the inslot and placed the receiver, the opposite side of box articulates there is the mounting panel, and the mounting panel with accomodate the groove and correspond.
Preferably, one side of the upper end of the funnel is hinged with a sealing cover.
Preferably, a filter plate is mounted to the lower end of the cavity.
Compared with the prior art, the beneficial effects of the utility model are that:
1. through the matching of the driving motor, the rotating rod, the bearing, the blade and the extrusion device, the raw materials are cut, crushed and then extracted, so that the problems that the existing raw material extraction device is low in juice extraction efficiency, insufficient in extraction, waste of raw materials and cost increase are solved, the juice in the raw materials can be fully extracted, the extraction efficiency of the juice is effectively improved, and the cost is saved;
2. the plant residue after juice extraction can be compressed and fixed through the matching of the oil cylinder, the extrusion plate, the moving block, the fixing block and the tension spring, so that the problems that the plant residue left by the existing raw material extraction device is extremely troublesome to clean, wastes time and labor, is inconvenient to use and affects the working efficiency are solved, the residue is more convenient to clean, and the production efficiency is improved;
to sum up, the utility model discloses a cut broken effect that reaches the abundant juice that draws of raw and other materials of plant, the theory of use is simple, and convenient operation can avoid the juice to draw the waste that does not fully cause, has effectually improved production efficiency, has practiced thrift the cost, still is convenient for clear up the residue of leaving over after drawing the juice, has reduced personnel's working strength, and the result of use is better.
Drawings
FIG. 1 is a schematic view of the internal structure of a raw material extracting apparatus for cosmetic production according to the present invention;
FIG. 2 is a schematic view of an external structure of a raw material extracting apparatus for cosmetic production according to the present invention;
FIG. 3 is a schematic view of the internal structure of the moving block of the raw material extracting apparatus for cosmetic production according to the present invention;
FIG. 4 is a schematic view of an external structure of a moving block of the raw material extracting apparatus for cosmetic production according to the present invention;
fig. 5 is an enlarged view of the structure at a position a of the raw material extracting device for cosmetic production provided by the utility model.
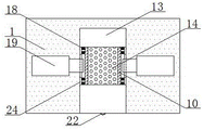
In the figure: the automatic feeding device comprises a box body, 2 blades, 3 bearings, 4 sealing covers, 5 funnels, 6 rotating rods, 7 driving motors, 8 first protection plates, 9 first limiting rods, 10 extrusion plates, 11 placing grooves, 12 second protection plates, 13 moving blocks, 14 through holes, 15 filter plates, 16 accommodating grooves, 17 accommodating boxes, 18 tension springs, 19 oil cylinders, 20 electric telescopic rods, 21 second limiting rods, 22 handles, 23 mounting plates, 24 fixing blocks, 25 idler wheels and 26 guide rails.
Detailed Description
The technical solutions in the embodiments of the present invention will be described clearly and completely with reference to the accompanying drawings in the embodiments of the present invention, and it is obvious that the described embodiments are only some embodiments of the present invention, not all embodiments.
Referring to fig. 1-5, a raw material extracting device for cosmetic production comprises a box body 1, a cavity is arranged in the box body 1, a filter plate 15 is arranged at the lower end of the cavity to ensure the quality of extracted juice, a funnel 5 is fixed at the upper end of the cavity to facilitate the addition of raw materials, a sealing cover 4 is hinged at one side of the upper end of the funnel 5 to prevent inconvenience brought to workers by juice sputtering, the cavity and the funnel 5 are arranged in a penetrating way, a groove is arranged at one side of the box body 1, a first protection plate 8 is hinged at one side of the box body 1 to facilitate opening and closing and facilitate the maintenance and repair of a daily driving motor 7, the first protection plate 8 corresponds to the groove, a cutting device is arranged in the groove to cut and crush raw materials to facilitate the juice extraction of the next step, placing grooves 11 are arranged at two sides of the box body 1, electric telescopic rods 20 are fixed at the upper ends of the two placing grooves 11, a first limiting rod, one end of the first limiting rod 9 corresponds to one end of the second limiting rod 21, the raw material can be limited by abutting one end of the first limiting rod 9 against one end of the second limiting rod 21, raw material scattering caused by squeezing the raw material by juice extraction is prevented, a squeezing device is arranged in the placing groove 11, juice in the raw material can be extracted by squeezing, a sliding groove is arranged on one side of the box body 1, a moving block 13 is arranged in the sliding groove, guide rails 26 are fixed on two sides of the lower end of the sliding groove, rollers 25 are arranged on two sides of the lower end of the moving block 13, the rollers 25 and the guide rails 26 on the same side correspond to each other, the moving block 13 moves out of the sliding groove under the matching of the rollers 25 and the guide rails 26 at the lower end of the moving block 13, the extracted raw material residue is convenient to clean, a containing groove 16 is arranged on the other side of the box body 1, a containing box 17 is arranged in, being convenient for processing on next step and using, the opposite side of box 1 articulates there is mounting panel 23, and mounting panel 23 and accomodate the groove 16 corresponding, and mounting panel 23 can provide effectual protection for receiver 17.
In the utility model, the extrusion device comprises oil cylinders 19 respectively fixed at the lower ends of two placing grooves 11, the upper end of a moving block 13 is provided with an extrusion groove, two fixing blocks 24 are fixed on the opposite side walls in the extrusion groove, two extrusion plates 10 are arranged in the extrusion groove, one side of the fixing block 24 is fixed with a plurality of tension springs 18, the extrusion plate 10 at the same side corresponds to the tension springs 18, one end of each tension spring 18 is fixed at one side of the corresponding extrusion plate 10, when the piston rod of the oil cylinder 19 does not apply force to the extrusion plate 10, the tension springs 18 can pull the two extrusion plates 10 to two sides, so as to accommodate the raw materials falling after cutting and crushing from the upper part, and the piston rods of the two oil cylinders 19 respectively correspond to the two extrusion plates 10, when the oil cylinder 19 does not operate, the piston rod of the oil cylinder 19 and the extrusion plates 10 are in a separated state, when the, the piston rod of hydro-cylinder 19 begins to remove until conflicting in one side of stripper plate 10 and promote the stripper plate 10 braking, extrudees raw and other materials, draws, and the lower extreme of extrusion groove is equidistant to be equipped with a plurality of through-holes 14, the outflow of the juice of being convenient for, and one side of box 1 articulates there is second guard plate 12, and second guard plate 12 and standing groove 11 are corresponding, conveniently open and shut, the maintenance of the daily hydro-cylinder 19 of being convenient for and electric telescopic handle 20.
The utility model discloses in, cutting device is including fixing the driving motor 7 of lower extreme in the recess, driving motor 7's output shaft passes through the shaft coupling and is fixed with dwang 6, dwang 6 runs through the one end in the recess and extends to in the cavity, the one end of dwang 6 is passed through bearing 3 and is rotated and connect on the one end lateral wall in the cavity, when driving motor 7 functions, driving motor 7 drives dwang 6 through the output shaft and rotates, dwang 6 drives a plurality of blades 2 and rotates, pivoted blade 2 cuts the raw and other materials of putting into, the abundant extraction of the juice of being convenient for of the raw and other materials piece through the cutting, the extraction efficiency who has improved, and the cost is saved.
In the utility model, when in use, the driving motor 7 drives the rotating rod 6 to rotate through the output shaft, the rotating rod 6 drives the plurality of blades 2 to rotate, the raw material is sent into the cavity through the funnel 5, the rotating blade 2 cuts the put raw material, the juice flowing out from the interior of the raw material and the cut raw material all fall into the extrusion groove at the upper end of the moving block 13 after cutting, the juice sequentially passes through the through hole 14 and the filter plate 15 at the lower end of the extrusion groove and flows into the storage box 17, the two electric telescopic rods 20 respectively drive the first limiting rod 9 and the second limiting rod 21 to move relatively, so that one end of the first limiting rod 9 is abutted against one end of the second limiting rod 21, the piston rods of the two oil cylinders 19 push the two extrusion plates 10 to move relatively, thereby extruding the fragments of the cut raw material, the juice in the raw material is extruded out, the juice sequentially passes through the through hole 14 and the filter, flow to in the receiver 17, after the extrusion is accomplished, the piston rod of two hydro-cylinders 19 resets, and two electric telescopic handle 20 drive first gag lever post 9 and second gag lever post 21 respectively and reset, through handle 22 pulling movable block 13, under the cooperation of movable block 13 lower extreme gyro wheel 25 and guide rail 26, movable block 13 removes outside the sliding tray, and the raw and other materials residue after the extrusion this moment is cubic, clears up the residue, pushes back movable block 13 to the sliding tray in again, can continue to use.
The above, only be the concrete implementation of the preferred embodiment of the present invention, but the protection scope of the present invention is not limited thereto, and any person skilled in the art is in the technical scope of the present invention, according to the technical solution of the present invention and the utility model, the concept of which is equivalent to replace or change, should be covered within the protection scope of the present invention.
Claims (6)
1. The utility model provides a raw materials extraction equipment for cosmetics production, includes box (1), its characterized in that: a cavity is arranged in the box body (1), a funnel (5) is fixed at the upper end of the cavity, the cavity and the funnel (5) are arranged in a penetrating manner, a groove is formed in one side of the box body (1), a first protection plate (8) is hinged to one side of the box body (1), the first protection plate (8) corresponds to the groove, a cutting device is arranged in the groove, placing grooves (11) are formed in the two sides of the box body (1), electric telescopic rods (20) are fixed at the upper ends of the two placing grooves (11), a first limiting rod (9) and a second limiting rod (21) are respectively fixed at the opposite ends of the two electric telescopic rods (20), one end of the first limiting rod (9) corresponds to one end of the second limiting rod (21), an extrusion device is arranged in the placing grooves (11), a sliding groove is formed in one side of the box body (1), and a moving block (13) is arranged in the sliding groove, guide rails (26) are fixed on two sides of the lower end of the sliding groove, rolling wheels (25) are arranged on two sides of the lower end of the moving block (13), and the rolling wheels (25) on the same side correspond to the guide rails (26).
2. The raw material extracting device for the cosmetic production according to claim 1, wherein the extruding means comprises oil cylinders (19) respectively fixed at the lower ends of two placing grooves (11), the upper end of the moving block (13) is provided with an extruding groove, two fixing blocks (24) are fixed on the opposite side walls in the extruding groove, two extruding plates (10) are arranged in the extruding groove, one side of the fixing block (24) is fixed with a plurality of tension springs (18), the extruding plate (10) at the same side corresponds to the tension springs (18), one end of each tension spring (18) is fixed at one side of the corresponding extruding plate (10), the piston rods of the two oil cylinders (19) respectively correspond to the two extruding plates (10), the lower end of the extruding groove is provided with a plurality of through holes (14) at equal intervals, one side of the box body (1) is hinged with a second protecting plate (12), the second protection plate (12) corresponds to the placing groove (11).
3. The raw material extracting device for cosmetic production according to claim 1, wherein the cutting device comprises a driving motor (7) fixed at the lower end in the groove, an output shaft of the driving motor (7) is fixed with a rotating rod (6) through a coupler, the rotating rod (6) penetrates through one end in the groove and extends into the cavity, and one end of the rotating rod (6) is rotatably connected to one end side wall in the cavity through a bearing (3).
4. The raw material extracting apparatus for cosmetic production according to claim 1, wherein a storage groove (16) is provided at the other side of the case body (1), a storage box (17) is placed in the storage groove (16), a mounting plate (23) is hinged at the other side of the case body (1), and the mounting plate (23) corresponds to the storage groove (16).
5. A raw material extracting apparatus for cosmetics production according to claim 1, wherein a closing cover (4) is hinged to an upper end side of the funnel (5).
6. A raw material extracting apparatus for cosmetics production according to claim 1, wherein a filter plate (15) is installed at a lower end of the cavity.
Priority Applications (1)
| Application Number | Priority Date | Filing Date | Title |
|---|---|---|---|
| CN201920691178.3U CN210436665U (en) | 2019-05-14 | 2019-05-14 | Raw materials extraction equipment is used in cosmetics production |
Applications Claiming Priority (1)
| Application Number | Priority Date | Filing Date | Title |
|---|---|---|---|
| CN201920691178.3U CN210436665U (en) | 2019-05-14 | 2019-05-14 | Raw materials extraction equipment is used in cosmetics production |
Publications (1)
| Publication Number | Publication Date |
|---|---|
| CN210436665U true CN210436665U (en) | 2020-05-01 |
Family
ID=70401543
Family Applications (1)
| Application Number | Title | Priority Date | Filing Date |
|---|---|---|---|
| CN201920691178.3U Expired - Fee Related CN210436665U (en) | 2019-05-14 | 2019-05-14 | Raw materials extraction equipment is used in cosmetics production |
Country Status (1)
| Country | Link |
|---|---|
| CN (1) | CN210436665U (en) |
Cited By (5)
| Publication number | Priority date | Publication date | Assignee | Title |
|---|---|---|---|---|
| CN112625785A (en) * | 2020-12-14 | 2021-04-09 | 唐苏英 | Preparation method of high-absorptivity cosmetic grease composition |
| CN112873953A (en) * | 2021-01-11 | 2021-06-01 | 范广奋 | Plant juice extrusion device for cosmetics |
| CN113198580A (en) * | 2021-05-18 | 2021-08-03 | 毛大业 | Extraction element is used in cosmetics production with automatically, clear function of scraping |
| CN113440887A (en) * | 2021-07-05 | 2021-09-28 | 苏州森创纺织科技有限公司 | Full-process low-temperature plant dye extraction technology |
| CN115041274A (en) * | 2022-06-16 | 2022-09-13 | 刘雪芹 | Food detects uses sample juice extraction element |
-
2019
- 2019-05-14 CN CN201920691178.3U patent/CN210436665U/en not_active Expired - Fee Related
Cited By (7)
| Publication number | Priority date | Publication date | Assignee | Title |
|---|---|---|---|---|
| CN112625785A (en) * | 2020-12-14 | 2021-04-09 | 唐苏英 | Preparation method of high-absorptivity cosmetic grease composition |
| CN112873953A (en) * | 2021-01-11 | 2021-06-01 | 范广奋 | Plant juice extrusion device for cosmetics |
| CN112873953B (en) * | 2021-01-11 | 2022-07-29 | 同康药业科技(广州)有限公司 | Plant juice extrusion device for cosmetics |
| CN113198580A (en) * | 2021-05-18 | 2021-08-03 | 毛大业 | Extraction element is used in cosmetics production with automatically, clear function of scraping |
| CN113198580B (en) * | 2021-05-18 | 2023-05-30 | 杭州三时三言科技有限公司 | Extraction element is used in cosmetics production with automatic function of scraping |
| CN113440887A (en) * | 2021-07-05 | 2021-09-28 | 苏州森创纺织科技有限公司 | Full-process low-temperature plant dye extraction technology |
| CN115041274A (en) * | 2022-06-16 | 2022-09-13 | 刘雪芹 | Food detects uses sample juice extraction element |
Similar Documents
| Publication | Publication Date | Title |
|---|---|---|
| CN210436665U (en) | Raw materials extraction equipment is used in cosmetics production | |
| CN108262885B (en) | Broken briquetting device of waste plastic | |
| CN214597576U (en) | Cosmetic liquid impurity filtering device | |
| CN212400428U (en) | Raw materials extraction equipment is used in cosmetics production | |
| CN207153852U (en) | A kind of environmental protection garbage pulverator | |
| CN107649247A (en) | A kind of environmental protection refuse disposal installation | |
| CN110918472A (en) | Wet garbage plastic bag filtering device for household garbage classification recycling treatment | |
| CN114833170B (en) | Waste paper collecting and processing system | |
| CN215143873U (en) | Stainless steel piercing press with garbage collection function | |
| CN207308789U (en) | A kind of punching press leftover pieces collection and treatment device | |
| CN114653726A (en) | Garbage classification puts in and uses rubbish reducing mechanism | |
| CN210965302U (en) | High-efficient afforestation refuse treatment recovery system | |
| CN208558383U (en) | A kind of waste paper compressor | |
| CN208554561U (en) | A kind of protective device of discarded concrete regenerated coarse aggregate production line | |
| CN208133048U (en) | A kind of pomelo peel cutter device | |
| CN222709820U (en) | Shampoo water production is used for extracting cutting device | |
| CN215032250U (en) | Novel gardens discarded object is handled device | |
| CN214866099U (en) | Organic soil remediation device | |
| CN211333693U (en) | Automatic peeling machine for wickers for wickerwork | |
| CN212791274U (en) | Garbage crushing treatment device for garbage landfill | |
| CN213474282U (en) | Rural area refuse treatment environmental protection equipment | |
| CN212758821U (en) | Categorised recovery crushing apparatus of paper products | |
| CN211246820U (en) | Leaf recovery processing device is used in gardens | |
| CN211274952U (en) | Efficient crushing equipment for garbage disposal | |
| CN216366710U (en) | Natural raw material extraction equipment is used in cosmetics preparation |
Legal Events
| Date | Code | Title | Description |
|---|---|---|---|
| GR01 | Patent grant | ||
| GR01 | Patent grant | ||
| CF01 | Termination of patent right due to non-payment of annual fee |
Granted publication date: 20200501 Termination date: 20210514 |
|
| CF01 | Termination of patent right due to non-payment of annual fee |