CN210435850U - Automatic feeding device of copper bar milling equipment - Google Patents
Automatic feeding device of copper bar milling equipment Download PDFInfo
- Publication number
- CN210435850U CN210435850U CN201920103705.4U CN201920103705U CN210435850U CN 210435850 U CN210435850 U CN 210435850U CN 201920103705 U CN201920103705 U CN 201920103705U CN 210435850 U CN210435850 U CN 210435850U
- Authority
- CN
- China
- Prior art keywords
- fixedly connected
- automatic feeding
- plate
- feeding device
- bottom plate
- Prior art date
- Legal status (The legal status is an assumption and is not a legal conclusion. Google has not performed a legal analysis and makes no representation as to the accuracy of the status listed.)
- Expired - Fee Related
Links
- RYGMFSIKBFXOCR-UHFFFAOYSA-N Copper Chemical compound [Cu] RYGMFSIKBFXOCR-UHFFFAOYSA-N 0.000 title claims abstract description 26
- 229910052802 copper Inorganic materials 0.000 title claims abstract description 26
- 239000010949 copper Substances 0.000 title claims abstract description 26
- 238000003801 milling Methods 0.000 title claims description 10
- 238000000227 grinding Methods 0.000 claims 7
- 230000000694 effects Effects 0.000 description 5
- 239000000428 dust Substances 0.000 description 2
- 238000004519 manufacturing process Methods 0.000 description 2
- 229910001369 Brass Inorganic materials 0.000 description 1
- CWYNVVGOOAEACU-UHFFFAOYSA-N Fe2+ Chemical compound [Fe+2] CWYNVVGOOAEACU-UHFFFAOYSA-N 0.000 description 1
- 230000004075 alteration Effects 0.000 description 1
- 230000009286 beneficial effect Effects 0.000 description 1
- 239000010951 brass Substances 0.000 description 1
- 230000007774 longterm Effects 0.000 description 1
- 239000002184 metal Substances 0.000 description 1
- 229910052751 metal Inorganic materials 0.000 description 1
- 238000000034 method Methods 0.000 description 1
- 238000012986 modification Methods 0.000 description 1
- 230000004048 modification Effects 0.000 description 1
- 238000006467 substitution reaction Methods 0.000 description 1
- 238000003466 welding Methods 0.000 description 1
Images
Landscapes
- Auxiliary Devices For Machine Tools (AREA)
Abstract
The utility model discloses a bar copper mills equipment automatic feeding device, comprising a base plate, first spout has been seted up to bottom plate inner chamber's bottom, the inner chamber sliding connection of first spout has first slider, the top fixedly connected with movable plate of first slider, the top fixedly connected with cylinder of movable plate, the top of cylinder runs through to the top of bottom plate and fixedly connected with places the board. The utility model discloses a set up bottom plate, first spout, first slider, movable plate, cylinder, place board, standing groove, motor, gear, rack plate, stand, second spout, second slider, first telescopic link, diaphragm, second telescopic link, support column, conveyor, base, slipmat and mutually supporting of controller, reached the advantage of automatic feeding function, solved the problem that current loading attachment does not possess the automatic feeding function, made things convenient for people's use, improved loading attachment's practicality.
Description
Technical Field
The utility model relates to a bar copper processing technology field specifically is a bar copper mills equipment automatic feeding device.
Background
In the time of copper industry processing, can make and improve production, and the bar copper is a kind of non ferrous metal processing rod, better processing property has, high electric conductive property, mainly be divided into brass bar and red bar copper, so the bar copper need be fixed just to carry out process on next step when the processing of production, need mill after the current bar copper continuous processing, mill equipment need use loading attachment, current loading attachment at present, the function of automatic feeding does not possess, inconvenient people's use, loading attachment's practicality has been reduced.
SUMMERY OF THE UTILITY MODEL
An object of the utility model is to provide a bar copper mills equipment automatic feeding device possesses the advantage of automatic feeding function, has solved the problem that current loading attachment does not possess the automatic feeding function.
In order to achieve the above object, the utility model provides a following technical scheme: the utility model provides a bar copper mills equipment automatic feeding device, includes the bottom plate, first spout has been seted up to the bottom of bottom plate inner chamber, the inner chamber sliding connection of first spout has first slider, the top fixedly connected with movable plate of first slider, the top fixedly connected with cylinder of movable plate, the top of cylinder runs through to the top of bottom plate and fixedly connected with places the board, the standing groove has been seted up at the top of placing the board, the back fixedly connected with motor of movable plate, the output fixedly connected with gear of motor, the surface toothing of gear has the rack board, the back of rack board and the back fixed connection of bottom plate inner chamber.
Preferably, the front side and the rear side on the right side of the top of the bottom plate are fixedly connected with stand columns, second sliding grooves are formed in the inner sides of the stand columns, second sliding blocks are connected to the inner cavities of the second sliding grooves in a sliding mode, and first telescopic rods are fixedly connected to the inner sides of the second sliding blocks.
Preferably, the top fixedly connected with diaphragm of stand inboard, the equal fixedly connected with second telescopic link of front side and rear side of diaphragm bottom, the inboard fixedly connected with fixture block of second telescopic link, the top of second telescopic link and the bottom fixed connection of first telescopic link.
Preferably, the left side of the top of the bottom plate is fixedly connected with a conveying device through a supporting column, the conveying device comprises a conveying belt, and a conveying baffle is arranged on the surface of the conveying device.
Preferably, both sides at rack plate top are all fixedly connected with and the stopper that the gear cooperation was used.
Preferably, the two sides of the bottom plate are fixedly connected with the base, the bottom of the base is fixedly connected with the non-slip mat, and the bottom of the non-slip mat is provided with non-slip lines.
Preferably, the surface of the gear is fixedly connected with a first tooth, and the top of the rack plate is fixedly connected with a second tooth matched with the first tooth.
Preferably, the controller is fixedly connected to the front face of the upright column, electrically connected to the motor, the cylinder, the first telescopic rod and the second telescopic rod, and the controller is in the model of MAM-220.
Compared with the prior art, the beneficial effects of the utility model are as follows:
1. the utility model discloses a set up bottom plate, first spout, first slider, movable plate, cylinder, place board, standing groove, motor, gear, rack plate, stand, second spout, second slider, first telescopic link, diaphragm, second telescopic link, support column, conveyor, base, slipmat and mutually supporting of controller, reached the advantage of automatic feeding function, solved the problem that current loading attachment does not possess the automatic feeding function, made things convenient for people's use, improved loading attachment's practicality.
2. The utility model discloses a set up base and slipmat, played the stable effect of antiskid to the bottom plate, solved the bottom plate and appeared rocking the problem when the work is used, through setting up the bottom plate, played the effect of protection to the motor, when having solved long-term use motor, make the dust fall into in the motor, cause the motor to appear the problem that the effect is not good when the work is used, through setting up first spout and first slider, played the stable effect of removal to the movable plate, solved the movable plate and appeared rocking the problem when removing.
Drawings
FIG. 1 is a schematic structural view of the present invention;
FIG. 2 is a sectional view of the bottom plate structure of the present invention;
FIG. 3 is a left side sectional view of the column structure of the present invention;
fig. 4 is a top partial sectional view of the box structure of the present invention.
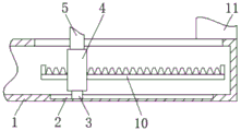
In the figure: the device comprises a base plate 1, a first sliding groove 2, a first sliding block 3, a moving plate 4, a cylinder 5, a placing plate 6, a placing groove 7, a motor 8, a gear 9, a rack plate 10, a vertical column 11, a second sliding groove 12, a second sliding block 13, a first telescopic rod 14, a transverse plate 15, a second telescopic rod 16, a supporting column 17, a conveying device 18, a base 19, a non-slip mat 20 and a controller 21.
Detailed Description
The technical solutions in the embodiments of the present invention will be described clearly and completely with reference to the accompanying drawings in the embodiments of the present invention, and it is obvious that the described embodiments are only some embodiments of the present invention, not all embodiments. Based on the embodiments in the present invention, all other embodiments obtained by a person skilled in the art without creative work belong to the protection scope of the present invention.
Referring to fig. 1-4, an automatic feeding device of a bar copper milling equipment comprises a bottom plate 1, wherein the bottom plate 1 is arranged to protect a motor 8, so that the problem of poor effect of the motor 8 during working and use due to dust falling into the motor 8 when the motor 8 is used for a long time is solved, both sides of the bottom plate 1 are fixedly connected with a base 19, the bottom of the base 19 is fixedly connected with a non-slip mat 20, the bottom of the non-slip mat 20 is provided with anti-slip patterns, the bottom plate 1 is anti-slip and stable due to the arrangement of the base 19 and the non-slip mat 20, so that the problem of shaking of the bottom plate 1 during working and use is solved, the left side of the top of the bottom plate 1 is fixedly connected with a conveying device 18 through a support column 17, the conveying device 18 comprises a conveying belt, the surface of the conveying device is provided with a conveying baffle, and the front side and the, the front of the upright post 11 is fixedly connected with a controller 21, the controller 21 is electrically connected with a motor 8, a cylinder 5, a first telescopic rod 14 and a second telescopic rod 16, the model of the controller 21 is MAM-220, the top of the inner side of the upright post 11 is fixedly connected with a transverse plate 15, the front side and the rear side of the bottom of the transverse plate 15 are both fixedly connected with the second telescopic rod 16, the inner side of the second telescopic rod 16 is fixedly connected with a clamping block, the top of the second telescopic rod 16 is fixedly connected with the bottom of the first telescopic rod 14, the inner side of the upright post 11 is provided with a second sliding groove 12, the inner cavity of the second sliding groove 12 is slidably connected with a second sliding block 13, the inner side of the second sliding block 13 is fixedly connected with the first telescopic rod 14, the bottom of the inner cavity of the bottom plate 1 is provided with a first sliding groove 2, the movable plate 4 is stably moved by arranging the first sliding groove 2 and the, the inner cavity of the first sliding groove 2 is connected with a first sliding block 3 in a sliding mode, the top of the first sliding block 3 is fixedly connected with a movable plate 4, the top of the movable plate 4 is fixedly connected with an air cylinder 5, the top of the air cylinder 5 penetrates through the top of the bottom plate 1 and is fixedly connected with a placing plate 6, the top of the placing plate 6 is provided with a placing groove 7, the back of the movable plate 4 is fixedly connected with a motor 8, the output end of the motor 8 is fixedly connected with a gear 9, the surface of the gear 9 is fixedly connected with a first tooth, the top of the rack plate 10 is fixedly connected with a second tooth matched with the first tooth, the surface of the gear 9 is meshed with a rack plate 10, two sides of the top of the rack plate 10 are fixedly connected with limit blocks matched with the gear 9, the back of the rack plate 10 is fixedly connected with the back of the inner cavity of the bottom plate, Place board 6, standing groove 7, motor 8, gear 9, rack plate 10, stand 11, second spout 12, second slider 13, first telescopic link 14, diaphragm 15, second telescopic link 16, support column 17, conveyor 18, base 19, mutually supporting of slipmat 20 and controller 21, the advantage of automatic feeding function has been reached, the problem that current loading attachment does not possess the automatic feeding function is solved, people's use has been made things convenient for, loading attachment's practicality has been improved.
When the automatic feeding device is used, firstly, the operation parameters of the automatic feeding device are set by people through the external control panel, the copper rod is placed in the baffle plate on the conveying device 18, the copper rod is conveyed into the placing groove 7 through the conveying device 18, then, the people turn on the motor 8 through the controller 21, the motor 8 starts to work, the motor 8 drives the gear 9 to start rotating, the gear 9 drives the moving plate 4 to start moving through the rack plate 10, the moving plate 4 drives the first sliding block 3 to slide in the first sliding groove 2, the moving plate 4 drives the cylinder 5 to start moving simultaneously, the cylinder 5 drives the placing plate 6 and the placing groove 7 to start moving, so that the copper rod in the placing groove 7 is conveyed to the bottom of the transverse plate (15), meanwhile, the cylinder 5, the first telescopic rod 14 and the second telescopic rod 16 are started through the controller 21, the cylinder 5 starts to work, the cylinder 5 drives the placing plate 6 and the placing groove 7 to move upwards to the, first telescopic link 14 begins work, and first telescopic link 14 begins to fix the chucking to the bar copper in the standing groove 6 to the advantage of automatic feeding function has been reached.
All the standard parts used in the present application document can be purchased from the market, all the parts in the present application document can be customized according to the description of the specification and the accompanying drawings, the specific connection mode of each part adopts the conventional means such as bolts, rivets, welding and the like mature in the prior art, the machines, the parts and the equipment adopt the conventional type in the prior art, and the circuit connection adopts the conventional connection mode in the prior art, so that the detailed description is not given.
In summary, the following steps: this bar copper mills equipment automatic feeding device, through setting up bottom plate 1, first spout 2, first slider 3, movable plate 4, cylinder 5, place board 6, standing groove 7, motor 8, gear 9, rack board 10, stand 11, second spout 12, second slider 13, first telescopic link 14, diaphragm 15, second telescopic link 16, support column 17, conveyor 18, base 19, mutually supporting of slipmat 20 and controller 21, the problem that current loading attachment does not possess the automatic feeding function has been solved.
Although embodiments of the present invention have been shown and described, it will be appreciated by those skilled in the art that changes, modifications, substitutions and alterations can be made in these embodiments without departing from the principles and spirit of the invention, the scope of which is defined in the appended claims and their equivalents.
Claims (8)
1. The utility model provides a bar copper mills equipment automatic feeding device, includes bottom plate (1), its characterized in that: first spout (2) have been seted up to the bottom of bottom plate (1) inner chamber, the inner chamber sliding connection of first spout (2) has first slider (3), top fixedly connected with movable plate (4) of first slider (3), top fixedly connected with cylinder (5) of movable plate (4), the top of cylinder (5) is run through to the top of bottom plate (1) and fixedly connected with places board (6), place the top of board (6) and seted up standing groove (7), the back fixedly connected with motor (8) of movable plate (4), the output fixedly connected with gear (9) of motor (8), the surface meshing of gear (9) has rack plate (10), the back of rack plate (10) and the back fixed connection of bottom plate (1) inner chamber.
2. The automatic feeding device of the copper bar milling and grinding equipment as claimed in claim 1, characterized in that: the front side and the rear side on the right side of the top of the bottom plate (1) are fixedly connected with upright columns (11), the inner sides of the upright columns (11) are provided with second sliding grooves (12), the inner cavities of the second sliding grooves (12) are slidably connected with second sliding blocks (13), and the inner sides of the second sliding blocks (13) are fixedly connected with first telescopic rods (14).
3. The automatic feeding device of the copper bar milling and grinding equipment as claimed in claim 2, characterized in that: the top fixedly connected with diaphragm (15) of stand (11) inboard, the equal fixedly connected with second telescopic link (16) of front side and rear side of diaphragm (15) bottom, the inboard fixedly connected with fixture block of second telescopic link (16), the top of second telescopic link (16) and the bottom fixed connection of first telescopic link (14).
4. The automatic feeding device of the copper bar milling and grinding equipment as claimed in claim 1, characterized in that: the left side at the top of the bottom plate (1) is fixedly connected with a conveying device (18) through a supporting column (17), the conveying device (18) comprises a conveying belt, and a conveying baffle is arranged on the surface of the conveying device.
5. The automatic feeding device of the copper bar milling and grinding equipment as claimed in claim 1, characterized in that: and two sides of the top of the rack plate (10) are fixedly connected with limit blocks matched with the gears (9).
6. The automatic feeding device of the copper bar milling and grinding equipment as claimed in claim 1, characterized in that: the anti-skid floor is characterized in that bases (19) are fixedly connected to two sides of the bottom plate (1), anti-skid pads (20) are fixedly connected to the bottoms of the bases (19), and anti-skid lines are arranged at the bottoms of the anti-skid pads (20).
7. The automatic feeding device of the copper bar milling and grinding equipment as claimed in claim 1, characterized in that: the surface of the gear (9) is fixedly connected with a first tooth, and the top of the rack plate (10) is fixedly connected with a second tooth matched with the first tooth.
8. The automatic feeding device of the copper bar milling and grinding equipment as claimed in claim 3, characterized in that: the front face of the upright post (11) is fixedly connected with a controller (21), the controller (21) is electrically connected with a motor (8), a cylinder (5), a first telescopic rod (14) and a second telescopic rod (16), and the controller (21) is MAM-220 in model.
Priority Applications (1)
| Application Number | Priority Date | Filing Date | Title |
|---|---|---|---|
| CN201920103705.4U CN210435850U (en) | 2019-01-22 | 2019-01-22 | Automatic feeding device of copper bar milling equipment |
Applications Claiming Priority (1)
| Application Number | Priority Date | Filing Date | Title |
|---|---|---|---|
| CN201920103705.4U CN210435850U (en) | 2019-01-22 | 2019-01-22 | Automatic feeding device of copper bar milling equipment |
Publications (1)
| Publication Number | Publication Date |
|---|---|
| CN210435850U true CN210435850U (en) | 2020-05-01 |
Family
ID=70394521
Family Applications (1)
| Application Number | Title | Priority Date | Filing Date |
|---|---|---|---|
| CN201920103705.4U Expired - Fee Related CN210435850U (en) | 2019-01-22 | 2019-01-22 | Automatic feeding device of copper bar milling equipment |
Country Status (1)
| Country | Link |
|---|---|
| CN (1) | CN210435850U (en) |
Cited By (1)
| Publication number | Priority date | Publication date | Assignee | Title |
|---|---|---|---|---|
| CN118896864A (en) * | 2024-10-08 | 2024-11-05 | 如皋市神威金属制品有限公司 | A device for testing the hardness of steel castings |
-
2019
- 2019-01-22 CN CN201920103705.4U patent/CN210435850U/en not_active Expired - Fee Related
Cited By (1)
| Publication number | Priority date | Publication date | Assignee | Title |
|---|---|---|---|---|
| CN118896864A (en) * | 2024-10-08 | 2024-11-05 | 如皋市神威金属制品有限公司 | A device for testing the hardness of steel castings |
Similar Documents
| Publication | Publication Date | Title |
|---|---|---|
| CN210816771U (en) | Aluminum profile extrusion equipment capable of achieving fixed-point cutting | |
| CN210435850U (en) | Automatic feeding device of copper bar milling equipment | |
| CN210756495U (en) | Numerical control machine tool clamping device convenient to clamp | |
| CN211966988U (en) | Workpiece polishing device for machining | |
| CN210189265U (en) | High-efficient plank equipment of polishing | |
| CN210476207U (en) | Clamping device for machining precision die | |
| CN218108982U (en) | Equipment for turning round corners of bottom plate of refrigerator | |
| CN211805459U (en) | Automatic burnishing device of commutator | |
| CN110702052A (en) | High-precision optical axis outer diameter detection equipment | |
| CN215953330U (en) | Automatic detection device of electrical engineering | |
| CN215697654U (en) | Feeding device of thread rolling machine | |
| CN113423193B (en) | Automatic welding system and welding process for bridge wire of automobile ABS circuit board | |
| CN211615505U (en) | Novel movable workbench | |
| CN210436308U (en) | High-efficient wood cutting equipment | |
| CN213614251U (en) | Numerical control machine tool for household electrical appliance mould frame production | |
| CN210682475U (en) | Tire grabbing device | |
| CN212064513U (en) | Adjustable printed circuit board processing device | |
| CN219496443U (en) | Detection device for filter production | |
| CN216898975U (en) | Goods import and export product detection device | |
| CN211052998U (en) | Aluminum template welding support | |
| CN210499413U (en) | Workpiece transfer device for part machining | |
| CN207823422U (en) | A kind of bolt sorting unit | |
| CN209664964U (en) | A kind of quartz flexible accelerometer is not with being in the mood for grinding machine | |
| CN209994731U (en) | Integrated circuit board convenient to installation | |
| CN218785433U (en) | A high-efficiency automatic adjustable polishing machine for stone carving processing |
Legal Events
| Date | Code | Title | Description |
|---|---|---|---|
| GR01 | Patent grant | ||
| GR01 | Patent grant | ||
| CF01 | Termination of patent right due to non-payment of annual fee | ||
| CF01 | Termination of patent right due to non-payment of annual fee |
Granted publication date: 20200501 Termination date: 20210122 |