CN210430948U - Power supply unit and gas-cooker of gas-cooker - Google Patents
Power supply unit and gas-cooker of gas-cooker Download PDFInfo
- Publication number
- CN210430948U CN210430948U CN201921256545.3U CN201921256545U CN210430948U CN 210430948 U CN210430948 U CN 210430948U CN 201921256545 U CN201921256545 U CN 201921256545U CN 210430948 U CN210430948 U CN 210430948U
- Authority
- CN
- China
- Prior art keywords
- power supply
- gas stove
- gas
- circuit board
- control circuit
- Prior art date
- Legal status (The legal status is an assumption and is not a legal conclusion. Google has not performed a legal analysis and makes no representation as to the accuracy of the status listed.)
- Active
Links
- WHXSMMKQMYFTQS-UHFFFAOYSA-N Lithium Chemical compound [Li] WHXSMMKQMYFTQS-UHFFFAOYSA-N 0.000 claims description 14
- 229910052744 lithium Inorganic materials 0.000 claims description 14
- 230000001681 protective effect Effects 0.000 claims description 8
- 230000005611 electricity Effects 0.000 abstract description 3
- 230000008859 change Effects 0.000 abstract description 2
- 239000002689 soil Substances 0.000 abstract description 2
- XLYOFNOQVPJJNP-UHFFFAOYSA-N water Substances O XLYOFNOQVPJJNP-UHFFFAOYSA-N 0.000 abstract description 2
- 239000000463 material Substances 0.000 description 3
- 230000009467 reduction Effects 0.000 description 3
- 238000010586 diagram Methods 0.000 description 2
- 230000006872 improvement Effects 0.000 description 2
- 230000009286 beneficial effect Effects 0.000 description 1
- 238000006243 chemical reaction Methods 0.000 description 1
- 238000010411 cooking Methods 0.000 description 1
- 238000007599 discharging Methods 0.000 description 1
- 230000009977 dual effect Effects 0.000 description 1
- 230000000694 effects Effects 0.000 description 1
- 238000000034 method Methods 0.000 description 1
- 238000012986 modification Methods 0.000 description 1
- 230000004048 modification Effects 0.000 description 1
- 238000002407 reforming Methods 0.000 description 1
- 239000010926 waste battery Substances 0.000 description 1
- 239000002699 waste material Substances 0.000 description 1
Images
Landscapes
- Battery Mounting, Suspending (AREA)
- Charge And Discharge Circuits For Batteries Or The Like (AREA)
Abstract
The utility model relates to the technical field of kitchen electrical equipment, in particular to a power supply device of a gas stove and the gas stove, wherein the power supply device comprises a power supply shell matched with a battery box of the existing gas stove, the power supply shell is connected with an internal circuit of the gas stove through a positive pole and a negative pole, and a USB (universal serial bus) socket is electrically connected on the power supply shell; realized when the electric quantity is not enough, pressed six-pin self-locking switch, the pilot lamp is bright, and control circuit board does the processing that steps up to the output voltage of power supply body this moment, can continue to carry out normal power supply for the gas-cooker body and ignite, can continue to use about 10 days, makes things convenient for daily life, solves the problem of instant lack of electricity, practices thrift the spending of frequently purchasing the change dry battery, reduces or eliminates old and useless dry battery to the environment especially to the pollution of water source and soil. The gas stove with the USB socket enables the power supply of the gas stove to be simpler and more convenient.
Description
Technical Field
The utility model relates to a kitchen electrical equipment technical field specifically is a power supply unit and gas-cooker of gas-cooker.
Background
At present, a gas stove with pulse ignition and flameout protection functions is generally adopted in a household mainstream gas stove, and a No. 1 dry battery is generally used as a power supply to supply power to the gas stove for pulse ignition. There are two main principles at present: the ion flameout protection and the thermocouple flameout protection. The former needs 2 batteries of No. 1, and the latter needs 1 or 2 batteries of No. 1. The former is relatively power-consuming (2 ordinary No. 1 batteries are used for about 2-3 months). The latter is not very power consuming (typically 1 or 2 size 1 batteries can be used for 1 to 2 years or more). Particularly, the former is inconvenient and troublesome to use because it requires a lot of electricity and requires frequent battery replacement during use. A plurality of manufacturers also find similar problems and make a plurality of improvements on the aspect of power supply of the gas cooker.
The market has 1 rechargeable battery, but the price is higher, also has 5 change 1 conversion buckets, also has commercial power 220 to become 3V direct current battery case, has the gas-cooker of dual supply or many power supplies power supply, has the gas-cooker of weak power warning function etc.. All this is to improve the problem of supplying power to gas cookers, but to a different extent it is not without its drawbacks. For various dry batteries, frequent replacement is troublesome, the cost for purchasing batteries is high, and more waste batteries pollute the environment. For using 220V of commercial power to become 3V of direct current battery case, reserve the commercial power socket, wiring, have a power failure occasionally and also bring inconvenience, the longer power connecting wire near the gas cooking utensils is also esthetic, moreover ballast vary voltage equipment is circular telegram for a long time and cause the electronic component to generate heat easily also unsafe, even if increase the switch on the commercial power socket, it is inconvenient to switch frequently. The weak-current alarm can only inform of the shortage of the electric quantity in time and cannot fundamentally solve the problem.
SUMMERY OF THE UTILITY MODEL
In order to solve the technical problem, the utility model provides a power supply unit and gas-cooker of gas-cooker.
The utility model provides a its technical problem adopt following technical scheme to realize:
a power supply unit of gas-cooker, include:
the power supply shell is matched with an existing gas stove battery box, the power supply shell is connected with an internal circuit of the gas stove through positive and negative poles, and a USB (universal serial bus) socket is electrically connected to the power supply shell;
the power supply comprises a power supply and an electric wire, wherein the power supply is a section of 18650 lithium battery, a protective plate is additionally arranged on the 18650 lithium battery, a positive electrode and a negative electrode for charging and supplying power are arranged on the protective plate, the electric wire is connected to the positive electrode and the negative electrode of the protective plate, and the end part of the electric wire is connected with a USB plug;
the circuit controller comprises a six-pin self-locking switch and a control circuit board, the control circuit board is electrically connected to the wire, the control circuit board is used for adjusting voltage and switching a charging and discharging circuit, and the six-pin self-locking switch is electrically connected with the control circuit board.
Preferably, the power supply has a capacitance of 1200-2000 mah.
Preferably, the length of the wire is between 30 and 150 cm.
Preferably, the power supply shell is a cylindrical structure made of plastic materials with conductivity of positive and negative poles, and the geometric specification and size of the power supply shell are the same as those of the No. 1 dry battery.
Preferably, the power supply shell is a cylindrical structure made of plastic materials with conductivity of positive and negative poles, and one side of the power supply shell is also connected with an auxiliary shell with the same size as the No. 1 dry battery in geometric specification.
Preferably, an indicator light is further arranged on the control circuit board.
The utility model provides a gas stove, includes gas-cooker body and the cupboard that supports the gas-cooker body, cancel original battery case on the gas-cooker body, control circuit board is installed to the position department that the battery case was originally installed to the gas-cooker body, the last six foot self-locking switch that is equipped with of control circuit board, control circuit board and this internal corresponding positive negative pole circuit electricity of supplying power of gas-cooker are connected, and parallelly connected the setting-a USB socket in gas-cooker body shell lower part or rear portion position, USB socket passes through the electric wire and is connected with control circuit board, the activity is pegged graft on the USB socket and is equipped with the USB plug, the USB plug passes through the connection of electric lines and on the 18650 lithium batteries who installs the protection shield.
Preferably, an indicator light is further arranged on the control circuit board.
Compared with the prior art, the beneficial effects of the utility model are that:
1. a power supply unit of gas-cooker, through 18650 lithium batteries substitute the dry battery, simultaneously through setting up circuit controller, realized when the electric quantity is not enough, press six-pin self-locking switch, the pilot lamp is bright this moment, control circuit board does the processing of stepping up to the output voltage of the power supply body, can continue to carry out normal power supply for the gas-cooker body and ignite, can continue to use about 10 days, in this section of time, in time charge for the battery when not using the gas-cooker. The method is convenient for daily life, solves the problem of instant power shortage, saves the expenditure for frequently purchasing and replacing dry batteries, and reduces or eliminates the pollution of waste dry batteries to the environment, particularly to water sources and soil.
2. A gas-cooker, through reforming transform the gas-cooker for whole device is simpler, it is more convenient to operate, the possibility of circuit failure is littleer.
Drawings
Fig. 1 is a block diagram of a power supply device for a gas stove according to the present invention;
FIG. 2 is a cross-sectional view of a power supply body;
fig. 3 is another embodiment of the power supply device for a gas stove according to the present invention;
fig. 4 is a circuit block diagram of a gas stove according to the present invention;
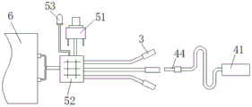
in the figure: the gas stove comprises a power supply shell 1, a battery box 2, a USB socket 3, a power supply body 4, a power supply 41, an electric wire 42, a protective plate 43, a USB plug 44, a circuit controller 5, a six-pin self-locking switch 51, a control circuit board 52, an indicator lamp 53 and a gas stove body 6.
Detailed Description
The technical solutions in the embodiments of the present invention will be described clearly and completely with reference to the accompanying drawings in the embodiments of the present invention, and it is obvious that the described embodiments are only some embodiments of the present invention, not all embodiments. Based on the embodiments in the present invention, all other embodiments obtained by a person skilled in the art without creative work all belong to the protection scope of the present invention.
Referring to fig. 1-3, the power supply device for gas cooker of the present invention includes: the power supply device comprises a power supply shell 1 matched with an existing gas stove battery box 2, wherein the power supply shell 1 is connected with an internal circuit of a gas stove through a positive pole and a negative pole, and a USB (universal serial bus) socket 3 is electrically connected on the power supply shell 1;
the power supply body 4 comprises a power supply 41 consisting of a 18650 lithium battery additionally provided with a protection plate 43 and an electric wire 42 of which the end part is connected with a USB plug 44, the protection plate 43 is provided with a positive electrode and a negative electrode for charging and supplying power, and the electric wire 42 is connected to the positive electrode and the negative electrode of the protection plate 43; the protection plate 43 is composed of an electronic circuit, and can protect the 18650 lithium battery from being overcharged, overdischarged, overcurrent, short-circuited, and charged and discharged at ultrahigh temperature, and the electric wire 42 is connected to the positive and negative electrodes of the protection plate 43, so that the protection plate 43 of the 18650 lithium battery is fully disclosed at present, and the specific working principle of the protection plate is not described herein.
It should be noted that, with the performance improvement and cost reduction in various aspects, the 18650 rechargeable lithium battery series is particularly widely applied in the aspect of new energy, and the safety is also guaranteed after the protective plate 43 is additionally installed; the full-power output voltage is about 4.2V, is relatively close to the series voltage of two dry batteries, can be adjusted to about 2.8-3.5V by positively connecting 2 or 3 1N4007 diodes in series, and can be applied to power supply of various pulse ignition gas stoves needing 1 or 2 batteries with No. 1 power supply.
The circuit controller 5, the circuit controller 5 includes six-pin self-locking switch 51 and control circuit board 52, control circuit board 52 electric connection be in on the electric wire 42, control circuit board 52 is used for adjusting voltage and switching charge-discharge circuit, six-pin self-locking switch 51 and control circuit board 52 electric connection. As an embodiment of the present invention, the capacitance of the power supply 4 is 1200 and 2000 mah.
As an embodiment of the present invention, the length of the wire 42 is between 30 cm and 150 cm.
As an embodiment of the present invention, the power supply housing 1 is a tubular structure made of a plastic material having conductivity and positive and negative poles, and the power supply housing 1 is the same as the No. 1 dry battery in geometric specification and size.
As an embodiment of the present invention, the power supply housing 1 is a tubular structure made of conductive plastic with positive and negative poles, and one side of the power supply housing 1 is further connected to an auxiliary housing having the same size as the geometric specification of the No. 1 dry battery.
As an embodiment of the present invention, the control circuit board 52 is further provided with an indicator lamp 53, and the indicator lamp 53 is used for indicating the on-off state and the battery power status.
The working principle is as follows: when the gas stove is used, the USB plug 44 is connected with the USB socket 3, the power supply body 4 supplies power to the gas stove body 6, at the moment, the six-pin self-locking switch 51 is in a non-pressing state, at the moment, the control circuit board 52 performs voltage reduction processing on the output voltage of the power supply body 4, when the voltage in the power supply body 4 is insufficient, the six-pin self-locking switch 51 is pressed, at the moment, the indicator lamp 53 is on, at the moment, the control circuit board 52 performs voltage boosting processing on the output voltage of the power supply body 4, normal power supply ignition can be continuously performed on the gas stove body 6, when the gas stove is continuously used for about 10 days, the USB plug 44 is pulled down, the USB plug 44 is connected with a mobile phone charging head with the output direct-current voltage of 5V.
Referring to fig. 4, a gas stove includes a gas stove body 6, an original battery box 2 is omitted from the gas stove body 6, a control circuit board 52 is installed at a position where the battery box 2 is installed on the gas stove body 6, a six-pin self-locking switch 51 is arranged on the control circuit board 52, the control circuit board 52 is electrically connected with corresponding positive and negative electrode lines for power supply in the gas stove body 6, 2-3 USB sockets 3 are arranged in parallel at a lower part or a rear side part of a housing of the gas stove body 6, the USB sockets 3 are connected with the control circuit board 52 through electric wires, USB plugs 44 are movably inserted into the USB sockets 3, the USB plugs 44 are connected to 18650 lithium batteries provided with protective plates 43 through electric wires, and a power supply 41 for power supply to the gas stove body 6 is arranged on the 18650 lithium batteries provided with the.
Preferably, an indicator lamp 53 is further disposed on the control circuit board 52.
The working principle is as follows: when the gas stove is used, the USB socket 3 is connected with the USB plug 44, the 18650 battery additionally provided with the protection plate 43 supplies power to the gas stove body 6 through the control circuit board 52, at the moment, the six-pin self-locking switch 51 is in a non-pressing state, at the moment, the control circuit board 52 performs voltage reduction processing on the output voltage of the 18650 battery additionally provided with the protection plate 43, when the voltage in the 18650 battery additionally provided with the protection plate 43 is insufficient, the six-pin self-locking switch 51 is pressed, at the moment, the indicator lamp 53 is lightened, at the moment, the control circuit board 52 performs voltage boosting processing on the output voltage of the 18650 battery additionally provided with the protection plate 43, normal power supply and ignition can be continuously performed on the gas stove body 6, when the gas stove is not used for about 10 days, the USB plug 44 is pulled down, the USB plug 44 is connected with a mobile phone charging head outputting 5V direct current voltage, the 18650 battery additionally provided with the protection, the whole device is simpler, the operation is more convenient, and the possibility of circuit failure is lower.
While the invention has been described above with reference to an embodiment, various modifications may be made and equivalents may be substituted for elements thereof without departing from the scope of the invention. In particular, as long as there is no structural conflict, the various features of the disclosed embodiments of the present invention can be used in any combination with each other, and the non-exhaustive description of these combinations in this specification is merely for the sake of brevity and resource conservation. Therefore, it is intended that the invention not be limited to the particular embodiments disclosed, but that the invention will include all embodiments falling within the scope of the appended claims.
Claims (8)
1. A power supply device for a gas range, comprising:
the gas stove comprises a power supply shell (1), wherein the power supply shell (1) is matched with an existing gas stove battery box (2), the power supply shell (1) is connected with an internal circuit of the gas stove through a positive pole and a negative pole, and a USB (universal serial bus) socket (3) is electrically connected to the power supply shell (1);
the power supply device comprises a power supply body (4), wherein the power supply body (4) comprises a power supply (41) and an electric wire (42), the power supply (41) is a 18650 lithium battery, a protection plate (43) is additionally arranged on the 18650 lithium battery, a positive electrode and a negative electrode for charging and supplying power are arranged on the protection plate (43), the electric wire (42) is connected to the positive electrode and the negative electrode of the protection plate (43), and the end part of the electric wire (42) is connected with a USB plug (44); circuit controller (5), circuit controller (5) include six foot self-locking switch (51) and control circuit board (52), control circuit board (52) electric connection be in on electric wire (42), control circuit board (52) are used for adjusting voltage and switch charge-discharge circuit, six foot self-locking switch (51) and control circuit board (52) electric connection.
2. The power supply device for a gas range according to claim 1, wherein: the capacitance of the power supply body (4) is 1200-2000 mah.
3. The power supply device for a gas range according to claim 1, wherein: the length of the wire (42) is between 30 and 150 cm.
4. The power supply device for a gas range according to claim 1, wherein: the power supply shell (1) is of a cylindrical structure made of conductive plastic with positive and negative poles, and the power supply shell (1) and the No. 1 dry battery are identical in geometric specification and size.
5. The power supply device for a gas range according to claim 1, wherein: the power supply shell (1) is a cylindrical structure made of conductive plastic with positive and negative poles, and one side of the power supply shell (1) is also connected with an auxiliary shell with the same size as the No. 1 dry battery in geometric specification.
6. The power supply device for a gas range according to claim 1, wherein: and an indicator lamp (53) is also arranged on the control circuit board (52).
7. A gas stove is characterized in that: comprises a gas stove body (6), the gas stove body (6) is cancelled with an original battery box (2), a control circuit board (52) is arranged at the position of the gas stove body (6) where the battery box (2) is originally arranged, a six-pin self-locking switch (51) is arranged on the control circuit board (52), the control circuit board (52) is electrically connected with corresponding positive and negative circuits for supplying power in the gas stove body (6), 2-3 USB sockets (3) are arranged in parallel at the lower part or the rear side part of the outer shell of the gas stove body (6), the USB socket (3) is connected with the control circuit board (52) through an electric wire, a USB plug (44) is movably inserted on the USB socket (3), the USB plug (44) is connected to a 18650 lithium battery additionally provided with a protective plate (43) through an electric wire, the 18650 lithium battery with the protective plate (43) is used as a power supply (41) for supplying power to the gas stove body (6).
8. A gas range as claimed in claim 7, wherein: and an indicator lamp (53) is also arranged on the control circuit board (52).
Priority Applications (1)
| Application Number | Priority Date | Filing Date | Title |
|---|---|---|---|
| CN201921256545.3U CN210430948U (en) | 2019-08-05 | 2019-08-05 | Power supply unit and gas-cooker of gas-cooker |
Applications Claiming Priority (1)
| Application Number | Priority Date | Filing Date | Title |
|---|---|---|---|
| CN201921256545.3U CN210430948U (en) | 2019-08-05 | 2019-08-05 | Power supply unit and gas-cooker of gas-cooker |
Publications (1)
| Publication Number | Publication Date |
|---|---|
| CN210430948U true CN210430948U (en) | 2020-04-28 |
Family
ID=70384613
Family Applications (1)
| Application Number | Title | Priority Date | Filing Date |
|---|---|---|---|
| CN201921256545.3U Active CN210430948U (en) | 2019-08-05 | 2019-08-05 | Power supply unit and gas-cooker of gas-cooker |
Country Status (1)
| Country | Link |
|---|---|
| CN (1) | CN210430948U (en) |
Cited By (1)
| Publication number | Priority date | Publication date | Assignee | Title |
|---|---|---|---|---|
| CN111520742A (en) * | 2020-04-30 | 2020-08-11 | 华帝股份有限公司 | Pulse ignition compensation circuit and control method thereof |
-
2019
- 2019-08-05 CN CN201921256545.3U patent/CN210430948U/en active Active
Cited By (2)
| Publication number | Priority date | Publication date | Assignee | Title |
|---|---|---|---|---|
| CN111520742A (en) * | 2020-04-30 | 2020-08-11 | 华帝股份有限公司 | Pulse ignition compensation circuit and control method thereof |
| CN111520742B (en) * | 2020-04-30 | 2023-08-25 | 华帝股份有限公司 | Pulse ignition compensation circuit and control method thereof |
Similar Documents
| Publication | Publication Date | Title |
|---|---|---|
| EP2790289A1 (en) | Portable backup power supply | |
| CN204259876U (en) | Based on the heated clothing temperature control line of USB portable power source | |
| CN204116873U (en) | Electronic cigarette controller | |
| CN210430948U (en) | Power supply unit and gas-cooker of gas-cooker | |
| CN204793473U (en) | USB wall socket switch area lamp charger | |
| CN203933057U (en) | A kind of portable multi-function portable power source | |
| CN102005793B (en) | One can charge and discharge control battery, nested battery and a kind of electric shaver | |
| CN201113484Y (en) | Solar power supply equipment | |
| CN203787988U (en) | Mobile power supply for built-in lighter | |
| CN208158225U (en) | A kind of portable energy-storing power supply | |
| CN102738435B (en) | Improved battery, nested battery and remote controller | |
| CN201717666U (en) | Switch power supply with rechargeable battery for spare | |
| CN201025379Y (en) | Low voltage energy accumulating electrical heating furnace | |
| CN206514338U (en) | A kind of multifuctional solar stores lighter | |
| CN219760689U (en) | Multifunctional mobile power supply | |
| CN107181307B (en) | Multi-source charging protection circuit for battery | |
| CN219938194U (en) | Power supply switching device suitable for electric automobile | |
| CN204205688U (en) | A kind of charger with switch | |
| CN205960760U (en) | Portable power protection control system that synthesizes | |
| CN215009662U (en) | Power supply device of pulse electronic ignition stove | |
| CN203366115U (en) | Domestic power generation system based on lithium iron phosphate battery storage | |
| CN202333859U (en) | Solar energy refrigerator battery accumulator | |
| CN218269154U (en) | USB igniter | |
| CN203928423U (en) | The high-power safe electric water heater of photovoltaic DC 60V | |
| CN219801956U (en) | Automatic charger of switch |
Legal Events
| Date | Code | Title | Description |
|---|---|---|---|
| GR01 | Patent grant | ||
| GR01 | Patent grant |