CN210386666U - 一种模台废料收集装置 - Google Patents
一种模台废料收集装置 Download PDFInfo
- Publication number
- CN210386666U CN210386666U CN201921017994.2U CN201921017994U CN210386666U CN 210386666 U CN210386666 U CN 210386666U CN 201921017994 U CN201921017994 U CN 201921017994U CN 210386666 U CN210386666 U CN 210386666U
- Authority
- CN
- China
- Prior art keywords
- strip
- die table
- cavity
- sliding
- fixedly connected
- Prior art date
- Legal status (The legal status is an assumption and is not a legal conclusion. Google has not performed a legal analysis and makes no representation as to the accuracy of the status listed.)
- Active
Links
- 239000002699 waste material Substances 0.000 claims abstract description 20
- 238000007790 scraping Methods 0.000 claims description 4
- 230000003749 cleanliness Effects 0.000 abstract description 5
- 238000004519 manufacturing process Methods 0.000 description 2
- 230000009286 beneficial effect Effects 0.000 description 1
- 238000004140 cleaning Methods 0.000 description 1
- 230000007797 corrosion Effects 0.000 description 1
- 238000005260 corrosion Methods 0.000 description 1
- 238000001514 detection method Methods 0.000 description 1
- 238000010586 diagram Methods 0.000 description 1
- 230000000694 effects Effects 0.000 description 1
- 238000012423 maintenance Methods 0.000 description 1
- 238000004806 packaging method and process Methods 0.000 description 1
Images
Landscapes
- Details Of Cutting Devices (AREA)
Abstract
本实用新型公开了一种模台废料收集装置,包括模台,所述模台的下端设有多个支架,所述模台上固定连接有装置条和限位条,所述装置条内设有装置腔,所述装置腔内设有移动机构,所述装置条和限位条间设有装置板,所述装置板的两端均设有连接杆,一端所述连接杆与移动机构固定连接,所述限位条相对装置条一侧设有滑槽,另一端所述连接杆延伸至滑槽内并与滑槽的内壁滑动连接,所述装置板内设有条形腔,所述条形腔内设有弹性机构,所述装置板的下方通过弹性机构连接有刮板,所述模台的一侧下方设有收集机构,该装置通过机器代替人工进行清洁,大大提高了工作的效率,且可以清除掉一些附着在模台上的废料,增加了清洁度。
Description
技术领域
本实用新型涉及模台废品收集领域,尤其涉及一种模台废料收集装置。
背景技术
飞模台适合钳工、模具、装配、包装、检测、维修、生产办公等各种生产用途。的桌面经特殊处理,具有防腐、抗冲击力强等特性,多种桌面的选择,可配合不同的使用要求。
模台在工人进行工作后会产生一定的废料,这些废料可能有些较大,有些为粉末状,有些附着在模台上难以清理,现在对于模台的清理一般是人工进行清理,这样及耗时间,大大降低了工作的效率,虽有一些用来清理模台的装置,但这些装置大多是采用毛刷进行清扫,但是毛刷的清扫清理不够干净,清洁不了附着在模台上的废料。
实用新型内容
本实用新型的目的是为了解决现有技术中存在的缺点,而提出的一种模台废料收集装置,该装置通过机器代替人工进行清洁,大大提高了工作的效率,且可以清除掉一些附着在模台上的废料,增加了清洁度。
为了实现上述目的,本实用新型采用了如下技术方案:
一种模台废料收集装置,包括模台,所述模台的下端设有多个支架,所述模台上固定连接有装置条和限位条,所述装置条内设有装置腔,所述装置腔内设有移动机构,所述装置条和限位条间设有装置板,所述装置板的两端均设有连接杆,一端所述连接杆与移动机构固定连接,所述限位条相对装置条一侧设有滑槽,另一端所述连接杆延伸至滑槽内并与滑槽的内壁滑动连接,所述装置板内设有条形腔,所述条形腔内设有弹性机构,所述装置板的下方通过弹性机构连接有刮板,所述模台的一侧下方设有收集机构。
优选地,所述移动机构包括设置在装置条一侧的驱动电机,所述驱动电机的输出轴末端延伸至装置腔内并固定连接有往复丝杆,所述往复丝杆上螺纹连接有滑块,所述滑块与装置腔的内壁滑动连接,所述装置腔的一侧内壁设有条形开口,一端所述连接杆贯穿条形开口并与滑块固定连接。
优选地,所述弹性机构包括设置在条形腔内滑板,所述滑板与条形腔的两侧内壁滑动连接,所述滑板的上侧通过多个弹簧与条形腔的上内壁弹性连接,所述滑板的下侧固定连接有多根连杆,多根所述连杆均贯穿条形腔的下内壁并与刮板固定连接。
优选地,所述收集机构包括设置在模台下方的收集箱,所述模台通过开口和收集箱相连通。
优选地,所述收集箱的一侧设有拉门。
优选地,所述刮板的下方设有橡胶刮套。
本实用新型与现有技术相比,其有益效果为:
1、设置有移动机构和弹性机构,该装置通过机器代替人工进行清洁,大大提高了工作的效率。
2、设置有弹簧和刮板,通过弹簧将刮板紧紧的抵在模台上,可以清除掉一些紧紧附着在模台上的难以去除的废料,大大增加了清洁度。
3、设置有收集机构,通过收集箱对废料进行收集,便于对废料进行后续的处理。
附图说明
图1为本实用新型提出的一种模台废料收集装置的结构示意图;
图2为本实用新型提出的一种模台废料收集装置俯视示意图;
图3为本实用新型提出的一种模台废料收集装置侧视示意图;
图4为本实用新型提出的一种模台废料收集装置环弹性机构示意图。
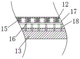
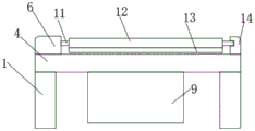
图中:1支架、2驱动电机、3滑块、4模台、5装置腔、6装置条、7往复丝杆、8开口、9收集箱、10拉门、11连接杆、12装置板、13刮板、14限位条、15弹簧、16滑板、17条形腔、18连杆。
具体实施方式
下面将结合本实用新型实施例中的附图,对本实用新型实施例中的技术方案进行清楚、完整地描述,显然,所描述的实施例仅仅是本实用新型一部分实施例,而不是全部的实施例。
参照图1-4,一种模台废料收集装置,包括模台4,模台4的下端设有多个支架1,模台4上固定连接有装置条6和限位条14,装置条6内设有装置腔5,装置腔5内设有移动机构,装置条6和限位条14间设有装置板12,装置条6和限位条14分别位于模台4的两长侧,装置板12的两端均设有连接杆11,一端连接杆11与移动机构固定连接,限位条14相对装置条6一侧设有滑槽,另一端连接杆11延伸至滑槽内并与滑槽的内壁滑动连接,装置板12内设有条形腔17,条形腔17内设有弹性机构,装置板12的下方通过弹性机构连接有刮板13,模台4的一侧下方设有收集机构。
其中,移动机构包括设置在装置条6一侧的驱动电机2,驱动电机2的输出轴末端延伸至装置腔5内并固定连接有往复丝杆7,往复丝杆7上螺纹连接有滑块3,滑块3与装置腔5的内壁滑动连接,装置腔5的一侧内壁设有条形开口,一端连接11贯穿条形开口并与滑块3固定连接。
其中,弹性机构包括设置在条形腔17内滑板16,滑板16与条形腔17的两侧内壁滑动连接,滑板16的上侧通过多个弹簧15与条形腔17的上内壁弹性连接,滑板16的下侧固定连接有多根连杆18,多根连杆18均贯穿条形腔17的下内壁并与刮板13固定连接,受弹簧15的弹性作用,刮板13紧紧的抵住模台4,可以清除掉一些紧紧附着在模台4上的难以去除的废料,大大增加了清洁度。
其中,收集机构包括设置在模台4下方的收集箱9,模台4通过开口8和收集箱9相连通,通过收集箱9对废料进行收集,便于对废料进行后续的处理。
其中,收集箱9的一侧设有拉门10,当需要清理收集箱9时,打开拉门10即可。
其中,刮板13的下方设有橡胶刮套,增加刮板13的清洁效果。
本实用新型中,当需要对模台4进行清理废料时,只需启动驱动电机2带动往复丝杆7转动,往复丝杆7带动其上的滑块3右移,滑块3再通过连接杆11带动装置板12右移,装置板12带动刮板13右移,从而实现对模台4的清理,受多个弹簧15的弹性作用,刮杆13紧紧的抵住模台4,使得刮板13可以清除掉一些紧紧附着在模台4上的难以去除的废料,大大增加了清洁度,刮板13将废料推至开口8处,通过开口8落入收集箱9中,当需要清理收集箱9时只需打开拉门10即可。
以上所述,仅为本实用新型较佳的具体实施方式,但本实用新型的保护范围并不局限于此,任何熟悉本技术领域的技术人员在本实用新型揭露的技术范围内,根据本实用新型的技术方案及其实用新型构思加以等同替换或改变,都应涵盖在本实用新型的保护范围之内。
Claims (6)
1.一种模台废料收集装置,包括模台(4),其特征在于,所述模台(4)的下端设有多个支架(1),所述模台(4)上固定连接有装置条(6)和限位条(14),所述装置条(6)内设有装置腔(5),所述装置腔(5)内设有移动机构,所述装置条(6)和限位条(14)间设有装置板(12),所述装置板(12)的两端均设有连接杆(11),一端所述连接杆(11)与移动机构固定连接,所述限位条(14)相对装置条(6)一侧设有滑槽,另一端所述连接杆(11)延伸至滑槽内并与滑槽的内壁滑动连接,所述装置板(12)内设有条形腔(17),所述条形腔(17)内设有弹性机构,所述装置板(12)的下方通过弹性机构连接有刮板(13),所述模台(4)的一侧下方设有收集机构。
2.根据权利要求1所述的一种模台废料收集装置,其特征在于,所述移动机构包括设置在装置条(6)一侧的驱动电机(2),所述驱动电机(2)的输出轴末端延伸至装置腔(5)内并固定连接有往复丝杆(7),所述往复丝杆(7)上螺纹连接有滑块(3),所述滑块(3)与装置腔(5)的内壁滑动连接,所述装置腔(5)的一侧内壁设有条形开口,一端所述连接杆(11)贯穿条形开口并与滑块(3)固定连接。
3.根据权利要求1所述的一种模台废料收集装置,其特征在于,所述弹性机构包括设置在条形腔(17)内滑板(16),所述滑板(16)与条形腔(17)的两侧内壁滑动连接,所述滑板(16)的上侧通过多个弹簧(15)与条形腔(17)的上内壁弹性连接,所述滑板(16)的下侧固定连接有多根连杆(18),多根所述连杆(18)均贯穿条形腔(17)的下内壁并与刮板(13)固定连接。
4.根据权利要求1所述的一种模台废料收集装置,其特征在于,所述收集机构包括设置在模台(4)下方的收集箱(9),所述模台(4)通过开口(8)和收集箱(9)相连通。
5.根据权利要求4所述的一种模台废料收集装置,其特征在于,所述收集箱(9)的一侧设有拉门(10)。
6.根据权利要求1所述的一种模台废料收集装置,其特征在于,所述刮板(13)的下方设有橡胶刮套。
Priority Applications (1)
| Application Number | Priority Date | Filing Date | Title |
|---|---|---|---|
| CN201921017994.2U CN210386666U (zh) | 2019-07-02 | 2019-07-02 | 一种模台废料收集装置 |
Applications Claiming Priority (1)
| Application Number | Priority Date | Filing Date | Title |
|---|---|---|---|
| CN201921017994.2U CN210386666U (zh) | 2019-07-02 | 2019-07-02 | 一种模台废料收集装置 |
Publications (1)
| Publication Number | Publication Date |
|---|---|
| CN210386666U true CN210386666U (zh) | 2020-04-24 |
Family
ID=70353965
Family Applications (1)
| Application Number | Title | Priority Date | Filing Date |
|---|---|---|---|
| CN201921017994.2U Active CN210386666U (zh) | 2019-07-02 | 2019-07-02 | 一种模台废料收集装置 |
Country Status (1)
| Country | Link |
|---|---|
| CN (1) | CN210386666U (zh) |
Cited By (4)
| Publication number | Priority date | Publication date | Assignee | Title |
|---|---|---|---|---|
| CN111844540A (zh) * | 2020-07-30 | 2020-10-30 | 邱甜甜 | 一种橡胶制品回收利用处理系统及回收处理工艺 |
| CN111957845A (zh) * | 2020-08-04 | 2020-11-20 | 丰宁满族自治县宏亭汽车部件有限公司 | 一种用于汽车冷冲压的进料机构及其使用方法 |
| CN112025946A (zh) * | 2020-09-27 | 2020-12-04 | 巢湖市永安新型建材有限责任公司 | 一种混凝土砌块坯体切割机的料槽防护机构 |
| CN112643123A (zh) * | 2020-12-07 | 2021-04-13 | 芜湖博威机械制造有限公司 | 一种钢管切断加工用废料回收装置 |
-
2019
- 2019-07-02 CN CN201921017994.2U patent/CN210386666U/zh active Active
Cited By (6)
| Publication number | Priority date | Publication date | Assignee | Title |
|---|---|---|---|---|
| CN111844540A (zh) * | 2020-07-30 | 2020-10-30 | 邱甜甜 | 一种橡胶制品回收利用处理系统及回收处理工艺 |
| CN111844540B (zh) * | 2020-07-30 | 2021-04-13 | 湖南铭弘体育产业股份有限公司 | 一种橡胶制品回收利用处理系统及回收处理工艺 |
| CN111957845A (zh) * | 2020-08-04 | 2020-11-20 | 丰宁满族自治县宏亭汽车部件有限公司 | 一种用于汽车冷冲压的进料机构及其使用方法 |
| CN112025946A (zh) * | 2020-09-27 | 2020-12-04 | 巢湖市永安新型建材有限责任公司 | 一种混凝土砌块坯体切割机的料槽防护机构 |
| CN112643123A (zh) * | 2020-12-07 | 2021-04-13 | 芜湖博威机械制造有限公司 | 一种钢管切断加工用废料回收装置 |
| CN112643123B (zh) * | 2020-12-07 | 2022-04-19 | 芜湖博威机械制造有限公司 | 一种钢管切断加工用废料回收装置 |
Similar Documents
| Publication | Publication Date | Title |
|---|---|---|
| CN210386666U (zh) | 一种模台废料收集装置 | |
| CN110355278B (zh) | 一种金属冲压模具 | |
| CN206343714U (zh) | 一种平头机 | |
| CN216687542U (zh) | 一种羊屠宰加工车间的污水处理设备 | |
| CN104624533A (zh) | 一种液压油缸推动式钻杆外壁清洁设备 | |
| CN217067859U (zh) | 一种用于河蟹养殖水质净化装置 | |
| CN204223741U (zh) | 一种辊台的刮粉装置 | |
| CN204728253U (zh) | 一种手持式电动垃圾清除装置 | |
| CN216188753U (zh) | 一种带式输送机皮带清理装置 | |
| CN220224347U (zh) | 一种便于清理的挂具浸泡池 | |
| CN201581141U (zh) | 自动热电解质清理机 | |
| CN204583726U (zh) | 一种基于轴向移动清洁钻杆外壁的装置 | |
| CN211768533U (zh) | 一种生活垃圾输送装置 | |
| CN204208824U (zh) | 自动化模具清理机 | |
| CN209174409U (zh) | 一种振动台清理装置 | |
| CN218663919U (zh) | 一种具有清理机构的压带辊 | |
| CN214239570U (zh) | 一种用于3d打印机残余粉末收集装置 | |
| CN206760705U (zh) | 一种带切刀的生姜清洗装置 | |
| CN210929378U (zh) | 一种自动面点包馅机 | |
| CN109513657B (zh) | 一种铝电解残阳极底掌的清理系统 | |
| CN210452004U (zh) | 一种数控机床排屑装置 | |
| CN220479417U (zh) | 一种饲料加工分拣机 | |
| CN219186006U (zh) | 一种过滤结构 | |
| CN220277671U (zh) | 一种标本收集装置 | |
| CN221336780U (zh) | 一种便于清洁的铣床 |
Legal Events
| Date | Code | Title | Description |
|---|---|---|---|
| GR01 | Patent grant | ||
| GR01 | Patent grant |