CN210292576U - 一种新型肉干烘干装置 - Google Patents

一种新型肉干烘干装置 Download PDF

Info

Publication number
CN210292576U
CN210292576U CN201920887596.XU CN201920887596U CN210292576U CN 210292576 U CN210292576 U CN 210292576U CN 201920887596 U CN201920887596 U CN 201920887596U CN 210292576 U CN210292576 U CN 210292576U
Authority
CN
China
Prior art keywords
drying
heat pump
temperature
box body
box
Prior art date
Legal status (The legal status is an assumption and is not a legal conclusion. Google has not performed a legal analysis and makes no representation as to the accuracy of the status listed.)
Expired - Fee Related
Application number
CN201920887596.XU
Other languages
English (en)
Inventor
张兴春
Current Assignee (The listed assignees may be inaccurate. Google has not performed a legal analysis and makes no representation or warranty as to the accuracy of the list.)
Hainan Sida Yuntong Technology Co ltd
Original Assignee
Hainan Sida Yuntong Technology Co ltd
Priority date (The priority date is an assumption and is not a legal conclusion. Google has not performed a legal analysis and makes no representation as to the accuracy of the date listed.)
Filing date
Publication date
Application filed by Hainan Sida Yuntong Technology Co ltd filed Critical Hainan Sida Yuntong Technology Co ltd
Priority to CN201920887596.XU priority Critical patent/CN210292576U/zh
Application granted granted Critical
Publication of CN210292576U publication Critical patent/CN210292576U/zh
Expired - Fee Related legal-status Critical Current
Anticipated expiration legal-status Critical

Links

Images

Landscapes

  • Drying Of Solid Materials (AREA)

Abstract

本实用新型公开了一种新型肉干烘干装置,包括一侧开口的箱体、位于开口处的与箱体铰接的箱门、设置在箱体中的热泵烘干组件、电辅烘干组件和温度传感器以及与热泵烘干组件、电辅烘干组件、温度传感器电连的控制组件,所述热泵烘干组件包括热泵烘干机组,所述电辅烘干组件包括电热管,还设置有电连所有用电组件的电源和电源开关。本实用新型在进行高温烘干或烘烤时,热泵烘干组件和电辅烘干组件配合使用,升温速度快,烘干温度高;进行常规烘干时,可以只使用热泵烘干组件,升温速度快,烘干品质高,节能高效;热泵烘干组件还具有制冷功能,可以进行低温干燥;热泵烘干组件还具有蒸发器,能够回收烘干过程中得到水蒸气或其他易挥发成分。

Description

一种新型肉干烘干装置
技术领域
本实用新型属于烘干设备技术领域,涉及一种烘干装置,具体涉及一种新型肉干烘干装置。
背景技术
猪肉又名豚肉,是主要家畜之一、猪科动物家猪的肉。其性味甘咸平,含有丰富的蛋白质及脂肪、碳水化合物、钙、铁、磷等营养成分。猪肉是日常生活的主要副食品,具有补虚强身,滋阴润燥、丰肌泽肤的作用。凡病后体弱、产后血虚、面黄赢瘦者,皆可用之作营养滋补之品。猪肉作为餐桌上重要的动物性食品之一,因为纤维较为细软,结缔组织较少,肌肉组织中含有较多的肌间脂肪,因此,经过烹调加工后肉味特别鲜美。
猪肉的深加工产品较多,不同的猪肉产品的处理方式不同,随着社会的发展,人们对零食类的速拆速食需求量越来越大,现在市场上对风干后的食物需求量变大,干猪肉脯变得越来越畅销,因此许多厂家开始加工生产猪肉脯,猪肉脯在生产的过程中需要进行烘干,传统的烘干方式是放在阳光下烘干,这种方式不仅效率低,而且容易使肉变质,因此需要采用烘干机。
现有的烘干机的种类多样,但大部分烘干过程特别是对热敏性物料(例如食品和生物物料)都会对其色泽、营养、风味和组织产生影响。目前,热泵烘干装置因能源消耗少,环境污染小、烘干品质高、适用范围广等优点而受到广泛关注。但是,热泵烘干机因其本身的限制,烘干温度不高,最高温度仅为80℃左右,难以满足高温需求,如中国专利CN108332518A公开了一种闭环热泵烘干机,结构简单,设计合理,热能利用率高,减少了物体的香味的流失,且被烘干物体的干燥收缩和外观颜色比较好,但是该装置仍旧存在温度较低的缺陷。
实用新型内容
本实用新型的目的在于提供一种新型肉干烘干装置,升温速度快,烘干效率高,烘干温度高。
为了实现上述目的,本实用新型的技术方案如下:一种新型肉干烘干装置,包括一侧开口的箱体、位于开口处的与箱体铰接的箱门、设置在箱体中的热泵烘干组件、电辅烘干组件和温度传感器以及与热泵烘干组件、电辅烘干组件、温度传感器电连的控制组件,所述热泵烘干组件包括热泵烘干机组,所述电辅烘干组件包括电热管,还设置有电连所有用电组件的电源和电源开关。
本实用新型在使用时,所述热泵烘干组件和电辅烘干组件配合使用,当烘干温度要求不高时,使用热泵烘干组件进行烘干,升温速度快,烘干效果高,能耗低;当需要高温烘干时,同时开启热泵烘干组件和电辅烘干组件,使用热泵烘干组件进行快速升温,待箱体内温度上升到一定程度时,关闭热泵烘干组件,仅使用电辅烘干组件进行烘干或继续升温,两个烘干组件配合使用,升温速度快,烘干温度高;当需要进行低温烘干时,也可以开启热泵烘干组件的制冷功能,进行低温烘干。
作为优选,所述箱体内设置有多层上下排布的烘干架,所述电热管设置在所述烘干架上,所述电热管上方还设置有用于放置待烘干猪肉的烘干网,所述烘干网和电热管之间留有一定间隙,避免直接接触待烘干猪肉,防止温度过高。
作为优选,所述控制组件包括用于启动热泵烘干组件或电辅烘干组件的热启动按钮、用于控制热泵烘干组件进行低温烘干的冷启动按钮、用于停止烘干的停止按钮、用于设定烘干温度的设定按钮、用于显示设定温度与箱体内实时温度的温度显示屏以及控制芯片,所述控制芯片分别为热启动按钮、冷启动按钮、热泵烘干组件、电辅烘干组件、设定按钮和温度传感器电连。
所述控制组件的控制原理为:通过热启动按钮或冷启动按钮启动,通过设定按钮设定烘干温度T1,控制芯片将设定烘干温度T1与热泵烘干组件的最高额定温度T0对比,如果T1小于或等于T0,控制芯片控制热泵烘干组件启动进行烘干,在烘干过程中,控制芯片接收来自温度传感器的实时烘干温度T2,对热泵烘干组件的烘干功率进行调节,使T2始终保持在T1;如果T1大于T0,控制芯片同时启动热泵烘干组件和电辅烘干组件,箱体内实时温度T2迅速上升,当T2接近或超过TO时,控制芯片关闭热泵烘干组件,电辅烘干组件继续工作,实时温度T2继续上升,对猪肉进行烘干或烘烤,直至实时温度T2接近设定的烘干温度T1,控制芯片根据T2与T1的对比,对电辅烘干组件的烘干功率进行调节,使T2始终保持在T1;当需要停止烘干时,按动停止按钮,烘干机停止工作。
作为优选,还包括与控制芯片电连的定时组件,所述定时组件包括定时启闭按钮、定时设定按钮和定时显示屏,可以通过定时启闭按钮来开启或关闭定时烘干功能,可以通过定时设定按钮设置烘干时长。
作为优选,所述控制组件和定时组件均安装在箱体设置箱门一面的面板上,所述面板为塑料面板,与箱体固定连接。
作为优选,所述烘干架设有至少三层,所述烘干架固定安装在所述箱体内。
作为优选,所述烘干架为由若干相互交错的杆体拼接而成的架体,其内设置有大量上下贯通的间隙,可以使上方掉落的猪肉残渣顺利掉落,避免堆积,影响烘干效率。
作为优选,所述烘干网两侧与箱体内壁滑动连接,所述箱体内壁设置有具有滑槽的滑道,所述滑道与箱体内壁固定连接,所述滑槽开口向上,所述烘干网两侧设置有配合滑槽滑动的滑块,滑动的烘干网可以从箱体内顺利抽出,便于取放猪肉,也便于清洗维护。
作为优选,所述电热管在烘干架上呈W形设置,电路设置简单,烘干均匀。
作为优选,所述烘干网为304不锈钢网,所述烘干架为304不锈钢架,所述箱体内壁为304不锈钢内壁,卫生,使用寿命长。
作为优选,所述电热管为不锈钢电热管,卫生无毒,使用寿命长,便于清理维护。
作为优选,所述箱门包括金属框架和设置在金属框架中的玻璃隔板,在烘干过程中,可以通过玻璃隔板观察箱体内烘干情况。
本实用新型的有益效果有:
1.进行高温烘干或烘烤时,热泵烘干组件和电辅烘干组件配合使用,升温速度快,烘干温度高;
2.进行常规烘干时,可以只使用热泵烘干组件,升温速度快,烘干温度调节灵敏,烘干品质高,节能高效;
3.热泵烘干组件具有制冷功能,可以进行低温干燥,得到的肉干更具风味;
4.设置有控制组件,能够设置并自动调节烘干温度,省时省力,烘干效果好;
5.设置有定时组件,能设定烘干时间,烘干品质高;
6.热泵烘干组件本身具有蒸发器,能够回收烘干过程中得到水蒸气或其他易挥发成分,烘干品质高。
附图说明
图1为本实用新型实施例的立体示意图;
图2为本实用新型实施例的立体透视图;
图3为本实用新型实施例电热管的安装示意图;
图4为本实用新型实施例控制组件的局部示意图;
图5为本实用新型实施例定时组件的局部示意图;
图6为本实用新型实施例烘干架的结构示意图;
图7为本实用新型实施例烘干网与箱体间的安装示意图;
图8为本实用新型实施例箱门的结构示意图;
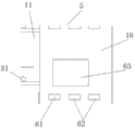
图中各项分别为:11箱体,12开口,13箱门,131金属框架,132玻璃隔板,14烘干架,15烘干网,16面板,17滑槽,18滑道,19滑块,2热泵烘干组件,3电辅烘干组件,31电热管,4温度传感器,5控制组件,51热启动按钮,52冷启动按钮,53停止按钮,54设定按钮,55温度显示屏, 6定时组件,61定时启闭按钮,62定时设定按钮,63定时显示屏,7电源开关。
具体实施方式
下面将结合实施例和附图对本实用新型的技术方案做详细的描述。需要注意的是,在以下实施例中,除特别说明外,所述固定的连接方式或安装方式均为螺丝螺母或螺钉连接
如图1和2所示,一种新型肉干烘干装置,包括一侧开口12的箱体11、位于开口12处的与箱体11铰接的箱门13、设置在箱体11中的热泵烘干组件2、电辅烘干组件3和温度传感器4以及与热泵烘干组件2、电辅烘干组件3、温度传感器4电连的控制组件5,所述热泵烘干组件2包括热泵烘干机组,所述电辅烘干组件3包括电热管31,还设置有电连所有用电组件的电源(图中未画出)和电源开关7。
本实用新型在使用时,所述热泵烘干组件2和电辅烘干组件3配合使用,当烘干温度要求不高时,使用热泵烘干组件2进行烘干,升温速度快,烘干效果高,能耗低;当需要高温烘干时,同时开启热泵烘干组件2和电辅烘干组件3,使用热泵烘干组件2进行快速升温,待箱体内温度上升到一定程度时,关闭热泵烘干组件2,仅使用电辅烘干组件3进行烘干或继续升温,两个烘干组件配合使用,升温速度快,烘干温度高;当需要进行低温烘干时,也可以开启热泵烘干组件2的制冷功能,进行低温烘干。
如图3所示,所述箱体11内设置有多层上下排布的烘干架14,所述烘干架14设有至少三层,在本实施例中设置有三层,所述烘干架14固定安装在所述箱体11内,所述电热管31设置在所述烘干架14上,所述电热管31上方还设置有用于放置待烘干猪肉的烘干网15,所述烘干网15和电热管31之间留有一定间隙,避免直接接触待烘干猪肉,防止温度过高。
如图4所示,所述控制组件5包括用于启动热泵烘干组件2或电辅烘干组件3的热启动按钮51、用于控制热泵烘干组件2进行低温烘干的冷启动按52钮、用于停止烘干的停止按钮53、用于设定烘干温度的设定按钮54、用于显示设定温度与箱体内实时温度的温度显示屏55以及控制芯片(图中未画出),所述控制芯片分别为热启动按钮51、冷启动按钮52、热泵烘干组件2、电辅烘干组件3、设定按钮54和温度传感器4电连。
所述控制组件5的控制原理为:通过热启动按钮51或冷启动按钮52启动,通过设定按钮54设定烘干温度T1,控制芯片将设定烘干温度T1与热泵烘干组件2的最高额定温度T0对比,如果T1小于或等于T0,控制芯片控制热泵烘干组件2启动进行烘干,在烘干过程中,控制芯片接收来自温度传感器4的实时烘干温度T2,对热泵烘干组件2的烘干功率进行调节,使T2始终保持在T1;如果T1大于T0,控制芯片同时启动热泵烘干组件2和电辅烘干组件3,箱体11内实时温度T2迅速上升,当T2接近或超过TO时,控制芯片关闭热泵烘干组件2,电辅烘干组件3继续工作,实时温度T2继续上升,对猪肉进行烘干或烘烤,直至实时温度T2接近设定的烘干温度T1,控制芯片根据T2与T1的对比,对电辅烘干组件3的烘干功率进行调节,使T2始终保持在T1;当需要停止烘干时,按动停止按钮53,烘干机停止工作。
如图5所示,还包括与控制芯片电连的定时组件6,所述定时组件6包括定时启闭按钮61、定时设定按钮62和定时显示屏63,可以通过定时启闭按钮61来开启或关闭定时烘干功能,可以通过定时设定按钮62设置烘干时长。
其中,所述控制组件5和定时组件6均安装在箱体11设置箱门13一面的面板16上,所述面板16为塑料面板,通过螺钉与箱体11固定连接。
如图6所示,所述烘干架14为由若干相互交错的杆体拼接而成的架体,其内设置有大量上下贯通的间隙,可以使上方掉落的猪肉残渣顺利掉落,避免堆积,影响烘干效率。
如图7所示,所述烘干网15两侧与箱体11内壁滑动连接,所述箱体11内壁设置有具有滑槽17的滑道18,所述滑道18与箱体11内壁固定连接,所述滑槽17开口向上,所述烘干网15两侧设置有配合滑槽17滑动的滑块19,滑动的烘干网15可以从箱体11内顺利抽出,便于取放猪肉,也便于清洗维护。
在本实施例中,所述电热管31在烘干架14上呈W形设置,电路设置简单,烘干均匀。所述烘干网15为304不锈钢网,所述烘干架14为304不锈钢架,所述箱体11内壁为304不锈钢内壁,卫生,使用寿命长。所述电热管31为不锈钢电热管,卫生无毒,使用寿命长,便于清理维护。
如图8所示,所述箱门13包括金属框架131和设置在金属框架131中的玻璃隔板132,在烘干过程中,可以通过玻璃隔板132观察箱体11内烘干情况。

Claims (10)

1.一种新型肉干烘干装置,其特征在于:包括一侧开口的箱体、位于所述开口处的与箱体铰接的箱门、设置在箱体中的热泵烘干组件、电辅烘干组件和温度传感器以及与热泵烘干组件、电辅烘干组件、温度传感器电连的控制组件,所述热泵烘干组件包括热泵烘干机组,所述电辅烘干组件包括电热管,还设置有电源和电源开关。
2.根据权利要求1所述的一种新型肉干烘干装置,其特征在于:所述控制组件包括用于启动热泵烘干组件或电辅烘干组件的热启动按钮、用于控制热泵烘干组件进行低温烘干的冷启动按钮、用于停止烘干的停止按钮、用于设定烘干温度的设定按钮、用于显示设定温度与箱体内实时温度的温度显示屏以及控制芯片,所述控制芯片分别为热启动按钮、冷启动按钮、热泵烘干组件、电辅烘干组件、设定按钮和温度传感器电连。
3.根据权利要求2所述的一种新型肉干烘干装置,其特征在于:还包括与控制芯片电连的定时组件,所述定时组件包括定时启闭按钮、定时设定按钮和定时显示屏。
4.根据权利要求3所述的一种新型肉干烘干装置,其特征在于:所述控制组件和定时组件均安装在箱体设置箱门一面的面板上,所述面板为塑料面板,与箱体固定连接。
5.根据权利要求1或2所述的一种新型肉干烘干装置,其特征在于:所述箱体内设置有多层上下排布的烘干架,所述电热管设置在所述烘干架上,所述电热管上方还设置有用于放置待烘干猪肉的烘干网,所述烘干网和电热管之间留有一定间隙。
6.根据权利要求5所述的一种新型肉干烘干装置,其特征在于:所述烘干架设有至少三层,所述烘干架固定安装在所述箱体内。
7.根据权利要求5所述的一种新型肉干烘干装置,其特征在于:所述烘干架为由若干相互交错的杆体拼接而成的架体,其内设置有大量上下贯通的间隙。
8.根据权利要求5所述的一种新型肉干烘干装置,其特征在于:所述烘干网两侧与箱体内壁滑动连接,所述箱体内壁设置有具有滑槽的滑道,所述滑道与箱体内壁固定连接,所述滑槽开口向上,所述烘干网两侧设置有配合滑槽滑动的滑块。
9.根据权利要求2所述的一种新型肉干烘干装置,其特征在于:所述电热管在烘干架上呈W形设置。
10.根据权利要求2所述的一种新型肉干烘干装置,其特征在于:所述箱门包括金属框架和设置在金属框架中的玻璃隔板。
CN201920887596.XU 2019-06-13 2019-06-13 一种新型肉干烘干装置 Expired - Fee Related CN210292576U (zh)

Priority Applications (1)

Application Number Priority Date Filing Date Title
CN201920887596.XU CN210292576U (zh) 2019-06-13 2019-06-13 一种新型肉干烘干装置

Applications Claiming Priority (1)

Application Number Priority Date Filing Date Title
CN201920887596.XU CN210292576U (zh) 2019-06-13 2019-06-13 一种新型肉干烘干装置

Publications (1)

Publication Number Publication Date
CN210292576U true CN210292576U (zh) 2020-04-10

Family

ID=70096916

Family Applications (1)

Application Number Title Priority Date Filing Date
CN201920887596.XU Expired - Fee Related CN210292576U (zh) 2019-06-13 2019-06-13 一种新型肉干烘干装置

Country Status (1)

Country Link
CN (1) CN210292576U (zh)

Cited By (2)

* Cited by examiner, † Cited by third party
Publication number Priority date Publication date Assignee Title
CN115406189A (zh) * 2022-08-05 2022-11-29 河南农业大学 橡胶接触条件下的智能型食品干燥设备
CN115428815A (zh) * 2022-10-21 2022-12-06 安徽师范大学 一种新型猪肉脯的加工装置及其加工方法

Cited By (3)

* Cited by examiner, † Cited by third party
Publication number Priority date Publication date Assignee Title
CN115406189A (zh) * 2022-08-05 2022-11-29 河南农业大学 橡胶接触条件下的智能型食品干燥设备
CN115406189B (zh) * 2022-08-05 2024-03-01 河南农业大学 橡胶接触条件下的智能型食品干燥设备
CN115428815A (zh) * 2022-10-21 2022-12-06 安徽师范大学 一种新型猪肉脯的加工装置及其加工方法

Similar Documents

Publication Publication Date Title
CN107898351A (zh) 一种具有多种运行模式的蒸烤箱
CN210292576U (zh) 一种新型肉干烘干装置
CN101086340A (zh) 蒸汽微波炉的控制方法
CN202800040U (zh) 一种绿茶自动生产线
CN208822472U (zh) 一种可控食物内部温度的蒸烤箱
CN109425187A (zh) 一种清洗机加热方法、清洗机及安装有该清洗机的冰箱
CN201630217U (zh) 一种小型化的即食海产品微波熟化装置
CN208851323U (zh) 一种具有多种运行模式的蒸烤箱
CN209421696U (zh) 一种具有湿度调节功能的蒸烤箱
CN207689945U (zh) 一种自动调节加热温度的蒸烤箱
CN209391665U (zh) 一种滑动式电饭煲结构
CN105686684B (zh) 远红外烧烤炉
CN217303454U (zh) 一种中药饮片加工用烘箱
CN205608556U (zh) 一种智能温控蒸箱
CN204579685U (zh) 一种连续式自动面点醒蒸一体机
CN223541759U (zh) 分体式蒸汽微波加热机
CN220512704U (zh) 一种烤肠机
CN208524526U (zh) 一种食品生产用带有制冷功能的蒸箱
CN219607552U (zh) 一种熟食食品加工用烘干装置
CN222869766U (zh) 一种烟熏腊肠生产用烟熏炉
CN205106150U (zh) 一种烙饼机
CN218184977U (zh) 一种具有循环机构的面点醒发装置
CN218645912U (zh) 一种用于生产苹果半干片的干燥装置
CN215063453U (zh) 一种适用于电路板生产用烘干设备
CN217609346U (zh) 一种制作禽肉及其附件卤制品用的热处理装置

Legal Events

Date Code Title Description
GR01 Patent grant
GR01 Patent grant
CF01 Termination of patent right due to non-payment of annual fee

Granted publication date: 20200410

CF01 Termination of patent right due to non-payment of annual fee