CN210209907U - Metal pipeline surface rust cleaning device - Google Patents
Metal pipeline surface rust cleaning device Download PDFInfo
- Publication number
- CN210209907U CN210209907U CN201921308092.4U CN201921308092U CN210209907U CN 210209907 U CN210209907 U CN 210209907U CN 201921308092 U CN201921308092 U CN 201921308092U CN 210209907 U CN210209907 U CN 210209907U
- Authority
- CN
- China
- Prior art keywords
- seat
- plate
- pipeline
- rust
- fixed
- Prior art date
- Legal status (The legal status is an assumption and is not a legal conclusion. Google has not performed a legal analysis and makes no representation as to the accuracy of the status listed.)
- Expired - Fee Related
Links
- JEIPFZHSYJVQDO-UHFFFAOYSA-N iron(III) oxide Inorganic materials O=[Fe]O[Fe]=O JEIPFZHSYJVQDO-UHFFFAOYSA-N 0.000 title claims abstract description 39
- 239000002184 metal Substances 0.000 title claims abstract description 25
- 238000004140 cleaning Methods 0.000 title abstract description 7
- 239000000428 dust Substances 0.000 claims description 26
- 238000005498 polishing Methods 0.000 claims description 20
- 230000005540 biological transmission Effects 0.000 claims description 17
- 238000009792 diffusion process Methods 0.000 description 3
- 230000000694 effects Effects 0.000 description 3
- 238000010586 diagram Methods 0.000 description 2
- 230000009286 beneficial effect Effects 0.000 description 1
- 238000000034 method Methods 0.000 description 1
- 238000012986 modification Methods 0.000 description 1
- 230000004048 modification Effects 0.000 description 1
Images
Landscapes
- Finish Polishing, Edge Sharpening, And Grinding By Specific Grinding Devices (AREA)
Abstract
The utility model relates to the technical field of pipeline rust removal, in particular to a metal pipeline outer surface rust removal device, which comprises a bottom plate and a fastening plate, wherein a fixed seat is fixed at the right end of a first rotating shaft, the fixed seat is a cylindrical structure with an open right side surface, a second bolt for fixing a pipeline is arranged on the fixed seat, a support is arranged on one side surface of the fixed plate close to the fixed seat, a rotating wheel is arranged on the support, and the outer edge of the rotating wheel is contacted with the left side surface of the fixed seat; the metal pipeline outer surface rust removal device further comprises a moving assembly used for achieving movement of the fastening plate and a rust removal mechanism used for removing rust on the surface of the pipeline. This metal pipeline surface rust cleaning device passes through the sliding fit of first slider with the slide bar for first removal seat removes about can, and mounting plate and extension board also remove thereupon, reaches the purpose of adjusting mounting plate and fixing base interval, is applicable to the pipeline of different length, has enlarged application scope.
Description
Technical Field
The utility model relates to a pipeline rust cleaning technical field specifically is a metal pipeline surface rust cleaning device.
Background
The metal pipeline is exposed outside, the surface of the metal pipeline can be rusted after a long time, and rust removal is needed to be carried out on the metal pipeline in order to prolong the service life of the metal pipeline. However, the pipeline rust removing device in the prior art can only process the pipeline with a fixed length, and is not suitable for use when the length of the pipeline is different, so that the application range is narrow.
SUMMERY OF THE UTILITY MODEL
An object of the utility model is to provide a metal pipeline surface rust cleaning device to solve the problem that proposes among the above-mentioned background art.
In order to achieve the above object, the utility model provides a following technical scheme:
a rust removing device for the outer surface of a metal pipeline comprises a bottom plate and a fastening plate, wherein a fixing plate is fixed at the left end of the bottom plate, and a first rotating shaft is connected to a bearing on the fixing plate; a fixed seat is fixed at the right end of the first rotating shaft, the fixed seat is of a cylindrical structure with an opening on the right side face, a second bolt for fixing a pipeline is arranged on the fixed seat, a support is arranged on one side face, close to the fixed seat, of the fixed plate, a rotating wheel is arranged on the support, and the outer edge of the rotating wheel is in contact with the left side face of the fixed seat;
the metal pipeline outer surface rust removal device also comprises a moving assembly for realizing the movement of the fastening plate and a rust removal mechanism for removing rust on the pipeline surface; realize the removal of mounting plate through removing the subassembly, reach the purpose of adjusting mounting plate and fixing base interval, be applicable to the pipeline of different length, enlarged application scope.
As a further aspect of the present invention: the moving assembly comprises a support plate, a first moving seat and a sliding rod;
the bottom plate is provided with a first groove, the sliding rod is arranged in the first groove, a first sliding block is arranged on the sliding rod in a sliding mode and fixed at the bottom of the first moving seat, a first bolt is connected to the first moving seat in a threaded mode, and the support plate is fixed on the first moving seat;
a second rotating shaft is connected to the center of the fastening plate, one end, far away from the fastening plate, of the second rotating shaft is connected with a bearing seat, and the bearing seat is installed on the support plate; through the sliding fit of first slider and slide bar for first removal seat removes about can, and mounting plate and extension board also remove thereupon, through rotatory first bolt, makes the bottom of first bolt support on the bottom plate, can fix first removal seat.
As a further aspect of the present invention: the derusting mechanism comprises a grinding head assembly and a driving assembly.
As a further aspect of the present invention: the polishing head assembly comprises a polishing head, a telescopic sleeve and a second movable seat;
the bottom of the second moving seat is provided with a second sliding block, the second sliding block is arranged on the sliding rod in a sliding mode, the top of the second moving seat is provided with a mounting plate, the telescopic sleeve is composed of an outer barrel and an inner rod, the inner rod is connected into the outer barrel in a sliding mode, the outer barrel is arranged on the mounting plate, the polishing head is fixed to the top of the inner rod, and the side wall of the outer barrel is provided with a third bolt for fixing the inner rod; through the sliding fit of the sliding rod and the second sliding block, the second movable seat can move left and right, and the polishing head and the telescopic sleeve also move along with the second movable seat.
As a further aspect of the present invention: the driving assembly comprises a motor, a screw rod and a transmission shaft;
the bottom of the second movable seat is provided with a driving block, a second groove is formed in the bottom plate, the screw rod is arranged in the second groove, the screw rod penetrates through the driving block and is in threaded connection with the driving block, the transmission shaft is connected with the screw rod, and the left end of the transmission shaft is provided with a first belt pulley;
the motor is arranged on the fixing plate, an output shaft of the motor is provided with a driving gear and a second belt pulley, the second belt pulley is in transmission connection with the first belt pulley through a belt, the left end of the first rotating shaft is provided with a driven gear, and the driven gear is meshed with the driving gear; the driving gear and the second belt pulley are driven to rotate through the motor, and the first rotating shaft and the fixed seat are driven to rotate by utilizing the meshing of the driving gear and the driven gear; the second belt pulley drives the first belt pulley to rotate through a belt, the first belt pulley drives the transmission shaft and the screw to rotate, and the screw is matched with the driving block in a threaded mode and the slide rod is matched with the second sliding block in a sliding mode, so that the second moving seat is driven to move left and right.
As a further aspect of the present invention: a dust collector is arranged on the mounting plate, a hose is connected to the dust collector, a dust suction hopper is arranged at the bottom of the polishing head, and the dust suction hopper is connected with the hose; when the pipeline rotates, the polishing head polishes the surface of the pipeline, and rust dust can be sucked into the dust collector through the dust collection hopper, so that dust diffusion is reduced, and pollution is reduced.
Compared with the prior art, the beneficial effects of the utility model are that:
1. this metal pipeline surface rust cleaning device is through the sliding fit of first slider with the slide bar for first removal seat removes about can, mounting plate and extension board also remove along with it, remove first removal seat and remove the right-hand member contact of mounting plate and pipeline, the rotatory first bolt of rethread, make the bottom of first bolt support on the bottom plate, can fix first removal seat, reach the purpose of adjusting mounting plate and fixing base interval, be applicable to the pipeline of different length, application scope has been enlarged.
2. The metal pipeline outer surface rust removal device is stretched and retracted through the telescopic sleeve, so that the polishing head is in contact with the surface of a pipeline, the driving gear and the second belt pulley are driven to rotate through the motor, the first rotating shaft and the fixed seat are driven to rotate by utilizing the meshing of the driving gear and the driven gear, and the fixed seat drives the pipeline to rotate; the second belt pulley drives the first belt pulley to rotate through the belt, the first belt pulley drives the transmission shaft and the screw rod to rotate, the screw rod is matched with the driving block in a threaded mode, the slide rod is matched with the second sliding block in a sliding mode, the second moving seat is driven to move left and right, the polishing head also moves along with the second moving seat, the surface of the pipeline can be polished and derusted, the pipeline is driven to rotate and the polishing head is driven to move through the motor, and the energy-saving effect is achieved.
3. When the surface of the pipeline is polished by the polishing head, rust dust can be sucked into the dust collector through the dust collecting hopper, so that dust diffusion is reduced, and pollution is reduced.
Drawings
In order to illustrate the technical solutions in the embodiments of the present invention more clearly, the drawings that are needed in the description of the embodiments or the prior art will be briefly described below, and it is obvious that the drawings in the following description are only some embodiments of the present invention.
Fig. 1 is a schematic structural diagram of embodiment 1 of the present invention.
Fig. 2 is a schematic structural view of a bottom plate, a slide rod and a screw rod in embodiment 1 of the present invention.
Fig. 3 is a schematic side view of the first movable seat and the first slider in embodiment 1 of the present invention.
Fig. 4 is a schematic side view of the second movable seat, the second slider and the driving block in embodiment 1 of the present invention.
Fig. 5 is a schematic structural diagram of embodiment 2 of the present invention.
Fig. 6 is a schematic side view of the second movable seat, the second slider and the driving block in embodiment 2 of the present invention.
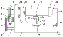
In the figure: 1-a base plate, 2-a drive shaft, 3-a first belt pulley, 4-a belt, 5-a second belt pulley, 6-a drive gear, 7-a driven gear, 8-a first rotating shaft, 9-a fixed plate, 10-a support, 11-a fixed seat, 12-a pipe, 13-a polishing head, 14-a fastening plate, 15-a bearing seat, 16-a support plate, 17-a first bolt, 18-a first moving seat, 19-a second moving seat, 20-a motor, 21-a rotating wheel, 22-a second bolt, 23-a third bolt, 24-a telescopic sleeve, 25-a mounting plate, 26-a first groove, 27-a sliding rod, 28-a second groove, 29-a screw, 30-a second rotating shaft, 31-a first slide block, 32-second slide block, 33-driving block, 34-hose, 35-dust collector, 36-dust collecting hopper.
Detailed Description
In order to make the technical problem, technical solution and advantageous effects to be solved by the present invention more clearly understood, the following description is given in conjunction with the accompanying drawings and embodiments to illustrate the present invention in further detail. It should be understood that the specific embodiments described herein are merely illustrative of the invention and are not intended to limit the invention.
Example 1
Referring to fig. 1 to 4, in an embodiment of the present invention, a metal pipeline outer surface rust removing device includes a bottom plate 1 and a fastening plate 14, a fixing plate 9 is fixed at a left end of the bottom plate 1, and a first rotating shaft 8 is connected to the fixing plate 9 in a bearing manner; a fixed seat 11 is fixed at the right end of the first rotating shaft 8, the fixed seat 11 is a cylindrical structure with an opening on the right side surface, a second bolt 22 for fixing the pipeline 12 is arranged on the fixed seat 11, a support 10 is arranged on one side surface, close to the fixed seat 11, of the fixed plate 9, a rotating wheel 21 is arranged on the support 10, and the outer edge of the rotating wheel 21 is in contact with the left side surface of the fixed seat 11; the supports 10 are distributed in a central symmetry manner;
the metal pipeline outer surface rust removing device also comprises a moving assembly for realizing the movement of the fastening plate 14 and a rust removing mechanism for removing rust on the surface of the pipeline 12; realize the removal of mounting plate 14 through removing the subassembly, reach the purpose of adjusting mounting plate 14 and 11 intervals of fixing base, be applicable to the pipeline 12 of different length, enlarged application scope.
Further, the moving assembly comprises a support plate 16, a first moving seat 18 and a sliding rod 27;
a first groove 26 is formed in the bottom plate 1, a sliding rod 27 is arranged in the first groove 26, a first sliding block 31 is arranged on the sliding rod 27 in a sliding manner, the first sliding block 31 is fixed at the bottom of the first moving seat 18, a first bolt 17 is connected to the first moving seat 18 in a threaded manner, and the support plate 16 is fixed on the first moving seat 18; the first grooves 26 are two and symmetrically arranged front and back;
a second rotating shaft 30 is connected to the center of the fastening plate 14, a bearing seat 15 is connected to one end, away from the fastening plate 14, of the second rotating shaft 30, and the bearing seat 15 is installed on the support plate 16; through the sliding fit of the first sliding block 31 and the sliding rod 27, the first moving seat 18 can move left and right, the fastening plate 14 and the support plate 16 also move along with the first sliding block, and the bottom end of the first bolt 17 abuts against the bottom plate 1 through rotating the first bolt 17, so that the first moving seat 18 can be fixed.
Further, the rust removing mechanism comprises a grinding head assembly and a driving assembly.
Specifically, the polishing head assembly comprises a polishing head 13, a telescopic sleeve 24 and a second movable seat 19;
a second sliding block 32 is arranged at the bottom of the second moving seat 19, the second sliding block 32 is arranged on a sliding rod 27 in a sliding mode, a mounting plate 25 is arranged at the top of the second moving seat 19, the telescopic sleeve 24 is composed of an outer cylinder and an inner rod, the inner rod is connected into the outer cylinder in a sliding mode, the outer cylinder is arranged on the mounting plate 25, the polishing head 13 is fixed at the top of the inner rod, and a third bolt 23 used for fixing the inner rod is arranged on the side wall of the outer cylinder; through the sliding fit of the sliding rod 27 and the second sliding block 32, the second movable seat 19 can move left and right, and the sanding head 13 and the telescopic sleeve 24 also move along with the second movable seat.
Specifically, the driving assembly comprises a motor 20, a screw 29 and a transmission shaft 2;
the bottom of the second movable seat 19 is provided with a driving block 33, the bottom plate 1 is provided with a second groove 28, the screw 29 is arranged in the second groove 28, the screw 29 penetrates through the driving block 33 and is in threaded connection with the driving block, the transmission shaft 2 is connected with the screw 29, and the left end of the transmission shaft 2 is provided with a first belt pulley 3; the transmission shaft 2 is in bearing connection with the left side wall of the second groove 28, and the right end of the screw 29 is in bearing connection with the right side wall of the second groove 28;
the motor 20 is arranged on the fixing plate 9, an output shaft of the motor 20 is provided with a driving gear 6 and a second belt pulley 5, the second belt pulley 5 is in transmission connection with the first belt pulley 3 through a belt 4, the left end of the first rotating shaft 8 is provided with a driven gear 7, and the driven gear 7 is meshed with the driving gear 6; the driving gear 6 and the second belt pulley 5 are driven to rotate through the motor 20, and the first rotating shaft 8 and the fixed seat 11 are driven to rotate by utilizing the meshing of the driving gear 6 and the driven gear 7; the second belt pulley 5 drives the first belt pulley 3 to rotate through the belt 4, the first belt pulley 3 drives the transmission shaft 2 and the screw 29 to rotate, and the screw 29 is matched with the driving block 33 through threads and the slide rod 27 is matched with the second slide block 32 through sliding, so that the second moving seat 19 is driven to move left and right.
The embodiment of the utility model provides a theory of operation is: when the pipeline fixing device is used, the pipeline 12 is inserted into the fixing seat 11 and is fixed through the second bolt 22, the first sliding block 31 is in sliding fit with the sliding rod 27, the first moving seat 18 can move left and right, the fastening plate 14 and the support plate 16 also move along with the first moving seat 18, the first moving seat 18 is moved to the position where the fastening plate 14 is in contact with the right end of the pipeline 12, the bottom end of the first bolt 17 abuts against the bottom plate 1 through rotating the first bolt 17, the first moving seat 18 can be fixed, the purpose of adjusting the distance between the fastening plate 14 and the fixing seat 11 is achieved, the pipeline fixing device is suitable for pipelines 12 of different lengths, and the application range is expanded; the polishing head 13 is in contact with the surface of the pipeline 12 through the telescopic sleeve 24, the driving gear 6 and the second belt pulley 5 are driven to rotate through the motor 20, the first rotating shaft 8 and the fixed seat 11 are driven to rotate by utilizing the meshing of the driving gear 6 and the driven gear 7, and the pipeline 12 is driven to rotate by the fixed seat 11; the second belt pulley 5 drives the first belt pulley 3 to rotate through the belt 4, the first belt pulley 3 drives the transmission shaft 2 and the screw 29 to rotate, the screw thread fit of the screw 29 and the driving block 33 and the sliding fit of the sliding rod 27 and the second sliding block 32 are utilized to further drive the second moving seat 19 to move left and right, the polishing head 13 also moves along with the screw thread fit, the surface of the pipeline 12 can be polished and derusted, the pipeline 12 is driven to rotate and the polishing head 13 is driven to move through the motor 20, and the energy-saving effect is achieved.
Example 2
Referring to fig. 5 to 6, in an embodiment of the present invention, a metal pipeline outer surface rust removing device is different from embodiment 1 in that a dust collector 35 is disposed on the mounting plate 25, a hose 34 is connected to the dust collector 35, a dust collecting hopper 36 is disposed at the bottom of the polishing head 13, and the dust collecting hopper 36 is connected to the hose 34; when the pipeline 12 rotates, the polishing head 13 polishes the surface of the pipeline 12, and rust dust can be sucked into the dust collector 35 through the dust collecting hopper 36, so that dust diffusion is reduced, and pollution is reduced.
The electrical components presented in the document are all electrically connected with an external master controller and 220V mains, and the master controller can be a conventional known device controlled by a computer or the like.
In the description of the present invention, unless otherwise expressly specified or limited, the terms "mounted," "connected," and "connected" are to be construed broadly, e.g., as meaning a fixed connection, a removable connection, or an integral connection; can be mechanically or electrically connected; they may be connected directly or indirectly through intervening media, or they may be interconnected between two elements. The specific meaning of the above terms in the present invention can be understood in specific cases to those skilled in the art.
The above description is only exemplary of the present invention and should not be taken as limiting the scope of the present invention, as any modifications, equivalents, improvements and the like made within the spirit and principles of the present invention are intended to be included within the scope of the present invention.
Claims (6)
1. A rust removing device for the outer surface of a metal pipeline comprises a bottom plate (1) and a fastening plate (14), wherein a fixing plate (9) is fixed at the left end of the bottom plate (1), a first rotating shaft (8) is in bearing connection with the fixing plate (9), and the rust removing device is characterized in that a fixing seat (11) is fixed at the right end of the first rotating shaft (8), the fixing seat (11) is of a cylindrical structure with an opening on the right side face, a second bolt (22) used for fixing a pipeline (12) is arranged on the fixing seat (11), a support (10) is arranged on one side face, close to the fixing seat (11), of the fixing plate (9), a rotating wheel (21) is arranged on the support (10), and the outer edge of the rotating wheel;
the metal pipeline outer surface rust removing device also comprises a moving assembly used for realizing the movement of the fastening plate (14) and a rust removing mechanism used for removing rust on the surface of the pipeline (12).
2. The device for removing rust from the outer surface of metal pipes according to claim 1, characterized in that the moving assembly comprises a support plate (16), a first moving seat (18) and a sliding rod (27);
a first groove (26) is formed in the bottom plate (1), a sliding rod (27) is arranged in the first groove (26), a first sliding block (31) is arranged on the sliding rod (27) in a sliding mode, the first sliding block (31) is fixed to the bottom of a first moving seat (18), a first bolt (17) is connected to the first moving seat (18) in a threaded mode, and a support plate (16) is fixed to the first moving seat (18);
the center of the fastening plate (14) is connected with a second rotating shaft (30), one end, away from the fastening plate (14), of the second rotating shaft (30) is connected with a bearing seat (15), and the bearing seat (15) is installed on the support plate (16).
3. The apparatus for removing rust from the outer surface of a metal pipe as claimed in claim 2, wherein the rust removing mechanism comprises a grinding head assembly and a driving assembly.
4. The metal pipeline outer surface rust removing device according to claim 3, wherein the grinding head assembly comprises a grinding head (13), a telescopic sleeve (24) and a second movable seat (19);
the bottom that the second removed seat (19) is equipped with second slider (32), and second slider (32) slide to be set up on slide bar (27), and the top that the second removed seat (19) is equipped with mounting panel (25), and telescopic sleeve (24) comprise urceolus and interior pole, interior pole sliding connection in the urceolus, and the urceolus setting is on mounting panel (25), and the top at interior pole is fixed in polishing head (13), is equipped with third bolt (23) that are used for fixed interior pole on the lateral wall of urceolus.
5. The device for removing rust from the outer surface of a metal pipe as claimed in claim 4, wherein the drive assembly comprises a motor (20), a screw (29) and a transmission shaft (2);
a driving block (33) is arranged at the bottom of the second moving seat (19), a second groove (28) is formed in the bottom plate (1), a screw rod (29) is arranged in the second groove (28), the screw rod (29) penetrates through the driving block (33) and is in threaded connection with the driving block, the transmission shaft (2) is connected with the screw rod (29), and a first belt pulley (3) is arranged at the left end of the transmission shaft (2);
the motor (20) is installed on the fixing plate (9), a driving gear (6) and a second belt pulley (5) are arranged on an output shaft of the motor (20), the second belt pulley (5) is in transmission connection with the first belt pulley (3) through a belt (4), a driven gear (7) is arranged at the left end of the first rotating shaft (8), and the driven gear (7) is meshed with the driving gear (6).
6. The metal pipeline outer surface rust removing device according to claim 4 or 5, characterized in that a dust collector (35) is arranged on the mounting plate (25), a hose (34) is connected to the dust collector (35), a dust suction hopper (36) is arranged at the bottom of the sanding head (13), and the dust suction hopper (36) is connected with the hose (34).
Priority Applications (1)
| Application Number | Priority Date | Filing Date | Title |
|---|---|---|---|
| CN201921308092.4U CN210209907U (en) | 2019-08-13 | 2019-08-13 | Metal pipeline surface rust cleaning device |
Applications Claiming Priority (1)
| Application Number | Priority Date | Filing Date | Title |
|---|---|---|---|
| CN201921308092.4U CN210209907U (en) | 2019-08-13 | 2019-08-13 | Metal pipeline surface rust cleaning device |
Publications (1)
| Publication Number | Publication Date |
|---|---|
| CN210209907U true CN210209907U (en) | 2020-03-31 |
Family
ID=69918477
Family Applications (1)
| Application Number | Title | Priority Date | Filing Date |
|---|---|---|---|
| CN201921308092.4U Expired - Fee Related CN210209907U (en) | 2019-08-13 | 2019-08-13 | Metal pipeline surface rust cleaning device |
Country Status (1)
| Country | Link |
|---|---|
| CN (1) | CN210209907U (en) |
Cited By (5)
| Publication number | Priority date | Publication date | Assignee | Title |
|---|---|---|---|---|
| CN111300179A (en) * | 2020-04-01 | 2020-06-19 | 六安联众工业自动化技术有限公司 | Automatic polishing machine for tubular castings |
| CN112171483A (en) * | 2020-10-08 | 2021-01-05 | 曹辉勤 | A high-efficient rust cleaning device of pipeline for ocean drilling platform |
| CN112323979A (en) * | 2020-10-27 | 2021-02-05 | 长江精工钢结构(集团)股份有限公司 | Construction method of support-free cantilever structure |
| CN112975607A (en) * | 2021-02-08 | 2021-06-18 | 罗洋 | New energy automobile production is with location processingequipment |
| CN115365907A (en) * | 2022-09-21 | 2022-11-22 | 鹰潭大宇科技有限公司 | Precision grinding device for copper bar processing |
-
2019
- 2019-08-13 CN CN201921308092.4U patent/CN210209907U/en not_active Expired - Fee Related
Cited By (6)
| Publication number | Priority date | Publication date | Assignee | Title |
|---|---|---|---|---|
| CN111300179A (en) * | 2020-04-01 | 2020-06-19 | 六安联众工业自动化技术有限公司 | Automatic polishing machine for tubular castings |
| CN112171483A (en) * | 2020-10-08 | 2021-01-05 | 曹辉勤 | A high-efficient rust cleaning device of pipeline for ocean drilling platform |
| CN112323979A (en) * | 2020-10-27 | 2021-02-05 | 长江精工钢结构(集团)股份有限公司 | Construction method of support-free cantilever structure |
| CN112975607A (en) * | 2021-02-08 | 2021-06-18 | 罗洋 | New energy automobile production is with location processingequipment |
| CN115365907A (en) * | 2022-09-21 | 2022-11-22 | 鹰潭大宇科技有限公司 | Precision grinding device for copper bar processing |
| CN115365907B (en) * | 2022-09-21 | 2024-02-02 | 鹰潭大宇科技有限公司 | Accurate processingequipment that polishes that bar copper processing was used |
Similar Documents
| Publication | Publication Date | Title |
|---|---|---|
| CN210209907U (en) | Metal pipeline surface rust cleaning device | |
| CN115847204A (en) | Sealed bearing inner race processingequipment | |
| CN111546184A (en) | Grinding device is used in stainless steel goods production and processing | |
| CN118528161A (en) | A surface treatment device for automobile brake disc | |
| CN119238263A (en) | A device for uniformly grinding multi-aperture bearing rings in all directions | |
| CN210189402U (en) | Polishing equipment for hardware connecting piece production | |
| CN117001528A (en) | Hardware tool finished product processing burnishing and polishing device | |
| CN112008577A (en) | Manufacturing raw material pretreatment equipment for machine manufacturing | |
| CN214322824U (en) | Flexible grinding device of numerical control steel pipe | |
| CN107738168B (en) | Water-cooled air conditioner motor pivot surface rust cleaning grinding device | |
| CN222818658U (en) | Internal water washing structure of grinding disc | |
| CN210098330U (en) | Electronic component surface cleaning device | |
| CN210307246U (en) | Synchronous polishing device for inner wall and outer wall of bearing ring | |
| CN113352223A (en) | Intelligent polishing machine for metal products | |
| CN115946021B (en) | Rust removal device for inner and outer surfaces of steel pipe | |
| CN220839530U (en) | Steel pipe rust cleaning sanding device | |
| CN218613292U (en) | Metal handle grinding device | |
| CN118988815A (en) | Cable online descaling recovery device | |
| CN215748474U (en) | Metal pipe surface rust cleaning device that polishes | |
| CN116900900A (en) | Pipeline inner wall rust cleaning equipment with clean function | |
| CN116079563A (en) | Fastener rust cleaning device | |
| CN216859300U (en) | Rust removal device for internally-coated and plastic-coated composite steel pipe | |
| CN220446110U (en) | Computer casing polishing equipment | |
| CN219853852U (en) | Rust removal equipment | |
| CN222430335U (en) | Oxide layer removing device |
Legal Events
| Date | Code | Title | Description |
|---|---|---|---|
| GR01 | Patent grant | ||
| GR01 | Patent grant | ||
| CF01 | Termination of patent right due to non-payment of annual fee | ||
| CF01 | Termination of patent right due to non-payment of annual fee |
Granted publication date: 20200331 Termination date: 20210813 |