CN210132669U - 一种用于废旧塑料回收加工的旋转式脉冲喷水装置 - Google Patents
一种用于废旧塑料回收加工的旋转式脉冲喷水装置 Download PDFInfo
- Publication number
- CN210132669U CN210132669U CN201920620538.0U CN201920620538U CN210132669U CN 210132669 U CN210132669 U CN 210132669U CN 201920620538 U CN201920620538 U CN 201920620538U CN 210132669 U CN210132669 U CN 210132669U
- Authority
- CN
- China
- Prior art keywords
- cylinder
- thick bamboo
- water
- water inlet
- connector
- Prior art date
- Legal status (The legal status is an assumption and is not a legal conclusion. Google has not performed a legal analysis and makes no representation as to the accuracy of the status listed.)
- Active
Links
- XLYOFNOQVPJJNP-UHFFFAOYSA-N water Substances O XLYOFNOQVPJJNP-UHFFFAOYSA-N 0.000 title claims abstract description 61
- 239000004033 plastic Substances 0.000 title claims abstract description 32
- 229920003023 plastic Polymers 0.000 title claims abstract description 32
- 239000002699 waste material Substances 0.000 title claims abstract description 22
- 238000005507 spraying Methods 0.000 title claims description 7
- 238000004064 recycling Methods 0.000 title description 2
- 235000017166 Bambusa arundinacea Nutrition 0.000 claims abstract description 33
- 235000017491 Bambusa tulda Nutrition 0.000 claims abstract description 33
- 241001330002 Bambuseae Species 0.000 claims abstract description 33
- 235000015334 Phyllostachys viridis Nutrition 0.000 claims abstract description 33
- 239000011425 bamboo Substances 0.000 claims abstract description 33
- 239000007921 spray Substances 0.000 claims abstract description 25
- 238000007789 sealing Methods 0.000 claims description 18
- 238000011084 recovery Methods 0.000 claims description 6
- 238000003860 storage Methods 0.000 claims description 6
- 238000003466 welding Methods 0.000 claims description 5
- 229910001335 Galvanized steel Inorganic materials 0.000 claims description 4
- 239000008397 galvanized steel Substances 0.000 claims description 4
- 239000010935 stainless steel Substances 0.000 claims description 4
- 229910001220 stainless steel Inorganic materials 0.000 claims description 4
- 239000008399 tap water Substances 0.000 claims description 3
- 235000020679 tap water Nutrition 0.000 claims description 3
- 230000006978 adaptation Effects 0.000 claims description 2
- 238000002360 preparation method Methods 0.000 claims description 2
- 229920001651 Cyanoacrylate Polymers 0.000 claims 1
- 239000004830 Super Glue Substances 0.000 claims 1
- 238000004140 cleaning Methods 0.000 abstract description 3
- 239000000155 melt Substances 0.000 description 2
- 238000002844 melting Methods 0.000 description 2
- 230000008018 melting Effects 0.000 description 2
- 239000002245 particle Substances 0.000 description 2
- 239000002994 raw material Substances 0.000 description 2
- 229920000426 Microplastic Polymers 0.000 description 1
- 230000009286 beneficial effect Effects 0.000 description 1
- 238000001816 cooling Methods 0.000 description 1
- 230000008878 coupling Effects 0.000 description 1
- 238000010168 coupling process Methods 0.000 description 1
- 238000005859 coupling reaction Methods 0.000 description 1
- 238000005520 cutting process Methods 0.000 description 1
- 238000005034 decoration Methods 0.000 description 1
- 230000007547 defect Effects 0.000 description 1
- 238000005516 engineering process Methods 0.000 description 1
- 239000000463 material Substances 0.000 description 1
- 238000003672 processing method Methods 0.000 description 1
Images
Landscapes
- Nozzles (AREA)
Abstract
本实用新型公开了一种用于废旧塑料回收加工的旋转式脉冲喷水装置,包括进水管,进水管的右端与进水筒相连,所述进水筒的右端伸入到旋转筒的内部,所述旋转筒内壁的左侧设有环形槽,所述旋转筒的右侧通过连接板、旋转轴与伺服电机相连。所述进水筒上安装有若干连接管和连接头,所述连接头位于旋转筒内壁上的环形槽内,所述环形槽内均匀安装有喷管,所述喷管穿过旋转筒延伸到旋转筒的外部,所述喷管的端部安装有喷头。本实用新型可以对融熔状塑料进行迅速切割、迅速冷却,也可以用来清洗废旧塑料。
Description
技术领域
本实用新型涉及塑料加工技术领域,具体涉及一种用于废旧塑料回收加工的旋转式脉冲喷水装置。
背景技术
一般塑料很难分解,对环境破坏严重,因此需要对一些废旧塑料进行回收利用,而废旧塑料经过一系列清洗搅拌后,需要再次加工。现有的塑料加工大都采用先将原材料进行加热呈熔融状态,再经过机械刀片切割,在加工时物料容易粘黏在刀片上,而且冷却不充分不及时塑料产品容易过热脆化。使得产品质量下降,废品率高,造成原材料的浪费。另外,现有的废旧塑料回收中也缺少脉冲式的清洗装置。
实用新型内容
本实用新型解决的技术问题在于克服现有技术的缺陷,提供一种用于废旧塑料回收加工的旋转式脉冲喷水装置。
本实用新型通过以下技术方案予以实现:
一种用于废旧塑料回收加工的旋转式脉冲喷水装置,包括旋转轴、喷头、连接板、增压泵、进水筒、连接头、连接管、环形槽、第三出水孔、喷管、旋转筒、进水管、伺服电机。
所述进水管上安装有增压泵,进水管的右端与进水筒相连,所述进水筒的右端伸入到旋转筒的内部,且所述进水筒与旋转筒的中心轴线在同一直线上,所述旋转筒为空心圆形管状结构,所述旋转筒内壁的左侧设有环形槽,所述旋转筒内壁的右侧安装有圆形的连接板,所述连接板的中心安装有旋转轴,所述旋转轴与伺服电机的输出轴通过联轴器相连。
所述进水筒上安装有若干均匀分布的连接管,所述连接管的一端与进水筒内部相通,所述连接管的另一端安装有连接头,所述连接头位于旋转筒内壁上的环形槽内,所述连接头的形状大小与环形槽相适配,所述环形槽内均匀设有若干第三出水孔,所述第三出水孔中安装有喷管,所述喷管穿过旋转筒延伸到旋转筒的外部,所述喷管的端部安装有喷头。
进一步的,所述进水筒由左封板、右封板、筒体焊接而成,所述筒体为圆形管状结构,所述左封板、右封板分别焊接在筒体的左右两端,所述左封板上设有螺纹孔,所述螺纹孔通过螺纹密封连接的方式与进水管相连。
进一步的,所述连接头为空心球体,采用橡胶制作而成,所述连接头在沿着连接管的轴线方向设有第二进水孔、第二出水孔,所述连接管插入到第二进水孔中,所述连接管的外壁与第二进水孔的内壁之间用强力胶密封连接。
进一步的,所述喷头设有扁平状出口,喷出的高压水流为片状。
进一步的,所述进水管采用不锈钢钢管或镀锌钢管制作,进水管的左端与自来水、储水池或其它储水容器相连。
与现有技术相比,本实用新型具有以下有益效果:
本实用新型的进水管将高压水输送至进水筒内,再通过连接管进入连接头,与此同时伺服电机通过旋转轴带动旋转筒转动,使得连接头与第三出水孔间歇性对准,从而使得高压水从连接头间歇性流向喷管,再从喷头脉冲式喷出。本实用新型可以通过调节伺服电机的旋转速率来控制喷头喷水的脉冲频率。本实用新型主要用于废旧塑料熔化加工时,喷出脉冲式高压片状水流对融熔状塑料进行迅速切割、迅速冷却,形成塑料小颗粒,解决机械切割所存在的刀具粘连、塑料过热脆化问题,本实用新型也可以用来清洗废旧塑料。
附图说明
图1为本实用新型的主视图。
图2为图1中A处局部放大图。
图3为本实用新型的左视图。
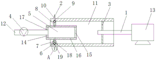
附图中,1.旋转轴,2.喷头,3.连接板,4.增压泵,5.进水筒,6.连接头,7.连接管,8.环形槽,9.第三出水孔,10.喷管,11.旋转筒,12.进水管,13.伺服电机,14.左封板,15.右封板,16.筒体,17.螺纹孔,18.第二进水孔,19.第二出水孔。
具体实施方式
下面结合具体实施方式对本实用新型作进一步的说明。其中,附图仅用于示例性说明,表示的仅是示意图,而非实物图,不能理解为对本专利的限制;为了更好地说明本实用新型的实施例,附图某些部件会有省略、放大或缩小,并不代表实际产品的尺寸;对本领域技术人员来说,附图中某些公知结构及其说明可能省略是可以理解的。
如图1、图2、图3所示,一种用于废旧塑料回收加工的旋转式脉冲喷水装置,包括旋转轴1、喷头2、连接板3、增压泵4、进水筒5、连接头6、连接管7、环形槽8、第三出水孔9、喷管10、旋转筒11、进水管12、伺服电机13、左封板14、右封板15、筒体16、螺纹孔17、第二进水孔18、第二出水孔19。
进水管12采用不锈钢钢管或镀锌钢管制作,进水管12的左端与自来水、储水池或其它储水容器相连,进水管12上安装有增压泵4,进水管12的右端与进水筒5相连。
进水筒5的右端伸入到旋转筒11的内部,且进水筒5与旋转筒11的中心轴线在同一直线上。旋转筒11为空心圆形管状结构,采用不锈钢钢管或镀锌钢管制作,旋转筒11内壁的左侧开有环形槽8。旋转筒11内壁的右侧焊接有圆形的连接板3,所述连接板3的中心焊接有旋转轴1,所述旋转轴1与伺服电机13的输出轴通过联轴器相连。
进水筒5由左封板14、右封板15、筒体16焊接而成。所述筒体16为圆形管状结构,所述左封板14、右封板15分别焊接在筒体16的左右两端。左封板14上设有螺纹孔17,所述螺纹孔17通过螺纹密封连接的方式与进水管12相连。筒体16上安装有若干均匀分布的连接管7,所述连接管7的一端与筒体16内部相通,所述连接管7的另一端安装有连接头6。
所述连接头6为空心球体,采用橡胶制作而成。连接头6在沿着连接管7的轴线方向设有第二进水孔18、第二出水孔19,所述连接管7插入到第二进水孔18中,所述连接管7的外壁与第二进水孔18的内壁之间用强力胶密封连接。
所述连接头6位于旋转筒11内壁上的环形槽8内,所述连接头6的形状大小与环形槽8相适配。环形槽8内均匀设有若干第三出水孔9,所述第三出水孔9中安装有喷管10,所述喷管10穿过旋转筒11延伸到旋转筒11的外部,所述喷管10的端部安装有喷头2。所述喷头2位于出料管的右端上方,喷头2设有扁平状出口,喷出的高压水流为片状。喷出的高压片状水流可以对融熔状塑料进行迅速切割、迅速冷却,形成塑料小颗粒,也可以用来清洗废旧塑料。
本实用新型的进水管12将高压水输送至进水筒5内,再通过连接管7进入连接头6,与此同时伺服电机13通过旋转轴1带动旋转筒11转动,使得连接头6与第三出水孔9间歇性对准,从而使得高压水从连接头6间歇性流向喷管10,再从喷头2脉冲式喷出。本实用新型可以通过调节伺服电机的旋转速率来控制喷头2喷水的脉冲频率。本实用新型主要用于废旧塑料熔化加工时,喷出脉冲式高压片状水流对融熔状塑料进行迅速切割、迅速冷却,形成塑料小颗粒,也可以用来清洗废旧塑料。
以上所述仅是本实用新型的优选实施方式,本实用新型的保护范围并不仅局限于上述实施例。应当指出,对于本技术领域的普通技术人员来说,在不脱离本实用新型原理前提下的若干改进和润饰,如将液压缸改为气缸或直线伺服电机,也应视为本实用新型的保护范围。本实施例中未明确的各组成部分均可用现有技术加以实现。
Claims (5)
1.一种用于废旧塑料回收加工的旋转式脉冲喷水装置,其特征在于:包括旋转轴、喷头、连接板、增压泵、进水筒、连接头、连接管、环形槽、第三出水孔、喷管、旋转筒、进水管、伺服电机;
所述进水管上安装有增压泵,进水管的右端与进水筒相连,所述进水筒的右端伸入到旋转筒的内部,且所述进水筒与旋转筒的中心轴线在同一直线上,所述旋转筒为空心圆形管状结构,所述旋转筒内壁的左侧设有环形槽,所述旋转筒内壁的右侧安装有圆形的连接板,所述连接板的中心安装有旋转轴,所述旋转轴与伺服电机的输出轴通过联轴器相连;所述进水筒上安装有若干均匀分布的连接管,所述连接管的一端与进水筒内部相通,所述连接管的另一端安装有连接头,所述连接头位于旋转筒内壁上的环形槽内,所述连接头的形状大小与环形槽相适配,所述环形槽内均匀设有若干第三出水孔,所述第三出水孔中安装有喷管,所述喷管穿过旋转筒延伸到旋转筒的外部,所述喷管的端部安装有喷头。
2.根据权利要求1所述的一种用于废旧塑料回收加工的旋转式脉冲喷水装置,其特征在于:所述进水筒由左封板、右封板、筒体焊接而成,所述筒体为圆形管状结构,所述左封板、右封板分别焊接在筒体的左右两端,所述左封板上设有螺纹孔,所述螺纹孔通过螺纹密封连接的方式与进水管相连。
3.根据权利要求1所述的一种用于废旧塑料回收加工的旋转式脉冲喷水装置,其特征在于:所述连接头为空心球体,采用橡胶制作而成,所述连接头在沿着连接管的轴线方向设有第二进水孔、第二出水孔,所述连接管插入到第二进水孔中,所述连接管的外壁与第二进水孔的内壁之间用强力胶密封连接。
4.根据权利要求1所述的一种用于废旧塑料回收加工的旋转式脉冲喷水装置,其特征在于:所述喷头设有扁平状出口,喷出的高压水流为片状。
5.根据权利要求1所述的一种用于废旧塑料回收加工的旋转式脉冲喷水装置,其特征在于:所述进水管采用不锈钢钢管或镀锌钢管制作,进水管的左端与自来水、储水池或储水容器相连。
Priority Applications (1)
| Application Number | Priority Date | Filing Date | Title |
|---|---|---|---|
| CN201920620538.0U CN210132669U (zh) | 2019-05-02 | 2019-05-02 | 一种用于废旧塑料回收加工的旋转式脉冲喷水装置 |
Applications Claiming Priority (1)
| Application Number | Priority Date | Filing Date | Title |
|---|---|---|---|
| CN201920620538.0U CN210132669U (zh) | 2019-05-02 | 2019-05-02 | 一种用于废旧塑料回收加工的旋转式脉冲喷水装置 |
Publications (1)
| Publication Number | Publication Date |
|---|---|
| CN210132669U true CN210132669U (zh) | 2020-03-10 |
Family
ID=69704037
Family Applications (1)
| Application Number | Title | Priority Date | Filing Date |
|---|---|---|---|
| CN201920620538.0U Active CN210132669U (zh) | 2019-05-02 | 2019-05-02 | 一种用于废旧塑料回收加工的旋转式脉冲喷水装置 |
Country Status (1)
| Country | Link |
|---|---|
| CN (1) | CN210132669U (zh) |
Cited By (3)
| Publication number | Priority date | Publication date | Assignee | Title |
|---|---|---|---|---|
| CN113304605A (zh) * | 2021-05-27 | 2021-08-27 | 安徽金森源环保工程有限公司 | 一种高温烟气排放脱硫脱硝装置 |
| CN115104547A (zh) * | 2022-08-16 | 2022-09-27 | 安徽中龙神力生物科技有限公司 | 一种牲畜体表驱虫药物喷洒装置 |
| CN116969652A (zh) * | 2023-09-20 | 2023-10-31 | 江苏农邦禽业有限公司 | 一种畜禽粪便固液分离处理设备 |
-
2019
- 2019-05-02 CN CN201920620538.0U patent/CN210132669U/zh active Active
Cited By (6)
| Publication number | Priority date | Publication date | Assignee | Title |
|---|---|---|---|---|
| CN113304605A (zh) * | 2021-05-27 | 2021-08-27 | 安徽金森源环保工程有限公司 | 一种高温烟气排放脱硫脱硝装置 |
| CN113304605B (zh) * | 2021-05-27 | 2022-02-08 | 安徽金森源环保工程有限公司 | 一种高温烟气排放脱硫脱硝装置 |
| CN115104547A (zh) * | 2022-08-16 | 2022-09-27 | 安徽中龙神力生物科技有限公司 | 一种牲畜体表驱虫药物喷洒装置 |
| CN115104547B (zh) * | 2022-08-16 | 2023-06-16 | 安徽中龙神力生物科技有限公司 | 一种牲畜体表驱虫药物喷洒装置 |
| CN116969652A (zh) * | 2023-09-20 | 2023-10-31 | 江苏农邦禽业有限公司 | 一种畜禽粪便固液分离处理设备 |
| CN116969652B (zh) * | 2023-09-20 | 2023-12-22 | 江苏农邦禽业有限公司 | 一种畜禽粪便固液分离处理设备 |
Similar Documents
| Publication | Publication Date | Title |
|---|---|---|
| CN210132669U (zh) | 一种用于废旧塑料回收加工的旋转式脉冲喷水装置 | |
| CN104588376B (zh) | 用于螺杆钻具马达定子的橡胶破碎清除装置 | |
| CN108970909A (zh) | 管道专用胶喷嘴 | |
| CN210132673U (zh) | 一种旋转式水流切割塑料成型装置 | |
| CN101740175A (zh) | 射频同轴电缆内导体的高压清洗方法及采用该方法的装置 | |
| CN216705345U (zh) | 圆形筒件焊接缝空化清洗装置 | |
| CN210132672U (zh) | 一种用于废旧塑料回收加工的水流切割装置 | |
| CN107442534A (zh) | 基于水射流的水垢清除方法及装置 | |
| CN210729913U (zh) | 一种交换机壳体用喷塑装置 | |
| CN119281765A (zh) | 一种水利工程管道清洗装置 | |
| CN220802509U (zh) | 一种扫地车用旋转高炮 | |
| CN213855160U (zh) | 用于管道消毒离心式旋转喷嘴 | |
| CN206838705U (zh) | 容器内壁自动清洗装置及容器清洗系统 | |
| CN216539026U (zh) | 一种分段加工焊接组装式细长空化水射流喷嘴 | |
| CN110696215A (zh) | 一种旋转式变速水流塑料颗粒成型装置 | |
| CN210009950U (zh) | 一种聚合釜搅拌轴冲洗装置 | |
| CN210705963U (zh) | 一种挤出机的水冷却系统 | |
| CN214131259U (zh) | 一种水性环保涂料加工用真空吸纹机 | |
| CN215390112U (zh) | 一种防霉菌喷雾装置 | |
| CN218459996U (zh) | 涂胶装置 | |
| CN216883407U (zh) | 一种用于金属零件加工的毛刺清理设备 | |
| CN220307792U (zh) | 一种全方位的施肥装置 | |
| CN220314082U (zh) | 一种注塑生产用冷却装置 | |
| CN216468659U (zh) | 一种灌装机构 | |
| CN219767547U (zh) | 一种五金配件的切削机构 |
Legal Events
| Date | Code | Title | Description |
|---|---|---|---|
| GR01 | Patent grant | ||
| GR01 | Patent grant |