CN210099744U - 一种五金制品打磨加工用可调夹具 - Google Patents
一种五金制品打磨加工用可调夹具 Download PDFInfo
- Publication number
- CN210099744U CN210099744U CN201920887063.1U CN201920887063U CN210099744U CN 210099744 U CN210099744 U CN 210099744U CN 201920887063 U CN201920887063 U CN 201920887063U CN 210099744 U CN210099744 U CN 210099744U
- Authority
- CN
- China
- Prior art keywords
- fixedly connected
- block
- groove
- sliding
- fixing block
- Prior art date
- Legal status (The legal status is an assumption and is not a legal conclusion. Google has not performed a legal analysis and makes no representation as to the accuracy of the status listed.)
- Expired - Fee Related
Links
- 238000005498 polishing Methods 0.000 title abstract description 10
- 230000000149 penetrating effect Effects 0.000 claims abstract description 5
- VYPSYNLAJGMNEJ-UHFFFAOYSA-N Silicium dioxide Chemical compound O=[Si]=O VYPSYNLAJGMNEJ-UHFFFAOYSA-N 0.000 claims description 5
- 239000000741 silica gel Substances 0.000 claims description 5
- 229910002027 silica gel Inorganic materials 0.000 claims description 5
- 239000011241 protective layer Substances 0.000 claims description 4
- 230000002146 bilateral effect Effects 0.000 claims description 2
- 230000000694 effects Effects 0.000 abstract description 4
- 238000003754 machining Methods 0.000 description 8
- 238000007517 polishing process Methods 0.000 description 3
- XEEYBQQBJWHFJM-UHFFFAOYSA-N Iron Chemical compound [Fe] XEEYBQQBJWHFJM-UHFFFAOYSA-N 0.000 description 2
- 230000009286 beneficial effect Effects 0.000 description 2
- 238000010586 diagram Methods 0.000 description 2
- 229910052751 metal Inorganic materials 0.000 description 2
- 239000002184 metal Substances 0.000 description 2
- 239000000565 sealant Substances 0.000 description 2
- 229910000831 Steel Inorganic materials 0.000 description 1
- 239000006096 absorbing agent Substances 0.000 description 1
- 239000000853 adhesive Substances 0.000 description 1
- 230000001070 adhesive effect Effects 0.000 description 1
- 229910052782 aluminium Inorganic materials 0.000 description 1
- XAGFODPZIPBFFR-UHFFFAOYSA-N aluminium Chemical compound [Al] XAGFODPZIPBFFR-UHFFFAOYSA-N 0.000 description 1
- 238000005520 cutting process Methods 0.000 description 1
- 230000007547 defect Effects 0.000 description 1
- 238000005242 forging Methods 0.000 description 1
- 229910052742 iron Inorganic materials 0.000 description 1
- 238000004519 manufacturing process Methods 0.000 description 1
- 239000000463 material Substances 0.000 description 1
- 150000002739 metals Chemical class 0.000 description 1
- 238000000034 method Methods 0.000 description 1
- 238000012986 modification Methods 0.000 description 1
- 230000004048 modification Effects 0.000 description 1
- 238000005096 rolling process Methods 0.000 description 1
- 239000010959 steel Substances 0.000 description 1
Images
Landscapes
- Grinding And Polishing Of Tertiary Curved Surfaces And Surfaces With Complex Shapes (AREA)
Abstract
一种五金制品打磨加工用可调夹具,本实用新型涉及机械设备技术领域;下固定块上开设有凹槽,下固定块的上端后侧左右对称固定连接有支撑块,支撑块的前侧固定连接有电机,电机前侧的输出轴上固定连接有转轴,转轴上套设固定有凸轮,凸轮的上端通过铰接轴铰接设置有连接杆,连接杆设置于凸轮的前侧,支撑块的前侧固定连接有导向块,连接杆活动穿设在导向块的开槽内,连接杆的前后两端均固定连接有限位条,限位条上下滑动设置在限位槽内,连接杆的顶端固定连接有支撑板,左右两侧的支撑板之间固定连接有上固定块,上固定块底部开设有定位槽;可根据零件的大小进行调节,达到夹持稳固的效果,且还能推动零件移动,便于增加可加工范围。
Description
技术领域
本实用新型涉及机械设备技术领域,具体涉及一种五金制品打磨加工用可调夹具。
背景技术
传统的五金制品,也称“小五金”,是指铁、钢、铝等金属经过锻造、压延、切割、等等物理加工制造而成的各种金属器件,例如五金工具、五金零部件、日用五金、建筑五金以及安防用品等;五金制品在加工过程中按照加工工艺均需要先进行粗加工,然后再进行精加工,粗加工包括毛坯制造、打磨等,在加工时需要将工件先夹持固定,才能使其便于后续操作,现有的夹持机构有的夹持不稳固,容易导致后续加工时,误差偏大,使零件的精度偏低,对于能将零件夹持固定的机构,在加工过程中不便于使用,往往加工时,需要将零件反复装卸多次,每加工一段距离,就要重新变换位置夹持等待操作,在实际操作过程中,操作非常麻烦;亟待改进。
实用新型内容
本实用新型的目的在于针对现有技术的缺陷和不足,提供一种设计合理的五金制品打磨加工用可调夹具,可根据零件的大小进行调节,达到夹持稳固的效果,且还能推动零件移动,便于增加可加工范围。
为达到上述目的,本实用新型采用了下列技术方案:它包含底座、下固定块、支撑块、上固定块,底座右侧上端固定连接有固定板,固定板的左侧固定连接有电动推杆,电动推杆的左侧固定连接有下固定块,下固定块的底部固定连接有滑块,底座上开设有滑槽,滑块左右滑动设置在滑槽内;下固定块上开设有凹槽,下固定块的上端后侧左右对称固定连接有支撑块,支撑块的前侧固定连接有电机,电机前侧的输出轴上固定连接有转轴,转轴上套设固定有凸轮,凸轮的上端通过铰接轴铰接设置有连接杆,连接杆设置于凸轮的前侧,支撑块的前侧固定连接有导向块,导向块设置于电机的上方,连接杆活动穿设在导向块的开槽内,开槽的前后两侧开设有限位槽,连接杆的前后两端均固定连接有限位条,限位条上下滑动设置在限位槽内,连接杆的顶端固定连接有支撑板,左右两侧的支撑板之间固定连接有上固定块,上固定块底部开设有定位槽;所述的电动推杆、电机均与外部电源连接。
进一步地,所述的定位槽上开设有滑行槽,定位板滑动设置在定位槽内,定位板的上端固定连接有定位杆,定位杆活动穿设在滑行槽内,定位杆的顶端固定连接有顶板,手拧穿过顶板后与上固定块抵触设置。
进一步地,所述的定位槽内固定连接有硅胶垫。
进一步地,所述的凹槽内固定连接有保护层。
进一步地,所述的凹槽底部开设有滑动槽,滑动块左右滑动设置在滑动槽内,滑动块的上端固定连接有限位板,限位板的前后两侧均固定连接有紧固块,凹槽的底部前后对称开设有固定槽,固定槽的底部开设有固定孔,旋钮穿过紧固块后,插设固定在固定孔内,且旋钮与紧固块、固定孔均螺纹旋接固定。
进一步地,所述的限位板的左侧固定连接有弹簧,弹簧的左端与凹槽连接固定。
采用上述结构后,本实用新型的有益效果是:本实用新型中所述的一种五金制品打磨加工用可调夹具,可根据零件的大小进行调节,达到夹持稳固的效果,且还能推动零件移动,便于增加可加工范围。
附图说明:
图1是本实用新型的结构示意图。
图2是图1的右侧视图。
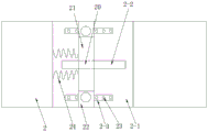
图3是本实用新型中下固定块的结构示意图。
图4是本实用新型中上固定块的结构示意图。
图5是本实用新型中导向块的结构示意图。
附图标记说明:
底座1、滑槽1-1、下固定块2、凹槽2-1、滑动槽2-2、固定槽2-3、支撑块3、上固定块4、定位槽4-1、滑行槽4-2、固定板5、电动推杆6、滑块7、电机8、转轴9、凸轮10、连接杆11、导向块12、开槽12-1、限位槽12-2、限位条13、支撑板14、定位板15、定位杆16、顶板17、硅胶垫18、保护层19、滑动块20、限位板21、紧固块22、固定孔23、弹簧24。
具体实施方式:
下面将结合本实用新型实施例中的附图,对本实用新型实施例中的技术方案进行清楚、完整地描述,显然,所描述的实施例仅仅是本实用新型一部分实施例,而不是全部的实施例。基于本实用新型中的实施例,本领域普通技术人员在没有做出创造性劳动前提下所获得的所有其他实施例,都属于本实用新型保护的范围。
如图1-图5所示,本具体实施方式采用如下技术方案:它包含底座1、下固定块2、支撑块3、上固定块4,底座1右侧上端焊接固定有固定板5,固定板5的左侧利用螺丝固定有电动推杆6,电动推杆6的左侧焊接固定有下固定块2,下固定块2的底部焊接固定有滑块7,底座1上开设有滑槽1-1,滑块7左右滑动设置在滑槽1-1内;下固定块2上开设有凹槽2-1,凹槽2-1底部开设有滑动槽2-2,滑动块20左右滑动设置在滑动槽2-2内,滑动块20的上端焊接固定有限位板21,限位板21的左侧焊接固定有弹簧24,弹簧24的左端与凹槽2-1焊接固定,限位板21的前后两侧均焊接固定有紧固块22,凹槽2-1的底部前后对称开设有固定槽2-3,固定槽2-3的底部开设有固定孔23,旋钮穿过紧固块22后,插设固定在固定孔23内,且旋钮与紧固块22、固定孔23均螺纹旋接固定,下固定块2的上端后侧左右对称焊接固定有支撑块3,支撑块3的前侧利用螺丝固定有电机8,电机8前侧的输出轴上焊接固定有转轴9,转轴9上套设固定有凸轮10,凸轮10的上端通过铰接轴铰接设置有连接杆11,连接杆11设置于凸轮10的前侧,支撑块3的前侧固焊接固定有导向块12,导向块12设置于电机8的上方,连接杆11活动穿设在导向块12的开槽12-1内,开槽12-1的前后两侧开设有限位槽12-2,连接杆11的前后两端均焊接固定有限位条13,限位条13上下滑动设置在限位槽12-2内,连接杆11的顶端焊接固定有支撑板14,左右两侧的支撑板14之间焊接固定有上固定块4,上固定块4底部开设有定位槽4-1,定位槽4-1上开设有滑行槽4-2,定位板15滑动设置在定位槽4-1内,定位板15的上端焊接固定有定位杆16,定位杆16活动穿设在滑行槽4-2内,定位杆16的顶端焊接固定有顶板17,手拧穿过顶板17后与上固定块4抵触设置;所述的电动推杆6、电机8均通过电源线与外部电源连接。
进一步地,所述的定位槽4-1内利用密封胶胶粘固定有硅胶垫18。
进一步地,所述的凹槽2-1内利用密封胶胶粘固定有硅胶材质制成的保护层19。
本具体实施方式的工作原理:在使用本夹具装置时,将所需要打磨的部件放置在下固定块2上的凹槽2-1内,通过限位板21进行限位固定,手动调节旋钮,使限位板21手动调节至对应的位置后,再将旋钮插进,拧紧固定;通过电机8转动,可以带动凸轮10转动,从而带动连接杆11在导向块12内进行上下方向上的运动,从而带动上固定块4上下方向上的运动,使上固定块4对部件进行限位固定,再通过手动调节定位板15,使定位板15对部件进行限位固定,加固部件的稳固性,使部件在打磨过程更加稳固,从而提高了打磨的精度,减少因部件不稳固导致的偏差;通过电动推杆6推动下固定块2左右方向上的移动,从而带动所需打磨的部件左右方向上的移动,从而在实际打磨过程中,便于打磨操作。
采用上述结构后,本具体实施方式的有益效果如下:
1、通过下固定块2对所需打磨的部件进行初步限位,通过限位板21进行左右方向的调节,便于大小不一的部件使用,便于手动调节,使部件固定;
2、通过电机8转动,带动连接杆11在导向块12内进行上下方向上的运动,导向块12进行导向限位,使连接杆11带动上固定块4上下方向上的运动,从而对部件的上端进行限位,加固了部件的稳固性;
3、通过手动调节定位板15,从而可以加固部件的稳固性,从而便于后续打磨操作,提高了打磨精度,防止部件因为不稳固导致打磨出现的偏差。
尽管参照前述实施例对本实用新型进行了详细的说明,对于本领域的技术人员来说,其依然可以对前述各实施例所记载的技术方案进行修改,或者对其中部分技术特征进行等同替换,凡在本实用新型的精神和原则之内,所作的任何修改、等同替换、改进等,均应包含在本实用新型的保护范围之内。
Claims (6)
1.一种五金制品打磨加工用可调夹具,其特征在于:它包含底座(1)、下固定块(2)、支撑块(3)、上固定块(4),底座(1)右侧上端固定连接有固定板(5),固定板(5)的左侧固定连接有电动推杆(6),电动推杆(6)的左侧固定连接有下固定块(2),下固定块(2)的底部固定连接有滑块(7),底座(1)上开设有滑槽(1-1),滑块(7)左右滑动设置在滑槽(1-1)内;下固定块(2)上开设有凹槽(2-1),下固定块(2)的上端后侧左右对称固定连接有支撑块(3),支撑块(3)的前侧固定连接有电机(8),电机(8)前侧的输出轴上固定连接有转轴(9),转轴(9)上套设固定有凸轮(10),凸轮(10)的上端通过铰接轴铰接设置有连接杆(11),连接杆(11)设置于凸轮(10)的前侧,支撑块(3)的前侧固定连接有导向块(12),导向块(12)设置于电机(8)的上方,连接杆(11)活动穿设在导向块(12)的开槽(12-1)内,开槽(12-1)的前后两侧开设有限位槽(12-2),连接杆(11)的前后两端均固定连接有限位条(13),限位条(13)上下滑动设置在限位槽(12-2)内,连接杆(11)的顶端固定连接有支撑板(14),左右两侧的支撑板(14)之间固定连接有上固定块(4),上固定块(4)底部开设有定位槽(4-1);所述的电动推杆(6)、电机(8)均与外部电源连接。
2.根据权利要求1所述的一种五金制品打磨加工用可调夹具,其特征在于:所述的定位槽(4-1)上开设有滑行槽(4-2),定位板(15)滑动设置在定位槽(4-1)内,定位板(15)的上端固定连接有定位杆(16),定位杆(16)活动穿设在滑行槽(4-2)内,定位杆(16)的顶端固定连接有顶板(17),手拧穿过顶板(17)后与上固定块(4)抵触设置。
3.根据权利要求1所述的一种五金制品打磨加工用可调夹具,其特征在于:所述的定位槽(4-1)内固定连接有硅胶垫(18)。
4.根据权利要求1所述的一种五金制品打磨加工用可调夹具,其特征在于:所述的凹槽(2-1)内固定连接有保护层(19)。
5.根据权利要求1所述的一种五金制品打磨加工用可调夹具,其特征在于:所述的凹槽(2-1)底部开设有滑动槽(2-2),滑动块(20)左右滑动设置在滑动槽(2-2)内,滑动块(20)的上端固定连接有限位板(21),限位板(21)的前后两侧均固定连接有紧固块(22),凹槽(2-1)的底部前后对称开设有固定槽(2-3),固定槽(2-3)的底部开设有固定孔(23),旋钮穿过紧固块(22)后,插设固定在固定孔(23)内,且旋钮与紧固块(22)、固定孔(23)均螺纹旋接固定。
6.根据权利要求5所述的一种五金制品打磨加工用可调夹具,其特征在于:所述的限位板(21)的左侧固定连接有弹簧(24),弹簧(24)的左端与凹槽(2-1)连接固定。
Priority Applications (1)
| Application Number | Priority Date | Filing Date | Title |
|---|---|---|---|
| CN201920887063.1U CN210099744U (zh) | 2019-06-13 | 2019-06-13 | 一种五金制品打磨加工用可调夹具 |
Applications Claiming Priority (1)
| Application Number | Priority Date | Filing Date | Title |
|---|---|---|---|
| CN201920887063.1U CN210099744U (zh) | 2019-06-13 | 2019-06-13 | 一种五金制品打磨加工用可调夹具 |
Publications (1)
| Publication Number | Publication Date |
|---|---|
| CN210099744U true CN210099744U (zh) | 2020-02-21 |
Family
ID=69564255
Family Applications (1)
| Application Number | Title | Priority Date | Filing Date |
|---|---|---|---|
| CN201920887063.1U Expired - Fee Related CN210099744U (zh) | 2019-06-13 | 2019-06-13 | 一种五金制品打磨加工用可调夹具 |
Country Status (1)
| Country | Link |
|---|---|
| CN (1) | CN210099744U (zh) |
Cited By (1)
| Publication number | Priority date | Publication date | Assignee | Title |
|---|---|---|---|---|
| CN112059758A (zh) * | 2020-09-10 | 2020-12-11 | 常德市联嘉机械有限公司 | 一种基于液压油缸生产用可调式缸体内壁打磨装置 |
-
2019
- 2019-06-13 CN CN201920887063.1U patent/CN210099744U/zh not_active Expired - Fee Related
Cited By (1)
| Publication number | Priority date | Publication date | Assignee | Title |
|---|---|---|---|---|
| CN112059758A (zh) * | 2020-09-10 | 2020-12-11 | 常德市联嘉机械有限公司 | 一种基于液压油缸生产用可调式缸体内壁打磨装置 |
Similar Documents
| Publication | Publication Date | Title |
|---|---|---|
| CN210099744U (zh) | 一种五金制品打磨加工用可调夹具 | |
| CN211029331U (zh) | 一种环保合金棒加工用倒角磨边装置 | |
| CN216633333U (zh) | 一种带有折弯机构的五金板材裁切装置 | |
| CN213054088U (zh) | 一种可调的定角式木料磨边机 | |
| CN219747159U (zh) | 一种新型夹持工装 | |
| CN218362331U (zh) | 一种具备两组夹持机构和调整机构的龙门铣台 | |
| CN213258222U (zh) | 一种楔形块式铣床专用夹具 | |
| CN212793220U (zh) | 一种用于平口钳加工的立式加工中心 | |
| CN210849191U (zh) | 一种加工内键槽的工件固定装置 | |
| CN211564758U (zh) | 一种螺钉加工用防掉落装置 | |
| CN211639037U (zh) | 一种四轴精密车床用的夹紧装置 | |
| CN216066453U (zh) | 一种平口钳 | |
| CN223325602U (zh) | 一种线切割机床平衡支撑的夹具 | |
| CN218363414U (zh) | 一种支持电控控制的机械数控夹具 | |
| CN219484943U (zh) | 一种防夹损机构及机床夹具 | |
| CN219211699U (zh) | 一种新型的通孔及端面加工装置 | |
| CN220464128U (zh) | 一种便于调整工件位置的加工定位机构 | |
| CN216370455U (zh) | 带夹持块金属圆锯机床工件横向压紧机构 | |
| CN215998839U (zh) | 一种加工台可多角度调节的雕铣机 | |
| CN218017729U (zh) | 机械铸件加工用角磨机 | |
| CN222986982U (zh) | 一种可调节的机器人自定位机构 | |
| CN209565791U (zh) | 一种加工车床 | |
| CN219853964U (zh) | 一种五金件磨削夹持装置 | |
| CN212145985U (zh) | 一种磁体加工用夹具 | |
| CN222021118U (zh) | 一种自由钳口开张度cnc平口钳 |
Legal Events
| Date | Code | Title | Description |
|---|---|---|---|
| GR01 | Patent grant | ||
| GR01 | Patent grant | ||
| CF01 | Termination of patent right due to non-payment of annual fee |
Granted publication date: 20200221 |
|
| CF01 | Termination of patent right due to non-payment of annual fee |