CN210003880U - 一种活塞式单向电磁阀 - Google Patents
一种活塞式单向电磁阀 Download PDFInfo
- Publication number
- CN210003880U CN210003880U CN201920601237.3U CN201920601237U CN210003880U CN 210003880 U CN210003880 U CN 210003880U CN 201920601237 U CN201920601237 U CN 201920601237U CN 210003880 U CN210003880 U CN 210003880U
- Authority
- CN
- China
- Prior art keywords
- solenoid valve
- iron core
- fixed
- inner chamber
- piston
- Prior art date
- Legal status (The legal status is an assumption and is not a legal conclusion. Google has not performed a legal analysis and makes no representation as to the accuracy of the status listed.)
- Active
Links
- XLYOFNOQVPJJNP-UHFFFAOYSA-N water Substances O XLYOFNOQVPJJNP-UHFFFAOYSA-N 0.000 claims abstract description 43
- XEEYBQQBJWHFJM-UHFFFAOYSA-N Iron Chemical group [Fe] XEEYBQQBJWHFJM-UHFFFAOYSA-N 0.000 claims abstract description 34
- 238000007789 sealing Methods 0.000 claims abstract description 23
- 238000004804 winding Methods 0.000 claims abstract description 12
- 239000010865 sewage Substances 0.000 claims description 5
- 230000000149 penetrating effect Effects 0.000 claims description 4
- 238000005192 partition Methods 0.000 claims description 2
- 235000017166 Bambusa arundinacea Nutrition 0.000 claims 3
- 235000017491 Bambusa tulda Nutrition 0.000 claims 3
- 241001330002 Bambuseae Species 0.000 claims 3
- 235000015334 Phyllostachys viridis Nutrition 0.000 claims 3
- 239000011425 bamboo Substances 0.000 claims 3
- 239000007788 liquid Substances 0.000 abstract description 4
- 239000012535 impurity Substances 0.000 description 4
- 239000008187 granular material Substances 0.000 description 3
- 238000004519 manufacturing process Methods 0.000 description 2
- 230000009286 beneficial effect Effects 0.000 description 1
- 230000002457 bidirectional effect Effects 0.000 description 1
- 230000007547 defect Effects 0.000 description 1
- 239000012530 fluid Substances 0.000 description 1
- 230000004048 modification Effects 0.000 description 1
- 238000012986 modification Methods 0.000 description 1
- 239000002245 particle Substances 0.000 description 1
Images
Landscapes
- Magnetically Actuated Valves (AREA)
Abstract
本实用新型涉及一种活塞式单向电磁阀,包括电磁阀主体,所述电磁阀主体顶部固定设有密封筒,所述密封筒内腔顶部固定设有铁芯,且所述铁芯外侧表面缠绕有线圈,对铁芯外侧表面缠绕的线圈进行通电,铁芯和衔铁被磁化,成为极性相反的两块磁铁,它们之间产生电磁吸力,当吸力大于复位弹簧的反作用力时,衔铁开始向着铁芯方向运动带动密封塞上升,进水管与出水管连通,当铁芯外侧表面缠绕的线圈断电时,复位弹簧会利用自身被压缩的弹力对密封塞进行复位,使密封塞堵住出水孔,使进水管与出水管断开连通,当水从进水管流入从出水管流出时由于水流的压力活塞板会向右滑动,当水流尽后弹簧柱会对活塞板进行复位使活塞板自动闭合,可以防止液体倒流。
Description
技术领域
本实用新型涉及一种活塞式单向电磁阀,属于阀门领域。
背景技术
电磁阀是用电磁控制的工业设备是用来控制流体的自动化基础元件,属于执行器,直动式电磁阀是常用电磁阀的一种,其通电时电磁线圈产生电磁力把关闭件从阀座上提起,阀门打开,断电时电磁力消失,弹簧把关闭件压在阀座上阀门关闭,但目前市场上用的电磁阀都是双向导通,单向导通电磁阀其结构复杂,装置成本较高,因此需要进一步改进和完善。
实用新型内容
本实用新型要解决的技术问题克服现有的缺陷,提供一种活塞式单向电磁阀,制造成本低,能够实现单向导通,对铁芯外侧表面缠绕的线圈进行通电,铁芯和衔铁被磁化,成为极性相反的两块磁铁,它们之间产生电磁吸力,当吸力大于复位弹簧的反作用力时,衔铁开始向着铁芯方向运动带动密封塞上升,进水管与出水管连通,当铁芯外侧表面缠绕的线圈断电时,复位弹簧会利用自身被压缩的弹力对密封塞进行复位,使密封塞堵住出水孔,使进水管与出水管断开连通,水流控制方便,通过设置过滤网可以对水体中的大颗粒杂质进行过滤,可以防止电磁阀堵塞,当水从进水管流入从出水管流出时由于水流的压力活塞板会向右滑动,当水流尽后弹簧柱会对活塞板进行复位使活塞板自动闭合,可以防止液体倒流,可以实现液体的单向流通控制,可以有效解决背景技术中的问题。
为了解决上述技术问题,本实用新型提供了如下的技术方案:
一种活塞式单向电磁阀,包括电磁阀主体,所述电磁阀主体顶部固定设有密封筒,所述密封筒内腔顶部固定设有铁芯,且所述铁芯外侧表面缠绕有线圈,所述铁芯下方位于密封筒内腔设有衔铁,所述衔铁顶部挖设有凹槽,所述凹槽内腔固定设有复位弹簧,且所述复位弹簧顶部与铁芯固定连接,所述衔铁底部固定设有导杆,且所述导杆穿设于电磁阀主体内腔,所述导杆底部固定设有密封塞,所述密封塞下方设有隔板,且所述隔板水平横行固定设置在电磁阀主体内腔中部,所述隔板两端位于电磁阀主体内腔顶部与底部均密封固定设有阀座,所述电磁阀主体两端分别贯通连接有进水盒与出水盒,所述出水盒内腔对称固定设有滑杆,所述滑杆外侧套设有活塞板,所述活塞板一侧位于滑杆外侧套设有弹簧柱。
进一步而言,所述进水盒远离电磁阀主体的一端贯通固定设有进水管。
进一步而言,所述出水盒远离电磁阀主体的一端贯通固定设有出水管。
进一步而言,所述进水盒底部设有排污口,且所述排污口底部通过螺纹连接有塞盖。
进一步而言,所述隔板中部挖设有出水孔。
进一步而言,所述进水盒内腔一侧固定设有过滤网。
本实用新型有益效果:本实用新型所涉及的一种活塞式单向电磁阀,制造成本低,能够实现单向导通,对铁芯外侧表面缠绕的线圈进行通电,铁芯和衔铁被磁化,成为极性相反的两块磁铁,它们之间产生电磁吸力,当吸力大于复位弹簧的反作用力时,衔铁开始向着铁芯方向运动带动密封塞上升,进水管与出水管连通,当铁芯外侧表面缠绕的线圈断电时,复位弹簧会利用自身被压缩的弹力对密封塞进行复位,使密封塞堵住出水孔,使进水管与出水管断开连通,水流控制方便,通过设置过滤网可以对水体中的大颗粒杂质进行过滤,可以防止电磁阀堵塞,当水从进水管流入从出水管流出时由于水流的压力活塞板会向右滑动,当水流尽后弹簧柱会对活塞板进行复位使活塞板自动闭合,可以防止液体倒流。
附图说明
附图用来提供对本实用新型的进一步理解,并且构成说明书的一部分,与本实用新型的实施例一起用于解释本实用新型,并不构成对本实用新型的限制。
图1是本实用新型一种活塞式单向电磁阀剖视图。
图2是本实用新型一种活塞式单向电磁阀的进水盒剖视图。
图3是本实用新型一种活塞式单向电磁阀的出水盒剖视图。
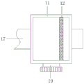
图中标号:1、电磁阀主体;2、密封筒;3、铁芯;4、衔铁;5、凹槽;6、复位弹簧;7、导杆;8、密封塞;9、隔板;10、阀座;11、进水盒;12、过滤网;13、出水盒;14、滑杆;15、活塞板;16、弹簧柱;17、进水管;18、出水管;19、排污口;20、出水孔。
具体实施方式
以下结合附图对本实用新型的优选实施例进行说明,应当理解,此处所描述的优选实施例仅用于说明和解释本实用新型,并不用于限定本实用新型。
如图1-图3所示,一种活塞式单向电磁阀,包括电磁阀主体1,所述电磁阀主体1顶部固定设有密封筒2,所述密封筒2内腔顶部固定设有铁芯3,且所述铁芯3外侧表面缠绕有线圈,所述铁芯3下方位于密封筒2内腔设有衔铁4,对铁芯3外侧表面缠绕的线圈进行通电,铁芯3和衔铁4被磁化,成为极性相反的两块磁铁,它们之间产生电磁吸力,当吸力大于复位弹簧6的反作用力时,衔铁4开始向着铁芯3方向运动带动密封塞8上升,进水管17与出水管18连通,所述衔铁4顶部挖设有凹槽5,所述凹槽5内腔固定设有复位弹簧6,且所述复位弹簧6顶部与铁芯3固定连接,通过设置复位弹簧6当铁心3外侧表面缠绕的线圈断电时,复位弹簧6会利用自身被压缩的弹力对密封塞8进行复位,使密封塞8堵住出水孔20,使进水管17与出水管18断开连通,所述衔铁4底部固定设有导杆7,且所述导杆7 穿设于电磁阀主体1内腔,所述导杆7底部固定设有密封塞8,设置密封塞8方便对出水孔20进行堵塞,所述密封塞8下方设有隔板9,且所述隔板9水平横行固定设置在电磁阀主体1内腔中部,所述隔板 9两端位于电磁阀主体1内腔顶部与底部均密封固定设有阀座10,所述电磁阀主体1两端分别贯通连接有进水盒11与出水盒13,所述出水盒13内腔对称固定设有滑杆14,所述滑杆14外侧套设有活塞板 15,所述活塞板15一侧位于滑杆14外侧套设有弹簧柱16,当水从进水管17流入从出水管18流出时由于水流的压力活塞板15会向右滑动,当水流尽后弹簧柱16会对活塞板15进行复位使活塞板15自动闭合,可以防止液体倒流,可以实现液体的单向流通控制。
所述进水盒11远离电磁阀主体1的一端贯通固定设有进水管17,所述出水盒13远离电磁阀主体1的一端贯通固定设有出水管18,所述进水盒11底部设有排污口19,且所述排污口19底部通过螺纹连接有塞盖,方便对进水盒11内腔过滤网12过滤下来的垃圾进行清除,所述隔板9中部挖设有出水孔20,设置出水孔20方便进水管17与出水管18连通,所述进水盒11内腔一侧固定设有过滤网12,通过设置过滤网12可以对水体中的大颗粒杂质进行过滤,可以防止电磁阀堵塞。
本实用新型工作原理:对铁芯3外侧表面缠绕的线圈进行通电,铁芯3和衔铁4被磁化,成为极性相反的两块磁铁,它们之间产生电磁吸力,当吸力大于复位弹簧6的反作用力时,衔铁4开始向着铁芯 3方向运动带动密封塞8上升,进水管17与出水管18连通,当铁芯 3外侧表面缠绕的线圈断电时,复位弹簧6会利用自身被压缩的弹力对密封塞8进行复位,使密封塞8堵住出水孔20,使进水管17与出水管18断开连通,当水从进水管17流入从出水管18流出时由于水流的压力活塞板15会向右滑动,当水流尽后弹簧柱16会对活塞板 15进行复位使活塞板15自动闭合,可以防止液体倒流,可以实现液体的单向流通控制,过滤网12可以对水体中的大颗粒杂质进行过滤,可以防止电磁阀堵塞。
以上为本实用新型较佳的实施方式,本实用新型所属领域的技术人员还能够对上述实施方式进行变更和修改,因此,本实用新型并不局限于上述的具体实施方式,凡是本领域技术人员在本实用新型的基础上所作的任何显而易见的改进、替换或变型均属于本实用新型的保护范围。
Claims (6)
1.一种活塞式单向电磁阀,包括电磁阀主体(1),其特征在于:所述电磁阀主体(1)顶部固定设有密封筒(2),所述密封筒(2)内腔顶部固定设有铁芯(3),且所述铁芯(3)外侧表面缠绕有线圈,所述铁芯(3)下方位于密封筒(2)内腔设有衔铁(4),所述衔铁(4)顶部挖设有凹槽(5),所述凹槽(5)内腔固定设有复位弹簧(6),且所述复位弹簧(6)顶部与铁芯(3)固定连接,所述衔铁(4)底部固定设有导杆(7),且所述导杆(7)穿设于电磁阀主体(1)内腔,所述导杆(7)底部固定设有密封塞(8),所述密封塞(8)下方设有隔板(9),且所述隔板(9)水平横行固定设置在电磁阀主体(1)内腔中部,所述隔板(9)两端位于电磁阀主体(1)内腔顶部与底部均密封固定设有阀座(10),所述电磁阀主体(1)两端分别贯通连接有进水盒(11)与出水盒(13),所述出水盒(13)内腔对称固定设有滑杆(14),所述滑杆(14)外侧套设有活塞板(15),所述活塞板(15)一侧位于滑杆(14)外侧套设有弹簧柱(16)。
2.根据权利要求1所述的一种活塞式单向电磁阀,其特征在于:所述进水盒(11)远离电磁阀主体(1)的一端贯通固定设有进水管(17)。
3.根据权利要求1所述的一种活塞式单向电磁阀,其特征在于:所述出水盒(13)远离电磁阀主体(1)的一端贯通固定设有出水管(18)。
4.根据权利要求1所述的一种活塞式单向电磁阀,其特征在于:所述进水盒(11)底部设有排污口(19),且所述排污口(19)底部通过螺纹连接有塞盖。
5.根据权利要求1所述的一种活塞式单向电磁阀,其特征在于:所述隔板(9)中部挖设有出水孔(20)。
6.根据权利要求1所述的一种活塞式单向电磁阀,其特征在于:所述进水盒(11)内腔一侧固定设有过滤网(12)。
Priority Applications (1)
| Application Number | Priority Date | Filing Date | Title |
|---|---|---|---|
| CN201920601237.3U CN210003880U (zh) | 2019-04-29 | 2019-04-29 | 一种活塞式单向电磁阀 |
Applications Claiming Priority (1)
| Application Number | Priority Date | Filing Date | Title |
|---|---|---|---|
| CN201920601237.3U CN210003880U (zh) | 2019-04-29 | 2019-04-29 | 一种活塞式单向电磁阀 |
Publications (1)
| Publication Number | Publication Date |
|---|---|
| CN210003880U true CN210003880U (zh) | 2020-01-31 |
Family
ID=69305350
Family Applications (1)
| Application Number | Title | Priority Date | Filing Date |
|---|---|---|---|
| CN201920601237.3U Active CN210003880U (zh) | 2019-04-29 | 2019-04-29 | 一种活塞式单向电磁阀 |
Country Status (1)
| Country | Link |
|---|---|
| CN (1) | CN210003880U (zh) |
Cited By (13)
| Publication number | Priority date | Publication date | Assignee | Title |
|---|---|---|---|---|
| CN111732173A (zh) * | 2020-07-29 | 2020-10-02 | 陈泳帆 | 一种用于污水处理的高效复合絮凝剂 |
| CN111775567A (zh) * | 2020-08-04 | 2020-10-16 | 袁亦男 | 一种打印机的油墨盒装置 |
| CN111990040A (zh) * | 2020-08-15 | 2020-11-27 | 深圳鹏渤信息科技有限公司 | 一种基于农业大数据的水肥混合灌溉车 |
| CN112060736A (zh) * | 2020-09-10 | 2020-12-11 | 安徽源洲包装材料有限公司 | 一种塑料复合薄膜及其生产设备 |
| CN112302565A (zh) * | 2020-10-27 | 2021-02-02 | 大庆泰泽机械加工有限公司 | 一种解除空气腔内负压控制解封的封隔器 |
| CN112393427A (zh) * | 2020-11-19 | 2021-02-23 | 王强 | 一种可自动关闭或开启通道的冷热水管道连接装置 |
| CN112393428A (zh) * | 2020-11-19 | 2021-02-23 | 王强 | 一种多功能冷热水管道连接装置 |
| CN112704057A (zh) * | 2020-12-29 | 2021-04-27 | 江杨 | 一种大棚智能洒水设备 |
| CN112897161A (zh) * | 2021-01-23 | 2021-06-04 | 张加叶 | 一种连续印刷标签用自动送纸装置 |
| CN113457247A (zh) * | 2021-07-09 | 2021-10-01 | 张卫建 | 一种节能型坐便器电磁阀 |
| CN114314609A (zh) * | 2021-12-14 | 2022-04-12 | 苏州传洋机电科技有限公司 | 一种本安型化学反应式烟雾发生器 |
| CN115107251A (zh) * | 2022-05-26 | 2022-09-27 | 莱芜市华赢塑胶有限公司 | 一种塑胶板生产用挤出成型装置 |
| CN115325326A (zh) * | 2022-10-13 | 2022-11-11 | 大庆市龙兴石油机械有限公司 | 一种内壁激光处理油管 |
-
2019
- 2019-04-29 CN CN201920601237.3U patent/CN210003880U/zh active Active
Cited By (15)
| Publication number | Priority date | Publication date | Assignee | Title |
|---|---|---|---|---|
| CN111732173A (zh) * | 2020-07-29 | 2020-10-02 | 陈泳帆 | 一种用于污水处理的高效复合絮凝剂 |
| CN111775567A (zh) * | 2020-08-04 | 2020-10-16 | 袁亦男 | 一种打印机的油墨盒装置 |
| CN111990040A (zh) * | 2020-08-15 | 2020-11-27 | 深圳鹏渤信息科技有限公司 | 一种基于农业大数据的水肥混合灌溉车 |
| CN112060736A (zh) * | 2020-09-10 | 2020-12-11 | 安徽源洲包装材料有限公司 | 一种塑料复合薄膜及其生产设备 |
| CN112302565A (zh) * | 2020-10-27 | 2021-02-02 | 大庆泰泽机械加工有限公司 | 一种解除空气腔内负压控制解封的封隔器 |
| CN112393428A (zh) * | 2020-11-19 | 2021-02-23 | 王强 | 一种多功能冷热水管道连接装置 |
| CN112393427A (zh) * | 2020-11-19 | 2021-02-23 | 王强 | 一种可自动关闭或开启通道的冷热水管道连接装置 |
| CN112704057A (zh) * | 2020-12-29 | 2021-04-27 | 江杨 | 一种大棚智能洒水设备 |
| CN112897161A (zh) * | 2021-01-23 | 2021-06-04 | 张加叶 | 一种连续印刷标签用自动送纸装置 |
| CN112897161B (zh) * | 2021-01-23 | 2024-04-16 | 东莞衡泰科技集团有限公司 | 一种连续印刷标签用自动送纸装置 |
| CN113457247A (zh) * | 2021-07-09 | 2021-10-01 | 张卫建 | 一种节能型坐便器电磁阀 |
| CN114314609A (zh) * | 2021-12-14 | 2022-04-12 | 苏州传洋机电科技有限公司 | 一种本安型化学反应式烟雾发生器 |
| CN115107251A (zh) * | 2022-05-26 | 2022-09-27 | 莱芜市华赢塑胶有限公司 | 一种塑胶板生产用挤出成型装置 |
| CN115107251B (zh) * | 2022-05-26 | 2023-12-22 | 莱芜市华赢塑胶有限公司 | 一种塑胶板生产用挤出成型装置 |
| CN115325326A (zh) * | 2022-10-13 | 2022-11-11 | 大庆市龙兴石油机械有限公司 | 一种内壁激光处理油管 |
Similar Documents
| Publication | Publication Date | Title |
|---|---|---|
| CN210003880U (zh) | 一种活塞式单向电磁阀 | |
| JP3217802U (ja) | 電磁式給水弁 | |
| CN203784004U (zh) | 直动式电磁换向阀 | |
| CN107830182A (zh) | 一种带有磁铁的电磁阀 | |
| CN210153291U (zh) | 一种用于废水处理的电磁阀 | |
| CN205479639U (zh) | 一种直动活塞式电磁阀 | |
| CN212250666U (zh) | 两位三通电磁比例阀 | |
| CN206320365U (zh) | 单向节流型电磁阀 | |
| CN203770781U (zh) | 自力式截止阀 | |
| CN208619823U (zh) | 一种双磁吸双稳态脉冲电磁阀 | |
| CN206487917U (zh) | 防堵自清洗的废水比电磁阀 | |
| CN208431377U (zh) | 一种带有磁铁的电磁阀 | |
| CN109737212B (zh) | 一种具有防水垢和消音功能的废水阀 | |
| CN205244568U (zh) | 单阀芯电磁阀 | |
| CN109611604B (zh) | 一种电磁阀及感应龙头控制盒 | |
| CN210600376U (zh) | 一种弹簧密封式排水电磁阀 | |
| CN203836278U (zh) | 反压差自动驱动阀 | |
| CN209354455U (zh) | 重载荷增速阀 | |
| CN207349512U (zh) | 一种吸引力永磁弹簧单向阀 | |
| CN214093060U (zh) | 一种便于更换阀塞的电磁阀 | |
| CN205244487U (zh) | 双阀芯电磁阀 | |
| CN220910614U (zh) | 一种新型防堵结构电磁阀 | |
| CN219796294U (zh) | 一种可微调出水量的电磁阀 | |
| CN212868461U (zh) | 一种高磁强度电磁阀 | |
| CN105736757B (zh) | 一种带互锁水路的切换组件 |
Legal Events
| Date | Code | Title | Description |
|---|---|---|---|
| GR01 | Patent grant | ||
| GR01 | Patent grant |