CN203628079U - Screw clamping type light pipe connector - Google Patents
Screw clamping type light pipe connector Download PDFInfo
- Publication number
- CN203628079U CN203628079U CN201320883266.6U CN201320883266U CN203628079U CN 203628079 U CN203628079 U CN 203628079U CN 201320883266 U CN201320883266 U CN 201320883266U CN 203628079 U CN203628079 U CN 203628079U
- Authority
- CN
- China
- Prior art keywords
- light pipe
- type light
- pipe connector
- clamping type
- screw clamping
- Prior art date
- Legal status (The legal status is an assumption and is not a legal conclusion. Google has not performed a legal analysis and makes no representation as to the accuracy of the status listed.)
- Expired - Lifetime
Links
- 238000007789 sealing Methods 0.000 abstract description 10
- 210000001503 joint Anatomy 0.000 abstract description 3
- 230000005489 elastic deformation Effects 0.000 abstract 1
- 238000003754 machining Methods 0.000 abstract 1
- 238000000034 method Methods 0.000 description 5
- 239000007788 liquid Substances 0.000 description 3
- 238000003032 molecular docking Methods 0.000 description 2
- 230000005540 biological transmission Effects 0.000 description 1
- 230000007812 deficiency Effects 0.000 description 1
- 239000000835 fiber Substances 0.000 description 1
- 238000004519 manufacturing process Methods 0.000 description 1
- 238000003466 welding Methods 0.000 description 1
Images
Landscapes
- Quick-Acting Or Multi-Walled Pipe Joints (AREA)
Abstract
Disclosed is a screw clamping type light pipe connector. The screw clamping type light pipe connector comprises a cylindrical joint body (1), two rings of sealing grooves and connecting screws (3), wherein opening slots are formed in two ends of the cylindrical joint body (1), the two rings of sealing grooves are formed in two sides of the inner wall of the joint body and used for being matched with an O-shaped seal ring (2), and the connecting screws (3) enable the opening slots of the two ends of the joint body to generate elastic deformation so that a light pipe can be embraced. When the screw clamping type light pipe connector is used for butt joint and sealing of pipelines, the pipeline machining is not required, the operation is simple, and assembly and disassembly can be rapidly performed.
Description
Technical field
The utility model relates to the joint device technical field of structures of carrying gas, liquid medium pipeline.
Background technique
There are a large amount of pipelines of carrying gas, liquid medium in production scene, need dock, seal.Traditional method generally has two kinds, and one is to adopt pipe end welded flange, adds sealing gasket, then uses bolt, nut by flange connect, achieves a butt joint and seals.Another kind is to adopt pipe ends mantle fiber, then connects with female adapter, achieves a butt joint and seals.These two kinds of methods need to be equipped with the equipment such as welding machine, die head threading machine in the time of operation, when site operation, and complex process, labor intensity is large, and efficiency is low.
Summary of the invention
When the purpose of this utility model provides a kind of docking for pipeline and sealing in order to solve the deficiency that above-mentioned prior art exists just without pipeline is processed, the screw clamp compact form light pipe joiner of simple to operate, fast demountable.
The utility model object is achieved by the following technical solution.
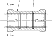
Screw clamp compact form light pipe joiner, include circle tube joint body that two ends have processed opening slot, be arranged at fittings body inwall both sides for two circle seal grooves of equipped " O " shape seal ring 2, make the opening slot at fittings body two ends produce the joint bolt of resiliently deformable.
Described screw has four, and the opening slot at fittings body two ends is compressed, and forms circle tube joint body.
In fittings body, be processed with two symmetrical seal grooves, place " O " shape seal ring in groove, fittings body two ends process respectively opening slot.Pipeline contacts and can realize sealing with seal ring after inserting, and sealing load maximum can reach 2MPa.Install after pipeline, tighten respectively screw from two ends, make fittings body opening part produce resiliently deformable, thereby hold light pipe tightly, reach the effect of sealing and connection light pipe.
When mounted, without pipeline is processed, it is simple in structure, fast demountable for this screw clamp compact form light pipe joiner.The function that pipeline connects can be realized, the sealing of junction point can be guaranteed again.
Accompanying drawing explanation
Fig. 1 is structural representation of the present utility model;
Fig. 2 is the plan view of Fig. 1;
Fig. 3 is the A-A sectional view of Fig. 1.
Embodiment
As shown in the figure, this screw clamp compact form light pipe joiner includes two ends has processed the circle tube joint body 1 of opening slot, is arranged at the two circle seal grooves on fittings body inwall both sides, equipped " O " shape seal ring 2 in seal groove.Also comprise and make the cylindrical shell two ends of fittings body produce resiliently deformable along opening slot, thereby hold the screw 3 of light pipe tightly.Screw has four, is screwed into respectively from the side of fittings body both ends open groove, forms circle tube joint body.
While adopting the utility model docking pipeline, unscrew screw 3, " O " shape seal ring 2 is first installed in the interior seal groove of fittings body 1, the pipeline light pipe that will dock again inserts in the hole of fittings body from two ends respectively, finally tighten respectively screw, make fittings body opening part produce resiliently deformable, thereby hold light pipe tightly, reach the effect of sealing and connection light pipe.The utility model can be widely used in various light pipes to be inserted and connects soon, especially has vapour, the liquid transmission pipeline of elevated pressures seal request.
Claims (2)
1. screw clamp compact form light pipe joiner, it is characterized in that, include circle tube joint body (1) that two ends have processed opening slot, be arranged at fittings body inwall both sides for two circle seal grooves of equipped " O " shape seal ring (2), make the opening slot at fittings body two ends produce resiliently deformable, thereby hold the joint bolt (3) of light pipe tightly.
2. screw clamp compact form light pipe joiner according to claim 1, is characterized in that, described screw has four, and the opening slot at fittings body two ends is compressed, and forms circle tube joint body.
Priority Applications (1)
| Application Number | Priority Date | Filing Date | Title |
|---|---|---|---|
| CN201320883266.6U CN203628079U (en) | 2013-12-30 | 2013-12-30 | Screw clamping type light pipe connector |
Applications Claiming Priority (1)
| Application Number | Priority Date | Filing Date | Title |
|---|---|---|---|
| CN201320883266.6U CN203628079U (en) | 2013-12-30 | 2013-12-30 | Screw clamping type light pipe connector |
Publications (1)
| Publication Number | Publication Date |
|---|---|
| CN203628079U true CN203628079U (en) | 2014-06-04 |
Family
ID=50814556
Family Applications (1)
| Application Number | Title | Priority Date | Filing Date |
|---|---|---|---|
| CN201320883266.6U Expired - Lifetime CN203628079U (en) | 2013-12-30 | 2013-12-30 | Screw clamping type light pipe connector |
Country Status (1)
| Country | Link |
|---|---|
| CN (1) | CN203628079U (en) |
-
2013
- 2013-12-30 CN CN201320883266.6U patent/CN203628079U/en not_active Expired - Lifetime
Similar Documents
| Publication | Publication Date | Title |
|---|---|---|
| CN203147123U (en) | Quick-release connector for air compressor | |
| CN101307846B (en) | Detachable connecting pipe fitting | |
| CN205078949U (en) | Clamping formula pipe joint | |
| CN201715135U (en) | Pipeline fast-repair thread casing joint | |
| CN201964061U (en) | Pipe connector for high-temperature and high-pressure fuel gas system | |
| CN207514434U (en) | A kind of plastic-steel snap ring connector | |
| CN206036442U (en) | Quick -operation joint that pipe is connected | |
| CN201096679Y (en) | Sealing device for small-diameter pipe pressure test | |
| CN203628079U (en) | Screw clamping type light pipe connector | |
| CN202012298U (en) | Novel union | |
| CN201180875Y (en) | Detachable connecting pipe fitting | |
| CN202302412U (en) | Pressure-bearing and sealing pipeline for pipe connector | |
| CN201051038Y (en) | Light hole quick connector | |
| CN220506053U (en) | Quick-mounting joint structure | |
| CN203517102U (en) | Flexible pipe connector | |
| CN210088247U (en) | Quick-connection joint for pipeline | |
| CN201242015Y (en) | Pipeline connector | |
| CN203628106U (en) | Quick-open type pipeline connection device | |
| CN203442364U (en) | Dismountable sealing pipe connector | |
| CN108953832A (en) | GRP pipe repairs rapid construction structure and construction method | |
| CN203036147U (en) | Pipe type quick connector of drinking water purifier | |
| CN202852248U (en) | Insert-type pipeline connecting assembly | |
| CN208503736U (en) | A kind of pressure pipeline quick coupling | |
| CN201547425U (en) | High-pressure pipe joint | |
| CN203147105U (en) | Novel attachment joint |
Legal Events
| Date | Code | Title | Description |
|---|---|---|---|
| C14 | Grant of patent or utility model | ||
| GR01 | Patent grant | ||
| CP01 | Change in the name or title of a patent holder |
Address after: 650051 Yunnan city in Kunming Province eight kilometers KMEC Industrial Zone 502 a mail box Patentee after: YUNNAN KSEC MACHINERY MANUFACTURING CO.,LTD. Address before: 650051 Yunnan city in Kunming Province eight kilometers KMEC Industrial Zone 502 a mail box Patentee before: 1ST MACHINERY CO.,LTD. OF KSEC |
|
| CP01 | Change in the name or title of a patent holder | ||
| CX01 | Expiry of patent term |
Granted publication date: 20140604 |
|
| CX01 | Expiry of patent term |