CN203622494U - Pipe splitting machine for thermal insulation pipe - Google Patents
Pipe splitting machine for thermal insulation pipe Download PDFInfo
- Publication number
- CN203622494U CN203622494U CN201320882324.3U CN201320882324U CN203622494U CN 203622494 U CN203622494 U CN 203622494U CN 201320882324 U CN201320882324 U CN 201320882324U CN 203622494 U CN203622494 U CN 203622494U
- Authority
- CN
- China
- Prior art keywords
- guide rail
- power transmission
- synchronous pulley
- rail splice
- cylinder
- Prior art date
- Legal status (The legal status is an assumption and is not a legal conclusion. Google has not performed a legal analysis and makes no representation as to the accuracy of the status listed.)
- Expired - Lifetime
Links
- 238000009413 insulation Methods 0.000 title abstract description 10
- 230000005540 biological transmission Effects 0.000 claims abstract description 46
- 230000001360 synchronised effect Effects 0.000 claims description 53
- ATJFFYVFTNAWJD-UHFFFAOYSA-N Tin Chemical compound [Sn] ATJFFYVFTNAWJD-UHFFFAOYSA-N 0.000 claims description 20
- 238000009991 scouring Methods 0.000 claims description 11
- 230000000694 effects Effects 0.000 abstract description 3
- 238000003754 machining Methods 0.000 abstract description 2
- 238000000034 method Methods 0.000 description 14
- 230000033001 locomotion Effects 0.000 description 3
- 239000012774 insulation material Substances 0.000 description 2
- 238000010276 construction Methods 0.000 description 1
- 230000007547 defect Effects 0.000 description 1
- 238000005516 engineering process Methods 0.000 description 1
- 239000003292 glue Substances 0.000 description 1
- 238000009434 installation Methods 0.000 description 1
Images
Landscapes
- Sawing (AREA)
Abstract
The utility model discloses a pipe splitting machine for a thermal insulation pipe, and relates to the field of machining. The pipe splitting machine for the thermal insulation pipe comprises a pipe splitting cabinet, a splitting device is arranged in the pipe splitting cabinet, a power transmission case is arranged on the top of the pipe splitting machine, a guide rod and an adjustable support is arranged between a top plate and the power transmission case, the central axis of the guide rod is parallel to the cross section of the top plate, and the guide rod is connected with a second side plate through the adjustable support; a first power device and a second power device are symmetrically arranged in the power transmission case along the center of the power transmission case; a first roller and a second roller are perpendicularly arranged between the pipe splitting cabinet and the power transmission case, and an adjusting hand wheel with forward and backward lead screws is arranged on the outer wall of the power transmission case. The pipe splitting machine for the thermal insulation pipe can effectively improve the work efficiency, the cross section of the split thermal insulation pipe is neat, the thermal insulation pipe can be perfectly installed, and the installed thermal insulation pipe is good in thermal insulation effects.
Description
Technical field
The utility model relates to field of machining, is specifically related to a kind of pipe machine that cuts open for insulating tube.
Background technology
When existing utilidor is installed, need first insulating tube is cut open, then the insulation material of cutting open be wrapping on pipeline, then with glue by bonding the cutting plane of insulation material.Current staff processes insulating tube method and is, adopts cutter manually insulating tube to be cut open, then the insulating tube of cutting open is picked up into material-receiving device.Existing method operating efficiency is lower, and the section of insulating tube is uneven, has not only affected the installation of insulating tube, and has reduced the insulating efficiency of insulating tube.
Utility model content
For the defect existing in prior art, the purpose of this utility model is to provide one to cut open pipe machine, not only can effectively increase work efficiency, and it is more neat to cut the section of rear insulating tube open, can install preferably, the heat insulation effect after insulating tube is installed is better.
For reaching above object, the technical scheme that the utility model is taked is: a kind of pipe machine that cuts open for insulating tube, comprise and cut open pipe cabinet, cut open pipe cabinet and comprise the top board and the base plate that are oppositely arranged, between top board and base plate, be provided with the first side plate, the second side plate, header board and backboard, described the first side plate and the second side plate are oppositely arranged, and described header board and backboard are oppositely arranged, the described inside of cuing open pipe cabinet is provided with sectility device, it is characterized in that: the top of described top board is provided with power transmission box; The inside of described power transmission box is provided with the first power set and the second actuating unit, and the first power set and the second power set are along the Central Symmetry setting of power transmission box.
Described the first power set comprise the first stepper motor and the first reductor, and the top of the first reductor is provided with the first synchronous pulley for coordinating with the first reductor, and the bottom level of described the first reductor is provided with the first guide rail splice; Described the second power set comprise the second stepper motor and the second reductor, and the top of the second reductor is provided with the second synchronous pulley for coordinating with the second reductor, and the bottom level of described the second reductor is provided with the second guide rail splice; The transverse cross-section parallel of the cross section of described the first guide rail splice and the second guide rail splice.
The inside of described power transmission box also comprises the first rail plate and the second rail plate that be arranged in parallel, the first rail plate is vertical with the first guide rail splice, the first rail plate is positioned at the bottom of the first guide rail splice, the second guide rail splice, and the second rail plate is positioned at the bottom of the first guide rail splice, the second guide rail splice; The first guide rail splice, the second guide rail splice are all connected with the first rail plate, and described the first guide rail splice, the second guide rail splice are all connected with the second rail plate.
Between described top board and power transmission box, be vertically provided with the first cylinder and second tin roller; Between described the first cylinder and the first synchronous pulley, be provided with the first mandrel, one end of described the first mandrel is connected with the first cylinder, and the other end through after power transmission box, the first guide rail splice and the first reductor, is connected with the first synchronous pulley successively; Between described second tin roller and the second synchronous pulley, be provided with the second mandrel, second tin roller is connected with the second actuating unit by the second mandrel, one end of the second mandrel is connected with second tin roller, the other end through after power transmission box, the second guide rail splice and the second reductor, is connected with the second synchronous pulley successively.
The outer wall of described power transmission box is provided with the adjustment handwheel with forward lead screw, and the axis of described forward lead screw is parallel with the axis of the first rail plate; Adjusting handwheel is connected with the first guide rail splice, the second guide rail splice by forward lead screw.
On the basis of technique scheme, described the first actuating unit also comprises the 3rd synchronous pulley, and the 3rd synchronous pulley is connected with the first synchronous pulley by belt; The second actuating unit also comprises the 4th synchronous pulley, and the 4th synchronous pulley is connected with the 3rd synchronous pulley by belt;
Between described top board and power transmission box, be also vertically provided with the 3rd cylinder and the 4th cylinder;
Between the 3rd cylinder and the 3rd synchronous pulley, be provided with the 3rd mandrel, one end of the 3rd mandrel is connected with the 3rd cylinder, and the other end is worn behind the bottom and the first guide rail splice of power transmission box successively, is connected with the 3rd synchronous pulley;
Between the 4th cylinder and the 4th synchronous pulley, be provided with four-core axle, the 4th cylinder is connected with the second actuating unit by four-core axle, one end of four-core axle is connected with the 4th cylinder, the other end through behind the bottom and the second guide rail splice of power transmission box, is connected with the 4th synchronous pulley successively.
On the basis of technique scheme, described sectility device comprises variable-frequency motor, adjustable planker and disc cutter, variable-frequency motor is connected in the inner surface of the second side plate by adjustable planker, described variable-frequency motor is connected with disc cutter, the longitudinal section of described disc cutter is parallel with the longitudinal section of header board, and described top board part corresponding to disc cutter has the through hole of coming in and going out for disc cutter.
On the basis of technique scheme, between described top board and power transmission box, be provided with adjustable support and for guide rod, the axis of guide rod and the transverse cross-section parallel of top board, described guide rod is connected with the second side plate by adjustable support.
On the basis of technique scheme, the bottom of described guide rod has and cuts open tube seat with the corresponding part of disc cutter.
On the basis of technique scheme, the outer surface of described the first side plate is provided with the scouring machine frame for charging.
On the basis of technique scheme, the top of described scouring machine frame has feed well, and the longitudinal section of feed well is V-arrangement.
On the basis of technique scheme, the bottom of described scouring machine frame is provided with the adjustable feet for adjustment tank bracket height.
On the basis of technique scheme, the outer surface of described the second side plate is provided with material-receiving device.
On the basis of technique scheme, the inside of described power transmission box also comprises the first guide rail slide block and the second guide rail slide block, described the first guide rail splice, the second guide rail splice are all connected with the first rail plate by the first guide rail slide block, and described the first guide rail splice, the second guide rail splice are all connected with the second rail plate by the second guide rail slide block.
Compared with prior art, the utility model has the advantage of:
(1) the utility model comprises the first cylinder and second tin roller, in the middle of the first cylinder and second tin roller can be clamped in insulating tube, when the first cylinder second tin roller turns clockwise with identical speed, can drive insulating tube to adjustable support direction uniform motion by frictional force, when insulating tube process disc cutter, can at the uniform velocity be cut open by disc cutter, compared with cutting insulating tube open with artificial use cutter in prior art, not only operating efficiency is higher, and section is more neat, insulating tube can be installed preferably, and the heat insulation effect after insulating tube is installed is better.
(2) the utility model comprises replaceable guide rod, staff can be installed to corresponding guide rod on adjustable support according to the internal diameter of insulating tube, be inserted in after guide rod insulating tube inside, not only can under the clamping of the first cylinder and the 3rd cylinder, keep circular, and insulating tube can move along guide rod; The bottom of guide rod has the cut open tube seat corresponding with disc cutter, and disc cutter can cut insulating tube completely, and section is more neat.
(3) the utility model comprises the 3rd cylinder and the 4th cylinder, the 3rd cylinder and the 4th cylinder turn clockwise, can drive the insulating tube being broken away to move to material-receiving device direction, make the insulating tube being broken away can fall into material-receiving device, with in prior art by manually the insulating tube of cutting open being picked up compared with material-receiving device, improved significantly operating efficiency.
Accompanying drawing explanation
Fig. 1 is the structural representation that cuts open pipe machine in the utility model embodiment;
Fig. 2 is the structural representation of the utility model embodiment medium power transmission case and cylinder;
Fig. 3 is the top view of Fig. 1.
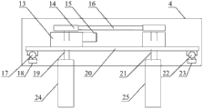
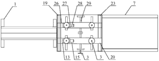
In figure: 1-scouring machine frame, 2-joint pin, 3-adjusts handwheel, 4-power transmission box, 5-guide rod, 6-adjustable support, 7-material-receiving device, feet that 8-is adjustable, 9-disc cutter, 10-cuts open pipe cabinet, 11-variable-frequency motor, 12-is adjustable planker, 13-the first reductor, 14-the first synchronous pulley, 15-the first stepper motor, 16-the 3rd synchronous pulley, 17-the first guide rail slide block, 18-the first rail plate, 19-the first mandrel, 20-the first guide rail splice, 21-the 3rd mandrel, 22-the second guide rail slide block, 23-the second rail plate, 24-the first cylinder, 25-the 3rd cylinder, 26-the second guide rail splice, 27-the second reductor, 28-the second stepper motor, 29-forward lead screw.
The specific embodiment
Below in conjunction with accompanying drawing, embodiment of the present utility model is described in further detail.
Shown in Fig. 1, Fig. 2 and Fig. 3, the pipe machine that cuts open for insulating tube in the utility model embodiment, comprise and cut open pipe cabinet 10, scouring machine frame 1 and material-receiving device 7, scouring machine frame 1 and material-receiving device 7 are oppositely arranged on the both sides of cuing open pipe cabinet 10, the top of scouring machine frame 1 has feed well, and the longitudinal section of feed well is V-arrangement, and the bottom of scouring machine frame 1 is provided with the adjustable feet 8 for adjustment tank frame 1 height.
Sectility device comprises variable-frequency motor 11, adjustable planker 12 and disc cutter 9, variable-frequency motor 11 is connected in the inner surface of the second side plate by adjustable planker 12, variable-frequency motor 11 is connected with disc cutter 9, the longitudinal section of disc cutter 9 is parallel with the longitudinal section of header board, and top board part corresponding to disc cutter 9 has the through hole of coming in and going out for disc cutter 9.
The inside of cuing open pipe cabinet 10 is provided with sectility device, cuts open pipe cabinet 10 and comprises top board and base plate, is provided with the first side plate, the second side plate, header board and backboard between top board and base plate, and the first side plate and the second side plate are oppositely arranged, and header board and backboard are oppositely arranged.The top of top board is provided with power transmission box 4, between top board and power transmission box 4, be provided with guide rod 5 and adjustable support 6, the plane parallel at the axis of guide rod 5 and top board place, guide rod 5 is connected with the second side plate by adjustable support 6, and the bottom of guide rod 5 has and cuts open tube seat with the corresponding part of disc cutter 9.
The outer wall of power transmission box 4 is provided with the adjustment handwheel 3 with forward lead screw 29, and the axis of forward lead screw 29 is parallel with the axis of the first rail plate 18; Adjusting handwheel 3 is connected with the first guide rail splice 20, the second guide rail splice 26 by forward lead screw 29.
Top board is connected with power transmission box 4 by 4 joint pins 2, and power transmission box 4 comprises the first power set and the second actuating unit, and the first power set and the second power set are along the Central Symmetry setting of power transmission box 4.
The first power set comprise that the top of the first stepper motor 15 and the first reductor 13, the first reductors 13 is provided with the first synchronous pulley 14 coordinating with the first reductor 13,
The first power set also comprise that belt and the 3rd synchronous pulley 16, the first synchronous pulleys 14 are connected with the 3rd synchronous pulley 16 by belt; It is horizontally disposed that the bottom of the first reductor 13 is provided with the first guide rail splice 20, the first guide rail splices 20.
The second power set comprise that the top of the second stepper motor 28 and the second reductor 27, the second reductors 27 is provided with the second synchronous pulley coordinating with the second reductor 27;
The second synchronous pulley is connected with the 4th synchronous pulley by belt; It is horizontally disposed that the bottom of the second reductor 27 is provided with the second guide rail splice 26, the second guide rail splices 26.
The axis of the first guide rail splice 20 is parallel with the axis of the second guide rail splice 26, the inside of power transmission box 4 also comprises the first rail plate 18 and the second rail plate 23 that be arranged in parallel, the first rail plate 18 is vertical with the second guide rail splice 26, the first rail plate 18 is positioned at the bottom of the first guide rail splice 20, the second guide rail splice 26, and the first rail plate 18 is connected with the first guide rail splice 20, the second guide rail splice 26 by the first guide rail slide block 17.The second rail plate 23 is positioned at the bottom of the first guide rail splice 20, the second guide rail splice 26, and the second rail plate 23 is connected with the first guide rail splice 20, the second guide rail splice 26 by the second guide rail slide block 22.
Between top board and power transmission box 4, be vertically provided with the first cylinder 24, second tin roller, the 3rd cylinder 25 and the 4th cylinder.
Between the first cylinder 24 and the first synchronous pulley 14, be provided with the first mandrel 19, the first cylinder 24 is connected with the first synchronous pulley 14 by the first mandrel 19, one end of the first mandrel 19 is connected with the first cylinder 24, the other end through behind the bottom and the first guide rail splice 20 and the first reductor 13 of power transmission box 4, is connected with the first synchronous pulley 14 successively.
Between second tin roller and the second synchronous pulley, be provided with the second mandrel, second tin roller is by the second mandrel and the second synchronous pulley, one end of the second mandrel is connected with second tin roller, the other end through behind the bottom and the second guide rail splice 26 and the second reductor 27 of power transmission box 4, is connected with the second synchronous pulley successively.
Between the 3rd cylinder 25 and the 3rd synchronous pulley 16, be also provided with the 3rd mandrel 21, the 3rd cylinder 25 is connected with the 3rd synchronous pulley 16 by the 3rd mandrel 21, one end of the 3rd mandrel 21 is connected with the 3rd cylinder 25, the other end through behind the bottom and the first guide rail splice 20 of power transmission box 4, is connected with the 3rd synchronous pulley 16 successively.
The 4th cylinder and the 4th synchronous pulley are also provided with four-core axle, the 4th cylinder is by four-core axle and the 4th synchronous pulley, one end of four-core axle is connected with the 4th cylinder, and the other end through behind the bottom and the second guide rail splice 26 of power transmission box 4, is connected with the 4th synchronous pulley successively.
Using method of the present utility model is as follows:
Staff is according to the model of insulating tube, first corresponding guide rod 5 is connected with adjustable support 6, adjust adjustable support 6 to respective heights, then insulating tube is put into V-type feed well, insulating tube is advanced to the direction of cuing open pipe cabinet 10, insulating tube and guide rod 5 are socketed, continue to advance insulating tube, insulating tube is moved, in the time that the front end of insulating tube is between the first cylinder 24 and second tin roller to adjustable support 6 directions along guide rod 5.
Staff rotates and adjusts handwheel 3, the first cylinder 24 and second tin roller are clamped in insulating tube middle, staff starts the first stepper motor 15 and the second stepper motor 28, drive the first cylinder 24 and second tin roller to rotate in the opposite direction with identical speed, now, the insulating tube between the first cylinder 24 and second tin roller is to adjustable support 6 direction uniform motion.
Staff, according to the height of guide rod 5, adjusts adjustable supporting plate, makes the top of disc cutter 9 be positioned at the groove of guide rod 5 bottoms; Staff starts variable-frequency motor 11 driver plate cutting knifes 9 and moves, and adjusts the frequency of variable-frequency motor 11, makes the speed of service of disc cutter 9 corresponding with the rotating speed of the first cylinder 24.Disc cutter 9 can at the uniform velocity be cut the insulating tube being socketed on guide rod 5 open, and can guarantee that section is more neat in the situation that cutting open completely.
The part that insulating tube has been broken away travels at the uniform speed to material-receiving device 7 directions along guide rod 5, in the time that insulating tube moves between the 3rd cylinder 25 and the 4th cylinder, the first cylinder 24 drives the 3rd cylinder 25 to rotate by belt, second tin roller drives the 4th cylinder to rotate by belt, the direction of rotation of the 3rd cylinder 25 and the 4th cylinder, the 3rd cylinder 25 and the 4th cylinder can produce frictional force with insulating tube, and insulating tube can be continued at the uniform velocity to material-receiving device 7 direction motions.
The insulating tube being broken away moves to after adjustable support 6, can fall into material-receiving device 7, and staff can will fall into the insulating tube of material-receiving device 7 for the construction of utilidor.
The utility model is not only confined to above-mentioned preferred forms; anyone can draw other various forms of products under enlightenment of the present utility model; no matter but do any variation in its shape or structure; every have identical with a utility model or akin technical scheme, all within its protection domain.
Claims (10)
1. the pipe machine that cuts open for insulating tube, comprise and cut open pipe cabinet (10), cut open pipe cabinet (10) and comprise the top board and the base plate that are oppositely arranged, between top board and base plate, be provided with the first side plate, the second side plate, header board and backboard, described the first side plate and the second side plate are oppositely arranged, described header board and backboard are oppositely arranged, described in cut open pipe cabinet (10) inside be provided with sectility device, it is characterized in that: the top of described top board is provided with power transmission box (4); The inside of described power transmission box (4) is provided with the first power set and the second actuating unit, and the first power set and the second power set are along the Central Symmetry setting of power transmission box (4);
Described the first power set comprise the first stepper motor (15) and the first reductor (13), the top of the first reductor (13) is provided with the first synchronous pulley (14) for coordinating with the first reductor (13), and the bottom level of described the first reductor (13) is provided with the first guide rail splice (20); Described the second power set comprise the second stepper motor (28) and the second reductor (27), the top of the second reductor (27) is provided with the second synchronous pulley (16) for coordinating with the second reductor (27), and the bottom level of described the second reductor (27) is provided with the second guide rail splice (26); The transverse cross-section parallel of the cross section of described the first guide rail splice (20) and the second guide rail splice (26);
The inside of described power transmission box (4) also comprises the first rail plate (18) and the second rail plate (23) that be arranged in parallel, the first rail plate (18) is vertical with the first guide rail splice (20), the first rail plate (18) is positioned at the bottom of the first guide rail splice (20), the second guide rail splice (26), and the second rail plate (23) is positioned at the bottom of the first guide rail splice (20), the second guide rail splice (26); The first guide rail splice (20), the second guide rail splice (26) are all connected with the first rail plate (18), and described the first guide rail splice (20), the second guide rail splice (26) are all connected with the second rail plate (23);
Between described top board and power transmission box (4), be vertically provided with the first cylinder (24) and second tin roller; Between described the first cylinder (24) and the first synchronous pulley (14), be provided with the first mandrel (19), one end of described the first mandrel (19) is connected with the first cylinder (24), the other end through after power transmission box (4), the first guide rail splice (20) and the first reductor (13), is connected with the first synchronous pulley (14) successively; Between described second tin roller and the second synchronous pulley, be provided with the second mandrel, second tin roller is connected with the second actuating unit by the second mandrel, one end of the second mandrel is connected with second tin roller, the other end through after power transmission box (4), the second guide rail splice (26) and the second reductor (27), is connected with the second synchronous pulley successively;
The outer wall of described power transmission box (4) is provided with the adjustment handwheel (3) of band forward lead screw (29), and the axis of described forward lead screw (29) is parallel with the axis of the first rail plate (18); Adjusting handwheel (3) is connected with the first guide rail splice (20), the second guide rail splice (26) by forward lead screw (29).
2. the pipe machine that cuts open for insulating tube as claimed in claim 1, is characterized in that: described the first actuating unit also comprises the 3rd synchronous pulley (16), the 3rd synchronous pulley (16) is connected with the first synchronous pulley (14) by belt; The second actuating unit also comprises the 4th synchronous pulley, and the 4th synchronous pulley is connected with the 3rd synchronous pulley by belt;
Between described top board and power transmission box, be also vertically provided with the 3rd cylinder (25) and the 4th cylinder;
Between the 3rd cylinder (25) and the 3rd synchronous pulley (16), be provided with the 3rd mandrel (21), one end of the 3rd mandrel (21) is connected with the 3rd cylinder (25), the other end is worn behind the bottom and the first guide rail splice (20) of power transmission box (4) successively, is connected with the 3rd synchronous pulley (16);
Between the 4th cylinder and the 4th synchronous pulley, be provided with four-core axle, the 4th cylinder is connected with the second actuating unit by four-core axle, one end of four-core axle is connected with the 4th cylinder, the other end through behind the bottom and the second guide rail splice (26) of power transmission box (4), is connected with the 4th synchronous pulley successively.
3. the pipe machine that cuts open for insulating tube as claimed in claim 1, it is characterized in that: described sectility device comprises variable-frequency motor (11), adjustable planker (12) and disc cutter (9), variable-frequency motor (11) is connected in the inner surface of the second side plate by adjustable planker (12), described variable-frequency motor (11) is connected with disc cutter (9), the longitudinal section of described disc cutter (9) is parallel with the longitudinal section of header board, and described top board has the through hole of coming in and going out for disc cutter (9) with the corresponding part of disc cutter (9).
4. the pipe machine that cuts open for insulating tube as claimed in claim 1, it is characterized in that: between described top board and power transmission box (4), be provided with adjustable support (6) and for guide rod (5), the axis of guide rod (5) and the transverse cross-section parallel of top board, described guide rod (5) is connected with the second side plate by adjustable support (6).
5. the pipe machine that cuts open for insulating tube as claimed in claim 4, is characterized in that: the bottom of described guide rod (5) has and cuts open tube seat with the corresponding part of disc cutter (9).
6. the pipe machine that cuts open for insulating tube as claimed in claim 1, is characterized in that: the outer surface of described the first side plate is provided with the scouring machine frame (1) for charging.
7. the pipe machine that cuts open for insulating tube as claimed in claim 6, is characterized in that: the top of described scouring machine frame (1) has feed well, and the longitudinal section of feed well is V-arrangement.
8. the pipe machine that cuts open for insulating tube as claimed in claim 6, is characterized in that: the bottom of described scouring machine frame (1) is provided with the adjustable feet (8) for adjustment tank frame (1) height.
9. the pipe machine that cuts open for insulating tube as claimed in claim 1, is characterized in that: the outer surface of described the second side plate is provided with material-receiving device (7).
10. the pipe machine that cuts open for insulating tube as described in claim 1~9 any one, it is characterized in that: the inside of described power transmission box (4) also comprises the first guide rail slide block (17) and the second guide rail slide block (22), described the first guide rail splice (20), the second guide rail splice (26) are all connected with the first rail plate (18) by the first guide rail slide block (17), and described the first guide rail splice (20), the second guide rail splice (26) are all connected with the second rail plate (23) by the second guide rail slide block (22).
Priority Applications (1)
| Application Number | Priority Date | Filing Date | Title |
|---|---|---|---|
| CN201320882324.3U CN203622494U (en) | 2013-12-30 | 2013-12-30 | Pipe splitting machine for thermal insulation pipe |
Applications Claiming Priority (1)
| Application Number | Priority Date | Filing Date | Title |
|---|---|---|---|
| CN201320882324.3U CN203622494U (en) | 2013-12-30 | 2013-12-30 | Pipe splitting machine for thermal insulation pipe |
Publications (1)
| Publication Number | Publication Date |
|---|---|
| CN203622494U true CN203622494U (en) | 2014-06-04 |
Family
ID=50809010
Family Applications (1)
| Application Number | Title | Priority Date | Filing Date |
|---|---|---|---|
| CN201320882324.3U Expired - Lifetime CN203622494U (en) | 2013-12-30 | 2013-12-30 | Pipe splitting machine for thermal insulation pipe |
Country Status (1)
| Country | Link |
|---|---|
| CN (1) | CN203622494U (en) |
Cited By (3)
| Publication number | Priority date | Publication date | Assignee | Title |
|---|---|---|---|---|
| CN108044171A (en) * | 2017-12-28 | 2018-05-18 | 江苏盖亚环境科技股份有限公司 | A kind of soil sample reparation one drilling machine cuts open pipe device |
| CN111558959A (en) * | 2020-05-22 | 2020-08-21 | 陈小风 | Method for manufacturing and processing pipeline rubber-plastic heat-insulating material |
| CN111823295A (en) * | 2020-07-30 | 2020-10-27 | 格力电器(武汉)有限公司 | Safe and efficient pipe sectioning device |
-
2013
- 2013-12-30 CN CN201320882324.3U patent/CN203622494U/en not_active Expired - Lifetime
Cited By (4)
| Publication number | Priority date | Publication date | Assignee | Title |
|---|---|---|---|---|
| CN108044171A (en) * | 2017-12-28 | 2018-05-18 | 江苏盖亚环境科技股份有限公司 | A kind of soil sample reparation one drilling machine cuts open pipe device |
| CN111558959A (en) * | 2020-05-22 | 2020-08-21 | 陈小风 | Method for manufacturing and processing pipeline rubber-plastic heat-insulating material |
| CN111558959B (en) * | 2020-05-22 | 2021-09-03 | 青岛汇东橡塑有限公司 | Method for manufacturing and processing pipeline rubber-plastic heat-insulating material |
| CN111823295A (en) * | 2020-07-30 | 2020-10-27 | 格力电器(武汉)有限公司 | Safe and efficient pipe sectioning device |
Similar Documents
| Publication | Publication Date | Title |
|---|---|---|
| CN205043991U (en) | Single evolution machine of single crystal silicon rod | |
| CN204912913U (en) | Trailing type saw cuts machine | |
| CN204075357U (en) | A kind of steel tube cutting machine | |
| CN203622494U (en) | Pipe splitting machine for thermal insulation pipe | |
| CN102554948A (en) | PVC (polyvinyl chloride) pipe chipless cutting mechanism in combined transmission of gears, turntable and bearing and cutting machine | |
| CN103722347A (en) | Magnesium aluminum alloy spiral welded pipe production unit | |
| CN207642196U (en) | A kind of automatic hand-drawn wire machine straightening device | |
| CN206230077U (en) | A kind of stainless steel pressure pipe hydraulic pressure automatic cutting device | |
| CN208438393U (en) | Conveyer belt embryo side glue cutting means | |
| CN205043990U (en) | Monocrystalline silicon evolution machine cutting head structure | |
| CN203903407U (en) | Feeding machine for concrete pipe manufacturing | |
| CN205397674U (en) | Can regulate and control at uniform velocity cable - line device | |
| CN206775019U (en) | Rotate wire stripping mechanism | |
| CN203726082U (en) | Magnesium aluminium alloy helical welded tube production unit | |
| CN203901033U (en) | Internal hole polishing machine for aluminum alloy tube | |
| CN203246091U (en) | Novel cord fabric cutting device | |
| CN203305275U (en) | Adjustable pipe clamping device in PVC pipe production line | |
| CN206382622U (en) | A kind of stainless steel pressure pipe automatic cutting device | |
| CN202462464U (en) | Gear, turntable and bearing combined transmission polyvinyl chloride (PVC) pipe chipless cutting mechanism and machine | |
| CN102522677B (en) | Semi-automatic end scalding equipment | |
| CN202174286U (en) | High-intensity high-speed beveling type milling head device | |
| CN201900166U (en) | Fin belt flexible roller wave pitch adjustment device | |
| CN104925572B (en) | A kind of body paper splitting winding equipment | |
| CN203695904U (en) | Upward oxygen-free copper tube continuous casting on-line cutting machine | |
| CN217673352U (en) | Automatic filling line of continuous high-mobility sampling mechanism |
Legal Events
| Date | Code | Title | Description |
|---|---|---|---|
| C14 | Grant of patent or utility model | ||
| GR01 | Patent grant | ||
| CP03 | Change of name, title or address |
Address after: 436070 Gedian economic and Technological Development Zone, Hubei, Ezhou Patentee after: DURKEE HI-TECH MATERIAL (WUHAN) GROUP Co.,Ltd. Address before: 436000 Gedian Development Zone, Hubei, people's West Road, No. 8, No. Patentee before: DURKEE (WUHAN) INSULATION MATERIAL Co.,Ltd. |
|
| CP03 | Change of name, title or address | ||
| CX01 | Expiry of patent term |
Granted publication date: 20140604 |
|
| CX01 | Expiry of patent term |