CN203607335U - AC contactor control circuit - Google Patents

AC contactor control circuit Download PDF

Info

Publication number
CN203607335U
CN203607335U CN201320768833.3U CN201320768833U CN203607335U CN 203607335 U CN203607335 U CN 203607335U CN 201320768833 U CN201320768833 U CN 201320768833U CN 203607335 U CN203607335 U CN 203607335U
Authority
CN
China
Prior art keywords
contactor
relay
circuit
electric capacity
bus
Prior art date
Legal status (The legal status is an assumption and is not a legal conclusion. Google has not performed a legal analysis and makes no representation as to the accuracy of the status listed.)
Expired - Fee Related
Application number
CN201320768833.3U
Other languages
Chinese (zh)
Inventor
周圣仓
亓恒忠
谭丽萍
范晓燕
Current Assignee (The listed assignees may be inaccurate. Google has not performed a legal analysis and makes no representation or warranty as to the accuracy of the list.)
SHANDONG SARON INTELLIGENT TECHNOLOGY Co Ltd
Original Assignee
SHANDONG SARON INTELLIGENT TECHNOLOGY Co Ltd
Priority date (The priority date is an assumption and is not a legal conclusion. Google has not performed a legal analysis and makes no representation as to the accuracy of the date listed.)
Filing date
Publication date
Application filed by SHANDONG SARON INTELLIGENT TECHNOLOGY Co Ltd filed Critical SHANDONG SARON INTELLIGENT TECHNOLOGY Co Ltd
Priority to CN201320768833.3U priority Critical patent/CN203607335U/en
Application granted granted Critical
Publication of CN203607335U publication Critical patent/CN203607335U/en
Anticipated expiration legal-status Critical
Expired - Fee Related legal-status Critical Current

Links

Images

Landscapes

  • Motor And Converter Starters (AREA)
  • Control Of Ac Motors In General (AREA)
  • Relay Circuits (AREA)

Abstract

The utility model discloses an AC contactor control circuit for controlling an AC contactor in series in a circuit between a power bus and a motor. The control circuit comprises an AC contactor drive circuit, a starting circuit, a holding circuit and a buffering circuit. The drive circuit is connected to the AC contactor. Each of the starting circuit, the holding circuit and the buffering circuit is connected to the drive circuit and the power bus. The control circuit employs a DC method to start the AC contactor, and the holding circuit employs a DC holding method at the same time, so that the control circuit overcomes the disadvantages that the AC contactor cannot be picked or be held after being picked due to a low voltage, and the AC contactor can work normally. The control circuit solves the problem that electricity usage is difficult under a low voltage and ensures that the AC contactor is not damaged in a high-voltage environment.

Description

Ac contactor control circuit
Technical field
The utility model relates to the contactor that a kind of control circuit cut-offs, specifically a kind of ac contactor control circuit.
Background technology
A.C. contactor is mainly used in frequent connection or disjunction alternating current circuit, has control capacity large, can remote operation; coordinate relay can realize fixed cycle operator; interlocked control, various quantitative control box decompressions and under-voltage protection, be widely used in automatic control system.
Generally, A.C. contactor is used for connecting and point deenergizing in electric power system, and can form motor starter with suitable relay or electronic protecting device.
Ac contactor coil will add alternating current makes it produce electromagnetic force, in the time that suitable alternating current flows through coil, can produce induction reactance, formed larger reactance together with coil D.C. resistance, thereby limit to a certain extent electric current, contactor can normally be worked in the magnitude of voltage of certain limit.In the time that magnitude of voltage is lower, the electric current that flows through coil is also just less, and the electromagnetic force that coil is produced is not enough to the moving iron core of adhesive, causes motor cannot start operation.
In the poor area of some electric power system facility, the phenomenon of line voltage fluctuation is common especially.At the scene in low-voltage environment, fail to reach while making the desired minimum voltage value of A.C. contactor adhesive when loading magnitude of voltage on ac contactor coil, there will be A.C. contactor armature more than situation of beating, this all can produce certain destruction to A.C. contactor self and whole electric power system, even causes security incident.Meanwhile, though A.C. contactor normal adhesive under less voltage, the moment of electric motor starting, voltage can be dragged down, now also deficiency is so that A.C. contactor enters normal maintenance attracting state to magnitude of voltage, and A.C. contactor is adhesive no longer, causes motor not run well.Therefore, in the lower problem running into of environment under low pressure, need to design a kind of low pressure operation control circuit for above-mentioned A.C. contactor, A.C. contactor can normally be worked in the time that line voltage produces fluctuation.
Utility model content
For above-mentioned deficiency, the utility model provides a kind of ac contactor control circuit that can make A.C. contactor normally start, move under voltage fluctuation environment.
The technical scheme in the invention for solving the technical problem is: a kind of ac contactor control circuit, for controlling the A.C. contactor that is connected on circuit between power bus and motor, it is characterized in that, comprise driving circuit of AC contactor, start-up circuit, holding circuit and buffer circuit, described drive circuit is connected with A.C. contactor; Described start-up circuit, holding circuit and buffer circuit is connected with power bus with drive circuit respectively.
Further, described driving circuit of AC contactor comprises rectifier bridge, and two outputs of described rectifier bridge are connected with the coil two ends of A.C. contactor respectively.
Further, described start-up circuit comprises the first relay, the first resistance, Switching Power Supply and control switch, one end of a normally opened contact of described the first relay is connected with a phase bus of power bus through rectifier bridge, the other end is connected after the first resistance and is connected with another phase bus of power bus through a normally-closed contact of ac contactor, after one ac input end series connection control switch of described Switching Power Supply, be connected with a phase bus of power bus, another ac input end is directly connected with another phase bus of power bus, DC output end is connected with the coil two ends of the first relay respectively.
Further, described holding circuit comprises the first electric capacity, connects successively after two normally opened contacts of the first relay and be connected with a phase bus of power bus through over commutation bridge in one end of described the first electric capacity, and the other end is connected with another phase bus of power bus.
Further, described buffer circuit comprises energy-storage units, the second electric capacity, the second resistance, the second relay and delay unit, one end of described energy-storage units connect successively the first relay normally-closed contact with after the second resistance, be connected with a phase bus of power bus, the other end is connected after a normally-closed contact of the second relay and is connected with another phase bus of power bus, described the second electric capacity and energy-storage units are connected in parallel, connect after a normally opened contact of the first relay and be connected with one end of delay unit in one end of the coil of described the second relay, the other end is directly connected with the other end of delay unit.
Further, described energy-storage units comprises the 3rd electric capacity and diode, and the 3rd electric capacity and diode are connected in series.
Further, described delay circuit comprises 555 timer chips.
Further, described A.C. contactor comprises the A.C. contactor with many groups contact, described ac contactor control circuit comprises rectifier bridge, the first resistance R 1, the second resistance R 2, the first capacitor C 1, the second capacitor C 2, the 3rd capacitor C 3, diode D1, have the first relay, the second relay, Switching Power Supply and control switch S1 and the delay circuits of many groups contact, described delay circuit comprises 555 timer chip U1, the 3rd resistance R 3, the 4th resistance R 4, the 4th capacitor C 4, the 5th capacitor C 5 and triode Q1;
Wherein, the 3-4 of described A.C. contactor, 5-6, tri-groups of normally opened contacts of 7-8 are connected on respectively in the circuit between A, B, C three-phase bus and the motor M of power bus; The C of described rectifier bridge, two outputs of D are connected with J, the K control end of ac contactor coil respectively, the A input of rectifier bridge is connected with the C phase bus of power bus, and B input is connected successively after the 1-2 normally-closed contact of 8-9 normally opened contact, the first resistance R 1 and A.C. contactor of the first relay and is connected with the A phase bus of power bus; L, the N end of described the first relay coil respectively with Switching Power Supply+12V, GND end is connected, the AC1 of described Switching Power Supply end is connected with the C phase bus of power bus, AC2 is connected with the center line of power bus after holding series connection control switch S1; One end of described the first capacitor C 1 connect successively the 11-12 normally opened contact of the first relay with after 8-9 normally opened contact, be connected with the B input of rectifier bridge, the other end is connected with the A phase bus of power bus; Described second capacitor C 2 one end connect successively the 4-5 normally-closed contact of the first relay with after the second resistance R 2, be connected with the C phase bus of power bus, the other end is connected after the normally closed electric shock of 1-2 of the second relay and is connected with the A phase bus of power bus, and the second capacitor C 2 is connected in parallel with the first capacitor C 1 after connecting with the normally closed electric shock of 1-2 of the second relay; Described the 3rd capacitor C 3 is connected with the second Capacitance parallel connection with after diode D1 series connection, after the 2-3 normally opened contact of coil F end series connection first relay of described the second relay, be connected respectively with one end of the 4th capacitor C 4,4 pins of 555 timer chip U1 with 8 pins, the coil E end of the second relay is connected with the collector electrode c of triode Q1; After base stage b series connection the 4th resistance R 4 of described triode Q1, be connected with 3 pins of 555 timer chip U1,4 pins of described 555 timer chip U1 with after 8 pin parallel connections, be connected with one end of the 3rd resistance R 3 with the other end of the 4th capacitor C 4 respectively, 5 pins of 555 timer chip U1 are connected with one end of the 5th capacitor C 5,1 pin of the other end of the emitter e of described triode Q1, the other end of the 3rd resistance R 3, the 5th capacitor C 5 and 555 timer chip U1 ground connection respectively.
The beneficial effects of the utility model are: the utility model is by adopting direct current mode to start A.C. contactor, holding circuit has also adopted the mode that direct current keeps simultaneously, overcome the A.C. contactor that causes because voltage is low cannot adhesive or adhesive after the shortcoming that cannot keep, A.C. contactor can normally be worked, solve the problem of power taking difficulty under low-voltage, and ensured that A.C. contactor can not be damaged under the higher environment of voltage.The utility model has not only solved voltage ripple of power network compared with large and while entering low-pressure state; the A.C. contactor causing cannot normally start and start the problems such as rear circuit shakiness, and can play a protective role to ac contactor coil under the higher environment of voltage.
Accompanying drawing explanation
Fig. 1 is theory diagram of the present utility model;
Fig. 2 is the circuit theory diagrams of a kind of specific embodiment of the utility model;
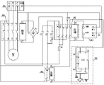
In figure, M motor, M1 A.C. contactor, M2 the first relay, M3 Switching Power Supply, M4 delay unit, M5 the second relay, R1 the first resistance, R2 the second resistance, R3 the 3rd resistance, R4 the 4th resistance, C1 the first electric capacity, C2 the second electric capacity, C3 the 3rd electric capacity, C4 the 4th electric capacity, C5 the 5th electric capacity, D1 diode, V1 rectifier bridge, P1 power electric bus, Q1 triode.
Embodiment
For clearly demonstrating the technical characterstic of this programme, below by embodiment, and in conjunction with its accompanying drawing, the utility model is elaborated.
As shown in Figure 1, a kind of ac contactor control circuit of the present utility model, for controlling the A.C. contactor that is connected on circuit between power bus and motor, it comprises driving circuit of AC contactor, start-up circuit, holding circuit and buffer circuit, and described drive circuit is connected with A.C. contactor and controls the operation of motor for A.C. contactor; Described start-up circuit, holding circuit and buffer circuit is connected with power bus with drive circuit respectively, for A.C. contactor being started and keeping and the switching of A.C. contactor is cushioned.
As shown in Figure 2, a kind of ac contactor control circuit of the present utility model, it is for controlling the A.C. contactor that is connected on circuit between power bus and motor, described A.C. contactor comprises the A.C. contactor M1 with many groups contact, described ac contactor control circuit comprises rectifier bridge V1, the first resistance R 1, the second resistance R 2, the first capacitor C 1, the second capacitor C 2, the 3rd capacitor C 3, diode D1, there is the first relay M2 of many groups contact, the second relay M5, Switching Power Supply M3 and control switch S1 and delay circuit M4, described delay circuit M4 comprises 555 timer chip U1, the 3rd resistance R 3, the 4th resistance R 4, the 4th capacitor C 4, the 5th capacitor C 5 and triode Q1.Wherein, the 3-4 of described A.C. contactor M1,5-6, tri-groups of normally opened contacts of 7-8 are connected on respectively in the circuit between A, B, C three-phase bus and the motor M of power bus P1; The C of described rectifier bridge V1, two outputs of D are connected with J, the K control end of A.C. contactor M1 coil respectively, the A input of rectifier bridge V1 is connected with the C phase bus of power bus P1, and B input is connected successively after the 1-2 normally-closed contact of 8-9 normally opened contact, the first resistance R 1 and A.C. contactor M1 of the first relay M2 and is connected with the A phase bus of power bus P1; L, the N end of described the first relay M2 coil respectively with Switching Power Supply M3+12V, GND end is connected, the AC1 of described Switching Power Supply M3 end is connected with the C phase bus of power bus P1, AC2 is connected with the center line of power bus P1 after holding series connection control switch S1; One end of described the first capacitor C 1 connect successively the 11-12 normally opened contact of the first relay M2 with after 8-9 normally opened contact, be connected with the B input of rectifier bridge V1, the other end is connected with the A phase bus of power bus P1; Described second capacitor C 2 one end connect successively the 4-5 normally-closed contact of the first relay M2 with after the second resistance R 2, be connected with the C phase bus of power bus P1, the other end is connected after the normally closed electric shock of 1-2 of the second relay M5 and is connected with the A phase bus of power bus P1, and the second capacitor C 2 is connected in parallel with the first capacitor C 1 after connecting with the normally closed electric shock of 1-2 of the second relay M5; Described the 3rd capacitor C 3 is connected with the second Capacitance parallel connection with after diode D1 series connection, after the 2-3 normally opened contact of coil F end series connection the first relay M2 of described the second relay M5, be connected respectively with one end of the 4th capacitor C 4,4 pins of 555 timer chip U1 with 8 pins, the coil E end of the second relay M5 is connected with the collector electrode c of triode Q1; After base stage b series connection the 4th resistance R 4 of described triode Q1, be connected with 3 pins of 555 timer chip U1,4 pins of described 555 timer chip U1 with after 8 pin parallel connections, be connected with one end of the 3rd resistance R 3 with the other end of the 4th capacitor C 4 respectively, 5 pins of 555 timer chip U1 are connected with one end of the 5th capacitor C 5,1 pin of the other end of the emitter e of described triode Q1, the other end of the 3rd resistance R 3, the 5th capacitor C 5 and 555 timer chip U1 ground connection respectively.
Below the course of work of the present utility model is described in detail.
As shown in Figure 2, the A of power bus P1, B, C triple line are connected with motor M through three normally opened contacts of A.C. contactor M1 respectively, composition motor circuit, the operation of the action control motor of A.C. contactor.When after control switch S1 closure, Switching Power Supply M3 work, the first relay M2 action, the 8-9 normally opened contact closure of the first relay M2, start-up circuit path is also devoted oneself to work, at this moment two of rectifier bridge V1 ac input ends are inputted by alternating current, output C, the D output DC pulse electric current of rectifier bridge V1, the coil electricity control contact action of A.C. contactor M1, thus its normally-closed contact is disconnected, normally opened contact adhesive, makes its operation for motor M provides power supply.After the normally-closed contact of A.C. contactor M1 disconnects, by two ac input ends of A, B of rectifier bridge V1, the normally opened contact 8,9 of the first relay M2, after the 1-2 normally-closed contact series connection of the first resistance R 1 and A.C. contactor M1, open circuit with the A phase of power bus, the start-up circuit that C is connected to form mutually, deactivate; Due to 8-9 and two now adhesives of normally opened contact of 11-12 of the first relay M2, this is two ac input ends of A, B of rectifier bridge V1, the 8-9 of the first relay M2, two normally opened contacts of 11-12, after connecting with the first capacitor C 1, be connected to form mutually holding circuit with A phase, the C of power bus, keep A.C. contactor M1 to continue action, maintain motor M and work on.The first capacitor C 1 is connected with the ac input end of rectifier bridge V1 and is formed capacitor step-down rectifier circuit, owing to maintaining the maintenance electric current of A.C. contactor attracting state very low (only need its attract current 1/10), after therefore holding circuit puts into operation, not only can keep the operation of A.C. contactor, and can reach energy-conservation effect, even if line voltage fluctuates, still can maintain contactor coil electric current and guarantee its operation, do not cause it to burn.
Before control motor M work, the 3rd capacitor C 3 is composed in series energy-storage units with diode D1, after the 1-2 normally-closed contact series connection of the 4-5 normally-closed contact of energy-storage units and the first relay M2, the second resistance R 2, the second relay M5, be connected with power bus A phase, C, form precharge accumulator, due to the one-way conduction of diode D1, power bus is that the 3rd capacitor C 3 is charged.
In the time that actuating motor M after control switch S1 closure works, the second capacitor C 2 and the parallel circuits of energy-storage units and the A of rectifier bridge V1, two inputs of B, two normally opened contacts of the 8-9 of the first relay M2 and 11-12, are connected to form with A phase and the C of power bus the buffer circuit that switches A.C. contactor after the 1-2 normally opened contact series connection of the second relay M5 mutually.After A.C. contactor M1 starts, its normally-closed contact disconnects, and start-up circuit is out of service, and the coil that now energy-storage units is A.C. contactor provides afterflow energy, eliminates contact and moves the disturbance bringing.The second capacitor C 2 and the first capacitor C 1 parallel running, for ac contactor coil provides larger electric current, maintain and reliable adhesive.After delay circuit M4 time delay 5S, make the second relay M5 coil energized action, its 1-2 normally-closed contact disconnects, thereby it is out of service that buffer circuit is opened circuit, and at this moment, only has holding circuit in work, and A.C. contactor enters the operation of adhesive hold mode.
The above is preferred implementation of the present utility model; for those skilled in the art; not departing under the prerequisite of the utility model principle, can also make some improvements and modifications, these improvements and modifications are also regarded as protection range of the present utility model.

Claims (8)

1. an ac contactor control circuit, for controlling the A.C. contactor that is connected on circuit between power bus and motor, it is characterized in that, comprise driving circuit of AC contactor, start-up circuit, holding circuit and buffer circuit, described drive circuit is connected with A.C. contactor; Described start-up circuit, holding circuit and buffer circuit is connected with power bus with drive circuit respectively.
2. ac contactor control circuit according to claim 1, is characterized in that, described driving circuit of AC contactor comprises rectifier bridge, and two outputs of described rectifier bridge are connected with the coil two ends of A.C. contactor respectively.
3. ac contactor control circuit according to claim 2, it is characterized in that, described start-up circuit comprises the first relay, the first resistance, Switching Power Supply and control switch, one end of a normally opened contact of described the first relay is connected with a phase bus of power bus through rectifier bridge, the other end is connected after the first resistance and is connected with another phase bus of power bus through a normally-closed contact of ac contactor, after one ac input end series connection control switch of described Switching Power Supply, be connected with a phase bus of power bus, another ac input end is directly connected with another phase bus of power bus, DC output end is connected with the coil two ends of the first relay respectively.
4. ac contactor control circuit according to claim 3, it is characterized in that, described holding circuit comprises the first electric capacity, connect successively after two normally opened contacts of the first relay and be connected with a phase bus of power bus through over commutation bridge in one end of described the first electric capacity, the other end is connected with another phase bus of power bus.
5. ac contactor control circuit according to claim 3, it is characterized in that, described buffer circuit comprises energy-storage units, the second electric capacity, the second resistance, the second relay and delay unit, one end of described energy-storage units connect successively the first relay normally-closed contact with after the second resistance, be connected with a phase bus of power bus, the other end is connected after a normally-closed contact of the second relay and is connected with another phase bus of power bus, described the second electric capacity and energy-storage units are connected in parallel, connect after a normally opened contact of the first relay and be connected with one end of delay unit in one end of the coil of described the second relay, the other end is directly connected with the other end of delay unit.
6. ac contactor control circuit according to claim 5, is characterized in that, described energy-storage units comprises the 3rd electric capacity and diode, and the 3rd electric capacity and diode are connected in series.
7. ac contactor control circuit according to claim 5, is characterized in that, described delay circuit comprises 555 timer chips.
8. according to the ac contactor control circuit described in claim 1-7 any one claim, it is characterized in that, described A.C. contactor comprises the A.C. contactor (M1) with many groups contact, described ac contactor control circuit comprises rectifier bridge (V1), the first resistance (R1), the second resistance (R2), the first electric capacity (C1), the second electric capacity (C2), the 3rd electric capacity (C3), diode (D1), there is first relay (M2) of many groups contact, the second relay (M5), Switching Power Supply (M3) and control switch (S1) and delay circuit (M4), described delay circuit (M4) comprises 555 timer chips (U1), the 3rd resistance (R3), the 4th resistance (R4), the 4th electric capacity (C4), the 5th electric capacity (C5) and triode (Q1),
Wherein, 3-4, the 5-6 of described A.C. contactor (M1), tri-groups of normally opened contacts of 7-8 are connected on respectively in the circuit between A, B, C three-phase bus and the motor M of power bus (P1), the C of described rectifier bridge (V1), two outputs of D are connected with J, the K control end of A.C. contactor (M1) coil respectively, the A input of rectifier bridge (V1) is connected with the C phase bus of power bus (P1), and B input is connected successively after the 1-2 normally-closed contact of 8-9 normally opened contact, the first resistance (R1) and A.C. contactor (M1) of the first relay (M2) and is connected with the A phase bus of power bus (P1), described the first relay (M2) coil L, N end respectively with Switching Power Supply (M3)+12V, GND end be connected, the AC1 end of described Switching Power Supply (M3) is connected with the C phase bus of power bus (P1), after AC2 end series connection control switch (S1), is connected with the center line of power bus (P1), one end of described the first electric capacity (C1) connect successively the 11-12 normally opened contact of the first relay (M2) with after 8-9 normally opened contact, be connected with the B input of rectifier bridge (V1), the other end is connected with the A phase bus of power bus (P1), connect successively after 4-5 normally-closed contact and second resistance (R2) of the first relay (M2) and be connected with the C phase bus of power bus (P1) in described the second electric capacity (C2) one end, the other end is connected after the normally closed electric shock of 1-2 of the second relay (M5) and is connected with the A phase bus of power bus (P1), and the second electric capacity (C2) is connected in parallel with the first electric capacity (C1) after connecting with the normally closed electric shock of 1-2 of the second relay (M5), described the 3rd electric capacity (C3) is connected with the second Capacitance parallel connection with after diode (D1) series connection, after the 2-3 normally opened contact of coil F end series connection first relay (M2) of described the second relay (M5), be connected respectively with one end of the 4th electric capacity (C4), 4 pins of 555 timer chips (U1) with 8 pins, the coil E end of the second relay (M5) is connected with the collector electrode c of triode (Q1), after base stage b series connection the 4th resistance (R4) of described triode (Q1), be connected with 3 pins of 555 timer chips (U1), 4 pins of described 555 timer chips (U1) with after 8 pin parallel connections, be connected with one end of the 3rd resistance (R3) with the other end of the 4th electric capacity (C4) respectively, 5 pins of 555 timer chips (U1) are connected with one end of the 5th electric capacity (C5), the emitter e of described triode (Q1), the other end of the 3rd resistance (R3), 1 pin of the other end of the 5th electric capacity (C5) and 555 timer chips (U1) ground connection respectively.
CN201320768833.3U 2013-11-29 2013-11-29 AC contactor control circuit Expired - Fee Related CN203607335U (en)

Priority Applications (1)

Application Number Priority Date Filing Date Title
CN201320768833.3U CN203607335U (en) 2013-11-29 2013-11-29 AC contactor control circuit

Applications Claiming Priority (1)

Application Number Priority Date Filing Date Title
CN201320768833.3U CN203607335U (en) 2013-11-29 2013-11-29 AC contactor control circuit

Publications (1)

Publication Number Publication Date
CN203607335U true CN203607335U (en) 2014-05-21

Family

ID=50719999

Family Applications (1)

Application Number Title Priority Date Filing Date
CN201320768833.3U Expired - Fee Related CN203607335U (en) 2013-11-29 2013-11-29 AC contactor control circuit

Country Status (1)

Country Link
CN (1) CN203607335U (en)

Cited By (2)

* Cited by examiner, † Cited by third party
Publication number Priority date Publication date Assignee Title
CN103594290A (en) * 2013-11-29 2014-02-19 山东三龙智能技术有限公司 Control circuit for alternating current contactor
WO2022088260A1 (en) * 2020-10-26 2022-05-05 中车南京浦镇车辆有限公司 Rail vehicle bus bar circuit breaker control circuit

Cited By (3)

* Cited by examiner, † Cited by third party
Publication number Priority date Publication date Assignee Title
CN103594290A (en) * 2013-11-29 2014-02-19 山东三龙智能技术有限公司 Control circuit for alternating current contactor
WO2022088260A1 (en) * 2020-10-26 2022-05-05 中车南京浦镇车辆有限公司 Rail vehicle bus bar circuit breaker control circuit
US11807133B2 (en) 2020-10-26 2023-11-07 Crrc Nanjing Puzhen Co., Ltd. Bus breaker control circuit for railway vehicle

Similar Documents

Publication Publication Date Title
CN103149852A (en) Control circuit of time relay
CN105428118A (en) Arc extinguishing device and non-arc switch
CN202424164U (en) Three-phase alternating current power supply phase controller, three-phase alternating current motor and garbage compressor
CN105438942A (en) Door-control safety type isolation module of anti-explosion elevator
CN102638024A (en) Neutral line break protector
CN201717793U (en) Power switch circuit for welding machine
CN203607335U (en) AC contactor control circuit
CN103594290A (en) Control circuit for alternating current contactor
CN106059349A (en) Three-phase electric rectification circuit and three-phase electric rectification circuit time sequence control method
CN103248349A (en) Novel electronic alternating-current contactor
CN104410318A (en) Inversion and rectification integrated power conversion circuit
CN203707030U (en) Magnetic maintaining relay drive circuit
CN203339670U (en) Three-phase star type motor open-phase protector
CN202905606U (en) Mechanical and electronic combined relay
CN203368431U (en) Capacitive non-contact switch
CN104702091A (en) Soft start circuit of switching power supply
CN202979415U (en) Switch
CN203039345U (en) Self-reset bipolar control overvoltage and undervoltage protection device
CN203631410U (en) Vacuum circuit breaker controlling circuit and vacuum circuit breaker controlling system
CN208781740U (en) Relay for alternating-current charging pile and zero-crossing detection arc extinguishing circuit thereof
CN102570533A (en) Non-polarized safety charger circuit
CN104821648A (en) Novel DC power supply system
CN207218364U (en) A kind of adaptive anti-shake electric installation of backup type contactor maintenance
CN104821633A (en) DC circuit power supply system
CN204557177U (en) For the automatic continuous controller for electric consumption of numerically-controlled machine

Legal Events

Date Code Title Description
C14 Grant of patent or utility model
GR01 Patent grant
PP01 Preservation of patent right

Effective date of registration: 20140901

Granted publication date: 20140521

RINS Preservation of patent right or utility model and its discharge
PD01 Discharge of preservation of patent

Date of cancellation: 20160301

Granted publication date: 20140521

PP01 Preservation of patent right

Effective date of registration: 20160420

Granted publication date: 20140521

RINS Preservation of patent right or utility model and its discharge
DD01 Delivery of document by public notice

Addressee: Wang Gang weixin

Document name: Notification of Termination of Procedure

PD01 Discharge of preservation of patent

Date of cancellation: 20161020

Granted publication date: 20140521

PP01 Preservation of patent right

Effective date of registration: 20161026

Granted publication date: 20140521

RINS Preservation of patent right or utility model and its discharge
PD01 Discharge of preservation of patent

Date of cancellation: 20170426

Granted publication date: 20140521

PD01 Discharge of preservation of patent
PP01 Preservation of patent right
PP01 Preservation of patent right

Effective date of registration: 20170428

Granted publication date: 20140521

PD01 Discharge of preservation of patent
PD01 Discharge of preservation of patent

Date of cancellation: 20181028

Granted publication date: 20140521

PP01 Preservation of patent right

Effective date of registration: 20181105

Granted publication date: 20140521

PP01 Preservation of patent right
PD01 Discharge of preservation of patent
PD01 Discharge of preservation of patent

Date of cancellation: 20190505

Granted publication date: 20140521

PP01 Preservation of patent right

Effective date of registration: 20190509

Granted publication date: 20140521

PP01 Preservation of patent right
PD01 Discharge of preservation of patent

Date of cancellation: 20221109

Granted publication date: 20140521

PD01 Discharge of preservation of patent
PP01 Preservation of patent right

Effective date of registration: 20221109

Granted publication date: 20140521

PP01 Preservation of patent right
DD01 Delivery of document by public notice
DD01 Delivery of document by public notice

Addressee: Li Qian

Document name: Notice of termination of suspension procedure

PD01 Discharge of preservation of patent

Date of cancellation: 20231109

Granted publication date: 20140521

PD01 Discharge of preservation of patent
PP01 Preservation of patent right

Effective date of registration: 20231109

Granted publication date: 20140521

PP01 Preservation of patent right
PD01 Discharge of preservation of patent

Date of cancellation: 20231129

Granted publication date: 20140521

PD01 Discharge of preservation of patent
CF01 Termination of patent right due to non-payment of annual fee
CF01 Termination of patent right due to non-payment of annual fee

Granted publication date: 20140521