CN203528623U - Minitype real-time four-wheel-drive agricultural transport truck for hilly and mountain area - Google Patents

Minitype real-time four-wheel-drive agricultural transport truck for hilly and mountain area Download PDF

Info

Publication number
CN203528623U
CN203528623U CN201320494442.7U CN201320494442U CN203528623U CN 203528623 U CN203528623 U CN 203528623U CN 201320494442 U CN201320494442 U CN 201320494442U CN 203528623 U CN203528623 U CN 203528623U
Authority
CN
China
Prior art keywords
miniature
micro
timely
gearbox
vehicle
Prior art date
Legal status (The legal status is an assumption and is not a legal conclusion. Google has not performed a legal analysis and makes no representation as to the accuracy of the status listed.)
Expired - Fee Related
Application number
CN201320494442.7U
Other languages
Chinese (zh)
Inventor
杨福增
于龙飞
王元杰
蒲应俊
朱海
张一星
Current Assignee (The listed assignees may be inaccurate. Google has not performed a legal analysis and makes no representation or warranty as to the accuracy of the list.)
Northwest A&F University
Original Assignee
Northwest A&F University
Priority date (The priority date is an assumption and is not a legal conclusion. Google has not performed a legal analysis and makes no representation as to the accuracy of the date listed.)
Filing date
Publication date
Application filed by Northwest A&F University filed Critical Northwest A&F University
Priority to CN201320494442.7U priority Critical patent/CN203528623U/en
Application granted granted Critical
Publication of CN203528623U publication Critical patent/CN203528623U/en
Anticipated expiration legal-status Critical
Expired - Fee Related legal-status Critical Current

Links

Images

Landscapes

  • Arrangement Or Mounting Of Propulsion Units For Vehicles (AREA)
  • Handcart (AREA)
  • Arrangement Of Transmissions (AREA)

Abstract

本实用新型公开了一种丘陵山区微型适时四驱农业运输车,包括:微型前车架(17)、微型后车架(8)、微型整车折腰装置(15)、三角减震履带(9)、车斗(26)、车壳(27)等,微型前车架上安装有微型发动机(1)、蓄电池(2)、微型变速箱(3),微型后车架上安装有微型分动箱(12)、微型适时四驱切换装置(11),微型分动箱和微型变速箱之间通过伸缩型球笼式等速万向节(14)连接,前驱动桥和微型分动箱之间通过伸缩型十字轴式万向联轴器(13)连接。本实用新型采用折腰、适时四驱的特点,不仅能使运输车在丘陵山区对崎岖路况具有较强的爬坡和适应能力,而且抓地性好,具有很强的推广性。

Figure 201320494442

The utility model discloses a miniature timely four-wheel-drive agricultural transport vehicle in hilly and mountainous areas, comprising: a miniature front frame (17), a miniature rear frame (8), a miniature vehicle waist-folding device (15), and triangular shock-absorbing crawlers (9 ), car body (26), car shell (27), etc., micro engine (1), storage battery (2), micro gearbox (3) are installed on the micro front frame, and micro transfer is installed on the micro rear frame box (12), the miniature timely four-wheel drive switching device (11), the miniature transfer case and the miniature gearbox are connected through a telescopic ball cage type constant velocity universal joint (14), and the connection between the front drive axle and the miniature transfer case They are connected by telescopic cross-shaft universal joints (13). The utility model adopts the characteristics of bending at the waist and timely four-wheel drive, which not only enables the transport vehicle to have strong climbing and adaptability to rough road conditions in hilly areas, but also has good ground grip and strong popularization.

Figure 201320494442

Description

The miniature in good time 4 wheel driven agricultural transport vehicle in a kind of Hills
Technical field
The utility model belongs to agricultural mechanical field, relates to a kind of transport trolley, particularly the miniature in good time 4 wheel driven agricultural transport vehicle in a kind of Hills.
Background technology
At present China Hills generally adopts by walker tractor and reequips or four-wheeled tractor drives the transportation mode of wagon box, but be difficult to walk because China's alpine terrain is complicated, road surface is narrow, the gradient is steep, road is rugged, the current difficulty of big-and-middle-sized field machine, and existing Transport Machinery exists general problem: inconvenient operation, hill climbing ability are low, poor stability, turn to difficulty, whole long.For these situations, a kind of miniature agricultural transport vehicle that is suitable for Hills use of necessary release.
Utility model content
For the shortcomings and deficiencies that exist in above-mentioned prior art, the purpose of this utility model is to provide that a kind of applicable Hills used bows, 4 wheel driven, flexible operation, hill climbing ability is strong, damping property is high, adherence properties is good miniature agricultural transport vehicle in good time.
For achieving the above object, the utility model is by the following technical solutions:
The miniature in good time 4 wheel driven agricultural transport vehicle in a kind of Hills comprises: tiny engine (1), storage battery (2), micro-gearbox (3), gear operating lever (4), clutch lever (5), steering apparatus (6), throttle lever (7), miniature rear vehicle frame (8), triangle damping crawler belt (9), rear driving axle (10), miniature in good time 4 wheel driven shifter (11), miniature auxiliary gear box (12), concertina type universal coupling with spider (13), concertina type Rzeppa universal joint (14), the miniature car load device (15) of bowing, front driving axle (16), miniature front vehicle frame (17), V is with (18), starter motor (19), wagon box (26), car shell (27), it is characterized in that being equipped with in miniature front vehicle frame (17) tiny engine (1), storage battery (2), starter motor (19), micro-gearbox (3), wherein between tiny engine (1) and micro-gearbox (3), by V, be with (18) transmission, storage battery (2) with starter motor (19) thus be connected and start tiny engine (1), gear operating lever (4), clutch lever (5), steering apparatus (6), throttle lever (7) are connected with micro-gearbox (3), miniature auxiliary gear box (12), miniature in good time 4 wheel driven shifter (11) are housed on miniature rear vehicle frame (8), wherein miniature auxiliary gear box (12) is connected by concertina type Rzeppa universal joint (14) with micro-gearbox (3), and miniature auxiliary gear box (12) is connected by transmission shaft with miniature in good time 4 wheel driven shifter (11), between two triangle damping crawler belts of miniature front vehicle frame, front driving axle (16) is housed, between two triangle damping crawler belts of miniature rear vehicle frame, rear driving axle (17) is housed, between front driving axle (16) and miniature auxiliary gear box (12), by concertina type universal coupling with spider, be connected, between rear driving axle (10) and miniature in good time 4 wheel driven shifter (11), by transmission shaft, be connected, miniature front/rear frame connects by the miniature car load device (15) of bowing, wagon box (26) is fixed on miniature rear vehicle frame (8) by four cylindrical support, car shell (26) is arranged in miniature front vehicle frame (17),
Described miniature front/rear frame connects by the miniature car load device (15) of bowing, and the miniature car load device of bowing comprises front end cover (22), rear side housing (21), vehicle frame connector (20);
Described miniature auxiliary gear box (12) can make turning to turning to of output shaft of input shaft be consistent;
Described four triangle damping crawler belts (9) are big or small, specification is all identical;
Described miniature in good time 4 wheel driven shifter (11) comprising: gyro sensor, ECU control system, magnetic clutch etc., wherein gyro sensor is arranged on respectively on miniature front/rear frame.
The principle of work of the miniature in good time 4 wheel driven agricultural transport vehicle in the utility model Hills:
Starter motor is that mechanical energy drives tiny engine by the electric energy conversion of storage battery, tiny engine is with transmission of power to micro-gearbox by V, micro-gearbox is passed to miniature auxiliary gear box by concertina type Rzeppa universal joint, and miniature auxiliary gear box is divided into two parts by the power of input: a part of power is delivered to front driving axle by concertina type Rzeppa universal joint and drives triangle damping crawler belt to rotate; Another part transmission of power is to miniature in good time 4 wheel driven shifter, and this device can determine that two drive or 4 wheel driven according to actual conditions, and when needs 4 wheel driven, miniature in good time 4 wheel driven shifter starts and drives triangle damping crawler belt to rotate transmission of power to rear driving axle.
When transport trolley is in running order, the engagement that the gear position operation bar connecting on micro-gearbox can pinion, realizes retreating and advancing of complete machine; Clutch lever can cut off the power of micro-gearbox output shaft; The operating power of transport trolley can regulate by the throttle lever on steering apparatus.
Accompanying drawing explanation
Below in conjunction with the drawings and specific embodiments, the utility model is described in further detail:
Fig. 1 is chassis structure schematic diagram of the present utility model.
Fig. 2 is the bow structural representation of device vehicle frame connector of the miniature car load of the utility model.
Fig. 3 is the bow structural representation of device rear side housing of the miniature car load of the utility model.
Fig. 4 is the bow structural representation of device front end cover of the miniature car load of the utility model.
Fig. 5 is the fundamental diagram of miniature auxiliary gear box.
Fig. 6 is contour structures schematic diagram of the present utility model.
Fig. 7 is the schematic diagram of miniature in good time 4 wheel driven shifter.
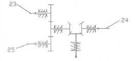
In figure: tiny engine 1, storage battery 2, micro-gearbox 3, gear operating lever 4, clutch lever 5, steering apparatus 6, throttle lever 7, miniature rear vehicle frame 8, triangle damping crawler belt 9, rear driving axle 10, miniature in good time 4 wheel driven shifter 11, miniature auxiliary gear box 12, concertina type universal coupling with spider 13, concertina type Rzeppa universal joint 14, the miniature car load device 15 of bowing, front driving axle 16, miniature front vehicle frame 17, V is with 18, starter motor 19, vehicle frame connector 20, rear side housing 21, front end cover 22, power input shaft 23, the second power take-off shaft 24, the first power take-off shaft 25, wagon box 26, car shell 27.
The specific embodiment
Below in conjunction with the drawings and specific embodiments, the utility model is further explained to explanation:
Fig. 1 and Fig. 5 show embodiment of the present utility model, the miniature in good time 4 wheel driven agricultural transport vehicle in this Hills comprises: miniature front vehicle frame 17, miniature rear vehicle frame 8, miniature car load bow device 15, triangle damping crawler belt 9, tiny engine 1, storage battery 2, starter motor 19, micro-gearbox 3 are wherein housed in miniature front vehicle frame, storage battery 2 by the electrical energy transfer of himself to starter motor 19, thereby drive tiny engine 1 running, tiny engine 1 by V be with 18 by transmission of power to micro-gearbox 3, miniature auxiliary gear box 12 is housed on miniature rear vehicle frame, miniature in good time 4 wheel driven shifter 11, the power of micro-gearbox 3 outputs is passed to miniature auxiliary gear box 12 by concertina type Rzeppa universal joint 14, this miniature auxiliary gear box can make turning to turning to of output shaft of input shaft be consistent, miniature auxiliary gear box 12 transmits by power input shaft 23 power coming and is divided into two parts: a part is passed to coupled concertina type universal coupling with spider 13 by the first power take-off shaft 25, and drive triangle damping crawler belt 9 to rotate transmission of power to front driving axle 16, another part by the second power take-off shaft 24 by transmission of power to miniature in good time 4 wheel driven shifter 11, this device can determine that two drive or 4 wheel driven according to actual conditions, when needs 4 wheel driven, 4 wheel driven shifter 11 starts and drives triangle damping crawler belt 9 to rotate transmission of power to rear driving axle 10 in good time.
On micro-gearbox 3, be connected with gear operating lever 4, clutch lever 5, steering apparatus 6, throttle lever 7, wherein clutch lever 5 and throttle lever 7 are installed on steering apparatus 6, when transport trolley is in running order, the gear position operation bar 4 connecting on micro-gearbox 3 can pinion engagement, realize retreating and advancing of complete machine; Clutch lever 5 can cut off the power of micro-gearbox output shaft; The operating power of transport trolley can regulate by the throttle lever 7 on steering apparatus 6.
Fig. 2, Fig. 3 and Fig. 4 are that the miniature car load device 15 of bowing comprises: vehicle frame connector 20, rear side housing 21, front end cover 22, pack vehicle frame connector 20 into front end cover 22, then by rear side housing 21 with front end cover 22 to it, and be connected with screw.This device can be realized 360 ° of rotations, has guaranteed the universal rotational of miniature front/rear frame, and the spring of the inside can play the effect of bumper and absorbing shock simultaneously.In addition, when crawler belt runs into obstacle, can make more triangle crawler belt kiss the earth, increase earth-grasping force.
Fig. 6 is schematic appearance of the present utility model, the miniature in good time 4 wheel driven agricultural transport vehicle contour structures in this Hills comprises: miniature front vehicle frame 17, miniature rear vehicle frame 8, triangle damping crawler belt 9, wagon box 26, car shell 27, wherein wagon box 26 is fixed on miniature rear vehicle frame 8 by four cylindrical support, and car shell 26 is connected in miniature front vehicle frame 17.Four triangle damping crawler belt is big or small, specification is all identical, can increase like this tractive force of vehicle, and this triangle damping crawler belt 9 has shock-absorbing function.
Fig. 7 is the fundamental diagram of miniature in good time 4 wheel driven shifter, and this device comprises gyro sensor, ECU control system, magnetic clutch etc., and it can be realized in good time two and drive change 4 wheel driven.Gyro sensor is housed respectively on miniature front/rear frame, this sensor can detect the pitch angle of miniature front/rear frame, and its angle is passed to ECU control system, this system presets a pitching angle, when the angle recording is less than predefined angle, magnetic clutch just can cut off rear end torque transmission, realizes two and drives; And work as the angle recording, be greater than predefined angle, magnetic clutch can engage rear end torque transmission, realizes 4 wheel driven.
With specific embodiment, be explained structure of the present utility model and principle of work above; the utility model is not limited to above embodiment; according to above-mentioned description; all any modification, replacement and improvement etc. of doing within spirit of the present utility model and principle, within all should being included in protection domain of the present utility model.

Claims (1)

1.一种丘陵山区微型适时四驱农业运输车包括:微型发动机(1)、蓄电池(2)、微型变速箱(3)、档位操纵杆(4)、离合操纵杆(5)、转向操纵装置(6)、油门操纵杆(7)、微型后车架(8)、三角减震履带(9)、后驱动桥(10)、微型适时四驱切换装置(11)、微型分动箱(12)、伸缩型十字轴式万向联轴器(13)、伸缩型球笼式等速万向节(14)、微型整车折腰装置(15)、前驱动桥(16)、微型前车架(17)、V带(18)、启动电机(19)、车斗(26)、车壳(27);其特征在于微型前车架(17)上装有微型发动机(1)、蓄电池(2)、启动电机(19)、微型变速箱(3),其中微型发动机(1)与微型变速箱(3)之间通过V带(18)传动,蓄电池(2)与启动电机(19)相连接从而启动微型发动机(1);档位操纵杆(4)、离合操纵杆(5)、转向操纵装置(6)、油门操纵杆(7)与微型变速箱(3)连接;微型后车架(8)上装有微型分动箱(12)、微型适时四驱切换装置(11),其中微型分动箱(12)与微型变速箱(3)通过伸缩型球笼式等速万向节(14)连接,微型分动箱(12)与微型适时四驱切换装置(11)通过传动轴连接;微型前车架两个三角减震履带之间装有前驱动桥(16),微型后车架两个三角减震履带之间装有后驱动桥(17);前驱动桥(16)与微型分动箱(12)之间通过伸缩型十字轴式万向联轴器连接;后驱动桥(10)与微型适时四驱切换装置(11)之间通过传动轴连接;微型前后车架通过微型整车折腰装置(15)连接;车斗(26)通过四个圆柱形支撑固定在微型后车架(8)上;车壳(26)安装在微型前车架(17)上;  1. A miniature timely four-wheel drive agricultural transport vehicle in hilly and mountainous areas includes: micro engine (1), battery (2), micro gearbox (3), gear lever (4), clutch lever (5), steering control Device (6), throttle control lever (7), miniature rear frame (8), triangular damping track (9), rear drive axle (10), miniature timely four-wheel drive switching device (11), miniature transfer case ( 12), telescopic cross-shaft universal joint (13), telescopic ball cage type constant velocity universal joint (14), miniature vehicle bending device (15), front drive axle (16), miniature front vehicle Frame (17), V-belt (18), starter motor (19), car bucket (26), car shell (27); It is characterized in that micro-engine (1), storage battery (2) are housed on the miniature front vehicle frame (17). ), a starter motor (19), a micro-gearbox (3), wherein the micro-engine (1) and the micro-gearbox (3) are driven by a V-belt (18), and the storage battery (2) is connected with the starter motor (19) Thereby start micro-engine (1); Gear lever (4), clutch control lever (5), steering control device (6), throttle control lever (7) are connected with miniature gearbox (3); Miniature rear vehicle frame ( 8) It is equipped with a miniature transfer case (12) and a miniature timely four-wheel drive switching device (11), wherein the miniature transfer case (12) and the miniature gearbox (3) pass through the telescopic ball cage type constant velocity universal joint (14 ) connection, the miniature transfer case (12) is connected with the miniature timely four-wheel drive switching device (11) through the transmission shaft; A rear drive axle (17) is installed between the two triangular shock-absorbing crawlers; the front drive axle (16) is connected with the micro transfer case (12) through a telescopic cross-shaft universal joint; the rear drive axle ( 10) It is connected with the miniature timely four-wheel drive switching device (11) through the transmission shaft; the miniature front and rear frame is connected through the miniature vehicle bending device (15); the car body (26) is fixed on the miniature rear car through four cylindrical supports on the frame (8); car shell (26) is installed on the miniature front vehicle frame (17); 所述微型前后车架通过微型整车折腰装置(15)连接,微型整车折腰装置包括前端盖(22)、后端盖(21)、车架连接体(20);  The miniature front and rear vehicle frames are connected by a miniature vehicle folding device (15), and the miniature vehicle folding device includes a front end cover (22), a rear end cover (21), and a frame connector (20); 所述微型分动箱(12)能使输入轴的转向与输出轴的转向保持一致;  Described micro-transfer case (12) can make the steering of input shaft keep consistent with the steering of output shaft; 所述四个三角减震履带(9)大小、规格均相同;  The size and specifications of the four triangular shock-absorbing crawlers (9) are the same; 所述微型适时四驱切换装置(11)包括:陀螺仪传感器、ECU控制系统、电磁离合器,其中陀螺仪传感器分别安装在微型前后车架上。  The miniature timely four-wheel drive switching device (11) includes: a gyro sensor, an ECU control system, and an electromagnetic clutch, wherein the gyro sensor is installed on the miniature front and rear vehicle frames respectively. the
CN201320494442.7U 2013-08-06 2013-08-06 Minitype real-time four-wheel-drive agricultural transport truck for hilly and mountain area Expired - Fee Related CN203528623U (en)

Priority Applications (1)

Application Number Priority Date Filing Date Title
CN201320494442.7U CN203528623U (en) 2013-08-06 2013-08-06 Minitype real-time four-wheel-drive agricultural transport truck for hilly and mountain area

Applications Claiming Priority (1)

Application Number Priority Date Filing Date Title
CN201320494442.7U CN203528623U (en) 2013-08-06 2013-08-06 Minitype real-time four-wheel-drive agricultural transport truck for hilly and mountain area

Publications (1)

Publication Number Publication Date
CN203528623U true CN203528623U (en) 2014-04-09

Family

ID=50414867

Family Applications (1)

Application Number Title Priority Date Filing Date
CN201320494442.7U Expired - Fee Related CN203528623U (en) 2013-08-06 2013-08-06 Minitype real-time four-wheel-drive agricultural transport truck for hilly and mountain area

Country Status (1)

Country Link
CN (1) CN203528623U (en)

Cited By (3)

* Cited by examiner, † Cited by third party
Publication number Priority date Publication date Assignee Title
CN103448816A (en) * 2013-08-06 2013-12-18 西北农林科技大学 Micro proper-time four-wheel-driven agricultural transport vehicle for use in hilly and mountain areas
CN115742737A (en) * 2022-11-30 2023-03-07 山西农业大学 Chassis system of hilly and mountain corn combine harvester
CN116767365A (en) * 2023-08-22 2023-09-19 国家林业和草原局哈尔滨林业机械研究所 Wheel-track combined bridge-winding swing type hilly mountain land working platform

Cited By (3)

* Cited by examiner, † Cited by third party
Publication number Priority date Publication date Assignee Title
CN103448816A (en) * 2013-08-06 2013-12-18 西北农林科技大学 Micro proper-time four-wheel-driven agricultural transport vehicle for use in hilly and mountain areas
CN115742737A (en) * 2022-11-30 2023-03-07 山西农业大学 Chassis system of hilly and mountain corn combine harvester
CN116767365A (en) * 2023-08-22 2023-09-19 国家林业和草原局哈尔滨林业机械研究所 Wheel-track combined bridge-winding swing type hilly mountain land working platform

Similar Documents

Publication Publication Date Title
CN103448816A (en) Micro proper-time four-wheel-driven agricultural transport vehicle for use in hilly and mountain areas
CN203528623U (en) Minitype real-time four-wheel-drive agricultural transport truck for hilly and mountain area
CN102167097B (en) Articulated tractor
CN203410308U (en) Bidirectional dual-motor hydraulic travel driving device and aircraft tractor using device
CN202106846U (en) Articulated tractor
CN104149609A (en) Tractor
CN222645787U (en) Power supply vehicle
CN205396361U (en) Pulling type multisection modularization bicycle robot mechanism
CN103332300B (en) A kind of turnover In-wheel motor driving unmanned lunar rover and control method thereof
CN202163311U (en) Front-rear wheel driving mechanism for agricultural automobile
CN2759826Y (en) Four-wheel driving device of agricultural carrier vehicle
CN201457062U (en) Six-wheel drive transport-type tractor
CN204774648U (en) Self -propelled paddy field spraying fertilizer distributor drive arrangement that traveles
CN204219763U (en) A kind of toy car
CN218258458U (en) Improved remote-controlled multi-terrain vehicle
CN102336127A (en) H-shaped power chassis with ground clearance adjusting function
CN203032838U (en) Electric car for children
CN102358179A (en) Transmission method capable of enabling rear wheels of walking tractor to drive
CN201553024U (en) Four-wheel drive electric vehicle
CN201192986Y (en) Drive apparatus for four-wheel tractor trailer
CN103895504A (en) Folding-middle front-drive rear-drive tractor
CN204020561U (en) Trac.
CN201432735Y (en) Tumbler one-wheel hand tractor
CN201824875U (en) Tractor for loading nursery stock
CN2825350Y (en) Four-wheel-drive transporting tractor

Legal Events

Date Code Title Description
C14 Grant of patent or utility model
GR01 Patent grant
CF01 Termination of patent right due to non-payment of annual fee

Granted publication date: 20140409

Termination date: 20140806

EXPY Termination of patent right or utility model