CN203504005U - Intelligent voltage-adjustable power transformation and distribution device - Google Patents
Intelligent voltage-adjustable power transformation and distribution device Download PDFInfo
- Publication number
- CN203504005U CN203504005U CN201320676469.8U CN201320676469U CN203504005U CN 203504005 U CN203504005 U CN 203504005U CN 201320676469 U CN201320676469 U CN 201320676469U CN 203504005 U CN203504005 U CN 203504005U
- Authority
- CN
- China
- Prior art keywords
- transformer
- voltage
- low
- load
- intelligent
- Prior art date
- Legal status (The legal status is an assumption and is not a legal conclusion. Google has not performed a legal analysis and makes no representation as to the accuracy of the status listed.)
- Expired - Fee Related
Links
Images
Landscapes
- Supply And Distribution Of Alternating Current (AREA)
Abstract
一种智能可调压变配电装置,包括变压器及低压配电柜,所述变压器的低压出线端面紧靠低压配电柜的背面或侧面设置,低压配电柜内还安装有补偿装置、计量装置、断路器及控制终端;变压器壳体上设置有有载调压开关及其操作控制装置,变压器高压绕组由多组线圈串接构成,各组线圈均具有各自的线圈抽头,线圈抽头连接接入有载调压开关作为其各调节档位的端头。本实用新型可实现变压器电压根据负荷变化自动调整,可保证供电的连续性及输出电压的稳定性,大大减少电网的电能损耗,提高供电质量及设备使用寿命,为经济运行及电网调度自动化创造条件;且占用空间小,便于安装维修,运行安全可靠,可有效防止窃电,更便于电力系统的智能自动化监控及管理。
An intelligent adjustable voltage change power distribution device, including a transformer and a low-voltage power distribution cabinet. The low-voltage outgoing line end face of the transformer is arranged close to the back or side of the low-voltage power distribution cabinet. Compensation devices, metering device, circuit breaker and control terminal; the transformer housing is equipped with an on-load tap changer and its operation control device. The high-voltage winding of the transformer is composed of multiple sets of coils connected in series. Enter the on-load voltage regulating switch as the end of each adjustment gear. The utility model can realize the automatic adjustment of the transformer voltage according to the load change, can ensure the continuity of the power supply and the stability of the output voltage, greatly reduce the power loss of the power grid, improve the quality of the power supply and the service life of the equipment, and create conditions for economic operation and power grid scheduling automation ; And it occupies a small space, easy to install and maintain, safe and reliable in operation, can effectively prevent electricity theft, and is more convenient for intelligent automatic monitoring and management of power systems.
Description
技术领域technical field
本实用新型涉及一种电力设备,特别是一种智能可调压变配电装置。The utility model relates to an electric power equipment, in particular to an intelligent adjustable voltage variable power distribution device.
背景技术Background technique
变压器和低压配电箱广泛应用于供电系统,现有技术中,配电、计量、补偿、无线传输分别由不同的设备完成,不仅施工繁琐,材料消耗大,而且不能监测计量设备运行状态,无法防止窃电,运行安全性及可靠性差。Transformers and low-voltage distribution boxes are widely used in power supply systems. In the existing technology, power distribution, metering, compensation, and wireless transmission are completed by different devices. Prevent electricity theft, poor operation safety and reliability.
在电力输送过程中,为了避免供电线路的损耗,要以较高的电压传送到末端,即用户端,使末端的用电设备常常处在高于额定电压状态下工作,不但造成了电力的浪费,还会严重缩短设备的使用寿命,另一方面,为了保证在用电高峰期间,用户端电压有所下降的情况下,设备仍然能够正常运行,常常将供电变压器的输出电压设计的高于额定电压,但同时带来的问题是在用电高峰期过后,又出现过电压供电,造成浪费。用电设备的损耗主要有铜损和铁损两部分,而总损耗值为最小的运行状态时在额定电压附近。因此,经常保持变压器输出电压合格,使各电气设备经常运行在额定电压状况,是最为经济合理的。现阶段,变压器不能够根据运行情况,在带电状态下调整负荷侧电压变化,易造成变压器低压侧电压波动较大,影响了供电质量;而且现有的变压器大都采用硅钢片作铁芯,空载损耗的大,节能效果不理想。In the process of power transmission, in order to avoid the loss of the power supply line, it is necessary to transmit it to the terminal with a higher voltage, that is, the user terminal, so that the terminal's electrical equipment often works at a state higher than the rated voltage, which not only causes a waste of power , will also seriously shorten the service life of the equipment. On the other hand, in order to ensure that the equipment can still operate normally when the voltage at the user end drops during the peak period of power consumption, the output voltage of the power supply transformer is often designed to be higher than the rated voltage. Voltage, but at the same time, the problem is that after the peak period of electricity consumption, there will be overvoltage power supply, resulting in waste. The loss of electrical equipment mainly includes two parts: copper loss and iron loss, and the total loss value is near the rated voltage in the operating state with the smallest value. Therefore, it is the most economical and reasonable to keep the output voltage of the transformer qualified and make the electrical equipment run at the rated voltage. At this stage, the transformer cannot adjust the voltage change on the load side under the live state according to the operating conditions, which may easily cause large voltage fluctuations on the low-voltage side of the transformer and affect the quality of power supply; The loss is large, and the energy-saving effect is not ideal.
因此,设计出一种既方便安装及维修,又能有效防止窃电,保证安全可靠运行,同时易于观察、分析和传输数据,且可根据负荷大小在变压器不停电状态下进行电压调节的变压器十分必要。Therefore, it is very important to design a transformer that is not only convenient for installation and maintenance, but also can effectively prevent electricity theft, ensure safe and reliable operation, and is easy to observe, analyze and transmit data, and can adjust the voltage according to the load size without power failure of the transformer. necessary.
实用新型内容Utility model content
本实用新型的主要目的是克服现有技术的缺点,提供一种可实现变压器电压根据负荷变化自动调整,提高供电的连续性及输出电压的稳定性,大大减少电能损耗,提高供电质量,且便于安装维修,运行安全可靠,并可有效防止窃电,更便于电力系统的智能自动化监控及管理的智能可调压变配电装置。The main purpose of the utility model is to overcome the shortcomings of the prior art, provide a transformer voltage can be automatically adjusted according to load changes, improve the continuity of power supply and the stability of output voltage, greatly reduce power loss, improve power supply quality, and facilitate Installation and maintenance, safe and reliable operation, and can effectively prevent electricity theft, more convenient intelligent automatic monitoring and management of power system intelligent adjustable voltage transformer power distribution device.
本实用新型采用如下技术方案:The utility model adopts the following technical solutions:
一种智能可调压变配电装置,包括有变压器及低压配电柜,所述变压器包括有变压器壳体、安装在变压器壳体内的铁芯及套置在铁芯上的高压绕组、低压绕组,所述变压器的低压出线端面紧靠低压配电柜的背面或侧面设置,低压配电柜内还安装有补偿装置、计量装置、断路器及控制终端,变压器的低压出线端通过进线汇流排与补偿装置的进线端联接,补偿装置的出线端通过出线汇流排与断路器的进线端联接,同时联接于控制终端,所述计量装置设置于进线汇流排上;所述变压器壳体上设置有有载调压开关及其操作控制装置,高压绕组由至少两组线圈串接构成,各组线圈均具有各自的线圈抽头,各线圈抽头连接接入有载调压开关作为有载调压开关的各调节档位的端头。An intelligent adjustable voltage change power distribution device, including a transformer and a low-voltage power distribution cabinet, the transformer includes a transformer shell, an iron core installed in the transformer shell, and a high-voltage winding and a low-voltage winding sleeved on the iron core , the low-voltage outgoing line end of the transformer is set close to the back or side of the low-voltage power distribution cabinet. Compensation devices, metering devices, circuit breakers and control terminals are also installed in the low-voltage power distribution cabinet. The low-voltage outgoing line of the transformer passes through the incoming bus bar It is connected to the incoming line end of the compensation device, and the outgoing line end of the compensation device is connected to the incoming line end of the circuit breaker through the outgoing line bus bar, and is connected to the control terminal at the same time. The metering device is arranged on the incoming line bus bar; the transformer housing There is an on-load tap changer and its operation control device on it. The high-voltage winding is composed of at least two sets of coils connected in series. Each set of coils has its own coil tap. Each coil tap is connected to the on-load tap changer as an on-load tap The end of each adjustment position of the pressure switch.
进一步地,所述补偿装置包括有负荷隔离开关及智能集成电力电容器,所述变压器的低压出线端通过进线汇流排与负荷隔离开关的进线端联接,负荷隔离开关的出线端通过出线汇流排与断路器的进线端联接,且分别与智能集成电力电容器及控制终端联接。Further, the compensation device includes a load isolating switch and an intelligent integrated power capacitor, the low-voltage outgoing line end of the transformer is connected to the incoming line end of the load isolating switch through the incoming line bus bar, and the outgoing line end of the load isolating switch is connected through the outgoing line bus bar It is connected with the incoming line end of the circuit breaker, and connected with the intelligent integrated power capacitor and the control terminal respectively.
进一步地,所述计量装置包括有设置于进线汇流排上的电流互感器。Further, the metering device includes a current transformer arranged on the incoming bus bar.
进一步地,所述的绕组所套置的铁芯为非晶合金铁芯。Further, the iron core in which the winding is nested is an amorphous alloy iron core.
由上述对实用新型的描述可知,与现有技术相比,本实用新型具有如下有益效果:As can be seen from the above description of the utility model, compared with the prior art, the utility model has the following beneficial effects:
第一,通过调节有载调压开关,使变压器的电压比发生变化而改变输出电压,可实现运行变压器电压根据负荷变化自动调整,替代常规的人工停电调整,可保证供电的连续性及输出电压的稳定性,从而可显著提高供电质量,为经济运行、延长设备使用寿命以及电网调度自动化创造条件;First, by adjusting the on-load tap changer to change the voltage ratio of the transformer and change the output voltage, the operating transformer voltage can be automatically adjusted according to the load change, replacing the conventional manual power-off adjustment, which can ensure the continuity of power supply and output voltage The stability of the system can significantly improve the quality of power supply and create conditions for economical operation, prolonging the service life of equipment and automating power grid dispatching;
第二,采用非晶合金铁芯变压器,空载损耗大幅度减小,大大减少电网的电能损耗,运行噪音低,占地面积小,安装使用极为方便;Second, the use of amorphous alloy iron core transformer greatly reduces the no-load loss, greatly reduces the power loss of the power grid, has low operating noise, small footprint, and is extremely convenient to install and use;
第三,将变压器、计量箱、补偿箱、配电箱集成于一个装置内,将一次元件、裸露带电部分全部隔离,减少了大量的二次控制元件及其之间的连接,不仅结构简洁,可减少占用空间、节省材料及成本,且安装维修方便,运行安全可靠,并能有效防止窃电,易于监测、观察、分析和传输数据,更便于电力系统的智能自动化监控及管理。Third, the transformer, metering box, compensation box, and distribution box are integrated into one device, and the primary elements and exposed live parts are all isolated, reducing a large number of secondary control elements and their connections. Not only is the structure simple, It can reduce occupied space, save materials and costs, and is convenient for installation and maintenance, safe and reliable in operation, and can effectively prevent electricity theft, easy to monitor, observe, analyze and transmit data, and more convenient for intelligent automatic monitoring and management of power systems.
附图说明Description of drawings
图1是本实用新型具体实施方式的整体结构示意图;Fig. 1 is the overall structure schematic diagram of the specific embodiment of the present utility model;
图2是本实用新型具体实施方式进行有载调压时变压器分接头接线示意图。Fig. 2 is a schematic diagram of transformer tap connection when on-load voltage regulation is performed according to a specific embodiment of the utility model.
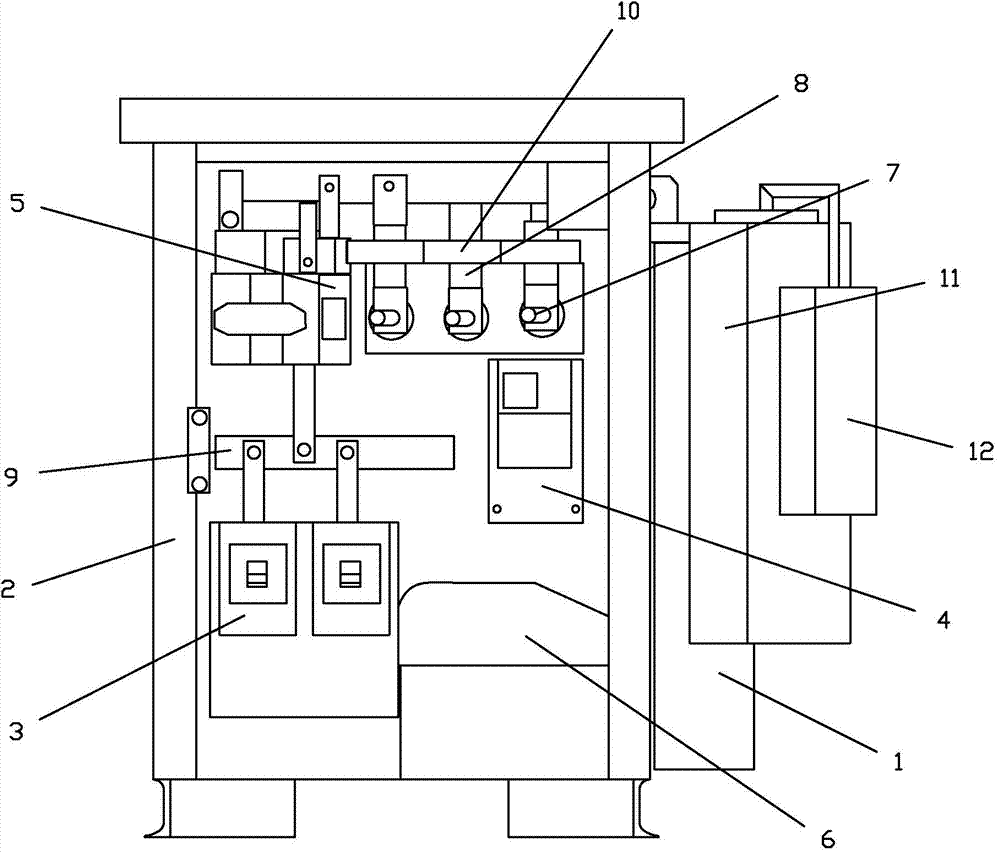
图中:1.变压器,2.低压配电柜,3.断路器,4.控制终端,5.负荷隔离开关,6.智能集成电力电容器,7.变压器低压出线端,8.进线汇流排,9.出线汇流排,10.电流互感器,11.有载调压开关,12.操作控制装置。In the figure: 1. Transformer, 2. Low-voltage power distribution cabinet, 3. Circuit breaker, 4. Control terminal, 5. Load isolation switch, 6. Intelligent integrated power capacitor, 7. Transformer low-voltage outlet terminal, 8. Incoming bus bar , 9. Outgoing busbar, 10. Current transformer, 11. On-load tap changer, 12. Operation control device.
具体实施方式Detailed ways
以下通过具体实施方式对本实用新型作进一步的描述。The utility model will be further described below through specific embodiments.
参照图1和图2,本实用新型的一种智能可调压变配电装置,包括有变压器1及低压配电柜2,所述变压器1包括有变压器壳体、安装在变压器壳体内的铁芯及套置在铁芯上的高压绕组、低压绕组,所述变压器1的低压出线端面紧靠低压配电柜2的背面或侧面设置,低压配电柜2内还安装有补偿装置、计量装置、断路器3及控制终端4,所述补偿装置包括有负荷隔离开关5及智能集成电力电容器6,变压器低压出线端7通过进线汇流排8与负荷隔离开关5的进线端联接,负荷隔离开关5的出线端通过出线汇流排9与断路器3的进线端联接,且分别与智能集成电力电容器6及控制终端4联接,所述计量装置包括有设置于进线汇流排8上的电流互感器10。Referring to Fig. 1 and Fig. 2, an intelligent adjustable voltage transformer power distribution device of the present invention includes a transformer 1 and a low-voltage power distribution cabinet 2, the transformer 1 includes a transformer shell, and an iron box installed in the transformer shell core and the high-voltage winding and low-voltage winding set on the iron core, the low-voltage outgoing line end face of the transformer 1 is set close to the back or side of the low-voltage power distribution cabinet 2, and the low-voltage power distribution cabinet 2 is also installed with a compensation device and a metering device , a circuit breaker 3 and a control terminal 4, the compensation device includes a load isolating switch 5 and an intelligent integrated power capacitor 6, the transformer low-voltage outlet terminal 7 is connected to the input terminal of the load isolating switch 5 through an incoming line bus bar 8, and the load is isolated The outgoing line end of the switch 5 is connected with the incoming line end of the circuit breaker 3 through the outgoing line bus bar 9, and is respectively connected with the intelligent integrated power capacitor 6 and the control terminal 4. The metering device includes a current meter set on the incoming line bus bar 8 Transformer 10.
参照图1和图2,所述变压器壳体上设置有有载调压开关11及其操作控制装置12,高压绕组由8组线圈串接构成,各组线圈均具有各自的线圈抽头,各线圈抽头连接接入有载调压开关11作为有载调压开关11的8个调节档位的端头。所述的绕组所套置的铁芯为非晶合金铁芯。Referring to Figures 1 and 2, the transformer housing is provided with an on-
上述仅为本实用新型的一个具体实施方式,但本实用新型的设计构思并不局限于此,凡利用此构思对本实用新型进行非实质性的改动,均9应属于侵犯本实用新型保护范围的行为。The above is only a specific embodiment of the present utility model, but the design concept of the present utility model is not limited thereto, and any insubstantial changes made to the present utility model by using this concept should belong to violations of the protection scope of the present utility model Behavior.
Claims (4)
Priority Applications (1)
| Application Number | Priority Date | Filing Date | Title |
|---|---|---|---|
| CN201320676469.8U CN203504005U (en) | 2013-10-29 | 2013-10-29 | Intelligent voltage-adjustable power transformation and distribution device |
Applications Claiming Priority (1)
| Application Number | Priority Date | Filing Date | Title |
|---|---|---|---|
| CN201320676469.8U CN203504005U (en) | 2013-10-29 | 2013-10-29 | Intelligent voltage-adjustable power transformation and distribution device |
Publications (1)
| Publication Number | Publication Date |
|---|---|
| CN203504005U true CN203504005U (en) | 2014-03-26 |
Family
ID=50334950
Family Applications (1)
| Application Number | Title | Priority Date | Filing Date |
|---|---|---|---|
| CN201320676469.8U Expired - Fee Related CN203504005U (en) | 2013-10-29 | 2013-10-29 | Intelligent voltage-adjustable power transformation and distribution device |
Country Status (1)
| Country | Link |
|---|---|
| CN (1) | CN203504005U (en) |
Cited By (1)
| Publication number | Priority date | Publication date | Assignee | Title |
|---|---|---|---|---|
| CN114172035A (en) * | 2021-12-08 | 2022-03-11 | 安徽广远智能电力装备制造有限公司 | Intelligent automatic voltage-boosting transformer without power failure of high-voltage line and control method thereof |
-
2013
- 2013-10-29 CN CN201320676469.8U patent/CN203504005U/en not_active Expired - Fee Related
Cited By (1)
| Publication number | Priority date | Publication date | Assignee | Title |
|---|---|---|---|---|
| CN114172035A (en) * | 2021-12-08 | 2022-03-11 | 安徽广远智能电力装备制造有限公司 | Intelligent automatic voltage-boosting transformer without power failure of high-voltage line and control method thereof |
Similar Documents
| Publication | Publication Date | Title |
|---|---|---|
| CN203813439U (en) | Automatic voltage regulator of distribution line | |
| CN106856332A (en) | A kind of distributed photovoltaic power generation grid-connected system | |
| CN1457123A (en) | Intelligent transformer and distribution device | |
| CN204271512U (en) | An intelligent on-load capacity regulating substation | |
| CN103178451B (en) | A kind of small-sized transformation and distribution system of electric network terminal | |
| CN201946982U (en) | 10kV distribution line serial compensation and voltage regulation device based on an adaptive control | |
| CN203983006U (en) | Capacity and pressure regulating three-phase transformer | |
| CN206712478U (en) | A kind of distributed photovoltaic power generation grid-connected system | |
| CN105958354A (en) | 110kV/10kV and 110kV/35kV two pre-installed integrated intelligent substations | |
| CN202103430U (en) | High voltage wattless automatic compensation arrangement | |
| CN203504005U (en) | Intelligent voltage-adjustable power transformation and distribution device | |
| CN203562784U (en) | Reactive Power Compensation Device for 10kV Line | |
| CN202268612U (en) | Power distribution system for low-voltage power distribution cabinet | |
| CN114334392A (en) | Intelligent multifunctional medium-voltage line voltage regulator and power supply system comprising same | |
| CN106941259A (en) | A kind of line segment formula three-phase load unbalance adjustment and boosting loss-reducing and electricity-saving device | |
| CN203813519U (en) | Centralized-control intelligent power distribution cabinet | |
| CN202696154U (en) | Dynamic reactive voltage regulating device used for high-voltage line | |
| CN204290066U (en) | Low-voltage comprehensive distribution box wiring system | |
| CN202076106U (en) | Automatic voltage-regulating transformer | |
| CN217281685U (en) | A 50MW 110kV New Energy Booster Station System | |
| CN203813447U (en) | Transformer station high voltage reactive automatic compensation device | |
| CN206834760U (en) | A kind of line segment formula three-phase load unbalance adjustment and boosting loss-reducing and electricity-saving device | |
| CN203377570U (en) | Self-energized-regulation ice-melting power source | |
| CN210517796U (en) | On-load voltage regulation device | |
| CN202930939U (en) | Intelligent type three phase electricity-saving appliance |
Legal Events
| Date | Code | Title | Description |
|---|---|---|---|
| GR01 | Patent grant | ||
| GR01 | Patent grant | ||
| CF01 | Termination of patent right due to non-payment of annual fee |
Granted publication date: 20140326 Termination date: 20211029 |
|
| CF01 | Termination of patent right due to non-payment of annual fee |
