CN203476649U - Cng加气站压缩机冷却系统 - Google Patents
Cng加气站压缩机冷却系统 Download PDFInfo
- Publication number
- CN203476649U CN203476649U CN201320608880.1U CN201320608880U CN203476649U CN 203476649 U CN203476649 U CN 203476649U CN 201320608880 U CN201320608880 U CN 201320608880U CN 203476649 U CN203476649 U CN 203476649U
- Authority
- CN
- China
- Prior art keywords
- water
- pipe
- compressor cooling
- valve
- gas station
- Prior art date
- Legal status (The legal status is an assumption and is not a legal conclusion. Google has not performed a legal analysis and makes no representation as to the accuracy of the status listed.)
- Expired - Lifetime
Links
- 238000001816 cooling Methods 0.000 title claims abstract description 32
- XLYOFNOQVPJJNP-UHFFFAOYSA-N water Substances O XLYOFNOQVPJJNP-UHFFFAOYSA-N 0.000 claims abstract description 254
- 239000000498 cooling water Substances 0.000 claims abstract description 100
- 238000004140 cleaning Methods 0.000 claims abstract description 41
- 239000008234 soft water Substances 0.000 claims description 36
- 150000003839 salts Chemical class 0.000 claims description 32
- 239000011347 resin Substances 0.000 claims description 31
- 229920005989 resin Polymers 0.000 claims description 31
- 239000010865 sewage Substances 0.000 claims description 24
- 230000008676 import Effects 0.000 claims description 14
- 230000007306 turnover Effects 0.000 claims description 14
- 230000009467 reduction Effects 0.000 claims description 10
- 239000000523 sample Substances 0.000 claims description 9
- HPALAKNZSZLMCH-UHFFFAOYSA-M sodium;chloride;hydrate Chemical compound O.[Na+].[Cl-] HPALAKNZSZLMCH-UHFFFAOYSA-M 0.000 claims description 9
- 230000005540 biological transmission Effects 0.000 claims description 8
- 239000012267 brine Substances 0.000 claims description 8
- 229910001220 stainless steel Inorganic materials 0.000 claims description 8
- 239000010935 stainless steel Substances 0.000 claims description 8
- 238000005070 sampling Methods 0.000 claims description 7
- 238000012544 monitoring process Methods 0.000 claims description 5
- 230000009183 running Effects 0.000 claims description 4
- 238000011010 flushing procedure Methods 0.000 abstract description 6
- 239000012535 impurity Substances 0.000 abstract description 4
- 238000002347 injection Methods 0.000 abstract description 2
- 239000007924 injection Substances 0.000 abstract description 2
- 239000007789 gas Substances 0.000 description 45
- 238000000034 method Methods 0.000 description 15
- 230000008569 process Effects 0.000 description 12
- 230000007797 corrosion Effects 0.000 description 6
- 238000005260 corrosion Methods 0.000 description 6
- 238000001914 filtration Methods 0.000 description 5
- 239000000126 substance Substances 0.000 description 4
- DGAQECJNVWCQMB-PUAWFVPOSA-M Ilexoside XXIX Chemical compound C[C@@H]1CC[C@@]2(CC[C@@]3(C(=CC[C@H]4[C@]3(CC[C@@H]5[C@@]4(CC[C@@H](C5(C)C)OS(=O)(=O)[O-])C)C)[C@@H]2[C@]1(C)O)C)C(=O)O[C@H]6[C@@H]([C@H]([C@@H]([C@H](O6)CO)O)O)O.[Na+] DGAQECJNVWCQMB-PUAWFVPOSA-M 0.000 description 3
- JLVVSXFLKOJNIY-UHFFFAOYSA-N Magnesium ion Chemical compound [Mg+2] JLVVSXFLKOJNIY-UHFFFAOYSA-N 0.000 description 3
- 230000002378 acidificating effect Effects 0.000 description 3
- 230000009286 beneficial effect Effects 0.000 description 3
- 230000007547 defect Effects 0.000 description 3
- 150000002500 ions Chemical class 0.000 description 3
- 239000007788 liquid Substances 0.000 description 3
- 229910001425 magnesium ion Inorganic materials 0.000 description 3
- 244000005700 microbiome Species 0.000 description 3
- 230000008929 regeneration Effects 0.000 description 3
- 238000011069 regeneration method Methods 0.000 description 3
- 239000012266 salt solution Substances 0.000 description 3
- 239000011734 sodium Substances 0.000 description 3
- 229910052708 sodium Inorganic materials 0.000 description 3
- 239000002699 waste material Substances 0.000 description 3
- OYPRJOBELJOOCE-UHFFFAOYSA-N Calcium Chemical compound [Ca] OYPRJOBELJOOCE-UHFFFAOYSA-N 0.000 description 2
- 239000011575 calcium Substances 0.000 description 2
- 229910052791 calcium Inorganic materials 0.000 description 2
- 238000010586 diagram Methods 0.000 description 2
- 238000007599 discharging Methods 0.000 description 2
- 230000000694 effects Effects 0.000 description 2
- 238000005265 energy consumption Methods 0.000 description 2
- 238000005516 engineering process Methods 0.000 description 2
- VNWKTOKETHGBQD-UHFFFAOYSA-N methane Chemical compound C VNWKTOKETHGBQD-UHFFFAOYSA-N 0.000 description 2
- NWUYHJFMYQTDRP-UHFFFAOYSA-N 1,2-bis(ethenyl)benzene;1-ethenyl-2-ethylbenzene;styrene Chemical compound C=CC1=CC=CC=C1.CCC1=CC=CC=C1C=C.C=CC1=CC=CC=C1C=C NWUYHJFMYQTDRP-UHFFFAOYSA-N 0.000 description 1
- BHPQYMZQTOCNFJ-UHFFFAOYSA-N Calcium cation Chemical compound [Ca+2] BHPQYMZQTOCNFJ-UHFFFAOYSA-N 0.000 description 1
- FKNQFGJONOIPTF-UHFFFAOYSA-N Sodium cation Chemical compound [Na+] FKNQFGJONOIPTF-UHFFFAOYSA-N 0.000 description 1
- 230000009471 action Effects 0.000 description 1
- 229910001424 calcium ion Inorganic materials 0.000 description 1
- 239000004568 cement Substances 0.000 description 1
- 230000008859 change Effects 0.000 description 1
- 238000006243 chemical reaction Methods 0.000 description 1
- 230000008878 coupling Effects 0.000 description 1
- 238000010168 coupling process Methods 0.000 description 1
- 238000005859 coupling reaction Methods 0.000 description 1
- 230000008021 deposition Effects 0.000 description 1
- 238000001514 detection method Methods 0.000 description 1
- 238000006073 displacement reaction Methods 0.000 description 1
- 239000003344 environmental pollutant Substances 0.000 description 1
- 125000000524 functional group Chemical group 0.000 description 1
- 230000006872 improvement Effects 0.000 description 1
- 238000009434 installation Methods 0.000 description 1
- 239000003456 ion exchange resin Substances 0.000 description 1
- 229920003303 ion-exchange polymer Polymers 0.000 description 1
- 230000004048 modification Effects 0.000 description 1
- 238000012986 modification Methods 0.000 description 1
- 239000003345 natural gas Substances 0.000 description 1
- 231100000719 pollutant Toxicity 0.000 description 1
- 229910001415 sodium ion Inorganic materials 0.000 description 1
- 238000005406 washing Methods 0.000 description 1
Images
Landscapes
- Structures Of Non-Positive Displacement Pumps (AREA)
Abstract
本实用新型提供一种CNG加气站压缩机冷却系统,包括压缩机冷却水进口、压缩机冷却水出口、各级冷却器、各级水套、管道、冷却水循环水泵、散热器、加气站压缩机冷却水进出管路、CNG加气站压缩机冷却水自动软水器及CNG加气站压缩机冷却水全自动清洗过滤器,所述各级冷却器、各级水套及管道连接在所述压缩机冷却水进口及压缩机冷却水出口之间。本实用新型提供的CNG加气站压缩机冷却系统,在加气站压缩机冷却水进出管路上增加第一清洗管及第二清洗管,通过控制冷却水的循环路径,能够利用压缩机水箱注水水泵的大流量水正向及反向冲洗压缩机水套、各级冷却器及管线,将杂质从压缩机冷却水进出管路的前段排出,从而增加了冷却器换热效率。
Description
技术领域
本实用新型属于CNG加气站压缩机冷却技术领域,特别是涉及一种CNG加气站压缩机冷却系统。
背景技术
目前,CNG(压缩天然气)压缩机通常为水冷型,其循环冷却水为敞开式系统,存在结垢、腐蚀和微生物泥三大难题,给整个压缩机冷却系统带来严重的危害。降低了换热效率,加速了压缩机缸体的腐蚀,使循环冷却水水量减少,缩短了设备使用寿命,增加了运行成本。
通常采用人工清洗方式和在线化学清理方式来处理结垢。人工清洗由于压缩机房内场地的局限性以及当时安装进出水管时没有预留位置,因此在拆卸安装时需要多人协助板、撬才能拆卸冲洗,劳动量大、耗时长,且操作极其不便;
化学清洗成本高,对部件有腐蚀,损害大,并且冷却效果持续时间短。
实用新型内容
本实用新型所要解决的技术问题是针对现有的压缩机冷却系统采用人工清洗劳动量大、耗时长,而采用化学清洗成本高、对部件有腐蚀的缺陷,提供一种CNG加气站压缩机冷却系统。
本实用新型解决上述技术问题所采用的技术方案如下:
提供一种CNG加气站压缩机冷却系统,包括压缩机冷却水进口、压缩机冷却水出口、各级冷却器、设置在所述压缩机各级气缸上的各级水套、连接所述各级冷却器与各级水套之间的管道、冷却水循环水泵、散热器、加气站压缩机冷却水进出管路、与所述冷却水循环水泵连接的CNG加气站压缩机冷却水自动软水器及与所述CNG加气站压缩机冷却水自动软水器连接的CNG加气站压缩机冷却水全自动清洗过滤器,所述各级冷却器、各级水套及管道连接在所述压缩机冷却水进口及压缩机冷却水出口之间,其中,
所述加气站压缩机冷却水进出管路包括进水管、出水管、第一清洗管、第二清洗管、设置在所述第一清洗管上的第一水阀、设置在所述进水管上且位于所述第一清洗管与第二清洗管之间的第二水阀、设置在所述第二清洗管上的第三水阀与第四水阀、设置在所述第二清洗管上且位于所述第三水阀与第四水阀之间的排水口以及设置在所述出水管上的第五水阀,所述第一清洗管的两端分别与所述进水管及出水管连通,所述第二清洗管的两端分别与所述进水管及出水管连通,所述第二清洗管设置在所述第一清洗管与压缩机之间;
所述出水管的一端连接至所述压缩机冷却水出口,另一端连接至所述散热器的进水口,所述进水管的一端连接至所述压缩机冷却水进口,另一端连接至所述冷却水循环水泵的出水口,所述冷却水循环水泵的进水口连接至所述散热器的出水口。
进一步地,所述第一水阀通过活结连接在所述第一清洗管上,所述第二水阀通过活结连接在所述进水管上,所述第三水阀及第四水阀通过活结连接在所述第二清洗管上,所述第五水阀通过活结连接在所述出水管上。
进一步地,所述第一清洗管的两端通过两个三通管分别与所述进水管及出水管连通,所述第二清洗管的两端通过两个三通管分别与所述进水管及出水管连通。
进一步地,所述CNG加气站压缩机冷却水自动软水器包括树脂罐、连接在所述树脂罐进口上的多路阀、盐箱、软水箱、流通管道及与所述多路阀电连接的控制器,所述多路阀包括原水进口、排污口、软水出口及盐水进口,所述流通管道包括进水总管、进水支管、反洗管、软水出管、出水总管、盐水管及排污管,所述反洗管及进水支管的一端均与所述进水总管连接,所述进水支管的另一端连接至所述原水进口,所述反洗管的另一端连接至所述出水总管及软水出管的一端,所述软水出管的另一端连接至所述软水出口,所述出水总管的另一端连接至所述软水箱,所述盐水管的一端连接所述盐箱,另一端连接至所述盐水进口,所述排污管连接至所述排污口,所述进水总管、进水支管、反洗管、软水出管及出水总管上分别设置有第一开关阀、第二开关阀、第三开关阀、第四开关阀及第五开关阀,所述控制器用于控制多路阀上的原水进口、排污口、软水出口及盐水进口的打开和关闭,所述进水总管的一端连接所述CNG加气站压缩机冷却水全自动清洗过滤器,所述出水总管的一端连接所述冷却水循环水泵。
进一步地,所述进水总管上在所述第一开关阀之后设置有压力表。
进一步地,所述出水总管上在所述第五开关阀之前设置有取样管,所述取样管上设置有取样阀。
进一步地,所述CNG加气站压缩机冷却水全自动清洗过滤器包括壳体、设置在所述壳体内的滤筒、设置所述壳体上且与所述滤筒连通的进水口、设置在所述壳体上且与所述滤筒连通的出水口、设置在所述滤筒中的滤芯组件、设置在所述进水口与所述滤芯组件之间的控制管路、设置在所述壳体上且与所述滤筒连通的排污口、设置在所述排污口处的排污控制阀、设置在所述滤芯组件上的不锈钢刷、与所述不锈钢刷连接的传动轴、与所述传动轴连接的驱动电机、压差开关及控制器,所述压差开关用于监测进水口与出水口压差,所述控制器用于在所述压差开关监测到的进水口与出水口压差大于设定值时,控制所述排污控制阀打开以及所述驱动电机运转。
进一步地,所述控制器设置在所述壳体外部。
进一步地,所述进水口处设置有进水法兰。
进一步地,所述出水口处设置有出水法兰。
本实用新型提供的CNG加气站压缩机冷却系统,在所述加气站压缩机冷却水进出管路上增加第一清洗管及第二清洗管,通过控制冷却水的循环路径,能够利用压缩机水箱注水水泵(14KW)的大流量水(0.32Mpa)正向及反向冲洗压缩机水套、各级冷却器及管线,在冲洗的同时,同时用木锤敲击各级水管和冷却器,受外力震动的影响,依附在管壁内侧的结垢污泥及微生物脱落,手动控制第三水阀及第四水阀,将杂质从压缩机冷却水进出管路的前段排出(从第二清洗管的排出口排出),从而增加了冷却器换热效率,减低循环冷却水的温度,有效的控制压缩机各级排气温度,同时也避免了现有的人工清洗劳动量大、耗时长,而化学清洗成本高、对部件有腐蚀的缺陷。
附图说明
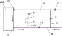
图1是本实用新型一实施例提供的CNG加气站压缩机冷却系统的结构示意图;
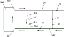
图2是本实用新型一实施例提供的CNG加气站压缩机冷却系统其加气站压缩机冷却水进出管路的正向清洗工作示意图;
图3是本实用新型一实施例提供的CNG加气站压缩机冷却系统其加气站压缩机冷却水进出管路的反向清洗工作示意图;
图4是本实用新型一实施例提供的CNG加气站压缩机冷却系统其CNG加气站压缩机冷却水自动软水器的的结构示意图;
图5是本实用新型一实施例提供的CNG加气站压缩机冷却系统其CNG加气站压缩机冷却水全自动清洗过滤器的结构示意图。
说明书附图中的附图标记如下:
加气站压缩机冷却水进出管路100、CNG加气站压缩机冷却水自动软水器200、CNG加气站压缩机冷却水全自动清洗过滤器300、冷却水循环水泵400、散热器500、进水管101、出水管102、第一清洗管103、第二清洗管104、排水口1041、第一水阀F1、第二水阀F2、第三水阀F3、第四水阀F4、第五水阀F5、压缩机冷却水进口601、压缩机600、压缩机冷却水出口602、树脂罐1、多路阀2、原水进口21、排污口22、软水出口23、盐水进口24盐箱3、软水箱4、流通管道5、进水总管51、进水支管52、反洗管53、软水出管54、出水总管55、盐水管56、排污管57、第一开关阀61、第二开关阀62、第三开关阀63、第四开关阀64、第五开关阀65、压力表7、取样管8、取样阀9、壳体10、滤筒20、进水口30、出水口40、滤芯组件50、控制管路60、排污口70、排污控制阀80、不锈钢刷90、传动轴1000、驱动电机11、控制器12、进水法兰13、出水法兰14、固定支架15。
具体实施方式
为了使本实用新型所解决的技术问题、技术方案及有益效果更加清楚明白,以下结合附图及实施例,对本实用新型进行进一步的详细说明。应当理解,此处所描述的具体实施例仅仅用以解释本实用新型,并不用于限定本实用新型。
请参照图1,本实用新型一实施例提供的提供一种CNG加气站压缩机冷却系统,包括压缩机冷却水进口601、压缩机冷却水出口20、各级冷却器、设置在所述压缩机各级气缸上的各级水套、连接所述各级冷却器与各级水套之间的管道、冷却水循环水泵400、散热器500、加气站压缩机冷却水进出管路100、与所述冷却水循环水泵400连接的CNG加气站压缩机冷却水自动软水器200及与所述CNG加气站压缩机冷却水自动软水器200连接的CNG加气站压缩机冷却水全自动清洗过滤器300,所述各级冷却器、各级水套及管道连接在所述压缩机冷却水进口601及压缩机冷却水出口20之间。CNG加气站压缩机冷却水自动软水器200用于提供合格的冷却水供冷却水循环水泵400抽取。CNG加气站压缩机冷却水全自动清洗过滤器300用于对进入CNG加气站压缩机冷却水自动软水器200之前的原水进行过滤。
请参照图2至3,本实施例中,所述加气站压缩机冷却水进出管路100包括进水管101、出水管102、第一清洗管103、第二清洗管104、设置在所述第一清洗管上的第一水阀F1、设置在所述进水管101上且位于所述第一清洗管103与第二清洗管104之间的第二水阀F2、设置在所述第二清洗管104上的第三水阀F3与第四水阀F4、设置在所述第二清洗管104上且位于所述第三水阀F3与第四水阀F4之间的排水口1041以及设置在所述出水管102上的第五水阀F5,所述第一清洗3管的两端分别与所述进水管101及出水管102连通,所述第二清洗管104的两端分别与所述进水管101及出水管102连通,所述第二清洗管104设置在所述第一清洗管103与压缩机之间。
本实施例中,所述第一水阀F1、第二水阀F2、第三水阀F3、第四水阀F4及第五水阀F5均为球阀。通过人工控制球阀的开闭,实现压缩机冷却水的正向及反向清洗。
本实施例中,所述第一水阀F1通过活结连接在所述第一清洗管103上,所述第二水阀F2通过活结连接在所述进水管101上,所述第三水阀F3及第四水阀F4通过活结连接在所述第二清洗管104上,所述第五水阀F5通过活结连接在所述出水管102上。
本实施例中,所述第一清洗管103的两端通过两个三通管分别与所述进水管101及出水管102连通,所述第二清洗管104的两端通过两个三通管分别与所述进水管101及出水管102连通。
本实施例的加气站压缩机冷却水进出管路100工作过程如下:
(1)正向清洗,如图1所示,此时,第一水阀F1、第三水阀F3及第五水阀F5关闭,第二水阀F2、第四水阀F4打开,冷却水从进水管的一端进入,经过第二水阀F2,从压缩机冷却水进口601进入压缩机600,对压缩机各级冷却器、水套及管道进行冷却后,从压缩机冷却水出口602流出,经过第四水阀F4后从第二清洗管104的排出口41排出。
(2)反向清洗,如图2所示,此时,第二水阀F2、第四水阀F4、第五水阀F5关闭,第一水阀F1、第三水阀F3打开,冷却水从进水管的一端进入,流经第一清洗管103上的第一水阀F1,从压缩机冷却水出口602进入压缩机600,对压缩机各级冷却器、水套及管道进行冷却后,从压缩机冷却水进口601流出,经过第三水阀F3后从第二清洗管的排出口41排出。
请参照图4,本实施例中,所述CNG加气站压缩机冷却水自动软水器200包括树脂罐1、连接在所述树脂罐1进口上的多路阀2、盐箱3、软水箱4、流通管道5及与所述多路阀电连接的控制器(图中未标示),所述多路阀3包括原水进口21、排污口22、软水出口23及盐水进口24,所述流通管道5包括进水总管51、进水支管52、反洗管53、软水出管54、出水总管55、盐水管56及排污管57,所述反洗管53及进水支管52的一端均与所述进水总管51连接,所述进水支管52的另一端连接至所述原水进口21,所述反洗管53的另一端连接至所述出水总管55及软水出管54的一端,所述软水出管54的另一端连接至所述软水出口23,所述出水总管55的另一端连接至所述软水箱4,所述盐水管56的一端连接所述盐箱3,另一端连接至所述盐水进口24,所述排污管57连接至所述排污口22,所述进水总管51、进水支管52、反洗管53、软水出管54及出水总管55上分别设置有第一开关阀61、第二开关阀62、第三开关阀63、第四开关阀64及第五开关阀65,所述控制器用于控制多路阀3上的原水进口21、排污口22、软水出口23及盐水进口24的打开和关闭,所述进水总管51的一端连接所述CNG加气站压缩机冷却水全自动清洗过滤器300,所述出水总管55的一端连接所述冷却水循环水泵400。所述控制器可以安装在所述多路阀上。
本实施例中,所述第一开关阀61、第二开关阀62、第三开关阀63、第四开关阀64及第五开关阀65均为电磁阀或电动阀。所述第一开关阀61、第二开关阀62、第三开关阀63、第四开关阀64及第五开关阀65由控制器自动控制其打开和关闭。
本实施例中,所述进水总管51上在所述第一开关阀61之后设置有压力表7,用于测量进水压力。
本实施例中,所述出水总管55上在所述第五开关阀65之前设置有取样管8,所述取样管8上设置有取样阀9。
本实施例中,所述取样阀9为电磁阀或电动阀。取样阀由控制器自动控制取样阀的打开和关闭。
本实施例中,所述树脂罐1内设置有自动吸取盐箱中盐水的喷射器(图中未标示)。
上述的CNG加气站压缩机冷却水自动软水器200的工作过程如下:
(1)正常运行,控制器做如下控制:第一开关阀61、第二开关阀62、第四开关阀64及第五开关阀65打开,第三开关阀63关闭,多路阀的原水进口21、软水出口23打开,排污口22、盐水进口24关闭;原水经进水总管51流入,经过进水支管52后从原水进口21进入树脂罐1中并由上至下经过钠型强酸性阳离子树脂,树脂罐1中的钠型强酸性阳离子树脂将原水中的钙、镁离子置换出去,得到的软水依次经软水出口23、软水出管54及出水总管55后流入软水箱,以备压缩机冷却循环使用。
(2)反洗排污,控制器做如下控制:第一开关阀61、第三开关阀63、第四开关阀64及第五开关阀65打开,第二开关阀63关闭,多路阀的原水进口21、盐水进口24关闭,排污口22、软水出口23打开;软水器正常运行一段时间后,会在树脂上部拦截很多由原水带来的污物,把这些污物除去后,离子交换树脂才能完全曝露出来,再生的效果才能得到保证。反洗排污过程就是,原水经进水总管51流入,经过反洗管53、软水出管54后从软水出口23进入树脂罐1,在树脂罐内水是从树脂的底部吸入,从顶部流出,这样可以把顶部拦截下来的污物冲走。这个过程一般需要5-15分钟左右。
(3)树脂软化能力再生(吸盐,即将盐水注入树脂罐的过程),控制器做如下控制:第一开关阀61、第二开关阀62、第三开关阀63、第四开关阀64及第五开关阀65关闭,多路阀的盐水进口24打开,原水进口21、软水出口23及排污口22关闭;采用专用的树脂罐内置喷射器将盐水从盐箱中吸入(只要进水有一定的压力即可),盐水以较慢的速度从上至下流过钠型强酸性阳离子树脂,这个过程一般需要30分钟左右,实际时间受用盐量的影响。
(4)正洗(慢冲洗加快冲洗),控制器做如下控制:第一开关阀61、第二开关阀62打开,多路阀的原水进口21及排污口22打开,软水出口23、盐水进口24关闭;在用盐水流过树脂以后,用原水以同样的流速慢慢将树脂中的盐全部冲洗干净,废液经排污口22后从排污管排出,这个过程为慢冲洗,由于这个冲洗过程中仍有大量的功能基团上的钙镁离子被钠离子交换,因此这一过程也称作置换。这个过程一般与吸盐的时间相同,即30分钟左右。为了将残留的盐彻底冲洗干净,要采用与正常运行接近的流速,用原水对树脂进行冲洗,这个过程的最后出水应为达标的软水,是否达标可通过取样管取样检测,在未达标之前,废液经排污口22后从排污管排出,在得到达标的软水之后,则进入正常运行工作状态。一般情况下,快冲洗过程为5-15分钟。
上述的CNG加气站压缩机冷却水自动软水器,通过所述控制器控制多路阀上的原水进口、排污口、软水出口及盐水进口的打开和关闭,来实现系统的正常运行(制备软水)、反洗排污(清洗树脂罐顶部拦截的污物)、树脂软化能力再生(用饱和盐水把树脂里的钙、镁离子等硬度置换出来,恢复树脂的软化交换能力)、正洗(用原水冲洗树脂,冲洗掉树脂上的盐,并将废液排出),相对于现有技术,具有如下有益效果:
(1)自动化程度高,运行工况稳定。 (2)由控制器控制运行,运行准确可靠,替代手工操作,完全实现水处理的各个环节的自动转换。 (3)高效率低能耗,运行费用经济。由于软化器整体设计合理,使树脂的交换能力得以充分发挥,采用树脂罐内置喷射器的射流式吸盐,替代盐泵,降低了能耗。 (4)设备结构紧凑,占地面积小,节省了基建投资,安装、调试及使用简便易行,运行部件性能稳定。
请参照图5,本实施例中,所述CNG加气站压缩机冷却水全自动清洗过滤器300,包括壳体10、设置在所述壳体10内的滤筒20、设置所述壳体10上且与所述滤筒20连通的进水口30、设置在所述壳体10上且与所述滤筒20连通的出水口40、设置在所述滤筒20中的滤芯组件50、设置在所述进水口30与所述滤芯组件50之间的控制管路60、设置在所述壳体10上且与所述滤筒20连通的排污口70、设置在所述排污口70处的排污控制阀80、设置在所述滤芯组件50上的不锈钢刷90、与所述不锈钢刷90连接的传动轴1000、与所述传动轴1000连接的驱动电机11、压差开关(图中未标示)及控制器12,所述压差开关用于监测进水口30与出水口40压差,所述控制器12用于在所述压差开关监测到的进水口30与出水口40压差大于设定值时,控制所述排污控制阀80打开以及所述驱动电机11运转,所述出水口40与所述进水总管51连接。上述的设定值根据实际需求设定。
本实施例中,所述排污控制阀80为电磁阀或电动阀。优选地,所述排污控制阀为电动蝶阀。
本实施例中,所述驱动电机11的输出轴通过联轴器与所述传动轴1000连接。
本实施例中,所述控制器12设置在所述壳体10外部。控制器12与所述排污控制阀80及驱动电机11连接。
本实施例中,所述进水口30处设置有进水法兰13,用于连接进水管路。
本实施例中,所述出水口40处设置有出水法兰14,用于连接进水管路。
本实施例中,所述壳体10下端还连接有固定支架15,用于将整个过滤器固定在建筑物上。
本实用新型提供的CNG加气站压缩机冷却水全自动清洗过滤器,待处理的水由进水口进入滤筒,水中的杂质沉积在滤芯组件的滤网上,由此进水口与出水口之间产生压差。通过压差开关实时监测进出水口压差变化,压差开关监测到的进水口与出水口压差大于设定值时,控制器向排污控制阀及驱动电机发送控制信号,控制所述排污控制阀打开以及所述驱动电机运转,从而引发下列动作:驱动电机带动不锈钢刷旋转,对滤芯进行清洗,同时排污控制阀打开进行排污,整个清洗过程只需持续数十秒钟,当清洗结束时,关闭排污控制阀,并使电机停止转动,系统恢复至其初始状态,开始进入下一个过滤工序。相对于现有技术,具有如下有益效果:
(1)具有对原水进行过滤并自动对滤芯进行清洗排污的功能,克服了普通网式过滤纳污量小、易受污物堵塞、清洗工作复杂及自动化程度低的缺点,且清洗排污时系统不间断供水,可以监控过滤器的工作状态,自动化程度很高。
(2)全自动清洗过滤器,运行及控制不需外接任何能源就可以自动清洗过滤,自动排污。反冲洗期间不断流,清洗过滤周期可以调节,全自动清洗过滤时间默认为10-60s,清洗过滤损失水量只占过滤水量的0.08-0.6%;过滤精度可达10-3000 微米;工作压力可达1.0-1.6Mpa;单台流量可达4-4160m/h。
本实用新型提供的CNG加气站压缩机冷却系统,在所述加气站压缩机冷却水进出管路上增加第一清洗管及第二清洗管,通过控制冷却水的循环路径,能够利用压缩机水箱注水水泵(14KW)的大流量水(0.32Mpa)正向及反向冲洗压缩机水套、各级冷却器及管线,在冲洗的同时,同时用木锤敲击各级水管和冷却器,受外力震动的影响,依附在管壁内侧的结垢污泥及微生物脱落,手动控制第三水阀及第四水阀,将杂质从压缩机冷却水进出管路的前段排出(从第二清洗管的排出口排出),从而增加了冷却器换热效率,减低循环冷却水的温度,有效的控制压缩机各级排气温度,同时也避免了现有的人工清洗劳动量大、耗时长,而化学清洗成本高、对部件有腐蚀的缺陷。
以上所述仅为本实用新型的较佳实施例而已,并不用以限制本实用新型,凡在本实用新型的精神和原则之内所作的任何修改、等同替换和改进等,均应包含在本实用新型的保护范围之内。
Claims (10)
1.一种CNG加气站压缩机冷却系统,包括压缩机冷却水进口、压缩机冷却水出口、各级冷却器、设置在所述压缩机各级气缸上的各级水套、连接所述各级冷却器与各级水套之间的管道、冷却水循环水泵、散热器、加气站压缩机冷却水进出管路、与所述冷却水循环水泵连接的CNG加气站压缩机冷却水自动软水器及与所述CNG加气站压缩机冷却水自动软水器连接的CNG加气站压缩机冷却水全自动清洗过滤器,所述各级冷却器、各级水套及管道连接在所述压缩机冷却水进口及压缩机冷却水出口之间,其特征在于,
所述加气站压缩机冷却水进出管路包括进水管、出水管、第一清洗管、第二清洗管、设置在所述第一清洗管上的第一水阀、设置在所述进水管上且位于所述第一清洗管与第二清洗管之间的第二水阀、设置在所述第二清洗管上的第三水阀与第四水阀、设置在所述第二清洗管上且位于所述第三水阀与第四水阀之间的排水口以及设置在所述出水管上的第五水阀,所述第一清洗管的两端分别与所述进水管及出水管连通,所述第二清洗管的两端分别与所述进水管及出水管连通,所述第二清洗管设置在所述第一清洗管与压缩机之间;
所述出水管的一端连接至所述压缩机冷却水出口,另一端连接至所述散热器的进水口,所述进水管的一端连接至所述压缩机冷却水进口,另一端连接至所述冷却水循环水泵的出水口,所述冷却水循环水泵的进水口连接至所述散热器的出水口。
2.根据权利要求1所述的CNG加气站压缩机冷却系统,其特征在于,所述第一水阀通过活结连接在所述第一清洗管上,所述第二水阀通过活结连接在所述进水管上,所述第三水阀及第四水阀通过活结连接在所述第二清洗管上,所述第五水阀通过活结连接在所述出水管上。
3.根据权利要求1所述的CNG加气站压缩机冷却系统,其特征在于,所述第一清洗管的两端通过两个三通管分别与所述进水管及出水管连通,所述第二清洗管的两端通过两个三通管分别与所述进水管及出水管连通。
4.根据权利要求1所述的CNG加气站压缩机冷却系统,其特征在于,所述CNG加气站压缩机冷却水自动软水器包括树脂罐、连接在所述树脂罐进口上的多路阀、盐箱、软水箱、流通管道及与所述多路阀电连接的控制器,所述多路阀包括原水进口、排污口、软水出口及盐水进口,所述流通管道包括进水总管、进水支管、反洗管、软水出管、出水总管、盐水管及排污管,所述反洗管及进水支管的一端均与所述进水总管连接,所述进水支管的另一端连接至所述原水进口,所述反洗管的另一端连接至所述出水总管及软水出管的一端,所述软水出管的另一端连接至所述软水出口,所述出水总管的另一端连接至所述软水箱,所述盐水管的一端连接所述盐箱,另一端连接至所述盐水进口,所述排污管连接至所述排污口,所述进水总管、进水支管、反洗管、软水出管及出水总管上分别设置有第一开关阀、第二开关阀、第三开关阀、第四开关阀及第五开关阀,所述控制器用于控制多路阀上的原水进口、排污口、软水出口及盐水进口的打开和关闭,所述进水总管的一端连接所述CNG加气站压缩机冷却水全自动清洗过滤器,所述出水总管的一端连接所述冷却水循环水泵。
5.根据权利要求4所述的CNG加气站压缩机冷却系统,其特征在于,所述进水总管上在所述第一开关阀之后设置有压力表。
6.根据权利要求4或5所述的CNG加气站压缩机冷却系统,其特征在于,所述出水总管上在所述第五开关阀之前设置有取样管,所述取样管上设置有取样阀。
7.根据权利要求4所述的CNG加气站压缩机冷却系统,其特征在于,所述CNG加气站压缩机冷却水全自动清洗过滤器包括壳体、设置在所述壳体内的滤筒、设置所述壳体上且与所述滤筒连通的进水口、设置在所述壳体上且与所述滤筒连通的出水口、设置在所述滤筒中的滤芯组件、设置在所述进水口与所述滤芯组件之间的控制管路、设置在所述壳体上且与所述滤筒连通的排污口、设置在所述排污口处的排污控制阀、设置在所述滤芯组件上的不锈钢刷、与所述不锈钢刷连接的传动轴、与所述传动轴连接的驱动电机、压差开关及控制器,所述压差开关用于监测进水口与出水口压差,所述控制器用于在所述压差开关监测到的进水口与出水口压差大于设定值时,控制所述排污控制阀打开以及所述驱动电机运转,所述出水口与所述进水总管连接。
8.根据权利要求7所述的CNG加气站压缩机冷却系统,其特征在于,所述控制器设置在所述壳体外部。
9.根据权利要求7所述的CNG加气站压缩机冷却系统,其特征在于,所述进水口处设置有进水法兰。
10.根据权利要求7所述的CNG加气站压缩机冷却系统,其特征在于,所述出水口处设置有出水法兰。
Priority Applications (1)
| Application Number | Priority Date | Filing Date | Title |
|---|---|---|---|
| CN201320608880.1U CN203476649U (zh) | 2013-09-30 | 2013-09-30 | Cng加气站压缩机冷却系统 |
Applications Claiming Priority (1)
| Application Number | Priority Date | Filing Date | Title |
|---|---|---|---|
| CN201320608880.1U CN203476649U (zh) | 2013-09-30 | 2013-09-30 | Cng加气站压缩机冷却系统 |
Publications (1)
| Publication Number | Publication Date |
|---|---|
| CN203476649U true CN203476649U (zh) | 2014-03-12 |
Family
ID=50224989
Family Applications (1)
| Application Number | Title | Priority Date | Filing Date |
|---|---|---|---|
| CN201320608880.1U Expired - Lifetime CN203476649U (zh) | 2013-09-30 | 2013-09-30 | Cng加气站压缩机冷却系统 |
Country Status (1)
| Country | Link |
|---|---|
| CN (1) | CN203476649U (zh) |
Cited By (2)
| Publication number | Priority date | Publication date | Assignee | Title |
|---|---|---|---|---|
| CN107215923A (zh) * | 2017-06-22 | 2017-09-29 | 宁夏贺兰山冶金有限公司 | 矿热炉用软化水生产及回收系统 |
| CN110714940A (zh) * | 2019-11-05 | 2020-01-21 | 宁波德曼压缩机有限公司 | 压缩机冷却水路自洁系统 |
-
2013
- 2013-09-30 CN CN201320608880.1U patent/CN203476649U/zh not_active Expired - Lifetime
Cited By (2)
| Publication number | Priority date | Publication date | Assignee | Title |
|---|---|---|---|---|
| CN107215923A (zh) * | 2017-06-22 | 2017-09-29 | 宁夏贺兰山冶金有限公司 | 矿热炉用软化水生产及回收系统 |
| CN110714940A (zh) * | 2019-11-05 | 2020-01-21 | 宁波德曼压缩机有限公司 | 压缩机冷却水路自洁系统 |
Similar Documents
| Publication | Publication Date | Title |
|---|---|---|
| CN104048556B (zh) | 换热器脉冲循环清洗装置及其使用方法 | |
| CN206763534U (zh) | 一种全自动清洗自洁油烟管道系统 | |
| JP2016520785A (ja) | 凝縮器におけるゴムボール洗浄の多点集中ボール放出システム | |
| CN204583795U (zh) | 一种模具管路清洗装置 | |
| CN104896993B (zh) | 回转式胶球自动在线连续清洗装置和方法 | |
| CN103376026A (zh) | 供热系统中智能清洗板式换热器污垢的装置 | |
| CN201168492Y (zh) | 能够进行正反冲洗的净水装置 | |
| CN204064099U (zh) | 换热器脉冲循环清洗装置 | |
| CN104807368A (zh) | 水冷冷水机组管壳式换热器胶球自动在线清洗装置和方法 | |
| CN207797872U (zh) | 热交换器冲洗水垢装置 | |
| CN201583189U (zh) | 一种冷凝器自动在线清洗装置 | |
| CN203476649U (zh) | Cng加气站压缩机冷却系统 | |
| CN103115521A (zh) | 列管式换热器在线清洗装置及清洗方法 | |
| CN202342972U (zh) | 气水擦洗式高效自清洗过滤器 | |
| CN201955014U (zh) | 中央空调胶球清洗系统 | |
| CN203908395U (zh) | 一种胶球清洗系统 | |
| CN203545739U (zh) | Cng加气站压缩机冷却水自动软水器 | |
| CN203494405U (zh) | 一种逆流式电除盐膜块离线清洗装置 | |
| CN204705260U (zh) | 一种自动清洗热交换器结垢的装置 | |
| CN210788360U (zh) | 一种水冷发电机反冲洗装置 | |
| CN1920447A (zh) | 污水及地表水源热泵无阻塞压力平衡防阻装置及其系统 | |
| CN203037115U (zh) | 装有在线反洗装置的板式换热器 | |
| CN203498194U (zh) | 单级反渗透循环节水系统 | |
| CN205461291U (zh) | 水力清洗除污器 | |
| CN104368561A (zh) | 一种整体驱动发电机部附件的清洁装置及其清洁方法 |
Legal Events
| Date | Code | Title | Description |
|---|---|---|---|
| GR01 | Patent grant | ||
| GR01 | Patent grant | ||
| CX01 | Expiry of patent term |
Granted publication date: 20140312 |
|
| CX01 | Expiry of patent term |