CN203433939U - Super-heat-conducting transformer heat-radiating pipe - Google Patents

Super-heat-conducting transformer heat-radiating pipe Download PDF

Info

Publication number
CN203433939U
CN203433939U CN201320536320.XU CN201320536320U CN203433939U CN 203433939 U CN203433939 U CN 203433939U CN 201320536320 U CN201320536320 U CN 201320536320U CN 203433939 U CN203433939 U CN 203433939U
Authority
CN
China
Prior art keywords
heat
radiating
transformer
protective cover
superconduction
Prior art date
Legal status (The legal status is an assumption and is not a legal conclusion. Google has not performed a legal analysis and makes no representation as to the accuracy of the status listed.)
Expired - Fee Related
Application number
CN201320536320.XU
Other languages
Chinese (zh)
Inventor
叶仁富
Current Assignee (The listed assignees may be inaccurate. Google has not performed a legal analysis and makes no representation or warranty as to the accuracy of the list.)
Zhejiang Proview Electric Applicance Co., Ltd
Original Assignee
ZheJiang Jiangshan Special Transformer Co Ltd
Priority date (The priority date is an assumption and is not a legal conclusion. Google has not performed a legal analysis and makes no representation as to the accuracy of the date listed.)
Filing date
Publication date
Application filed by ZheJiang Jiangshan Special Transformer Co Ltd filed Critical ZheJiang Jiangshan Special Transformer Co Ltd
Priority to CN201320536320.XU priority Critical patent/CN203433939U/en
Application granted granted Critical
Publication of CN203433939U publication Critical patent/CN203433939U/en
Anticipated expiration legal-status Critical
Expired - Fee Related legal-status Critical Current

Links

Images

Landscapes

  • Transformer Cooling (AREA)

Abstract

The utility model discloses a super-heat-conducting transformer heat-radiating pipe which comprises a pipe body made from a super-heat-conducting pipe. A fixed part fixed with a transformer box is arranged on the pipe body and divides the pipe body into the heat-radiating end and the heat-absorbing end from top to bottom, the periphery of the upper portion of the heat-radiating end is provided with heat-radiating fins overlapped in a staggered mode, the outer wall of the lower portion of the heat-radiating end is provided with an insulating sleeve, a protective cover is arranged on the peripheries of the heat-radiating fins, and the lower end of the protective cover is fixed with the insulating sleeve. A traditional transformer heat-radiating method is changed, heat radiation is performed through the upper portion of a transformer, the air mobility is good, and the heat-radiating efficiency is high. The heat-radiating pipe is simple in overall structure, low in cost and convenient to use and install.

Description

Superconduction pattern of fever transformer radiating tube
Technical field
The utility model relates to radiating tube field, especially relates to a kind of superconduction pattern of fever transformer radiating tube.
Background technology
Traditional transformer heat radiation is mainly by water channel or oil duct are set in device body, by circulating of cooling water or oil, taking away heat dispels the heat, be provided with in addition corresponding air exhausting device or deep fat hot water circuit heat abstractor, general structure is all comparatively complicated, manufacturing cost is high, maintenance difficulty is large, and especially, in hot summer, radiating effect is unsatisfactory.
Utility model content
The utility model, in order to overcome the deficiencies in the prior art, provides a kind of superconduction pattern of fever transformer radiating tube, and it is simple in structure, low cost of manufacture and good heat dissipation effect.
To achieve these goals, the utility model is by the following technical solutions: a kind of superconduction pattern of fever transformer radiating tube, comprise the body of being made by super heat-conductive pipe, body is provided with the fixture fixing with transformer-cabinet, fixture is divided into radiating end and heat absorbing end from top to bottom by body, the outer radiating fin that is arranged with staggered stack on radiating end top, the outer wall of radiating end bottom is provided with insulating case, the periphery of described radiating fin is covered with a protective cover, and bottom and the insulating case of protective cover are fixed; The sidewall of protective cover bottom is provided with air vent hole.
Further, the cross section of described radiating fin is plum blossom-shaped.
Further, described fixture is clamp nut.
Further, on described fixture, be positioned at heat absorbing end one side and be provided with oil-resistant seal ring.
Further, described radiating fin is aluminum fin.
As preferably, the upper end of described protective cover is provided with support bar.
In sum, the utlity model has following advantage: the utility model changes traditional transformer heat dissipating method, by transformer top, dispels the heat; Inner air tube flows from bottom to top, takes away fast heat radiating efficiency high; Radiating tube overall structure is simple, and cost is low, easy to install and use.
Accompanying drawing explanation
Fig. 1 is structural representation of the present utility model.
Fig. 2 is side schematic view of the present utility model.
Embodiment
In order to make those skilled in the art person better understand the utility model scheme, below in conjunction with the accompanying drawing in the utility model embodiment, the technical scheme in the utility model embodiment is carried out to clear, complete description.
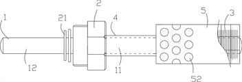
As shown in Figure 1 and Figure 2, a kind of superconduction pattern of fever transformer radiating tube, comprise the body 1 of being made by super heat-conductive pipe, body 1 is provided with the fixture 2 fixing with transformer-cabinet, fixture 2 is divided into radiating end 11 and heat absorbing end 12 from top to bottom by body 1, the outer radiating fin 3 that is arranged with on radiating end 11 tops, and the outer wall of radiating end 11 bottoms is provided with insulating case 4, the periphery of described radiating fin 3 is covered with a protective cover 5, and bottom and the insulating case of protective cover 5 are fixed; The sidewall of protective cover bottom is provided with air vent hole 52, due to the bottom of air vent hole in protective cover, so a large amount of cold air enters from protective cover bottom; from protective cover upper end, flow out; and air circulation is good, in flow process, take away a large amount of hot gas of radiating fin, greatly improve radiating efficiency.The upper end of described protective cover is provided with support bar 51, increases the stability of protective cover.
Further, described fixture 2 is clamp nut, and the mode and the transformer-cabinet that are threaded connection are fixed, and in order to increase sealing, is positioned at heat absorbing end one side and is provided with oil-resistant seal ring on clamp nut.
As preferably, described radiating fin is aluminum fin, and the cross section of radiating fin is made as quincunxly, is conducive to improve radiating effect.
During use, the utility model is directly inserted to transformer-cabinet, the heat of transformer oil is conducted heat, is dispelled the heat by the body of being made by super heat-conductive pipe, compared to traditional heat abstractor, its structure is simpler, and cost reduces greatly, is located at transformer-cabinet top, air circulation is good, and radiating effect obviously improves.
Obviously, described embodiment is only a part of embodiment of the present utility model, rather than whole embodiment.Embodiment based in the utility model, those of ordinary skills are not making the every other embodiment obtaining under creative work prerequisite, all should belong to the scope of the utility model protection.

Claims (6)

1. a superconduction pattern of fever transformer radiating tube, it is characterized in that: comprise the body (1) of being made by super heat-conductive pipe, body (1) is provided with the fixture (2) fixing with transformer-cabinet, fixture (2) is divided into radiating end (11) and heat absorbing end (12) from top to bottom by body (1), the outer radiating fin (3) that is arranged with staggered stack on radiating end (11) top, the outer wall of radiating end (11) bottom is provided with insulating case (4), the periphery of described radiating fin (3) is covered with a protective cover (5), and bottom and the insulating case of protective cover (5) are fixed; The sidewall of protective cover bottom is provided with air vent hole (52).
2. superconduction pattern of fever transformer radiating tube according to claim 1, is characterized in that: the cross section of described radiating fin is plum blossom-shaped.
3. superconduction pattern of fever transformer radiating tube according to claim 1, is characterized in that: described fixture is clamp nut.
4. superconduction pattern of fever transformer radiating tube according to claim 1, is characterized in that: on described fixture (2), be positioned at heat absorbing end one side and be provided with oil-resistant seal ring (21).
5. superconduction pattern of fever transformer radiating tube according to claim 1, is characterized in that: described radiating fin (3) is aluminum fin.
6. superconduction pattern of fever transformer radiating tube according to claim 1, is characterized in that: the upper end of described protective cover (5) is provided with support bar (51).
CN201320536320.XU 2013-08-30 2013-08-30 Super-heat-conducting transformer heat-radiating pipe Expired - Fee Related CN203433939U (en)

Priority Applications (1)

Application Number Priority Date Filing Date Title
CN201320536320.XU CN203433939U (en) 2013-08-30 2013-08-30 Super-heat-conducting transformer heat-radiating pipe

Applications Claiming Priority (1)

Application Number Priority Date Filing Date Title
CN201320536320.XU CN203433939U (en) 2013-08-30 2013-08-30 Super-heat-conducting transformer heat-radiating pipe

Publications (1)

Publication Number Publication Date
CN203433939U true CN203433939U (en) 2014-02-12

Family

ID=50062964

Family Applications (1)

Application Number Title Priority Date Filing Date
CN201320536320.XU Expired - Fee Related CN203433939U (en) 2013-08-30 2013-08-30 Super-heat-conducting transformer heat-radiating pipe

Country Status (1)

Country Link
CN (1) CN203433939U (en)

Similar Documents

Publication Publication Date Title
CN205897906U (en) Heat exchanger of high heat dissipating ability
CN204518313U (en) A kind of liquid cooling heat radiator
CN202470227U (en) Copper-aluminum composite heat radiator heat radiating duct piece
CN103440960B (en) Transformer superconductivity heat-pipe air-cooling heat exchanger
CN104406443A (en) Aluminum finned tube
CN103411192B (en) A kind of solar LED (Light Emitting Diode) lamp combined radiating device
CN203432426U (en) Radiating tube used for transformer
CN203433939U (en) Super-heat-conducting transformer heat-radiating pipe
CN204806343U (en) A radiator for LED lamp
CN202523507U (en) Radiation device for transformer
CN205248045U (en) A supplementary heat abstractor for transformer
CN203433940U (en) Heat-superconducting pipe air-cooling heat exchanger for transformer
CN206890109U (en) A kind of heat abstractor of LED
CN203433941U (en) Transformer capable of conveniently radiating heat
CN204227982U (en) Finned tube
CN204664061U (en) A kind of novel hydraulic radiating device
CN205048797U (en) Many heats source hybrid loop heat pipe heat pump evaporator
CN204227373U (en) A kind of high-power LED radiator
CN102646501A (en) Heat radiation device of transformer
CN206234635U (en) One kind expands heat-dissipating LED lamp
CN205681757U (en) A kind of cold cooling device of frequency converter of oil with stack effect
CN105139998A (en) High-efficiency cooling transformer
CN207179598U (en) A kind of cylinder type LED radiator with holes
CN206903836U (en) A kind of heat abstractor of air compressor machine
CN205228213U (en) Improve radiating cooling tower of cooling tower

Legal Events

Date Code Title Description
C14 Grant of patent or utility model
GR01 Patent grant
C56 Change in the name or address of the patentee

Owner name: ZHEJIANG BOTHWELL ELECTRIC CO., LTD.

Free format text: FORMER NAME: ZHEJIANG JIANGSHAN SPECIAL TRANSFORMER CO., LTD.

CP01 Change in the name or title of a patent holder

Address after: 324104, Jiang He industrial corridor No. 137, Qing Lake junction, Jiangshan, Zhejiang, Quzhou

Patentee after: Zhejiang Proview Electric Applicance Co., Ltd

Address before: 324104, Jiang He industrial corridor No. 137, Qing Lake junction, Jiangshan, Zhejiang, Quzhou

Patentee before: Zhejiang Jiangshan Special Transformer Co., Ltd.

CF01 Termination of patent right due to non-payment of annual fee

Granted publication date: 20140212

Termination date: 20190830

CF01 Termination of patent right due to non-payment of annual fee