CN203432385U - Closed multi-channel forced aeration-cooling air cooling system - Google Patents
Closed multi-channel forced aeration-cooling air cooling system Download PDFInfo
- Publication number
- CN203432385U CN203432385U CN201320377780.2U CN201320377780U CN203432385U CN 203432385 U CN203432385 U CN 203432385U CN 201320377780 U CN201320377780 U CN 201320377780U CN 203432385 U CN203432385 U CN 203432385U
- Authority
- CN
- China
- Prior art keywords
- air
- air cooling
- communicated
- central island
- hot wind
- Prior art date
- Legal status (The legal status is an assumption and is not a legal conclusion. Google has not performed a legal analysis and makes no representation as to the accuracy of the status listed.)
- Expired - Fee Related
Links
- 238000001816 cooling Methods 0.000 title claims abstract description 91
- XLYOFNOQVPJJNP-UHFFFAOYSA-N water Substances O XLYOFNOQVPJJNP-UHFFFAOYSA-N 0.000 claims description 36
- 230000008676 import Effects 0.000 claims description 25
- 238000012546 transfer Methods 0.000 claims description 20
- 238000009423 ventilation Methods 0.000 claims description 13
- 238000004891 communication Methods 0.000 claims description 6
- 230000015556 catabolic process Effects 0.000 claims description 4
- 238000011144 upstream manufacturing Methods 0.000 claims description 3
- 239000002918 waste heat Substances 0.000 abstract description 5
- 230000006641 stabilisation Effects 0.000 abstract 1
- 238000011105 stabilization Methods 0.000 abstract 1
- 230000002528 anti-freeze Effects 0.000 description 10
- 238000010438 heat treatment Methods 0.000 description 9
- 238000010992 reflux Methods 0.000 description 9
- 230000000694 effects Effects 0.000 description 5
- 238000000034 method Methods 0.000 description 5
- UGFAIRIUMAVXCW-UHFFFAOYSA-N Carbon monoxide Chemical compound [O+]#[C-] UGFAIRIUMAVXCW-UHFFFAOYSA-N 0.000 description 4
- 238000013461 design Methods 0.000 description 4
- 239000003546 flue gas Substances 0.000 description 4
- 239000000446 fuel Substances 0.000 description 4
- 238000011084 recovery Methods 0.000 description 4
- 230000008859 change Effects 0.000 description 3
- 239000002699 waste material Substances 0.000 description 3
- 230000008901 benefit Effects 0.000 description 2
- 238000002485 combustion reaction Methods 0.000 description 2
- 239000000498 cooling water Substances 0.000 description 2
- 238000010586 diagram Methods 0.000 description 2
- 238000001035 drying Methods 0.000 description 2
- 238000004519 manufacturing process Methods 0.000 description 2
- 239000009728 shiwei Substances 0.000 description 2
- 238000010521 absorption reaction Methods 0.000 description 1
- 238000004378 air conditioning Methods 0.000 description 1
- 238000004458 analytical method Methods 0.000 description 1
- 230000009286 beneficial effect Effects 0.000 description 1
- 230000033228 biological regulation Effects 0.000 description 1
- 230000005540 biological transmission Effects 0.000 description 1
- 239000002826 coolant Substances 0.000 description 1
- 230000007797 corrosion Effects 0.000 description 1
- 238000005260 corrosion Methods 0.000 description 1
- 230000007423 decrease Effects 0.000 description 1
- 230000007812 deficiency Effects 0.000 description 1
- 230000002950 deficient Effects 0.000 description 1
- 230000005611 electricity Effects 0.000 description 1
- 238000005516 engineering process Methods 0.000 description 1
- 238000005530 etching Methods 0.000 description 1
- 238000007710 freezing Methods 0.000 description 1
- 230000008014 freezing Effects 0.000 description 1
- 230000006872 improvement Effects 0.000 description 1
- 239000012774 insulation material Substances 0.000 description 1
- 239000007788 liquid Substances 0.000 description 1
- 238000011068 loading method Methods 0.000 description 1
- 238000012986 modification Methods 0.000 description 1
- 230000004048 modification Effects 0.000 description 1
- 238000010248 power generation Methods 0.000 description 1
- 230000003134 recirculating effect Effects 0.000 description 1
- 230000000630 rising effect Effects 0.000 description 1
- 208000011580 syndromic disease Diseases 0.000 description 1
- 238000010257 thawing Methods 0.000 description 1
- 238000010977 unit operation Methods 0.000 description 1
- 238000009834 vaporization Methods 0.000 description 1
- 230000008016 vaporization Effects 0.000 description 1
- 239000002023 wood Substances 0.000 description 1
Images
Landscapes
- Heat-Exchange Devices With Radiators And Conduit Assemblies (AREA)
Abstract
The utility model discloses a closed multi-channel forced aeration-cooling air cooling system which comprises a totally-enclosed air cooling center island. An inlet of the totally-enclosed air cooling center island is communicated with a plurality of cold air inlet channels, an outlet of the totally-enclosed air cooling center island is communicated with a plurality of hot wind outlet channels, and the hot wind outlet channels are all provided with changeover valves. Each changeover valve comprises two valve locations, wherein one valve location is communicated to a waste-heat utilization user, and the other valve location is communicated to a hot wind temporary diffusing channel. At least one changeover valve further comprises a third valve location, the third valve location is communicated to a hot wind recirculation line mother pipe through a steam air heater, the hot wind recirculation line mother pipe is provided with a plurality of hot wind recirculation line branch pipes, and the hot wind recirculation line branch pipes are in one-to-one correspondence with cold air inlet channels and are further communicated to the air cooling center island. The closed multi-channel forced aeration-cooling air cooling system completely solves the problem of hot wind backflow, air distribution of different waste heat utilization loads as needed can be achieved, external hot wind recirculation can be achieved on inlet air ducts of all the channels, the internal temperature field of air cooling equipment can be even, and steam turbine backpressure stabilization can be better achieved.
Description
Technical field
The utility model relates to a kind of air cooling system, is specifically related to the cooling air cooling system of a kind of closed multichannel forced ventilation.Belong to air cooling heat transmission equipment and UTILIZATION OF VESIDUAL HEAT IN technical field.
Background technology
One of key issue of air cooling system is that back pressure is high, Steam Power Circulation efficiency is lower with respect to water-cooling system, Electricity Department standard (explanation of DL/T5054-1996 thermal power plant steam-water pipe designing technique regulation clause, 284 pages) points out that the highest circulating water temperature of Hai Leshi indirect air cooling system can reach 60-70 ℃; Two of key issue is that hot air reflux phenomenon causes steam turbine back pressure unstable; Three of key issue is will guarantee safe production in summer summer and guarantee that steam turbine completely sends out; Four of key issue is will have antifreezing measures winter.
Air cooling system has Direct Air-Cooled and the large class of indirect air cooling two.The outstanding shortcoming of Direct Air-cooled Unit be subject to season, round the clock, climatic effect is large, steam turbine back pressure is unstable.
The thermal efficiency of cycle of Steam Power Equipment seldom surpasses 40%, has 60% left and right to be dispersed in environment in the heat that fuel sends, and wherein the overwhelming majority is that exhaust steam is discharged in condenser, by cooling water or wind, enters environment.The discharge of these used heat has caused energy waste on the one hand, has also aggravated on the other hand " tropical island effect " in city.Main steam or the hot water heating mode of adopting of tradition combined heat and power circulation utilized steam turbine cold junction heat.
Aspect exhaust steam in steam turbine UTILIZATION OF VESIDUAL HEAT IN, main steam or the hot water heating mode of adopting of traditional combined heat and power circulation utilized Turbine Cold Junction heat.And air has the shortcomings such as thermal capacitance is little, thermal conductivity factor is low, so the used heat of Air-cooled Unit had once been considered to be difficult for to reclaim, actually not so.The hot air medium of air cooler outlet because pollution-free, can adopt the measures such as air draught on the spot to control unique advantages such as temperature, and thawing, heat, be dried, burning can recycle its heat energy with fields such as wind.In above-mentioned field, the energy-provision way adopting is at present as follows:
Winter, cold district adopted steam air heater wind (comprising a Secondary Air etc.) or recirculation of employing hot blast for heating flame more in order to prevent the cold end corrosion of boiler air preheater and stifled ash at present; Heating medium comprises steam, water and hot blast etc. at present, and wherein central air-conditioning heating mostly is air heating; The dry measures such as flue gas, air preheater outlet Hot-blast Heating or the interior heating of burner hearth that adopt of current living beings or garbage fuel more; The method of defrozen is to adopt infrared ray, Steam Heating or hot blast recirculating technique at present; The current drying of wood, insulation material are dried, seed drying etc. mostly is independently plant produced, need to be equipped with independently hot-blast stove.
The principle of Steam Power Circulation generating, is that the heat of working medium (being generally water) absorption fuel release becomes steam, steam expansion pushing turbine acting generating, and steam finally discharges the Steam Power Circulation that the latent heat of vaporization condenses into a liquid rear participation new round.The thermal efficiency of cycle of Steam Power Equipment seldom surpasses 40%, has 60% left and right to be dispersed in environment in the heat that fuel sends, and wherein the overwhelming majority is discharged in condenser by exhaust steam, finally by cooling water or wind, enters environment.The discharge of these used heat has caused the waste of low-grade energy.
In northern China water-deficient area, directly the cooling exhaust steam in steam turbine mode of air is generally adopted by each power station.This just need to be according to the some row Air-Cooling Islands of generating set capacity size expansion system, and every row Air-Cooling Island system all adopts steam calandria radiator conventionally.At present the operation principle of Direct Air-Cooled island system is, the exhaust steam that steam turbine is discharged is assigned to the steam-distributing pipe device of each row Air-Cooling Island system after the female pipe of steam discharge, by the latter's shunting, is entered in Air-Cooling Island system steam calandria radiator; Outside air automatically or the Air-Cooling Island system radiating device of flowing through after blower fan pressurization, is taken away exhaust steam heat, makes exhaust steam condense into water, and hot-air is discharged to atmospheric environment, specifically can referenced patent (CN201210074658.8).
Direct Air-cooled Unit is usingd the cooling medium of surrounding air as turbine discharge, so Meteorological Elements in China, especially surroundings wind field, as wind speed, wind direction, wind frequency, wind-warm syndrome etc. will significantly affect the flowing heat transfer characteristic of cooling-air in air cooling system, and then affect security and the economy of unit operation, specifically see patent (CN200910079716.4).Typical phenomenon is as hot air reflux, refers to the air that had been heated under given conditions, and after again being sucked by blower fan again, again for the phenomenon of cooling air cooling tubes condenser, hot air reflux has improved the air themperature of direct air cooled condenser entrance; Caused the decline of air cooling tubes condenser cooling capacity, its harm is mainly manifested in the serious situation of summer high temperature, hot reflux, easily causes turbine back pressure sharply to raise, and even may cause stopping accident, affects the safe operation of unit.In a word, Direct Air-cooled Unit be subject to season, round the clock, climatic effect is large, steam turbine back pressure is unstable.One of technical disadvantages of Air-cooled Unit is that back pressure is high at present, and Steam Power Circulation efficiency is lower with respect to water-cooling system; Two of technical disadvantages is that the impact of the meteorologic factor heat exchanging effects such as the wind direction of ambient wind and wind speed is large, and it is unstable that particularly hot air reflux phenomenon causes steam turbine back pressure; Three of technical disadvantages is will guarantee safe production in summer summer and guarantee that steam turbine completely sends out; Four of technical disadvantages is in severe cold area, and will have antifreezing measures winter.
Article " feasibility study that radiator of direct air-cooling outlet hot-air utilizes " (Li Kun, Xiong Yangheng, thermal power generation, 2007 (1): 8-11) proposed a kind of energy recovery type direct air cooling system improvement project, air cooling blower fan is arranged in to direct-cooling radiator top the wind of discharge is sent to boiler fan, improve air preheater winter low temperature etching problem, reduce air preheater area.Article " the comprehensive analysis with wind as boiler combustion of thermal power plant's direct air cooled condenser outlet hot-air " (Wei Gaosheng, Liu Lixiang ,Yang Li army, Du little Ze, Yang Yong is flat, modern electric, 2008,25 (2): 57-60) point out the direct-cooled unit for 600MW, according to 36 ℃ of calculating of atmosphere temperature rising in Air-Cooling Island, boiler combustion only accounts for 2.6% of air cooling tubes condenser outlet quantity of hot air with wind, and yield is very limited, and little to solving hot air reflux effect.Both all thoroughly do not solve the reflux problem of hot blast.
For antifreeze, article " three Row Tube Direct Air Cooling Condenser Freezing Causes " (Xu Chuanhai, Liu Gang, Li Jinpeng, power equipment, 2006,7 (9): 51-54) introduced a kind of blower fan that can reverse, blower fan direction of rotation is switched to reversing by forward, suction air cooling tubes condenser top hot-air, realize inner hot blast and recycle to heat counterflow condenser tube bank, but can not realize outside hot blast recirculation.
Summary of the invention
The purpose of this utility model is for overcoming above-mentioned the deficiencies in the prior art, provides a kind of closed multichannel forced ventilation cooling air cooling system.
For achieving the above object, the utility model adopts following technical proposals:
The cooling air cooling system of a kind of closed multichannel forced ventilation, it comprises integrally closed air cooling central island, its import and several cold air inlet channel connections, outlet and several hot-blast outlet channel connections, on several described hot-blast outlet passages, be equipped with transfer valve, described transfer valve comprises two valve position, and one is communicated to UTILIZATION OF VESIDUAL HEAT IN user, and it two is communicated to hot blast and diffuses passage temporarily; Wherein, at least one transfer valve also comprises the 3rd valve position, and it is communicated to the female pipe of hot blast recirculation conduit through steam air heater, and the female pipe of described hot blast recirculation conduit is provided with several hot blast recirculation conduit arms, correspondence imports cold air inlet passage one by one, and is communicated to air cooling central island.
The upstream position that described hot blast recirculation conduit arm imports cold air inlet passage is provided with cold air inlet air door.
Described air cooling central island is multichannel locellus type, it comprises Direct Air-Cooled central island or two kinds of forms of indirect air cooling central island, the import of described Direct Air-Cooled central island and exhaust steam pipeline communication, outlet is communicated with condensing water conduit, wherein, exhaust steam pipeline Yi Shiwei unit is communicated to the import of Direct Air-Cooled central island; The import of described indirect air cooling central island and heat recirculated water pipeline communication, outlet and cool circulation water pipeline communication, wherein, heat recirculated water pipeline Yi Shiwei unit is communicated to the import of Direct Air-Cooled central island.
The thermal source of described steam air heater is taken from steam, hot water or flue gas.
In described air cooling central island, be provided with blower fan and heat exchange element.
The finned tube of described heat exchange element adopts external finned tube, and described external finned tube adopts horizontal, oblique top formula or vertical tube bank to arrange, and threaded plug type, removable cover are board-like, set tubular type or breakdown bobbin carriage are arranged.
The method of work of above-mentioned air cooling system, concrete steps are as follows:
1) adopt the machine power forced ventilation type of cooling, exhaust steam or heat recirculated water Yi Shiwei unit pass into air cooling central island, and, from the import of air cooling central island, pass into cold wind, so, condensate water recovery or cool circulation water and hot blast are discharged in outlet;
2) from least one hot-blast outlet passage, draw a hot blast recirculation conduit, steam air heater temperature adjustment is set, according to actual temperature change situation, determine whether come into operation, its arm directly imports each cold air inlet passage, when causing quantity of steam, the reasons such as steam turbine load down reduce, while adopting hot blast recirculation can not meet antifreeze requirement, carry out step 3); Female pipe is provided with bypass valve, does not need hot blast to recycle when antifreeze, carries out step 4);
3) close at least one cold air inlet air door, realize antifreeze object;
4) hot blast is connected to each UTILIZATION OF VESIDUAL HEAT IN user by hot-blast outlet passage, and unnecessary waste heat diffuses passage by hot blast temporarily and diffuses in time, and the load variations because of UTILIZATION OF VESIDUAL HEAT IN does not have influence on turbine back pressure.
Operation principle of the present utility model:
1) air cooling central island is integrally closed, and to adopt gravity-flow ventilation or machine power assisting natural to ventilate different more with current air cooling, and the utility model employing machine power forced ventilation is cooling, and entrance is established cold air inlet passage, exports as hot-blast outlet passage.According to heat transfer principle,
Q=hAΔt
Wherein, Q is heat exchange amount, and h is the coefficient of heat transfer (coefficient of heat transfer is relevant with factors such as heat exchange element pattern, flow velocitys), and A is heat exchange area, and Δ t is heat transfer temperature difference.According to heat transfer principle, generally, while adopting forced ventilation, the coefficient of heat transfer of the coefficient of heat transfer during far above gravity-flow ventilation.
When Q and Δ t mono-timing, flow velocity is higher, and the coefficient of heat transfer is larger, and corresponding heat exchange area, equipment volume and civilwork engineering quantity reduce, and initial cost reduces; Meanwhile, flow velocity is higher, can cause resistance increment again, and power of fan increases, and operating cost increases.The conditions such as design hour hands heat exchanging element pattern, heat transfer temperature difference, UTILIZATION OF VESIDUAL HEAT IN thermic load, by choosing suitable flow velocity, can make initial cost and operating cost sum drop to most suitable level.
2) air cooling central island is multichannel locellus type, and exhaust steam or heat recirculated water Yi Shiwei unit pass into air cooling central island; And each hot-blast outlet passage is established bypass valve, the waste heat have more than is needed for profit can diffuse in time, and the load variations because of UTILIZATION OF VESIDUAL HEAT IN does not have influence on turbine back pressure.
3) air cooling central island is got at least one hot-blast outlet passage as hot blast recirculation conduit, and hot blast recirculation conduit arranges bypass valve, does not need hot blast to recycle when antifreeze, and this passage can be used as other UTILIZATION OF VESIDUAL HEAT IN purposes.Hot blast recycles female Guan Shangzai steam air heater (thermal source can be taken from steam, hot water, flue gas etc.) temperature adjustment is set, and according to actual temperature change situation, determines whether come into operation.
4) each access road of air cooling central island is provided with air door, when the reasons such as steam turbine load down cause quantity of steam to reduce, if while adopting hot blast recirculation can not meet antifreeze requirement, also can close the entrance air door of one or more passage, realizes antifreeze object.
5) structure of the heat exchange element assembly of air cooling central island and principle and prior art are basic identical, such as the finned tube of heat exchange element, can adopt horizontal, oblique top formula, the conventional tube bank such as vertical to arrange, and the conventional bobbin carriage such as threaded plug type, removable cover are board-like, set tubular type, breakdown is arranged.
6) mechanical draft can increase a part of station service, but the utility model is by the air cooling apparatus of particular design, and the hot blast after heat exchange can recycle, thereby by stablizing back pressure, two kinds of modes of the heat recovery raising unit economy that is in operation.
The beneficial effects of the utility model are, the utility model brand-new design air cooling central island, adopt integrally closed and multichannel locellus forced ventilation Cooling Design, thoroughly solve hot air reflux problem, and can realize the different UTILIZATION OF VESIDUAL HEAT IN air distribution as required of loading.And, at the place, entrance air channel of each passage, realize outside hot blast recirculation, can make air cooling apparatus internal temperature field even, be conducive to steam turbine back pressure stable.
Advantage of the present utility model is specific as follows:
1) back pressure is lower, and the operation of summer, Winter safety;
2) thoroughly solve hot air reflux problem, back pressure is stable;
3) a large amount of waste heats of Steam Power Circulation can be recovered utilization;
4) civilwork engineering quantity reduces, and equipment volume reduces, and engineering cost reduces, and heat utilization rate improves.
Accompanying drawing explanation
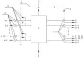
Fig. 1 is structural representation of the present utility model;
Fig. 2 is the front view of direct air cooling system;
Fig. 3 is the side view of Fig. 2;
Fig. 4 is A-A profile in Fig. 2;
Fig. 5 is that hot blast recycles female pipe and arm and hot-blast outlet passage, the channel attached schematic diagram of cold air inlet;
Fig. 6 is the front view of indirect air cooling system;
Fig. 7 is the side view of Fig. 6;
Fig. 8 is B-B profile in Fig. 6;
Fig. 9 is that hot blast recycles female pipe and arm and hot-blast outlet passage, the channel attached schematic diagram of cold air inlet;
1. air cooling central island wherein, 2. exhaust steam or heat recirculated water pipeline, 21. exhaust steam pipelines, 22. heat recirculated water pipelines, 3. condensate water or cool circulation water pipeline, 31. condensing water conduits, 32. cool circulation water pipelines, 4. cold air inlet passage (comprising 4-1~4-N), 5. hot-blast outlet passage (comprising 5-1~5-N), 6. hot blast diffuses passage (comprising 6-1~6-N), 7. transfer valve temporarily, 8. steam air heater, 9. the female pipe of hot blast recirculation conduit, 10. hot blast recirculation conduit arm, 11. cold air inlet air doors, 12. blower fans, 13. heat exchange elements.
The specific embodiment
Below in conjunction with drawings and Examples, the utility model is further elaborated, should be noted that following explanation is only in order to explain the utility model, does not limit its content.
As shown in Fig. 1~9, the utility model is the cooling air cooling system of a kind of closed multichannel forced ventilation, it comprises integrally closed air cooling central island 1, its import comprises 4-1~4-N with several cold air inlet passages 4() be communicated with, outlet comprises 5-1~5-N with several hot-blast outlet passages 5() be communicated with, described several hot-blast outlet passages 5(comprises 5-1~5-N) on be equipped with transfer valve 7, described transfer valve 7 comprises two valve position, one is communicated to UTILIZATION OF VESIDUAL HEAT IN user, and it two is communicated to hot blast and diffuses passage 6(temporarily and comprise 6-1~6-N); Wherein, at least one transfer valve 7 also comprises the 3rd valve position, it is communicated to the female pipe 9 of hot blast recirculation conduit through steam air heater 8, the female pipe 9 of described hot blast recirculation conduit is provided with several hot blast recirculation conduit arms 10, the corresponding cold air inlet passage 4(that imports comprises 4-1~4-N one by one), and be communicated to air cooling central island 1.
Described hot blast recirculation conduit arm 10 imports cold air inlet passage 4(and comprises 4-1~4-N) upstream position be provided with cold air inlet air door 11.
Described air cooling central island 1 is multichannel locellus type, it comprises Direct Air-Cooled central island or two kinds of forms of indirect air cooling central island, the import of described Direct Air-Cooled central island is communicated with exhaust steam pipeline 21, outlet is communicated with condensing water conduit 31, wherein, exhaust steam pipeline 21Yi Shiwei unit is communicated to the import of Direct Air-Cooled central island; The import of described indirect air cooling central island is communicated with heat recirculated water pipeline 22, and outlet is communicated with cool circulation water pipeline 32, and wherein, heat recirculated water pipeline 22Yi Shiwei unit is communicated to the import of Direct Air-Cooled central island.
The thermal source of described steam air heater 8 is taken from steam, hot water or flue gas.
In described air cooling central island 1, be provided with blower fan 12 and heat exchange element 13.
The finned tube of described heat exchange element 13 adopts external finned tube, and external finned tube adopts horizontal, oblique top formula or vertical tube bank to arrange, and threaded plug type, removable cover are board-like, set tubular type or breakdown bobbin carriage are arranged.
The method of work of above-mentioned air cooling system, concrete steps are as follows:
1) adopt the machine power forced ventilation type of cooling, exhaust steam or heat recirculated water Yi Shiwei unit pass into air cooling central island 1, and, from the import of air cooling central island 1, pass into cold wind, so, condensate water recovery or cool circulation water and hot blast are discharged in outlet;
2) from least one hot-blast outlet passage 5(, comprise 5-1~5-N) draw a hot blast recirculation conduit, steam air heater 8 temperature adjustments are set, according to actual temperature change situation, determine whether come into operation, hot blast recirculation conduit arm 10 directly imports each cold air inlet passage 4(and comprises 4-1~4-N), when causing quantity of steam, the reasons such as steam turbine load down reduce, while adopting hot blast recirculation can not meet antifreeze requirement, carry out step 3); The female pipe 9 of hot blast recirculation conduit is provided with bypass valve, does not need hot blast to recycle when antifreeze, carries out step 4);
3) close at least one cold air inlet air door 11, realize antifreeze object;
4) hot blast comprises 5-1~5-N by hot-blast outlet passage 5() be connected to each UTILIZATION OF VESIDUAL HEAT IN user, unnecessary waste heat diffuses passage 6(by hot blast temporarily and comprises 6-1~6-N) diffuse in time, the load variations because of UTILIZATION OF VESIDUAL HEAT IN does not have influence on turbine back pressure.
Although above-mentioned, by reference to the accompanying drawings the specific embodiment of the present utility model is described; but the not restriction to the utility model protection domain; on the basis of the technical solution of the utility model, those skilled in the art do not need to pay various modifications that creative work can make or distortion still in protection domain of the present utility model.
Claims (5)
1. the cooling air cooling system of closed multichannel forced ventilation, it is characterized in that, it comprises integrally closed air cooling central island, its import and several cold air inlet channel connections, outlet and several hot-blast outlet channel connections, be equipped with transfer valve on several described hot-blast outlet passages, and described transfer valve comprises two valve position, one is communicated to UTILIZATION OF VESIDUAL HEAT IN user, and it two is communicated to hot blast and diffuses passage temporarily; Wherein, at least one transfer valve also comprises the 3rd valve position, and it is communicated to the female pipe of hot blast recirculation conduit through steam air heater, and the female pipe of described hot blast recirculation conduit is provided with several hot blast recirculation conduit arms, correspondence imports cold air inlet passage one by one, and is communicated to air cooling central island.
2. air cooling system according to claim 1, is characterized in that, the upstream position that described hot blast recirculation conduit arm imports cold air inlet passage is provided with cold air inlet air door.
3. air cooling system according to claim 1, it is characterized in that, described air cooling central island is multichannel locellus type, it comprises Direct Air-Cooled central island or two kinds of forms of indirect air cooling central island, the import of described Direct Air-Cooled central island and exhaust steam pipeline communication, outlet is communicated with condensing water conduit, and wherein, exhaust steam pipeline Yi Shiwei unit is communicated to the import of Direct Air-Cooled central island; The import of described indirect air cooling central island and heat recirculated water pipeline communication, outlet and cool circulation water pipeline communication, wherein, heat recirculated water pipeline Yi Shiwei unit is communicated to the import of Direct Air-Cooled central island.
4. air cooling system according to claim 1, is characterized in that, in described air cooling central island, is provided with blower fan and heat exchange element.
5. air cooling system according to claim 4, it is characterized in that, the finned tube of described heat exchange element adopts external finned tube, and described external finned tube adopts horizontal, oblique top formula or vertical tube bank to arrange, and threaded plug type, removable cover are board-like, set tubular type or breakdown bobbin carriage are arranged.
Priority Applications (1)
| Application Number | Priority Date | Filing Date | Title |
|---|---|---|---|
| CN201320377780.2U CN203432385U (en) | 2013-06-26 | 2013-06-26 | Closed multi-channel forced aeration-cooling air cooling system |
Applications Claiming Priority (1)
| Application Number | Priority Date | Filing Date | Title |
|---|---|---|---|
| CN201320377780.2U CN203432385U (en) | 2013-06-26 | 2013-06-26 | Closed multi-channel forced aeration-cooling air cooling system |
Publications (1)
| Publication Number | Publication Date |
|---|---|
| CN203432385U true CN203432385U (en) | 2014-02-12 |
Family
ID=50061419
Family Applications (1)
| Application Number | Title | Priority Date | Filing Date |
|---|---|---|---|
| CN201320377780.2U Expired - Fee Related CN203432385U (en) | 2013-06-26 | 2013-06-26 | Closed multi-channel forced aeration-cooling air cooling system |
Country Status (1)
| Country | Link |
|---|---|
| CN (1) | CN203432385U (en) |
Cited By (3)
| Publication number | Priority date | Publication date | Assignee | Title |
|---|---|---|---|---|
| CN103353241A (en) * | 2013-06-26 | 2013-10-16 | 山东电力工程咨询院有限公司 | Closed type multichannel air cooling system realizing forced ventilation and cooling and working method |
| CN105509500A (en) * | 2016-01-08 | 2016-04-20 | 山东泓奥电力科技有限公司 | Air cooling island antifreezing flow control system |
| CN106596386A (en) * | 2016-11-04 | 2017-04-26 | 长沙理工大学 | Testing apparatus and method for simulating metal steam-water two-phase corrosion of air-cooled condenser |
-
2013
- 2013-06-26 CN CN201320377780.2U patent/CN203432385U/en not_active Expired - Fee Related
Cited By (4)
| Publication number | Priority date | Publication date | Assignee | Title |
|---|---|---|---|---|
| CN103353241A (en) * | 2013-06-26 | 2013-10-16 | 山东电力工程咨询院有限公司 | Closed type multichannel air cooling system realizing forced ventilation and cooling and working method |
| CN105509500A (en) * | 2016-01-08 | 2016-04-20 | 山东泓奥电力科技有限公司 | Air cooling island antifreezing flow control system |
| CN106596386A (en) * | 2016-11-04 | 2017-04-26 | 长沙理工大学 | Testing apparatus and method for simulating metal steam-water two-phase corrosion of air-cooled condenser |
| CN106596386B (en) * | 2016-11-04 | 2019-09-10 | 长沙理工大学 | A kind of simulation air cooling tubes condenser metal vehicle repair major corrosion testing apparatus and method |
Similar Documents
| Publication | Publication Date | Title |
|---|---|---|
| CN203432385U (en) | Closed multi-channel forced aeration-cooling air cooling system | |
| CN104653241A (en) | Waste heat recovery device for indirect air-cooling unit | |
| CN103353241B (en) | Closed type multichannel air cooling system realizing forced ventilation and cooling and working method | |
| CN203796339U (en) | Waste heat recovery device of direct air cooling unit | |
| CN203704692U (en) | Waste heat recovery type double-flow-path power station condenser | |
| CN104018899B (en) | A kind of air-cooled condenser of power plant peak cooling device and method thereof | |
| CN202692214U (en) | Novel direct air-cooling unit high-efficiency heating system | |
| CN104832908A (en) | Combination system and combination method for phase-change heat exchanger with heating network heater | |
| CN109210969A (en) | A kind of residual heat of electric power plant and clean energy resource utilization system | |
| CN109268920A (en) | A kind of steamer computer room UTILIZATION OF VESIDUAL HEAT IN heating and ventilation system | |
| CN205664467U (en) | Directly retrieve economizer that power plant's condenser waste heat is used for municipal heat supply | |
| CN204665244U (en) | A kind of association system of phase-change heat-exchanger band heat exchangers for district heating | |
| CN209116822U (en) | A kind of residual heat of electric power plant and clean energy resource utilization system | |
| CN204373030U (en) | Make full use of the step heating heating system of residual heat of electric power plant | |
| CN206608968U (en) | A kind of power plant's heat reclaiming system | |
| CN206478721U (en) | A kind of Circulating Cooling Water of Power Plant condensation waste heat utilizes system | |
| CN214009999U (en) | Aging furnace waste heat recovery device | |
| CN205174432U (en) | Boiler air inlet preheating device with amortization function | |
| JP2019190807A (en) | Hot water storage device using waste heat | |
| CN208983903U (en) | A kind of combined generator cooling system | |
| CN110553397B (en) | Photovoltaic air can double-purpose hot water system | |
| CN112555888A (en) | Energy-saving utilization device of boiler air supply system as cold source of unit | |
| CN209622911U (en) | A kind of heating ventilator system of fume afterheat coupling phase-transition heat-storage | |
| CN111981874A (en) | A solar wind-water dynamic heat exchange device and system | |
| CN206514282U (en) | Drive small machine cold end waste heat comprehensive utilization system in a kind of thermal power plant blower fan vapour Electricity Federation |
Legal Events
| Date | Code | Title | Description |
|---|---|---|---|
| C14 | Grant of patent or utility model | ||
| GR01 | Patent grant | ||
| CF01 | Termination of patent right due to non-payment of annual fee |
Granted publication date: 20140212 Termination date: 20150626 |
|
| EXPY | Termination of patent right or utility model |