CN203376148U - Electromagnetic valve detection device - Google Patents

Electromagnetic valve detection device Download PDF

Info

Publication number
CN203376148U
CN203376148U CN201320412484.1U CN201320412484U CN203376148U CN 203376148 U CN203376148 U CN 203376148U CN 201320412484 U CN201320412484 U CN 201320412484U CN 203376148 U CN203376148 U CN 203376148U
Authority
CN
China
Prior art keywords
pressure test
test bench
main pressure
electromagnetic valve
detection device
Prior art date
Legal status (The legal status is an assumption and is not a legal conclusion. Google has not performed a legal analysis and makes no representation as to the accuracy of the status listed.)
Expired - Lifetime
Application number
CN201320412484.1U
Other languages
Chinese (zh)
Inventor
周东洋
Current Assignee (The listed assignees may be inaccurate. Google has not performed a legal analysis and makes no representation or warranty as to the accuracy of the list.)
Hydraulic Machinery Manufacturing Co Ltd Of Changde Huahai
Original Assignee
Hydraulic Machinery Manufacturing Co Ltd Of Changde Huahai
Priority date (The priority date is an assumption and is not a legal conclusion. Google has not performed a legal analysis and makes no representation as to the accuracy of the date listed.)
Filing date
Publication date
Application filed by Hydraulic Machinery Manufacturing Co Ltd Of Changde Huahai filed Critical Hydraulic Machinery Manufacturing Co Ltd Of Changde Huahai
Priority to CN201320412484.1U priority Critical patent/CN203376148U/en
Application granted granted Critical
Publication of CN203376148U publication Critical patent/CN203376148U/en
Anticipated expiration legal-status Critical
Expired - Lifetime legal-status Critical Current

Links

Images

Landscapes

  • Testing Of Devices, Machine Parts, Or Other Structures Thereof (AREA)

Abstract

The utility model provides an electromagnetic valve detection device which comprises a detection host machine, a main pressure test bench and a removable pressure test bench. The main pressure test bench is fixedly connected to the work bench of the detection host machine. Multiple groups of screw holes and oil holes are processed on the main pressure test bench. The removable pressure test bench is fixed with the main pressure test bench through screws. The electromagnetic valve detection device has the advantages of simple structure and convenient operation, through the improvement of the main pressure test bench, different removable pressure test benches can be conveniently replaced on the test bench so as to detect solenoid valves of different sizes and different models, the detection device only needs to connect the main pressure test bench, the floor space of the device is reduced, the cost is saved, and the working efficiency is raised.

Description

Detection apparatus for electromagnetic valve
Technical field
The utility model relates to a kind of product quality pick-up unit, specifically a kind of detection apparatus for electromagnetic valve.
Background technology
Enterprise needs product is carried out to pressure detection after producing solenoid valve, sees whether product quality meets the requirements.The pick-up unit that enterprise is used at present has special-purpose pressure testboard for the solenoid valve of different size different model, and a table apparatus need to connect a plurality of different pressure testboards to meet the detection demand.But this device makes floor area large owing to connecting a plurality of different pressure testboards, and the testing staff uses very inconvenient.If only need use a pressure testboard just can detect the solenoid valve of different size different model, that has just dwindled floor area greatly, has alleviated operating personnel's work.
The utility model content
The deficiency existed for above-mentioned similar technical matters, the purpose of this utility model is to provide a kind of detection apparatus for electromagnetic valve.
The technical solution of the utility model is: detection apparatus for electromagnetic valve, comprise and detect main frame, principal pressure test board, detachable pressure testboard, it is characterized in that: the principal pressure test board is fixedly connected on the worktable that detects main frame, be processed with many group screw holes and oilhole on the principal pressure test board, detachable pressure testboard is fixed by screw and principal pressure test board.
The utility model has the advantages that: this apparatus structure is simple, easy and simple to handle, by the improvement to the principal pressure test board, different detachable pressure testboards can be changed easily on test board in order to detect the solenoid valve of different size different model, pick-up unit only need connect a principal pressure test board like this, not only dwindle the floor area of this device, and saved cost, improved work efficiency.
The accompanying drawing explanation
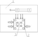
Fig. 1 is structural representation of the present utility model.
Embodiment
Now by reference to the accompanying drawings, technology contents of the present utility model is described further.
As shown in Figure 1, principal pressure test board 2 is fixedly connected on the worktable that detects main frame 1, is processed with many group screw holes and oilhole on principal pressure test board 2, and detachable pressure testboard 3 is fixing by screw and principal pressure test board 2.

Claims (1)

1. detection apparatus for electromagnetic valve, comprise and detect main frame (1), principal pressure test board (2), detachable pressure testboard (3), it is characterized in that: principal pressure test board (2) is fixedly connected on the worktable that detects main frame (1), be processed with many group screw holes and oilhole on principal pressure test board (2), detachable pressure testboard (3) is fixing by screw and principal pressure test board (2).
CN201320412484.1U 2013-07-11 2013-07-11 Electromagnetic valve detection device Expired - Lifetime CN203376148U (en)

Priority Applications (1)

Application Number Priority Date Filing Date Title
CN201320412484.1U CN203376148U (en) 2013-07-11 2013-07-11 Electromagnetic valve detection device

Applications Claiming Priority (1)

Application Number Priority Date Filing Date Title
CN201320412484.1U CN203376148U (en) 2013-07-11 2013-07-11 Electromagnetic valve detection device

Publications (1)

Publication Number Publication Date
CN203376148U true CN203376148U (en) 2014-01-01

Family

ID=49838672

Family Applications (1)

Application Number Title Priority Date Filing Date
CN201320412484.1U Expired - Lifetime CN203376148U (en) 2013-07-11 2013-07-11 Electromagnetic valve detection device

Country Status (1)

Country Link
CN (1) CN203376148U (en)

Cited By (1)

* Cited by examiner, † Cited by third party
Publication number Priority date Publication date Assignee Title
CN105157921A (en) * 2015-10-08 2015-12-16 临沂天一减震器有限公司 Apparatus for detecting and debugging damping adjustment electromagnetic component of damper

Cited By (1)

* Cited by examiner, † Cited by third party
Publication number Priority date Publication date Assignee Title
CN105157921A (en) * 2015-10-08 2015-12-16 临沂天一减震器有限公司 Apparatus for detecting and debugging damping adjustment electromagnetic component of damper

Similar Documents

Publication Publication Date Title
CN203346632U (en) Multifunctional auxiliary sewing platform of sewing machine
CN203376148U (en) Electromagnetic valve detection device
CN203414347U (en) Rigidity detecting device
CN203561546U (en) Friction pair of friction-wear test
CN203869651U (en) Support apparatus for detection of wheel hub
CN204209459U (en) Plate workpiece fast-holding fixture
CN203418516U (en) Die casting assembly line shaping working table
CN201707578U (en) Machine tool running environment real-time monitoring system
CN203304953U (en) Micro-hole drilling machine clamp
CN205968824U (en) Product automatically output pressure equipment system
CN203629540U (en) Video testing fixture
CN204286755U (en) A kind of spring resistance cubing
CN202885706U (en) Multifunctional high-efficiency special-purpose testing tool
CN205950574U (en) Gauge outfit detects fixed subassembly of frock
CN203371298U (en) Inner hole machining device of diesel engine cylinder liner
CN204954288U (en) High controllable rigging machine of laminating
CN202910106U (en) Device for leveling timing gear cover
CN205002953U (en) Contact force machine
CN203197881U (en) Linkage rod working table
CN203817826U (en) Special part processing equipment
CN202943307U (en) Hole-positioning tool plate
CN203872007U (en) Stator/rotator riveting-press jig
CN203438323U (en) Cold press with height adjustable
CN202366737U (en) Test tube frame for mechanical test
CN203432756U (en) Air pressure testing bench

Legal Events

Date Code Title Description
C14 Grant of patent or utility model
GR01 Patent grant
PE01 Entry into force of the registration of the contract for pledge of patent right

Denomination of utility model: Detection device of vacuum solenoid valve

Effective date of registration: 20140116

Granted publication date: 20140101

Pledgee: Linli County Rural Credit Cooperative Association

Pledgor: Changde Huahai Hydraulic Machinery Manufacturing Co.,Ltd.

Registration number: 2014430000001

PLDC Enforcement, change and cancellation of contracts on pledge of patent right or utility model
PM01 Change of the registration of the contract for pledge of patent right
PM01 Change of the registration of the contract for pledge of patent right

Change date: 20180806

Registration number: 2014430000001

Pledgee after: Hunan Linli rural commercial bank Limited by Share Ltd.

Pledgee before: Linli County Rural Credit Cooperative Association

PC01 Cancellation of the registration of the contract for pledge of patent right
PC01 Cancellation of the registration of the contract for pledge of patent right

Date of cancellation: 20180830

Granted publication date: 20140101

Pledgee: Hunan Linli rural commercial bank Limited by Share Ltd.

Pledgor: Changde Huahai Hydraulic Machinery Manufacturing Co.,Ltd.

Registration number: 2014430000001

PE01 Entry into force of the registration of the contract for pledge of patent right
PE01 Entry into force of the registration of the contract for pledge of patent right

Denomination of utility model: Detection device of vacuum solenoid valve

Effective date of registration: 20190730

Granted publication date: 20140101

Pledgee: Hunan Linli rural commercial bank Limited by Share Ltd.

Pledgor: Changde Huahai Hydraulic Machinery Manufacturing Co.,Ltd.

Registration number: 2019430000068

CX01 Expiry of patent term
CX01 Expiry of patent term

Granted publication date: 20140101